Fórum témák
» Több friss téma |
És ha a léptetőmotorra teszel áttételt, akkor jóval pontosabb lesz, mint egy bármilyen motor! Mivel adott fokot lép! Csak a léptető impulzusok kellenek, nem kell réstárcsa, sem semmilyen bűvészkedés!
Az éttétel pedig tetszőleges lehet. Pl.: egy 1,8° vagy 3,6°-ot tudó léptetőmotor 1:10 vagy akár 1:100-as osztása bőven megfelelő megoldás lehet. A hozzászólás módosítva: Júl 9, 2013
Erre a projektre találták ki a léptető motort ! Ha mondjuk 48 lépésest találsz akkor akkor 12 óra alatt 288 impulzus kell ami szinte bármilyen számlálóval - előállítható (vagy akár pic -avr is lehet a vezérlő akkor ő már a léptető moci vezérlését is megoldaná , csak egy meghajtó (uln2003) kéne még hozzá ...
Jó a léptetőmotor. Én azt használnám micro-step meghajtó elektronikával (pl TMC239, TMC222, A3977, TB6560, stb...). A léptető motorra lehet tenni ettől függetlenül áttételt.
Sziasztok!
Szeretnék 1 ilyet csinálni! Ehhez szeretnék kérni valami kapcsolási rajtot és ha van esetleg valakinek akkor nyáktervet is!
Szia!
Nézz szét LED-forgatós topikokban!
Üdv nemrég megépítettem az alábbi kapcsolást. egészen úgy mint ahogy a képen látszik. Az lenne a kérdésem, hogy a FET g lába és a - között terheletlenül mekkora feszültség lehet maximum, én pont tápot mértem azaz 10V-ot. (1,5V-tól 10V-ig tudom szabályozni)
A hozzászólás módosítva: Aug 2, 2013
Szia!
Igen, majdnem a tápfeszültség mérhető ott, ha be van kapcsolva az IC kimenete.
Köszi gyorsan szórakoztam is vele egyet, ledeket ventilátort is jól lehet vele szabályozni.
Helló. Van egy 350w os DC motorom, (négy vezeték Ub/Ua:220/220V Ib/Ia:1,5/0,15A ), ebből szeretnék egy mézkipergető centrifugát öszerakni. A fordulatszám szabályozás fontos, folyamatosan gyorsuló kell legyen. Viszont a FET -eket - diódákat - is védeni kéne valami féle módon a túl magas áramoktól- (meg a motornak se ártana )mivel terhelve indul. Nem tudom hogy a 4 kivezetés azért e van hogy soros ill. párhuzamosan is be lehet kötni a gerjesztést? A fordulat szám szabályozás miatt gyanítom hogy a párhuzamos kéne hogy legyen, gondolom h annak is lesz azért elégséges inditó nyomatéka. ...Hogy lehetne ezt kulturáltan összerakni? Meg a másik dolog hogy menyivel terhelhetem a motort inditásnál, olyan 6 kilos darab, szóval nem kínai...
Fogsz egy UC3843-at, és meghajtasz vele akkora fetet ami bírja a szükséges feszültséget és áramot. Mivel árammódú a szabályozó (azaz áramgenerátorként viselkedik), sem az indulással, sem a túlterheléssel nem lesz gond.
Nálam a pergetőt egy 60W-os centrifuga motor viszi, a motor gyengesége pedig a fordulatszám szabályozás. Vagyis mivel gyenge, lassan pörög fel, de egyáltalán nem szükséges a fordulat szabályozhatósága. Elég sokan használnak olyat, amin van egy mosógép motor meg egy lábkapcsoló és ennyi. Vagy lomisoktól lehet kukázni elektromos roller-t, abban benne van a 200W körüli motor, pwm vezérlő, gázkar, szóval minden. Csak 24V DC kell neki, vagy 2db akku.
Helo! Ezek az adatok külső-gerjesztésű DC motort sejtetnek. Ilyen motort célszerű lehet állandó gerjesztő feszültséggel táplálni, és az armatúra feszültséggel a fordulatszámot változtatni. Ezt úgy is megoldhatod, hogy egy diódás híddal táplálod külön a gerjesztő tekercset, az armatúra kört pedig vagy valamilyen PWM áramkörrel vagy valamilyen tirisztoros/triakos/diódás áramirányítóval. Egy mézpörgető vélhetőleg nem igényel túl precíz fordulatszám tartást, elegendő lehet az armatúra feszültség állandó értéken tartása.
Ha a gerjesztés állandó, a nyomatéka az armatúra árammal arányos. Ha a névleges áram nem lenne elegendő az indításhoz, 1,5...2-szeres túlterhelés megengedhető rövid ideig.
ok, az áramgenerátor jó ötlet, kérdés ki tudna segiteni egy max 220-230v os kapocsfeszültségű mondjuk 3A es PWM áramgenerátor megtevezésében. (az is fontos hogy ha nem tud annyi áramot adni amennyi be van állitva akkor adja a max kapocsfeszültséget)Bármilyen segitség jól jönne, linkek, könyvek, kapcsolások...Bevallom nem nagyon találtam a témába vágó anyagot ami az én szintemen érthető is lenne. Esetleg meg tudnád mondani melyik kapcsolásra gondolsz, és hova tennéd azt a fet-et? Néztem az adatlapot de nem nagyon vagyok benne a témába.
Kösz
nem nagyon vagyok otthon villamos gépek ügyében, bár suliban tanultunk róla...szóval azt se tudtam hogy lehet külömböző nagyságú "feszültségeket" alkalmazni...Azt honnat lehet tudni melyik a gerjesztő tekercs és melyik az armatúra? Inditásnál a nagy áram csakk akkor baj ha túlzottan melegedik a motor gondolom. Mer ha feleanyi áram 2x olyan hosszan hat hőtanilag annak is ugyanolyan a hatása. Csak 2 szeres áramfelvétel megengedhető? olyat is olvastan hogy akár 10-30xos áramok is lehetnek. Amúgy a gyakorlatba fog kiderülni menyit vesz fel, ami nem is zavar csak tudnom kéne milyen áramra méretezzem a hidat, meg a PWM et...
A gerjesztés teljesítménye lényegesen kisebb, nagyobb gépek esetén akár több nagyságrenddel is. Tehát a kisebb áramú a gerjesztés. Ha a kivezetések egyformák, akkor ellenállásmérővel megkeresed a két független tekercset, és megméred az ellenállásukat. A gerjesztő tekercs ellenállása R=U/I=220/0,15=1333 ohm. Ez általában az üzem-meleg állapotra vonatkozik, hidegen ennél kicsit kevesebbet kellene mérned. Az armatúra tekercselés ellenállása ekkora motornál 5-10 ohm körül lehet.
A motor túlterhelősének egyik korlátja valóban a melegedés. 10-szeres áramot tudtommal csak a DC szervók viselnek el, de ez elvileg kapocstábla adat azoknál a motoroknál. Ilyen kis áramnál szerintem az üzembiztonság az elsődleges. Ha 5-10A-re méretezed a félvezetőt nem lesz sokkal drágább, mintha 1,5A-re terveznéd.
Érdekes dolgot mértem ohm mérővel, egy 1,4k-s értéket, és a többi mind végtelen. Az is a két fekete vezeték között. Két piros és két fekete vezeték jön ki a motorból. Majd rákérdezek az illetőnél aki adta a bekötésre....
Az 1,4K értéket valószínűleg a gerjesztő tekercsen mérted. Az armatúra körben a szakadást leggyakrabban a kefékkel kapcsolatos probléma okazhatja, azoknak az állapotát kellene megnézni.
Sziasztok!
Van nekem 3 darab ilyen motorom! Ezeknek szeretném a fordulatszámát 0 % -100 % között változtatni! (az se baj ha nem 0%-ról indul) Ehhez szeretnék segítséget kérni, kapcsolási rajzal esetleg nyáktervel és beültetési rajzal! Elöre is köszönöm!
Hello! Rossz helyen kopogtatsz. Ez egy léptetőmotor, aminek van külön topikja.. Bár a két vezeték, amiről ír ellent mond a szövegnek. üdv!
A hozzászólás módosítva: Aug 9, 2013
Én is utólag láttam, hogy két kivezetést ír. Akkor viszont lehet, hogy 5V-ról egy 555 is elviszi PWM kapcsolásban.
És ehhez esetleg tudnál segíteni mert eléggé kezdő vagyok elektornikai téren!
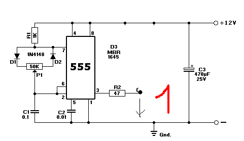
Itt találsz rajzot. Mivel az 555 200mA-ig terhelhető, és a motor csak 68mA-es, nem kell a kimenetre a Fet és más áramkörök, rá lehet kötni az 555 3-as és 1-es lába közé. csak a tápfeszültségre kell egy 100..470µF-os kondi.
Lehet hogy nagyon hülyének tartasz de megkérhetnélek hogy rajzold le nekem?
Dehogy! Mindjárt lerajzolom.
Sziasztok!
Tudnátok mutatni egy olyan kapcsolást, amelyre a PWM jelet adva beállítható (R-C) a minimális időtartam az alacsony állapotra azaz ha a PWM alacsony állapota rövidebb, mint a dead time, akkor lecsíp a magas állapotából, amíg tart a dead time és alkalmas akár 100KHz-re? Félhíd dead time miatt lenne szükséges. Előre is köszönöm. A hozzászólás módosítva: Szept 11, 2013
Hello! Ha a PWM lefutó élére indítasz egy monostabilt, amivel beállítod a dead time idődet, és a Q-negált kimenetét össze ÉS kapuzod az eredeti PWM-el akkor szerintem teljesül kérésed. üdv!
Persze kérdés, hogy milyen monostabillal tud pár száz ns-os dead time-ot generálni...
|
Bejelentkezés
Hirdetés |





nem nagyon vagyok otthon villamos gépek ügyében, bár suliban tanultunk róla...szóval azt se tudtam hogy lehet külömböző nagyságú "feszültségeket" alkalmazni...Azt honnat lehet tudni melyik a gerjesztő tekercs és melyik az armatúra? Inditásnál a nagy áram csakk akkor baj ha túlzottan melegedik a motor gondolom. Mer ha feleanyi áram 2x olyan hosszan hat hőtanilag annak is ugyanolyan a hatása. Csak 2 szeres áramfelvétel megengedhető? olyat is olvastan hogy akár 10-30xos áramok is lehetnek. Amúgy a gyakorlatba fog kiderülni menyit vesz fel, ami nem is zavar csak tudnom kéne milyen áramra méretezzem a hidat, meg a PWM et... 






