Fórum témák
» Több friss téma |
Szia! Itt egy kapcsolási rajz hozzá, ezen van szabályzó. dt80mx
üdv: hp
Ennél a kapcsolásnál a tirisztor anódja és katódja felcserélhető? Ugyanis az a gond hogy a bt152 hűtőfelületére az anód van kivezetve, maga a ház pedig a motor vázához van csavarozva, ami meg test.
Nem. Szigetelten kell szerelned sajnos, és a legjobb hővezetőképességű alátétet, pasztát kell használnod, mindezt természetesen a legnagyobb méretű hűtőfelületre rögzítve.
A gyári szabályzókban tokozatlan tirisztorok, diódák vannak egy-egy rézsínre erősítve, és még így is gyakran tönkremennek...
Ez elég rossz hír. Csak kíváncsiságból, ha felcserélném az anódot a katóddal mi történne, nem lesz jó a vezérlés?
Üdv.
Írtam, és "balhéztam", hogy márpedig nem készítek párhuzamos söntölös szabályzót, de mégis erre kényszerülök. ![]() A sorossal az a baj, hogy amivel terveztem megvalósítani a szabályzót, egy fetes, 555-ös kapcsolással, az fix feszültségre való. Beszerzek majd pár 5W-os ellenállást, amit párhuzamosan kötök úgy, hogy pár ohmot kapjak 50W teljesítménnyel, és annyira leterhelem, hogy ne "menjen" a tervezett 12V fölé, ráadásul még az izzók is söntölni fognak valamennyire. Készítek egy feszültségfigyelőt, ha 14V körülire felmászna a feszültség nagyobb gáznál, akkor egy pár amperes relé még rákapcsol majd egy-két ohmot itt is 50W körül, de hogy pontosan mennyi ohmmal fogom elérni a szabályozást, az beletelik majd egy kis időbe, még ki"játszadozom" magam. Várható összköltség: Kevesebb, mint 1000Ft, és kevesebb hibaszázalékú lesz is így, mint a gyári, igaz nagyobb is. Üdv.Tomi Remélem a kész "művel" másnak is tudok majd segíteni. A hozzászólás módosítva: Júl 19, 2013
Nekem sem tetszik ez a párhuzamos söntöléses megoldás, elszáll 1 tirisztor és máris nincs szabályzás,akkor meg oda a CDI meg minden más, netán megsül a generátor. A 3 fázist lehetne triakkal kapcsolgatni nullátmenetnél, Pic-el vezérelve pontos lenne a szabályzás és biztonságos.
Az igaz, hogy nullátmenetben lehetne kapcsolgatni, csak éppen kikapcsolni nem tudnád amikor kellene.
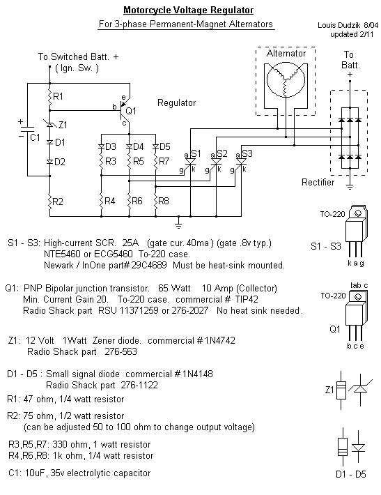
Hello mindenkinek !!! Andras ! Kerted tollem a Feszszab rajzot, itt van.
Sziasztok! Egy kis segítségre lenne szükségem. Tesztelésre összedobtam a Honda VFR-es fesz szabályzót és a következőket tapasztaltam: kimeneti fesz 4-8V között ugrált gázadásra csökkent, a diódahíd terhelés nélkül is melegszik. (a gyári szabályzó is hasonlót produkált). A fesz szab. csatlakozója 5 pólusú 3 sárga vezeték 1 fekete a test és 1 piros az akksira megy. A sárga vezetékek közötti ellenállás 0,9 Ohm, feszültségük alapjáraton 15 V (izzó világit) . A test és a fázisok között ellenállást nem lehet mérni, közöttük áram nem folyik (izzó nem világít egyáltalán, viszont feszültséget tudtam mérni ami alapjáraton 8V.
A hozzászólás módosítva: Júl 22, 2013
Rá volt kötve az akkumulátorra?
Csak izzólámpás terhelés esetén nem működik rendeltetésszerűen, még akkor sem, ha különben minden klappol.
A generátor tesztelésénél a test és bármelyik fázis között kellene h áram folyjon, az izzó világítson?
Ezek a generátorok nincsenek csillagponti kivezetéssel ellátva, így nem is folyhat áram a motorblokk, (test) és bármelyik fázis közt sem, ha nem testzárlatos valamelyik tekercs.
Ha ezt tapasztalod, akkor az újratekercselés segít .
Üdv mindenkinek.
Szóval adott egy csehszlovák csoda(210-es babszi) és az ominózus állandó mágneses generátora, ehhez kéne egy megbízható feszültség szabályozás. A jelenlegi felállás ez: https://dl.dropboxusercontent.com/u/1201829/babetta/feszszab.png Ez előtt természetesen van egy graetz híd(a biztonság kedvéért egy 220 V-os). A zehner korlátozó ellenállása ha jól emlékszem 50 ohm, a kondenzátor pedig 1000 µF(elektrolit). Valami okból mindig feldobja a pacskert a feszstab IC de nem tudom miért... Előre is köszönöm a segítséget . A hozzászólás módosítva: Aug 1, 2013
Hali!
Belső vagy külső forgórészes generátoros babszid van?
Belső forgórészes, a mágnesek forognak és a tekercsek a forgórész köré vannak pakolva. Összesen 3 db 6V 20W névleges teljesítménnyel plusz a gyujtás részt tápláló. A 6V persze csak akkor 6V ha a 20 W terhelés rajta van....
/SZERK Nem tudom fontos-e de azért pótlom a dolgot, a zehner dióda a fentebbi kapcsolásban 27V-nál nyit. Illetve a jelenlegi rendszer 9V-os úgyhogy szeretnék ennél a fesznél maradni. A hozzászólás módosítva: Aug 1, 2013
Rendben, én sokat játszottam már a babetta generátorával, áttekertem mind a 3 tekercset 12V-osra mintha 3 fázisú generátor lenne, vagy sorosan kötöttem a 3 tekercset dupla menetszámmal tekerve, de nem bizonyított rendesen, így hagytam a témát és ráoperáltam egy yamaha yog 2ja gyújtási alaplapot a babettára, azóta hihetetlenül stabil alapjárat van és a generátor le tud adni kb 180W-ot
Ha lenne rendes felszereltségem én is errefele mennék de mivel nincs így maradt a LED-es irány. Ezt a megoldást bőven ki tudná szolgálni ha sikerülne végre megregulázni a leadott feszültséget
.
Egyébként nekem nem motorkerékbár lesz belőle, hanem RC autó, ha érdekel keress meg privátban.
Helo.
Régóta követem picasan a projektet, rohadt jó lesz. Én most vettem egy 210est ötezerért Nem akart beindulni, csak durrogott. Gyújtásproblémára gyanakodtam, kézzel átforgatva semmi szikra. Tekercsek ellenállása stimmelt. Trafót cseréltem. Sajnos nincs itt nálam, hétvégén megyek és kipróbálom épített feszkétszerezős gyújtáselektronikával + fúróval tekerve. Hallottam, hogy ezeknek a gyújtása híresen sz@r, ezért gondolkozok, hogy kéne kiváltani a gyári megoldást. Volt egy olyan ötletem is, hogy a világíítótekercs delejét feltranszformálom egy kis rádió trafócskával, és ezt kötöm gerjesztésnek. Ezt a jog gyújtást mennyiért szerezted be? A közdarabot te csináltad?
Üdv.
Szerintem egyáltalán nem szar a gyújtás, egyszer jól beállítod és onnantól egy rúgás és indul(ha a motor többi eleme is okés). Az "újabb és modernebb" pót darabokkal szoktak gondok lenni, ha van egy külön kis fekete "doboz" meg külön a trafó akkor azt nem érdemes lecserélni... (ez az eredeti gyári felállás, és persze egyben a legstrapabíróbb is az újabb megoldásokhoz képest amiket ehhez a motorhoz csináltak) Mielőtt szétkapsz egy teljesen jó gyújtó rendszert zongorázd végig a beállításokat(karbi, előgyújtás) hogy rendbe legyenek, ha meg elindul de bedadog magas fordulaton akkor szimering cserés... A hozzászólás módosítva: Aug 1, 2013
Megtisztelő a dolog hogy követed a művemet!
Maga a babetta gyújtás még csak csak elmegy, de az a generátor siralmas! A feszkétszerezős gyújtás nekem is rajta volt a gépen, de aztán jött a robogó alaplap. Javaslom fejezzük be az ezen irányú hozzászólásokat, mert ki fogunk kapni!
Állítólag gyenge a gerjesztő. 160V os a kondi a gyújtásmodulban....
Vállalom...
Inkább az apróhirdetésekben vállald! -moderátor- A hozzászólás módosítva: Aug 1, 2013
Sziasztok Urak. Tavasszal vettem egy Triumph Speed fourt, aminek sajnos harmadszor ég le a generátora. Valószínűleg már vásárláskor sem volt rendben (ezért is adhatták el...) A második eset után rendeltem angliából egy újat, összeraktam, töltött ahogy kell, majd mentem kb. 60 km-t és megint baj van. A generátor mérést már jól ismerem, már tudom mire számíthatok. A fesszabályzón is mértem a dióda nyitó feszültségeket, minden esetben hozta a 0,62 - 0,68 -at. Jónak tűnik minden esetben. Kérdésem, hogy ez alapján ki lehet-e jelenteni, hogy a fesszabályzó jó, vagy lehet vmi mérést csinálni (pl. váltóárammal mérni, ami elég macerás megfelelő tápegység nélkül?) Van bármi elképzelésetek mi lehet a gond, mert már a gatyám rámegy a tekercselésre no meg a vásárlásra (persze így garancia is ugrott) és nem is hozza meg a kívánt eredményt. A vezetékelés és csatlakozók hibája okozhat-e ilyen azonnali drasztikus leégést. A kapcsolási rajz rendelkezésre áll, azokat ellenőriztem, bár a csatlakozók gyengécskék mégis a fesszabályzóra gyanakszom. Köszönöm előre, ha tudtok segíteni. Speed4
Hali! Áramot kéne mérned a váltófesz oldalon és a DC oldalon, ha irreálisan magas értéket mérsz akkor az nem jó. De ha már ez a 3. állórészed ugyan avval a szabályzóval, gyanús hogy hibás a szabályzó. Esetleg valahol a kábelezés zárlatos.... Hány tekercs szokott leégni a generátoron?
Első alkalommal 2 a 18-ból, AC-t egy páron nem tudtam mérni, a másodikat ne számítsuk, mert az sajnos az én hibámból történt addig méregettem, amíg ronggyá égettem, de sajnos egyébként sem élte volna túl. Ekkor rendeltem a vadi újat és most már két pár között sincs AC. A maradék egy kapcson 15-22 V jön le. DC 12 körül, 5000 körül 12,5 - 13 is. Kényszerűségből meg fogom tekercseltetni, de már nem merek kísérletezni vele. Rossz generátor meg gondolom nem hozna megbízható eredményt. Valahogy műhely körülmények között kéne mérni az egyenirányítót. Erre láttok valami lehetőséget?
Helo.
Ha jól tudom ezek a szabályzók a generátor tekercseit tirisztorral kapcsolják a testre. Attól még hogy a diódák jók, lehet hogy valamiért, a szabályzó hibájából valamelyik tirisztor nyitva marad, (vagy esetleg zárlatos) és a tekercsen tartósan fellépő túláram leégeti a generátort. Lehet az is, hogy a szabályzó hibája időszakosan lép fel csak. Van egy tippem a kimérésre. Össze kéne hasonlítani a tekercsek feszültségét, és rögtön látszana, ha valamelyik testelve van. Testhez képest mérd, AC-t.
Köszönöm, valami hasonlóra gondolok én is, csak valahogy meg kell bizonyosodnom róla. Pont ez a gondom, hogy dióda oldalról egyértelműen jónak tűnik. Annak is van realitása, hogy a hiba csak időszakosan lép fel, ugyanis összerakás után mindkét esetben AC és az akksi sarkain is tökéletes eredményt mutatott, de alig pár 10 km után elpusztul a generátor.
Viszont a mérést nem pontosan értem (lévén nem villamos szakember, de kézzelfogósan ha van türelmed bármit megcsinálok). Szóval: testhez képest AC-t csak a generátoron tudok mérni, azt is csak üresjáratban (széthúzva), vagyis nem ad választ az egyenirányító hibájára. Jelenleg, biztosan meg van égve, a tekercsek kb. 3-3-20 V AC-t produkálnak, ill. kb. 02-03-05 ohm-ot, és nem testzárlatos! Viszont mindenképpen közelebb vagyok a válaszoddal csak vhogy meg kellene bizonyosodni róla.
Üdv.
Ez bizony kemény dió... Nem kéne az újratekercselt állórészt kockáztatni ezért, nincs esetleg a közelben egy autóvillamossági szaki akinél még ott porosodik egy generátor próbapad? Tudom kicsit fura megoldás de a motorod és egy autó generátora nem sokba különbözik... Kicsit macerás de legalább így biztosra mennél. De ha már tirisztor. Működhet az az én generátoromnál hogy egy 9V-os zehner egy korlátozó ellenálláson keresztül(vagy közvetlenül) adja a jelet a tirisztornak? Illetve a tirisztort hova kellene betenni, az egyenirányító elé vagy az után?
Próbapadra van ötletem. Három fázisú hálózatra kéne rákötni három kis trafót, minden fázisra egyet. A szekundereket bekötni a szabályzóra. Így lehetne méregetni. Vagy: autó generátor, soros ellenállásokkal. A gerjesztést fixre, fúróval lehet tekerni.
A hozzászólás módosítva: Aug 6, 2013
|
Bejelentkezés
Hirdetés |







. 




