Fórum témák
» Több friss téma |
Fórum » Oszcilloszkóp vétel, mit gondoltok?
Csöves szkópokban nemigen volt védelem. Ha túlfeszültséget kapott, leégett a bemeneti osztó, aztán ennyi. A félvezetősökben az erősítő bemenetén volt két gyors dióda, egy a földre, egy a tápra, és ennyi. Mégcsak nem is speciális. A 100 MHz felettieknél azért lavina dióda volt beépítve.
Hát, ha neked elég egy 10 Mhz-es szkóp, akkor használd azt. Amiről beszéltem az előbb, ott 900 V-ot ugrott a feszültség 80 ns alatt. Alig bírtuk kissé lelassítani. Nagyon kiváncsi lennék, mit látnál ebből egy 10 megás szkóppal... de hát te tudod...
Nem szükséges kompenzált mérőfej? Nekem nem mindegy, hogy 20... vagy 70 % túllövést látok.
Régen az EMG egyik szkóp tervezőmérnöke mondta ezt. Hogy Tektronix fejlesztette spec. diódát használ a legtöbb gyártó, de ez sem mindenható, valamilyen felfutási sebesség eléri a bemeneti fet-et, mire védődióda megeszi. Igaz nagyfeszen nem találkozunk ilyen felfutással, de ha a bemeneti osztót érzékeny állásban felejtjük.
Ott van még a bemeneti osztó is, ezt nem védi semmi.
Szia!
Köszönöm a válaszokat. Jobbnál jobb érvéléseket olvasok . Pctáp és hasonló kapcsolótápok méréséhez jobban járok ha veszek egy 1:100 merőfejet, igaz?
Nem. Egy sima 1:10-es mérőfej elég. Utoljára néhány hete vettem ilyet, 3000,- alatt volt és egész komoly. Lehet, hogy mégsem olvastál el mindent?
Itt van egy sor egy többmilliós LeCroy szkóp adatlapjából:
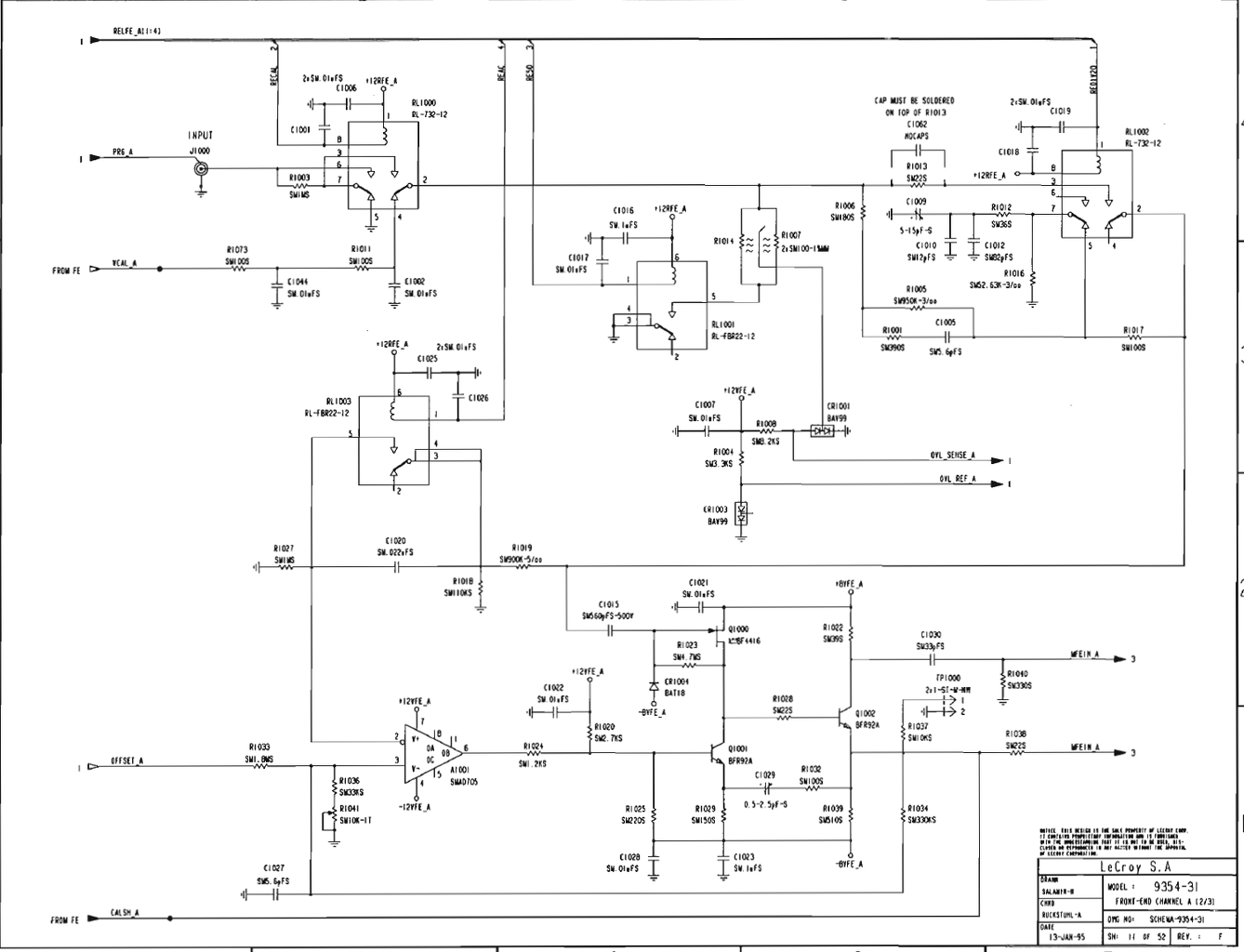
Max Input: 1 MOhm: 250 V (DC+peak AC <10 kHz) A lényeg vastagon szedve. Szóval szerintem nagyfeszultsegu impulzustechnikai cuccok mérésénél elkel egy 1:100-as, nagyfeszültségű kábel. Csak egy ilyen, ami nem pár megáig megy, az 80..100eFt. Csatolva a bemeneti fokozat kapcsolasi rajza. Az emlitett dioda a CR1004 egy BAT18-as. Mondjuk azt oszinten bevallom, hogy azt nem ertem, hogy pozitiv tulfeszultseg ellen mi vedi meg a FET-et. Szerintetek?
Pontosan erről írok, hogy impulzus esetén más lesz a helyzet. A bemeneti impedancia sem állandó a frekvencia, azaz a felfutási sebesség függvényében. A mérőfej osztójában, és a szkóp bemeneti osztójában lévő kompenzáló kondik egy része a frekvencia függvényében valamilyen mértékben "söntöli" a bemeneti ellenállást. Tehát a gyors jel nagyobb árammal megy át az egészen, feltehetőleg a védelemig. Ezért van az -csak kevesen adják meg adatlapon- , hogy a max. bemeneti feszültség csak valamilyen frekvenciáig megengedett.
Én nem hergelném a szkópom bemenetének védelmét rendszeres használattal, biztos ami biztos alapon az 1:100 -as mérőfejet használnám. Mert hátránya nincs.
Nem beszelve arrol, hogy nekem a LeCroy 10:1 merozsinorra ra van irva, hogy max. 600V peak, azaz hiaba bir ki a szkop 250V-ot, a 10:1 osztofejre nem engedhetek 2500-at. Ezert vettem a 400MHz-es 2kV-os 100:1 zsinort... Csak amennyibe az kerult, mar oszcilloszkopot lehet venni...
1:10-em 2 darab is van amivel max 650Vdc mérhetek, de a műszerem csak 400V-ot tud. Előbb írtam miért. Mit hagytam figyelmen kívül?
Sajnos nem tudom. Én leírtam, hogy mit, hogyan csinálj. Vannak, akik más véleményen vannak. A te dolgod, gondod, hogy eldöntsd, hogy mit csinálsz.
Annyit azért elárulok, hogy még nem láttam 100-as mérőfejet semmilyen szervízbe... és azt sem hinném, hogy sűrűn cserélgetik a szkópjaikat. A hozzászólás módosítva: Aug 4, 2013
A munkahelyemen van 100-as osztós mérőfej és napi szinten használjuk 600, 1200 és 1700V-os IGBT-k dinamikus jelleggörbéinek felvételéhez. Tehát hasznos eszköz, mert nem kell félni a túlfeszültségektől.
Na, ez jó...egyáltalán nem vitattam, hogy hasznos, vagy nem. És gondolod, hogy 1984white kezdő létére ilyesmiket fog méricskélni?
Egyébként, nekem van egy fúrógépem és hálózatról működik... így nem kell félnem, hogy kimerül az akksija.
Ahhoz képest, hogy kezdő, pár hozzászólással ezelőtt azt mondta, hogy kapcsolóüzemű tápokat javít... Ez azért elég ellentmondásos dolog, akárhonnan is nézzük. De ha tányleg ilyenekben akar méricskélni, akkor bizony ott előfordulnak elég meredek és magas feszültségű tüskék. Oda viszont kell a nagyfeszültségű es naggyfrekis mérőzsinór.
A mellékelt ábra tanulságos, valószínűleg sokan nem is gondolják, hogy ez van.
Tektronix P2220 1:10 mérőfej jellemzői, de más mérőfejek is hasonló grafikonokat produkálnak. A max. 300V mérőfej 10Mhz -en már csak max 50V lehet. Alacsonyfrekis jelnek is lehet akármennyivel magasabb spektruma, tehát akár 1Hz -es jel is tartalmazhat olyan összetevőkett, ahol pld. csak 50V , vagy 10V a max. ráadható feszültség. A 10Mohm bemenőellenállás már 100Hz -nél elkezd csökkenni, 10Mhz -en csak 1Kohm lesz. A hozzászólás módosítva: Aug 4, 2013
Idézet: „Ahhoz képest, hogy kezdő, pár hozzászólással ezelőtt azt mondta, hogy kapcsolóüzemű tápokat javít...” A kapcsolóüzemű tápokban vagyok kezdő, bár már 2 éve nyüstölöm ezeket is. Egyelőre sajátot még nem építettem de fogok mindenképp. A műszert féltem, így megveszem a 100 as fejet, mert nem akarom, hogy egy tüske "agyonüsse" a szkópomat. Ilyen szkópom van. ui: Egy haverom járt így EMG szkóppal, hogy rossz helyen mért egy tápban 1:10 fejjel (leválasztótrafóval) és bizony megviselte a műszerét ez a mutatvány. Javíttatni kellett pesten No ezt akarom én elkerülni ha lehet.
A kocka el van vetve... végre.
Azért minden magára valamit is ado kapcsolásban ilyen esetekre ki vannak alakitva biztonságos méröpontok.
Ha ilyenek nincsenek, akkor a szerkezet javitása tiltott vagy egyébb szabályozás alá esik ( pl. engedélyköteles).
Hát hajrá! Foglalkoztam PWM erősítővel, mármint terveztem és építettem. ~300kHz-cen ment, full hid, sima PWM. Volt olyan, hogy egy kb. 5mm széles, 3-4cm hosszú vonalon a nyákon mértem. Az egyik végén 60V négyszög 10V túllövés, a másik végen (3 centivel arrébb ugyanazon a fólián) 60V négyszög es 40V tüske! A tüske maga 10-20ns széles volt. Ez fekete mágia. Kellemes kis szkóp. Vigyázz rá!
Sziasztok!
Erről a szkópról mit gondoltok? Megéri az árát? Előre is köszönöm! Bővebben: Link
Hello, én drágállom...inkább 25
A hozzászólás módosítva: Aug 13, 2013
A másik kiszemelt áldozatom ez lenne: Bővebben: Link
Szia.
Tiszta vicc az eladó."Ajándék hálózati kábel" olyan mint kerék nélkül árulni a kocsit.Egyébként a mérőfej is tartozék lenne hozzá.Legközelebb már a csövet is külön kell megvenni?
Igen. Vicces. Lehetne ajándék mérőfej is... Nem tudom ezeknek van-e valami típushibája, illetve menyire javítható.
Értem. Minden tanácsot elfogadok és megköszönök!
Ennél fentebb nem megyek. Már mint árban. Bővebben: Link
Szerintem korrekt. Persze ingyen biztos jobb lenne...
Most látom, hogy Urbán elektronikás. Van több szkóp is nekik vagy csak az ami a weboldalon megtalálható?
|
Bejelentkezés
Hirdetés |




. 

