Fórum témák
» Több friss téma |
Fórum » Autóelektronika
Témaindító: sufni-tunning, idő: Ápr 19, 2008
Témakörök:
Üdvözöllek!
Autóelektronikával kapcsolatos kérdésem van, ha valaki találkozott ilyennel ossza meg legyen kedves! Lambda szonda hibánál, kicserélhető-e a négy vezetékes, három vezetékesre. A három vezetékes működik, onnan tudom, hogy jól működő autóból vettem ki. Várom a válaszaitokat BN A hozzászólás módosítva: Jún 24, 2013
Elektromos szempontból nézve a dolgot, valószínűleg a jel nulla és a fűtés nulla külön van kivezetve a négy vezetékes Lamda szondán, vagyis ha a közösített verziót bekötöd az autó menni fog vele.
De ugyebár a gyertyát sem csak egy paraméterrel jellemzik és jelentős különbségek vannak pedig csak szikrát kell adnia... Hát a lamda az tízszer kényesebb, mert ha a közösítés miatt csak egy tized volttal kevesebb lesz a kimenő jele, akkor már az egy literes túlfogyasztást is produkálhat. De lényeges az üzemi hőfok, a karakterisztika, a fűtő teljesítmény igény ( az hogy mekkora az ellenálása ) stb. tehát a helyettesítőket is a megfelelő paraméterek egyezése alapján adják ki a katalógusok, de még így is megesik, hogy nem pont olyan az autó viselkedése, mint a gyári vagy a 100%-an ellenőrzött, beszállító szonda használata esetén. Jó esetben csak a szonda élettartama kisebb. Tehát én csak ideiglenesen, kényszerből tenném be.
Hát a gyertyákat kicseréltem, a gyújtókábeleket pipástól kicseréltem, -nem volt jelentős változás majd az eloszót kicseréltem- és utánna a kocsi jobban húzott, tipikus előjel nem volt, de esős időben nagyon ritkán alapjárati dadogás előfordult ami azóta egyszer sem volt.
Az EGR szelepem ( ez még vacumos )a 12 éves kocsin nem teljesen jól működött- lengedezést éreztem a gáz visszavétel és újra gáz adáskor- és ezt a gyújtás hibájának hittem először de nem a gyújtás okozta, az EGR tisztítás az segített rajta.
Max annyit vettem észre, hogy hidegben egyszer egyszer leáll, de semmilyen rendszert nem sikerült felfedezni benne... Lehet, hogy csak azért mert tényleg ritkán fordul elő, és azonnal indul bármikor...
Nem tudom mi lesz ebből, vagy valami iszonyú apróság vagy sose derül ki...
Köszi a tippet de ilyesmire nincs errefelé lehetőség, így maradt a féktisztító spré és ecset kombináció. Legközelebb egy ilyen tisztítót fogok kipróbálni ami most kikerült a látókörömből azért nem került sor a bevetésére. Különben most pillanatnyilag rendben működik a tisztítást követően. A szeleptest belső része volt elkoxosodva, kátrányosodva és e miatt volt a bizonytalan működése a működtető tekercsnek, vagyis a rudazatnak amit a "ragacs" miatt nem tudott megfelelően működtetni, alapjárati fordulaton.
Szia! Talán a kis melléklet segíthet kideríteni az ECT megfelelő értékeit. A három hőfokküszöb annyit sejtet, hogy nem folyamatosan figyeli az ECU ezt az értéket, hanem a küszöb értéket figyeli és veszi el a hidegindítást.
Üdv mindenkinek.
Egy olyan kérdésem lenne, hogy egy Audi 80 B4 93-as 1Z-s motorkódú adagolónak az elmozdulás érzékelője poti, és ki van kopva a pályája és ennek kör alakú 8 tűs csatija van persze ez úgy, hogy a többi minden is benne van, üzemanyag hőm. érzékelő a nagy tekercs ami elektromosan húzza a gázt meg ez a poti, azt szeretném kérdezni, hogy meg lehet-e oldani az egyel újabb félével amiben nem poti van hanem valami lemezelt 3/4-ed alakú kör és a lapát is mozdul a gázzal és az egy kivágott közepű réz, gondolom gerjeszti a magot és ahogy muzdul a réz a környékén változik ott valamiféle gerjesztés. Csak ahogy méregettem az újabba nem tudom mi van pontosan, de egy közös ponthoz képest olyan 4-5 ohm ot mérek, a régebbi ami nekünk van a potis ott a poti 2,3k ohm os körülbelül és ez osztja le a csúszkával (elmozdulás ezzel van összerögzítve a gázadó tengellyel) a feszültséget. És a motorvezérlő 5V-ot ad a poti két végére. Ha valaki tudna segíteni benne előre is nagyon köszönöm nektek! A hozzászólás módosítva: Jún 30, 2013
Sziasztok
Adott egy 99-es Renault Laguna, aminek a távirányítója a hátsó zsebemben volt, és valószínűleg hosszabb időn keresztül folyamatosan nyomódhatott valamelyik gombja. Most azt csinálja, hogy csak akkor reagál, ha kb. 15 másodpercig folyamatosan nyomom a nyitó vagy záró gombot. Viszont ha már egyszer így nyitotta/zárta a zárakat, akkor ha utána nyomkodom, akkor már jó, tehát nem az elem merült le. Ha hosszabb ideig nincs használva (mondjuk egy napig), akkor szintén jön ez a 15 másodperces nyomvatartás első alkalommal, majd utána ismét működik normálisan. A gombja sem rossz a távirányítónak, mert van rajta egy led, ami folyamatosan villog, amikor nyomom, meg ugye a gomb nem több óra állás után lenne hibás, majd utána jó. Én arra tippelek, hogy az ugrókódok elmásztak egymástól, ezért lehet ez a jelenség. A másik távirányítóval továbbra is működik rendesen a nyitás/zárás. Kérdés, hogyan lehetne újra összetanítani az autóban levő vevőt és a távirányítóban levő adót? Igazából nem tudom, hogy gyári vagy utólagos-e a központi zár, nem a kulcsokon vannak a távirányítók, hanem egy-egy különálló távirányító van, és csak egy kulcstartókarikával vannak a kulcsok mellé fogva
Szerintem meg elemcsere, nem kell ezt túlkombinálni.
De akkor miért működik aztán folyamatosan, ha tízszer kinyitom és becsukom egymás után, akkor is, akár nagyobb távolságból is? Munkatársnak tényleg elemcserés lesz, az övé már csak egészen közelről működik. De az enyém működik nagyobb távolságból is, ha már egyszer "összeszinkronizált".
Ahogy az egyszeri rabbi mondja a viccben: ötletem még lenne jó pár.
De az összeszinkronizálás hiánya biztos nem lenne közöttük. Ha az lenne a gond, akkor egyáltalán nem tudnád kinyitni vele az autót, ha pedig egyszer összejött, akkor utána nem felejtené el újból. Az elemcsere, az kb. a "nem kér enni" kategóriája, előbb-utóbb úgyis eljönne az ideje, sokba se kerül, tehát ennyit megér. A kézikönyvben el kéne olvasni, hogy kell-e valamit csinálni az elemcsere után, vagy elég szimplán kicserélni.
Az a baj, hogy nem szeretek valamit úgy lecserélni, hogy nem vagyok benne biztos, hogy az a hibás, és nemis látom logikusnak, hogy az a gond. A két kulcsot is felváltva használom, hogy ha merülnek, akkor még időben észrevegyem (abból, hogy csökken a hatótávja), ne járjak úgy, hogy egyik lemerült szombat délután, akkor használnám a másikat, mire az már két hónapja le van merülve...
De közben túrtam kicsit a netet, és találtam ilyesmit, hogy betenni a gyújtáskapcsolóba, gyújtást adni, és megnyomni a nyitás és a zárás gombokat. Ez úgy tűnik segített, mert a hétvégén mindkét kulcs ismét rendesen nyitotta és zárta az autót.
Sziasztok!
Kezdő autóelektronikai műszerész vagyok, és sürgős segítségeteket szeretném kérni fontos ügyben. A téma, a központizár. Eddig nem volt velük gondom, de most kifogott rajtam egy. Jött a műhelybe egy grande punto. CAN busz rendszerű, de a központizárja pont úgy működik, mint a többi átlagos autó-é, kéttest vezérlésű. Mivel az autó zárszerkezetének tollrésze hibás, távirányítós univerzális vezérlőegység bekötése a cél. Ez nem is jelent gondot, egyszerű, de itt jött esetemben egy csavar. Valamiért, ha a próbalámpámmal testet adok a zárásra, végzi dolgát, de a nyitásnál már nem ez a helyzet. Átnéztem, szakadás nincs! Csak úgy működik, ha lezárom a rendszert egy a középkonolon elhelyezkedő gombbal, majd a lámpámmal testet adok a nyitószálra. Ez esetben nyit, de ellekező esetben nem. Autodata programban kikerestem az egész áramköri rajzát, de itt is falba ütköztem! Kikerestem az autó pontos adata alapján, és megadta némi kis változtatással. A program, 5 vezetéket rajzolt úgy, hogy két motor van benne, egy közös ponttal, és egy három elektródás kapcsoló két kivezetéssel. A mozgószál a test, a másik kettőn egy-egy ellenállás van, melyet összekötöttek, így különbözteti meg a nyitás zárás "állapotot". Na esetemben, a valóságban visont hat kábel fut, három vastag, három vékony, avagy a motorok vezetékei és a mikrokapcsolóké. Ugyanis, a mérések eredménye:2polaritás váltó astag szál, 1direkt test vastag, 1direkt test vékony, 2 vekony, nyitás-zárás. Röviden tömören nem tudunk rájönni a kollegákkal, hogy a nyitás szálra ha testet adok, miért nem csinál semit, csak akkor, ha a középső konzlon lévő gombbal zárom le. Válaszokat, segítségeket előre is köszönöm!
Remélem tud segíteni valaki nagyon fontos lenne!Az a problémám egy 2001-es Seat cordoba autóval,hogy ha ráadom a gyújtást villognak a visszajelzők és a 167-es számú relé kattog,és az autót nem indítja,önindító meg se nyikkan,csak kattan egyet,szerelőm kicserélte a gyújtáskapcsoló betétet,de elmondása szerint az hibás volt,pedig aznap vettem újat.azt mondta rossz volt az akksim,kicserélte meg kitisztította az önindítót és beindult,ez érdekes mert nekem bikázással se indult be,viszont betolásra beindult....na most ha csak az önindító rossza attól miért kattog a relé és miért villognak a visszajelzők?az akksi szerintem jó volt,mert volt hogy működött minden elektromos cucc,de volt hogy ha bekapcsoltam akármit se kép se hang ,hol működtek hol nem. Csupán az önindító hibája miatt lehetnek ilyen tünetek? Én arra gyanakodnék,hogy a betét csere alkalmával valamit elrontott! V
Valaki adjon valami tippet tanácsot.Köszönöm!
ja és ő visszatette a régi betétet és azzal jó volt.
Ez hibás érintkezésnek tűnik nekem, vélhetően valamelyik testkábelnél. Nemtudom, ennél van-e, de próbálj keresni a motor és a kasztni között valahol egy testkábelt. Opeleknél jellemzően a váltóra van valahová fogatva az egyik vége, talán ezen is ott lesz.
A kattogás és villogás is valószínűleg attól van, hogy amíg a relé nem húz meg, addig valamin keresztül testelődnek a cuccok, amikor a relé meghúz, abban a pillanatban ez a valami áramot kap, viszont ezzel elveszti a testelést minden más, elejt a relé, és kezdődik az egész előlről. A hozzászólás módosítva: Júl 10, 2013
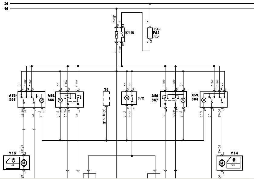
Üdv.
Szükség lenne 98- as évjáratu Seat Toledo 1,9 tdi 110Le ablakemelő kapcsolási rajzra. Köszönettel.
Szia! Talán még nem késő, de így is csak Ibizáról van némi infó, de ugyanebben a "mérethez" és motorkódhoz.
Sziasztok ,egy ,VW Golf3 tetőtéri,ablak és a motorvezérlési nyákrol le ,égett a3 tranzisztor tudja valaki hogy milyen tipusuak voltak,Köszi.
A hozzászólás módosítva: Júl 29, 2013
Sziasztok!
2007-es 1.6 benzines Comfortline Jetta tükör fölötti konzoljánál (ahol a kihangosító mikrofonja is van) lehet találni tápot egy üvegre tapasztható lézerdetektornak? Méregettem, találtam is, de terhelni nem mertem, míg valaki meg nem nézi valami programban, hogy kibírja e? Nem hinném, hogy 100-200mA-nél több kell neki... Előre is köszi, ha valaki megnézi.
Sziasztok!
Ha lehet,szabad kezdőként kérdezek egyet. Szóval elkezdetem takarítani a a kocsit-- SUZUKI SWIFT. Észrevettem hogy nem jó a vészvillogó. Index van de vészvillogó nincs. Elkezdtem szétszedni a kocsi belsejét( miután megnéztem a biztiket is )de nincs eredmény. Szerintetek mi lehet a hiba hogy nincs vészvillogóm?(A vészvillogónak a több áramkörös kapcsolója mert azt kimértem) Köszi a választ
Ha a kapcsolót jónak mérted, akkor csak a vezetékezés lehet hibás, mer ugyanarról a reléről megy a vészvillogó is mint a normál index.
Sziasztok!
Egyik ismerősöm egy autószerviz tulajdonosa. Nemrég vettek egy ultrahangos tisztítót. Befecskendező szelepek tisztításakor a szelepeket nyitni zárni kellene. Azt nem tudom milyen sebességgel de pl. legyen 1 másodperces időzítés. Ha jól tudom egy ilyen szelepnek az ellenállása 12-16 ohm között van általában. Tehát szelepenként legyen 1 A a felvett áram. Általában 4 szelep van ez 4 A-es áram kb. Szerintem az időzítés megoldható egy NE555-ös kapcsolással. Az NE555 kimeneti áramát hogyan tudnám felerősíteni 4 A-re? Egy FET-el megoldható lenne? Köszönöm előre is!
Nyugodtan adhatsz az injektoroknak akár 50 nyitás-zárás ciklust másodpercenként. Egy 6000 fordulaton járó motornál is ennyiszer nyitnak és zárnak másodpercenként.
Sziasztok!
Segítséget szeretnék kèrni! Ha tudtok olyan oldalt, valamit, ami autóelektonikával (tehát akár ABS vezérlő, ECU, Elektrosszervó vagy akár CAN-bus hálózat á-tól z-ig) foglalkozik, kérlek benneteket linkeljétek be! Fontos számomra, ugyanis máshonnan nem igen van még lehetőségem elméletet tanulni, gyakorlatot meg pláne. Előre is köszönöm!
Sziasztok.
Olyan elektronikát keresek ami motor indításra felkapcsolja a távfényeket kb 20-30%-ra. De ha bekapcsolom a parkoló vagy a tompított fényszórókat akkor automatikussan lekapcsol. Nem ismer valaki ilyen elektronikát?
Hello! Ismerni nem ismerek, de rajzolhatok egyet..
üdv!
Engem egy dolog zavar, hogy hogyan alakul egy halogén izzó élettartama részleges teljesítményen történő üzemeltetés mellett? Mert tudtommal a halogén körfolyamat csak az üzemi hőmérsékleten folyik. Bár lehet, hogy ha jelentősen visszavesszük a hőmérsékletet, akkor a wolframszál párolgása is jelentéktelenné válik
Engem inkább az érdekelne, hogy ez mire jó. Mert közúti forgalomban nyilván nem vehet részt az autó így, és persze levizsgázni is csak úgy fog, ha ezt kiiktatod, vagy nem figyel a vizsgáztató...
|
Bejelentkezés
Hirdetés |














