Fórum témák
» Több friss téma |
Nagyon szépen köszönöm a segítséget.Akkor áttervezem az egészet.
Tegyél heylyére egy másik panelről olyat, ami hasonló feladatot lát el, vagy bejön, vagy nem.
Üdvözletem Uraim!
Van egy 230V -ról működő csörlőm,melyet egy egyfázisú + segédfázisú motor működtet.A kezelő kapcsoló házban van egy kondenzátor,egy testben a 30+10µF/450V értékű,sajnos a 10µF értékű része tönkrement,így a motor nem indul el lefele.Próbáltam keresni beszerzési forrást,eredménytelenül.Nem tudom kiváltani két kondival,mert nem fér el.Tudna e valaki segíteni,hol,hogyan keressem?Ez a bizonyos kondenzátor CBB60 R 30uF,W 10µF /450V AC 50-60Hz. Köszönöm,ha valaki tud segíteni bármivel!
Tedd picit odébb, és kösd be vezetékkel. Az előző mosógépemben is a legtetején, elöl volt a kondi, hogy cserélni lehessen, a motor meg hátul-alul.
Üdv Mindenkinek!
Abban szeretném a segítségetek kérni, hogy egy Delta DSP-250AB-7 B tápegységben van egy számomra beazonosíthatatlan IC, legalábbis a feliratai alapján 16 DIL tok 2 sorban felira felül 6E4 6 alatta 1001DL. Tápokhoz képest érdekes felépítés, mert az IC a primer oldalon opto csatolón keresztül vezérelve a szekunder oldalról és N csatornás MOSFET-et vezérel. Találkozott-e valaki ilyennel. Tápot találtam a neten kb 20 eFt. Köszi Üdv
Szia!
Más is belebotlott ebbe a vezérlő IC-be: Bővebben: Link
Köszönöm!
A jelek szerint zsákutca! Megkérdem az ismerősöm mit szól a 20eFt-os táp vásárláshoz. A gép egyébként MSI és egy oszlopos terminálban van, érintőképernyős info oszlop. Üdv
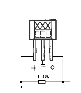
Üdv mindenkinek! Egy tunerben levő LA5667 stabkocka előtt a tápágban van egy két lábú TO-92 (?) tokos valami. Én nyitóirányban berakott zenerre tippelek, de csak jobb híján, fogalmam sincs mi lehet. Átégett a tokja, jelenleg nagyjából rövidzárként viselkedik. 3 betű van rajta: felül N 5, alatta baloldalt égésnyom, az 5-ös alatt pedig R betű. Fájlmellékletben próbálom feltölteni a képet az alkatrészről. Még egy dolog: a nyákon ICP201 az alkatrész név, az LA5667-nek IC203 a neve, a tranzisztorok nevei Q-val kezdődnek, a diódákéi D-vel, szóval minden elég jól klappol, de ezzel az átégett példánnyal nem boldogulok. Aki tudja a megfejtést, vagy hogy egyáltalán mit keressek (N 5 R-re mondanom se kell, nem sok értelmes találatot kapok, bárhol is próbálkozok
), ne tartsa magában. Köszi!
Szia! Fisher RS-909. Beazonosítottam rajta még egy gyanús részt: van rajta egy LM7000N PLL, ami eléggé melegszik. A táplábai előtt van egy ellenállás, amin szerintem túl nagy fesz esik, de ez is csak tipp. Kapcsolási rajz lenne az igazi, de sehol se találtam hozzá, csak fizetős kamuoldalakon. Szóval elakadtam sajnos.
Nem lehet egy soros ellenállás (5 Ohm, előfordul ilyen tokban), vagy bizti (Bár biztik nem mennek rövidzárba)?
Bizti! "To-92" fuse-ra már volt is érdekes találat: ICP-N5. ICP az annyi mint IC protector, és ezzel a NYÁK-feliratom is megfejtve. Képeket is találtam, alul különféle betűkkel (Q, S, talán még R is lesz). Köszi a segítséget!
Hali!
Mértem, de tranyóként nem volt azonosítható. A műszerem tud bétát is mérni, de kifeküdt tőle. Azért kérdem, hátha valaki találkozott ilyennel. Valamikor hozzám került néhány darab és most akadt a kezembe, de nem tudom mi ez.
Mozgass előtte mágnest és eközben mérj ellenállást a lábai között. Ha valóban Hall-elem, akkor változnia kell a mért értéknek.
Ha mégis hall-eszköz, akkor azok mind open kollektorosak. Húzd fel a kimenetét a tápra, úgy mérj rajta - vagy köthetsz az ellenállással sorosan egy LED-et. Aztán mozgasd a mágnest, mindkét polaritással próbáld meg.
Mellékletben a kapcsoló-hall bekötése. Ha véletlenül lineáris kimenetű eszközöd van, azoknál a kimenet és a +táp meg van cserélve. 5Vról már mennek, 12V-ot is szeretik.
A hall effektus kialakulásához áram átfolyására van szükség a hall lapkán. Simán ellenállás változás nem történik. (Sebi már megválaszolta a megoldást.)
Az ohm-méréskot kap feszültséget meg áramot a vizsgált alkatrész.
Mi lehet a mellékelt képen, a bal alsó sarok felé látható SMD alkatrész? A képpel ellentétben a tokozás nem sérült, ez csak látszat. A felirat rajta, amiből a képen csak az eleje olvasható, S73E. Egy Pedrollo Easy Small II szivattyú vezérlőpaneljén van. A fölvett kapcsolási rajz alapján a gyanúm az, hogy esetleg egy mágneses érzékelő (Hall?).
Ugyanezen a panelen van egy MCK32 feliratú, 8-lábú SMD IC, ami alighanem egy mikrovezérlő (PIC?). A kép fölső szélén látszik egy része. Ez is érdekelne, mert ezen a néven, ilyen lábszámú eszközt nem találtam a neten.
Maga a hall eszköz a hall effektust hasznosító (arany?) lapka mellett tartalmaz még (rendeltetése szerint több-kevesebb) alkatrészt, erősítő áramkört, billenőkört, stb., melyekhez az ellenállásmérő mérőárama szerintem nem megfelelő.
Változatlanul kételkedem a javasolt megoldás alkalmasságában. Ki fogom próbálni, de nagyon meglepődnék, ha működne a dolog.
Lássuk a kapcsolást!
Hall-nak akkor van értelme, ha a panel túlodalán - vagy innen előlről - vele szemben találsz mágnest, max 3..8mm távolságra. És hogy értelme legyen, még mozognia is kellene - pl egy karon amit kívülről mozgathatsz - hogy kapcsoljon valamit. De úgy látom, hogy két lába közé - mintha utólag - tettek egy nulla ohmos SMD-t?!
SOT223-as tokban jellemzően stabilizátort, tranzisztort, vagy FET-et lehet találni. A kapcsolásból azért nagy eséllyel el lehet dönteni, hogy melyikről van szó.
Köszi a segítséget!
Megépítettem a kapcsolást és láss csodát! Reagál a mágnesre. Még egyszer köszi mindenkinek!
Ha unipoláris, akkor addig van nullában a kimenet, míg ott a mágnes, bipolárisnál az egyik pólus nullába billenti, a másik vissza.
Mellékelten a kapcs. rajz részlete. Az eszköz alighanem mágneses érzékelő, mert a lap szélén van, és a föléje kerülő műanyag burkolaton van egy kerek fészek, amibe a nyomóoldali szelep illeszkedik. Tehát mintha pl. a kimenő nyomásra kapcsolna. Ezt támasztja alá az, hogy az IC 8-as lába is bemenet érzékelő, arra egy nyomógomb van kötve. Az 1-es lábra egy nem SMD Hall-érzékelő kimenete megy (HAL 508A), ami a szívóoldalon lévő valamihez (szelep?) van közel, persze ez is a műanyag burkolat alatt. Ezen 3 bemeneten kívül 3 kimenete van, melyekre 2 LED és egy relét vezérlő tranzisztor bázisa van kötve. Ez utóbbi egyébként a fényképen a kék varisztor fölött lévő eszköz.
Az általam 1,2 ohmnak mért (sejtett) ellenállás valóban kicsit furcsán áll, meg egy kis piros festékpötty is van rajta, ezért nem olvasható le az értéke, de mintha az első és az utolsó szám is 0 lenne. Egyébként találtam ilyen tokozású mágneses érzékelőket, tehát alighanem nem tranzisztor, stabilizátor, stb. van benne, de az általam eddig lelteket nem tudom a "koncepcióba" beilleszteni. A hozzászólás módosítva: Szept 1, 2013
Az a gyanús, hogy ilyen kis értékűek az ellenállások... Meg hogy a talaj ágban van a táppal sorosan? Ez sem gyakorlat. Ha az első és az utólsó szám is nulla, akkor jól láttam: az egy rövidzár. Nézd meg a többi hall környékét is, de néhány száz ohmnál kisebbbeket nem raknak a kollektorba, hiszen nem kell nagy áramokat kapcsolnia.
A másik Hall nem SMD. A bekötése teljesen szokványos, a 3 lábból egy a táp, egy a föld, és a kimenet megy az MCK32 IC 1-es lábára egy 10 kohmos fölhúzó ellenállás segítségével.
Az SMD érzékelő azért gyanús, mert a tápfesz stabilizátor áteresztő tranzisztora kicsit megizzadt, a panel is enyhén barna árnyalatú lett alatta/körülötte. Ha tehát ez a keresett SMD valóban rövidzárat produkál(t), akkor megvan az izzadás oka. Ennek eldöntéséhez szeretném tudni, mi a szösz ez a rejtélyes érzékelő cucc. Enélkül értelmetlen lehet az áteresztő cseréje. Semmi közöm hozzá, de éjszaka nem aludni kellene
Sziasztok!
Ez a két alkatrész mi célt szolgál és mi a nevük? Valahogy kilehet őket mérni hogy jók-e vagy sem? A "DIP12-1A71-BV530" alkatrészt mivel lehet helyettesíteni? Még egy dolog.A "mc78l05acp" alkatrészt valamilyen úton módon kilehet deríteni hogy él-e még? A hozzászólás módosítva: Szept 2, 2013
A piros az ellenallashalo, ha jol gondolom 440 ohm-os, a masik IC, az valamifele optokapcsolo.
Ha tevednek akkor javitsatok ki. A hozzászólás módosítva: Szept 2, 2013
Sziasztok.
A "Meder" egy DIP - tokos minirelé. Mivel "DIP12-1A..." ezért alighanem 12 V-os a relé tekercse és 1 A a relékontakt terhelhetosége. JaniK |
Bejelentkezés
Hirdetés |




), ne tartsa magában. Köszi! 








