Fórum témák
» Több friss téma |
És még kettő, csak nem fért az előzőbe.
Ja igen azt el is felejtettem írni, hogy ez már a 0,85mm légréses ETD29 magra tekert 53uH-s soros induktivitással lett mérve. Ezen már 4 szál 0.52-es huzal van. Itt már átmehet akár 6A is. Az előző kísérletemnél azért zuhant a kimenő teljesítmény, mert kevés volt a réz keresztmetszet. Itt minden ok. A hozzászólás módosítva: Szept 6, 2013
Nagyon szép kis méricskélések.
Fontos dolgok: - A kapcsolási freki minimum a rezonanciafreki legyen. Nagyon jó lenne még egy olyan mérés, ahol az egyik csatorna a félhíd (Uds), a másik pedig az alsóf FET gate-je (Ugs), hogy látszódjon jól a ZVS (miller plató hiánya bekapcsoláskor). A bordád hőellenállása saccra kb 10C/W, vagyis most kb 5W veszteség van. A FETek vezetési vesztesége saccra úgy kb 2W. Ha a FET 50C-os, az normális (ha a borda, akkor kicsit félnék, de ha úgy gondolod, hgoy jól zsiroztál és véony a szigetelő lapka, akkor közel annyi a FET is).
"félhíd (Uds)" ? Akkor félhíd fesz jelalak, vagy az egik fet Uds-re gondoltál?
"hogy látszódjon jól a ZVS (miller plató hiánya bekapcsoláskor)." Ezek szerint az alsó fet uds-re gondoltál. Ezt a meleget a hűtőn mértem. Közvetlenül a fet mögötti oldalon. Ha kevés, akkor teszek bele nagyobbat. Úgy is megépítem majd egy új nyákra, ha minden rendben lesz vele. Aztán szeretnék bele mélyülni a PC tápokban használt topológiába. Abból is van egy rosszul működő tápom. Kicsit más már mint egy PC táp, de pont azért tetszik, mert mindent ki tudtam termelni egy rossz tápból. Az 14.4V,ot fog tudni és 20A-t. Ebben is tudsz segíteni, ha elakadok? Dobok be egy kapcs rajzot miről lenne szó. Idézet: „"félhíd (Uds)" ? Akkor félhíd fesz jelalak, vagy az egik fet Uds-re gondoltál?” Az egyszerűség kedvérét a tüskét mindig a félhíd közepére (alsó fet Draine, felső FET source) rakjuk! EZ A FÉLHÍD! Ezt már egyszer elmondtam. Az egyszerűség kedvéért a referenciét (gorund-clip) pedig a primer negatív tápjára. Így a másik mérőfej tüskéjét rakhatod az alsó FET gate-jére. ENNYI. (a két ground clippel nem csinálsz rövidzárat) Ha azt feltételezzük, hogy a tápfesz fix, kicsit hullámos, akkor a másik FET Uds-e, az egyszerűen 320-ból kivonva a másik FET, szóval egyszerűen megkapható, akár fejben is Ez egy szimpla félhidas táp. TL494 vezérlés, gate trafós meghajtás, bipoláris kapcsolóeszközök, és szekunder oldalon fojtó. Szerintem elég elavult (bipoláris kapcsolóeszközt érdmes lenne FETesre cserélni), de ha szenvedni akarsz kukázott alkatérszekkel, akkor oké. (sok munka lezs, kevés alaktrészköltség, szóval te döntöd el, hogy mi éri meg) Idézet: „(NewFile6) Uds jobban széthúzva és felfutó él mérés.” A 44ns felfutás kissé gyors ZVS-hez, de azért alakul. Ebben az állapotában kellene annyi ZVS kondit betenni (kikísérletezni, pl. 470pF-al indítva, majd 1nF, 1.5nF), hogy lassuljon a felfutás, de azért még kicsit rövidebb maradjon mint a holtidő. Mindjárt hűvösebbek lennének a fetek, és az UDS is jobban hasonlítana trapézjelhez. A hozzászólás módosítva: Szept 7, 2013
Azért kértem, hogy tegye be a Gate feszt is, mert akkor látszik, hogy tényleg van -e ZVS. Bekapcsoláskor ekkor nem lehet miller plató. Az, hogy a dU/dt túl nagy-e azt megmutatja a FET kikapcsolásakor milyen traziens van a gate-en. (ha túl gyors, akkor visszakapcsolgathat a FET).
Ha a holtidő 600ns körüli (IR21531 - hacsak nem maradtam le valamiről és azóta más van benne), akkor a fel/le tfutási időt is közel ekkorára ki lehet tolni. Az Uds-en jól megfigyelhető a ZVS mód, mert a lassú fel/le futás vonala "megtörik" ha belekapcsol a FET. Persze nem tudom digit szkópon ez mennyire látszik jól, de analógon első pillantásra észre lehet venni, hogy mikor jó.
Persze a gaten-is látható, de miller-plató már akkor sincs ha a felfutás csak kicsit lassúbb mint a FET kapcsolási idő, és éppenhogy megvan a ZVS mód. Viszont a fel/lefutás hosszabbra is vehető, egészen a holtidő határáig növelhető, ekkor lesz a legjobb a hatásfok, és a legkisebb a zavarsugárzás, és mellékesen a túlterhelést is ekkor tolerálja a legjobban. Ugyanis túlterhelve a határoló diódák elkezdenek nyitni, a terhelés induktívvá válik - de a ZVS mód (a nagy ZVS kondi miatt) így még megmaradhat egy bizonyos tartományban! Tehát az Uds feszültség alapján célszerűbb a ZVS módot belőni, az Ugs inkább csak ellenőrzésre.... A hozzászólás módosítva: Szept 7, 2013
Idézet: „Viszont a fel/lefutás hosszabbra is vehető, egészen a holtidő határáig növelhető,” Itt pont lemaradtál egy fontos dologról: MIndez addig tehető meg, amíg a a FET kikapcsolása után is még folyó meddó áram nem csökken 0-ra, és legfőképp nem fordul meg. Lényegében a ZVS kondival próblálkoztunk, de nem akart összejönni, ésakkor jöttem rá erre. Zoli esetében már az utóbbi is megtörtént. Ha visszalapozol, láthatod, hogy Multisimes szimulációk alapján megállapítottam, hogy egy kis légrés alkalmazásával egy bizonyos tartományban megszűnik ez a jelenség. Persze most még rakhat be egy kis félhíd kapacitást (100-1000pF között valamit), de ennek nem csak a holtidő határa, hanem a meddő áramban cirkuláló energia. Többivel amúgy egyetértek. Szkópfüggő, hogy mennyire jól látszik a törés az félhíd feszültségében (attól, hogy digit látszahat, ha tudja azt a sávszélességet,mint egy hasonló analóg szkóp). Azonban két egymás fölé rakott hullámforma segítségével sokkal magabiztosabban lehet kijelenteni a ZVS-t. Sőt a gate jelforma esetén nem csak az látható, hogy elég -e a holtidő, hanem az is, hogy esetleg sokkal több mint kellene (egy negatív tüske jelzi a félhíd áttöltődésének végét).
Jogos, valóban feltételeztem, de nem írtam le, hogy ehez elég nagy induktív áram folyik. Ezt a 44ns-os kapcsolási idő alapján feltételeztem, mert azért a FETek kapacitása is ott van, és elég gyorsan át is töltődik.
A ZVS kondit növelve azonban ez is látszana a szkópon (még mindíg Uds), mert ha kevés az induktív meddő (tehát kicsi a légrés) akkor nem monoton növekvő/csökkenö a fesz, hanem vagy nagyon lelassul a változás, vagy irányt is vált. (ha jól sejtem nagyjából te is így értetted a dolgot) A légrés hosszú nyűglődés után bekerült a vasmagba - hurrá, most kéne a ZVS kondi is. Aztán mindkettőnek megkeresni egy optimális értékét. Ehez minden adott, csak csinálni kellene.... Utána pedig fel lehetne tenni a tankönyv szerinti szkópábrákat A hozzászólás módosítva: Szept 7, 2013
hello. Ez a kapcsolás egy ATX táphoz hasonló ugye? Működik is ? Bocsánat nem teljesen értettem hogy ezen csak próbálkozol vagy működik is ugy a kapcsolás. Köszönöm előre a választ.
Igen. Olyan mint egy PC táp. Ez még nem jó. Ha a mostani tápommal végeztem, akkor rendbe teszem ezt is. (Ha lesz itt a fórumon ilyen jó segítségem mint a mostani tápomnál.
) A hozzászólás módosítva: Szept 7, 2013
Úgy érzem elkészültem a táppal.
![]() (NewFile0) Innen indultam ma. Eddig ZCS. (Uds kék, I sárga) (NewFile1) Ilyen volt az Uds és az Ugs (Uds kék, Ugs sárga) (NewFile2) Itt megmértem a gate-en a holtidőt. (NewFile3) Itt széthúztam a jelet és megmértem az Uds bekapcsolási idejét. (NewFile4) Betettem a D-S (ZVS) kondikat. 2X1,5nF Ez kevés. (NewFile5) Betettem helyettük 2X1,8nF kondit. Ez meg sok lett. (NewFile7) Itt meg 2X1.65nF volt betéve. Szerintem ez lesz a jó. (NewFile8) A végére megnéztem az Uds-t és áramot. Úgy nézem minden ok. Elkezdtem hosszabb távon terhelni 181,8W-al. A tápban néztem a hőmérsékleteket. Minden 50 fokos volt nagyjából. Az NTC, a soros fojtó, a trafó, az egyenirányító bordája... A fetek 55 fokosak voltak a feteken mérve. Szerintem jó. Ha észre vesztek valamit szóljatok.
Jajj, de szép, Istenem, ez csudás.
Szép munka. Én megálltam volna már a a 2x1,5nF-nál. A végén létszik, hogy a lefutások nem túl gyorsak. Az 50-55 fok egy jó hőmérséklet, ha 25 fok környezeti hőmérséklettel számolsz, az 25-30fok emelkedés. Nem emrnék rá megesküszni, de ez azt jelenti, hogy nem túl jól szellőző dobozban, 50fok környezet mellett is valószínűleg szépen menne.
Örülök.
Kössz a sok segítséget. Sokat tanultam belőle.Ez a táp a CNC-mben lesz a DC marómotor tápja. Van a házában 7db 40mm-es venti, ami átszellőzteti a belsejét. Egyik végén bemegy, a másikon ki. Eddig egy sima trafó volt bele préselve, de az kevés volt (120W). Ezzel majd tuti lesz.
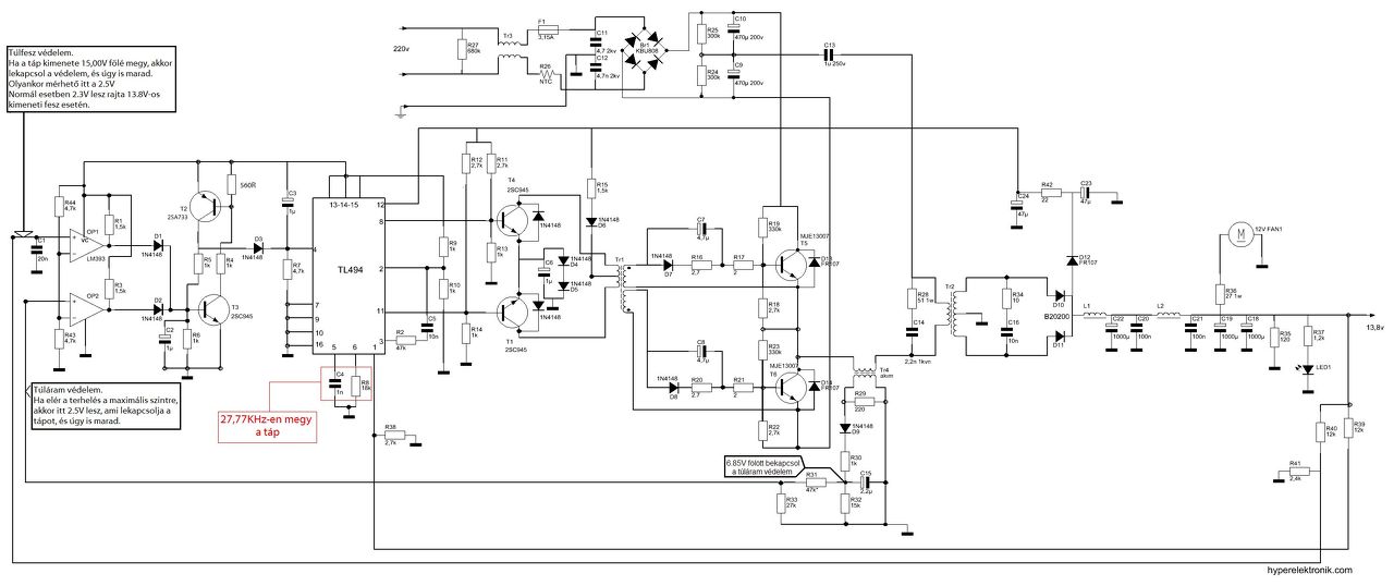
Üdv ehhez a végfokhoz szeretnék építeni egy táp egységet Bővebben: Link remélem tud valaki segíteni (tudom nem szívesen adjátok ki a kapcsolási rajzotokat de szépen kérem valaki segítsen .
Régebben tettem fel egy 2kW-os táp rajzot 494-el. Megkeresed a legutolsó verziót belőle ami rezonáns. Ebben kicseréled a 494-es vezérlést UCC3808-ra, aminek közvetlenül a söntről veszed az áramjelet, tehát nem egy optón keresztül. Tökéletes. Fetet találsz hozzá olcsón az apróban (STW-t). A feszültségét a kis szórású trafó miatt alig ejti a hagyományos rezonáns tápokkal ellentétben, túláram vagy zárlat esetén pedig az árammódú vezérlő korlátoz. Illetve abba is bele lehet applikálni azt a tranyós-optós szekunder figyelést, ami tartós zárlat esetén teljesen lekapcsolja a tápot.
Amit nem szívesen adunk ki azt nyilván nem is tesszük fel ide, de ez fent van. A hozzászólás módosítva: Szept 10, 2013
Idézet: „A feszültségét a kis szórású trafó miatt alig ejti a hagyományos rezonáns tápokkal ellentétben” Ebbe azért belekötnék egy picit. Ha a rezonáns kör be van állítva (kapcsolófrekvencia ott van a rezonanciafrekin, és a rezonáns kondikon a feszültség a névleges telejsítménynél éri el a tápfeszt), akkor a feszültségesés teljesen független a szórt induktivitástól, egészen addig, amíg a didóák a rezonáns kondikon be nem korlátozni. A konvertert átviteli tényezője ugyanis ekkor 1. Ha az átviteli tényező nem 1, akkor a rezonáns kör nincs jól beállítva ("A hiba az Ön készülékében van"). A szekunfer feszütlségesés ekkor közel azonos a primer feszütlségesésével (százalékban). (plusz még ott van dióda meg trafó ohmosa, de áltlaában az első a meghatározó). Mindemellet, ha nagy telejsítményű tápegységre van szükség, akkor én is a Ge Lee tápját ajánlom. Dannu: szívesen segítünk, de azért könnyítsd meg a munkákat azzal, hogy pl használod a fórum kereső funckióját, lusta kérdezőnek lsuta válasz fog érkezni. Rögtön jönne is a krédés, hgoy mennyire értesz a kapcsolóüzemhez? Ha nem érted a működést, a méretezéseket, akkor nagy valsóíznűséggel voodoo sorsára fogsz jutni. Úgyhogy én inkább azt javasolnám, hogy fuss még egy pár kört, olvasgassá, és ha már nem kínai, akkor vágjál bele. Akkor egyrészt jó krédseket fogsz feltenni, amire érthető válasz fog remélhetőleg érkezni.
Értem én , de nem értek mindenhez sajnos nem sok végfokot építettem már , de azok mind toroid trafósak voltak nem kapcsoló üzeműek .
Leírtad régebben hogy a szórás kitöltési tényező veszteséget okoz, még cikket is csatoltál. Ez annak ellentmond. A jól beállított rezonáns körnek is nagy a feszültségesése, ezt tapasztaltam is, de a neten fellelhető tesztek, cikkek is ezt támasztották alá. Egy rendesen kivezérelt végfok esetében a tápfesz 10-20%-os csökkenése nem megengedhető. Vagy meg kell elégedni 70-80% kivezérléssel, vagy jobb táp kell. Nekem ez bevált, egyszerű, olcsó, nem kell légrésekkel szórakozni és a 2x600W-os végfokot röhögve viszi.
Akkor olvasgasd a topikot. A felmerült kérdéseket is jobb itt a felületen megbeszélni. Nem mintha baj lenne hogy hármasával jönnek a privátok, csak itt többen olvassák, többféle választ is kaphatsz, amiből nem utolsó sorban a csendes olvasó is profitál. Ne a tudás teljes hiányában állj neki tápot építeni mert abból sok jó nem szokott kisülni.
Idézet: „Leírtad régebben hogy a szórás kitöltési tényező veszteséget okoz, még cikket is csatoltál” Ilyen formában ez a ZVS fázistolásis teljeshidas konverterre igaz, nem a fixfrekvenciás rezonáns konverterre. Idézet: „A jól beállított rezonáns körnek is nagy a feszültségesése, ezt tapasztaltam is” Én is ezt hittem korábban, aztán rájöttem, hogy lényegében nem jól volt beállítva ![]() Utána is szimulálgattam a dolgoknak, mert mindig azt mondták, hogy legszinuszosabb áramformára kell beállítani, és nem. Végülis a rezonanciafrekvenciára kell beállítani, persze ezt számoljuk, de áltlaában az mind hibával terhelt. Emmzollee multkori szenvedése alapján vettem is elő a dolgot. Ha tényleg a rezonanciafrekvenciára van beállítva, akkor azon tarotmányban, ahol már szekunder kapacitás elhanyagolható, de a rezonáns kondik feszültésge nem éri el a tápfeszt (dióda nem korlátoz be), ott az átviteli tényező tényleg 1. A szekudner diódán lévő feszültségesés tényleg elhanyagoltó a primer odlali tápfesz eséshez képest. A hozzászólás módosítva: Szept 11, 2013
Kedves dannu !
"A nem értek a kapcsolótáphoz, de ennek ellenére mégis neki állok bűvészkedni" -féle pozició, már sajnos foglalt,.... jó ideje, és szerintem az is marad. Ezt a kitüntetésemet nem adom oda egy könnyen
Sziasztok!
Szeretném megépíteni Cimó 1.0 rezonáns tápját, ebben szeretnék segítséget kérni. Gyakorlatilag csak a trafó tekerése van hátra. Csatoltam a számításaimról készített doksit, és kérem a gyakorlati tapasztalatokkal rendelkezőket javítsanak ki, ahol tévedek. A lényeg hogy egy PC tápból bontott ETD34/21/11 méretekkel rendelkező trafóval szeretnék megépíteni egy kb.: 200-300W körüli tápot, ami 2x35V-ot szolgáltatna a sec. oldalon. Számításaim szerint: Primer menetszám 44 menet (25 szál 0,2-es huzalból) Szekunder menetszám 2x10 menet (55 szál 0,2-es huzalból) Nekem ennyire jött ki, légyszi javítsatok ki, ha valamit rosszul számoltam. Köszönettel: metabo123
szia. Na mi a helyzet a tápoddal ? Stabilabb lett ?
Jónak tűnik.
Annyit érdemes belekalkulálni, hogy a hálózat ingadozása miatt a táp is ingadozni fog. A 150V feszültség már terhelt (300V)-ra van kalkulálva üresben ennél több szokott lenni.
Köszi a gyors választ!
Akkor javaslod számoljam át 160V-ra (Uprimer)? A keresztmetszetek is megfelelőek? Ha igen akkor már csinálom is a huzalsodratot és tekerem a trafót. Üdv:metabo123
Neken a primer keresztmetszet soknak tűnik. 2A lesz a primerben, ha 300W-ot szedsz ki. Ha 13 szálat tekersz a primerre a 0.2mm vastag huzalból, akkor 5A/mm2 áramsűrűséggel pont jó lesz.
A szekunderedet is ha megnézed lehet, hogy kevés lesz. Nekem kijött 34V és ebből még lejön az egyenirányító diódád nyitó feszültsége. Ez 1-1.3V nagy terhelésnél általánosan. Na meg el vesz egy kicsit az is, hogy a kitöltésed a nagy holtidő miatt nem lesz 100%. Tehát ott is lesz egy kis esés. Ha teszel mondjuk 2X11 menetet, akkor jó lehet. Üresjáratban ez 40V lesz. Szerintem ezen a tápon lesz mindig terhelés és akkor nem fog a fesz sem fölmenni 40V-ig.
Ki van fejlesztve. Most amikor egy kis időm van, áttervezgetem a nyákot. Újra akarom a nyákot építeni, mert ez már gázos lett és meg is változott.
Tényleg. Jó lenne valami frankós beindító tápot kitalálni az ic-hez, mert a Cimó féle fetes cucc gyakran eldurrant. Arra gondoltam mi lenne, ha a 730-as fet drain-jével sorba tennék egy ellenállást? Akkor nem lenne olyan nagy áram első pillanatban. Vagy hagyjam az egenirányított 320V-os tápról 2 47K 2W ellenállással oldjam meg? Még nem tudom. Ha ezek meg lesznek, akkor csinálok egy új nyákot, és 100%, hogy jó lesz.
Sziasztok!!
Szeretnek epiteni egy kapcsolouzemu tapegyseget egy fulhallgato erositohoz, ugyanis a mostani trafo amit hasznalok, egy ido utan nagyon forro lessz, es ha sokaig hagyom aram alatt, akar fel is gyuladhat.(Olcso kinai trafo) Mivel nincs kedvem ujratekerni a trafot, ugy dontottem, epitenek egy egyszeru, es viszonylag olcso kapcsitapot hozza. +-15V kellene legyen a kijovo feszultseg 1A-es terheles melett. Mivel elso komolyabb probalkozasomnak ez lett az eredmenye, igy egy egyszeru egytranzisztorost epitenek, hogyha avval meg lehet oldani a szimmetrikus kijovo feszultseget. Ha valaki tud evven segiteni, vagy kapcsolasi rajzot ajanlani egy ilyen kezdonek mint en annak megkoszonnem. |
Bejelentkezés
Hirdetés |
















annak megkoszonnem. 




