Fórum témák

» Több friss téma
Lapozás: OK   2 / 4
(#) kaqkk válasza instantwater hozzászólására (») Nov 13, 2008 1 /
 
Nem azt írtam hogy azt használd , hanem hogy én
azt használom !Viszont a belső kapcsolása szerintem
nagyon egyforma .
(#) instantwater válasza kaqkk hozzászólására (») Nov 13, 2008 /
 
ok, ccsak javasoltad. nem is vettem kötelezőnek...
a felépítése csont ugyanaz, csak az egyik 7 a másik 8 csatornás.

vajon mi vitte rá a tisztelt tervezőt, hogy megcsonkítsa 7 csatornára? helyhiány???
(#) kaqkk válasza instantwater hozzászólására (») Nov 13, 2008 /
 
7 szegmenses kijelző meghajtásra gondolt ?
(#) instantwater válasza kaqkk hozzászólására (») Nov 14, 2008 /
 
lehet. de ezért külön típust gyártani?
max kihagyott volna 1et a felhasználó. de ez csak olyan 7-seg hez jó aminek a pozitívja közös....

na mindegy, nem a mi feladatunk gondolkodni azon, hogy miért van 2 féle
(#) evildodo hozzászólása Szept 2, 2009 /
 
Sziasztok!
Létezik uln2803 ból pnp-s verzió? már kerestem, de nem találtam semmit. Nekem is 7 segmenses vezérléséhez kellene...
(#) lapose válasza evildodo hozzászólására (») Szept 2, 2009 / 1
 
Szia!

A2981
A2982
BA6254FS
M54569P
MPQ2907A
MPQ3906
THAT120

Hogy mennyire kaphatóak azt nem tudom.

Viszont itt van sokfajta, csak át kell nyálazni a datasheet-eket: Bővebben: Link
(#) evildodo válasza lapose hozzászólására (») Szept 2, 2009 /
 
Köszönöm!
(#) lapose válasza evildodo hozzászólására (») Szept 3, 2009 /
 
Szia!

Szívesen!
(#) Zed hozzászólása Szept 25, 2009 /
 
Kérdés 1: egy ULN-el reléket kapcsolgatok. Mondjuk 12V-os reléket. A common lábat direktben a 12V-ra kötöm.

A relé kikapcsolásakor a benne lévő energia a belső diódán keresztül a relé tekercsében kering, amíg el nem enyészik. A relé ULN felőli lába 12.6V feszültségre emelkedik a kikapcsolás után. Mivel ez a láb kikapcsolt állapotban lebeg, tehát nincs a földhöz csatlakoztatva, a 12V-os tápvonalon nincs semmilyen fesz. emelkedés vagy visszafelé folyó áram. Tehát a relé kikapcsolása a tápvonalon nem okoz semmiféle zavart.
Ez így korrekt?
(#) Zed hozzászólása Szept 25, 2009 /
 
Kérdés 2: Egy ULN-ről szeretnék kétféle feszültséget kapcsolni, relékre. 5V-ot és 12V-ot. A common lábat a 12V-ra kötöm.

Ebben az esetben a 12V-os relék kikapcsolásánál ugyan az a helyzet, mint az 1. kérdésben
  1. 518891
( ide az 1. kérdés kódját akartam tenni, remélem, sikerült )

de az 5V-os relé kikapcsolásakor a 12V-os tápba folyik az 5V-os relé tárolt energiája, vagy annak egy része.
Mivel az 5V-os relé ULN felőli lábán 12.6V-ig emelkedik a feszültség, a belső dióda kinyit. Így azonban az 5V-os kikapcsolt relé ULN felőli lába nem lebeg, hanem a 12V-os tápra csatlakozik. A másik lábon ott az 5V, aminek a földje közös a 12V-al. Így a relében tárolt energia a 12V tápba folyik, próbálja megemelni annak feszültségét. ( Egy kis zavart generál a tápvonalon. )
Helyes az elgondolásom?
(#) puzzafutár hozzászólása Okt 29, 2010 /
 
Sziasztok! Szeretnék egy motorvezlérlő áramkört építeni, ami majd késöbb hozzákötök egy mikrovezérlőhöz. A motor tudjon előre hátra menni és megállni. ehhez elnne szükségem egy hasonló ic-re, mint az ULN2003, 2004. Ezek csak a negatív pólust tudják kapcsolgatni. Ilyesmi kéne nekem a pozitvra, mert nem akarok tranzisztor temetőt! Előre is köszönöm a hozzászólásokat
(#) icserny válasza puzzafutár hozzászólására (») Okt 29, 2010 /
 
Ezek között biztosan találsz.
(#) lapose válasza puzzafutár hozzászólására (») Okt 30, 2010 /
 
Szia!
Pl.: Bővebben: Link
(#) juhostt hozzászólása Nov 13, 2010 /
 
Sziasztok. A csatolt képpel kapcsolatosan lenne kérdésem. (neten kutattam!)

Az uln2803 bemenetére az lpt port lábait kötjük, amely 5 v feszültséget ad le.
A kérdésem az, hogy kell-e ellenállás a 2 közé, és hogy a relé és a kimeneti lábak közé kell-e valami, vagy a kapcsolás így is jól fog működni?

ELőre is köszönök minden segítséget.

ul2803_pc.jpg
    
(#) lapose válasza juhostt hozzászólására (») Nov 13, 2010 /
 
Szia!

Jó így a rajz. Esetleg, egy-egy diódát lehet párhuzamosan rakni a relétekercsekkel, elméletileg van az ULN-ben, de nem árt, ha van.

ULN2803.gif
    
(#) dannu hozzászólása Jún 25, 2011 /
 
Üdv vettem egy ilyen ic uln2803 és ebből szeretnék egy számítógép irányítású autót. A legjobb lenne ha dc motort tudnák vezérelni kettő darab lenne az ideáils. A képen látaható motorjaim vannak itthon melyiket tudná vezérelni ltp porton kereszül ? Előre-hátra kellene menni és forgási sebesség.
(#) makrodom hozzászólása Dec 4, 2011 /
 
Hello!
Az lenne a kérdésem,h minimum mekkora feszültséget kell az ULN lábaira adni,h kapcsoljon?
A tápot USB-portról kapja, azzal elméletileg nincs gond! Viszont a lábaira csak 1.17V jut és így nem kapcsol!
Próbáltam galvánelemről 4.5V-al simán, jól dolgozik!

Üdv!
(#) Geldrin hozzászólása Máj 24, 2012 /
 
Üdv.

Léptetőmotorokat szeretnék meghajtani 9V -ról, a tekercseket TTL jelekkel szeretném vezérelni egy PIC16-ossal.
Még nem volt dolgom ULN2803-as ICvel, és nem vagyok benne biztos hogy jól értelmeztem a dolgokat.

Az első dolog, amit észrevettem, hogy a neten talált kapcsolásokon nem láttam előtét ellenállásokat az IC bemenetén, egyszerűen csak 5V van rákötve.
Pl.:ezen a kapcsoláson.
Tettem minegyik input lábra 1 kOhm -os ellenállásokat, bár nem tudom, hogy ez mennyire fogja befolyásolni a tranzisztormező működését...
Az adatlap szerint akár 30V -ot is rá lehet kötni, csak az áram nem haladhatja meg az 500 mA-t.

A másik, amit nem értek, hogy a COMMON lábon van egy dióda, ami miatt elvileg a COM - GND között nem folyhat áram. De akkor miért kell rákötni a motor tápfeszültségét? Károsíthatja az IC-t, ha ez elhagyom?

Csatoltam a kapcsolási rajzomat.
(#) Sebi válasza Geldrin hozzászólására (») Máj 24, 2012 /
 
Idézet:
„De akkor miért kell rákötni a motor tápfeszültségét? Károsíthatja az IC-t, ha ez elhagyom?”

Igen. Mindegyik kimeneten van egy-egy dióda, ezek közös katódját a meghajtott (induktív) terhelés pozitív tápfeszére kell kötni. (mint a reléknél, motornál is lesz önindukcióból származó ellenétes polaritású fesz, ez ellen védi az IC-t)
A bemenetek szabványos LSTTL terhelést képviselnek, tehát nem kellenek az ellenállások. (Egyetlen előnye az IC-nek...)
A motorrral sorosan sem hinném, hogy szükség van a 200 ohm-ra, csak veszteségként jelentkezik. Ha védelemként gondoltad, azt inkább a tápegység áramhatárolásával illik megoldani.
(#) Geldrin válasza Sebi hozzászólására (») Máj 24, 2012 /
 
Hmm, így már érthető. Köszönöm a segítséget!
(#) norbigal hozzászólása Feb 8, 2013 /
 
Hali!

A napokban vettem egy ULN2803-as IC-t, viszont most teszteléskor nem igazán úgy működik ahogy kellene neki. 4,5V van a COM-GND lábak között, viszont ha egy adott bemenetet aktív állapotra vezérlek (ugyanúgy 4,5V-tal) , akkor a hozzá tartozó kimenet és föld között 600mV jelenik meg csak. Ha egy adott bemenetet pedig földre teszek, akkor a hozzá tartozó kimenet és föld között 100mV jelenik meg.
Nem lenne nagy szerepük csupán annyi, hogy ne a mikrokontrollernek kelljen biztosítania a 8 LED_hez szükséges áramot, de ha már megvettem és összerakom a kapcsolást akkor jó lenne nem újrakezdeni a vásárlást.

Van esetleg valakinek ötlete, hogy mi lehet a baj?!?! Elég tanácstalanul állok most előtte, mert nem tudom elképzelni mi nem megy. :|
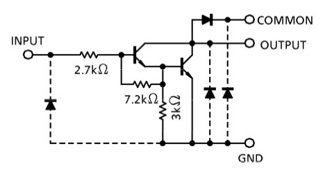
(#) Bakman válasza norbigal hozzászólására (») Feb 8, 2013 /
 
Mellékletben az IC belső felépítésének egy része.

Input: bázis, Output: kollektor, GND: emitter

Tehát a LED anódját egy ellenálláson keresztül kösd a + 5V-ra. a katódját az Output-ra, a GND-t pedig a nullára. Ha a bemenetre adsz jelet, kinyit a tranzisztor és a LED katódját lehúzza a nullára.

Shot_220.jpg
    
(#) Tomi111 válasza norbigal hozzászólására (») Feb 8, 2013 /
 
Üdv!

Úgy van, ahogy Bakman írja. Még annyit, hogy ha csak LED-eket vezérelsz, akkor a common lábat nem fontos bekötni. Ennek relék kapcsolásánál van szerepe, ilyenkor ezt a pozitívra kötve a relék tekercsével párhuzamosan kötött dióda elhagyható. Benne vannak az ULN-ben!
(#) ampervadasz_82 hozzászólása Aug 24, 2013 /
 
Sziasztok!

Nekem egy olyan kérdésem lenne, hogy be lehet kötni az ULN2803-at olyan módon, hogy két csatornát párhuzamosan kötök? Az áram terhelhetőségét szeretném kicsit növelni ilyen módon. Járható ez az út?
(#) kaqkk válasza ampervadasz_82 hozzászólására (») Aug 24, 2013 /
 
Áram korlátozó ellenállásokkal minden további nélkül megoldható.
(#) ampervadasz_82 válasza kaqkk hozzászólására (») Aug 24, 2013 /
 
Ki tudnád fejteni ezt kicsit bővebben? Pontosan hová kellene tennem ellenállást? Kicsit túrtam ma a netet hátha megtalálom a választ, de az összes kapcsolásban amit találtam, ahol így használják az ULN2803-at mindenhol csak simán öszzekötik a két bemenetet meg a két kimenetet, és ennyi. Tranzisztorok párhuzamos kapcsolásánál olvastam, hogy egy-egy kis értékű ellenállást kell tenni az emitterekre, ezt kellene itt is? Erre gondolsz?
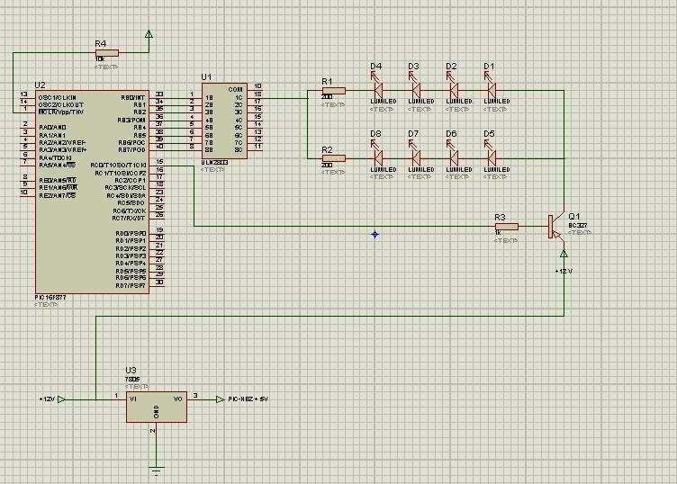
(#) Fulcrum hozzászólása Szept 11, 2013 /
 
Sziasztok!
Kis segítséget szeretnék kérni.
Adott ez a kapcsolás részlet. Amikor 7 szegmenses led kijelzővel teszteltem, akkor tökéletesen működött. (Egyébként egy óra lenne belőle) Most csináltam egy nagyobb kijelzőt ledekből. (Csak egy szegmenset rajzoltam meg.) A gond a következő: a ledek folyamatosan világítanak, amikor magas szint kerül az ULN2803-ra és kisebb fénnyel, amikor alacsony. Asszem ez a jelenség a "lebegés" Kerestem már megoldást, de nem találtam. Mi lehet a baja a kapcsolásnak?
Előre is köszi.
Üdv: Fulcrum
A hozzászólás módosítva: Szept 11, 2013

uln.JPG
    
(#) kaqkk válasza Fulcrum hozzászólására (») Szept 11, 2013 /
 
Próbáld meg az uln bemeneteit ellenállással 1-10k gnd re húzni (majd a pic "felemeli" amikor kell)
(#) proli007 válasza Fulcrum hozzászólására (») Szept 11, 2013 /
 
Hello! Például az, hogy a tranyó nem jól van vezérelve. (De ha valamit lerajzolsz, akkor a tápot illik felvázolni, hogyan van összekötve.) A PIC 0/5V-ot ad ki. Mivel a tranyó emittere a +12V-on van, ha a PIC kimenete 5V-on van, akkor is ki van nyitva. Ha meg nullán, csak még jobban.. üdv!
(#) Fulcrum válasza proli007 hozzászólására (») Szept 11, 2013 /
 
Hello! Bocsánat, de rosszul rajzoltam. Ez a helyes rajz. A kapcsolás is így van megépítve. A táp pedig 12V, ezt kapják a LED-ek és egy 7805-tel van levéveerről a 12 V-ról az 5 volt a PIC-nek. Az ULN 9-es lába pedig a közös testen van.

uln_1.JPG
    
Következő: »»   2 / 4
Bejelentkezés

Belépés

Hirdetés
XDT.hu
Az oldalon sütiket használunk a helyes működéshez. Bővebb információt az adatvédelmi szabályzatban olvashatsz. Megértettem