Fórum témák
» Több friss téma |
Fórum » Kapcsolóüzemű (PWM) végfok építése
Ezeket mind kipróbáltam a THD méréssel kapcsolatban, nekem nem jön be. Viszont, AB, vagy A osztályban tud olyat produkálni, hogy 10 a minusz 5.-en a THD. Ezért gondoltam, hogy ez a kapcsolóüzem nem tetszik neki...
Ezekben a low-cost dolgokban nem hiszek, mert attól, hogy megspórolsz néhány filléres alkatrészt, még nem lesz olcsóbb... hiszen kell egy doboz, táp, csatlakozók, stb. Legfeljebb kicsit kevesebb élőmunka kell hozzá, de az is jelentéktelen. Akkor számítana, ha százasával csinálnád őket. Ez a szinusz elég rondának tűnik... de majd ,megnézem, ennél azért szebbnek kellene lennie. Tedd fel a Multisim fájlt, hogy ne kelljen berajzolnom. Köszi.
Sziasztok!
Teljes hidas végfokhoz szeretnék hangfalvédőt építeni ,egyenáram ellen. Tudtok valami bevált rajzot?
Módosítottam.
Szerintem egy tízszeres erősítésű IC lerontja a hangminőséget. Akkor már tranzisztorost tennék elé, de ez tovább bonyolítja. Megnéztem még egyszer. Ha ilyen a bemenet akkor félhangerőnél 2.5k a generátor impedancia és legkedvezőtlenebb esetben 7k bemeneti impedancia. Ha 100 Ohm-ről 2.5k-ra nő a generátor ellenállás, akkor 75ns-ről 100ns-re nő a késleltetés, ami még elviselhető. Azért kezdek MOSFET-el, mert így nincs akkora offset drift. Igazad van. A 9.5 V 15V-os tápfeszre vonatkozik - de mivel a logikai részt lehet 5v-ról hajtani ezért TTL kompatibilis - ezen valóban érdemes elgondolkodni. Nem látom, hova lehetne még büntetlenül áramtükröket rakni. Azokat már táptól-tápig kellene vezérelni.
A tápelnyomás szimulációnak semmi jelentősége, csak meg akartam kínozni kicsit, hogy miként reagál. Hát csúnyán.
A stabilizátorokat, áramgenerátorokat én is így szoktam tranziensileg megnézni. Egyébként a brumm a zene ütemében hullámzik + a tápfesz is lebeg össze-vissza. Ha egy trafót látszólag feleslegesen túlméretezünk, mindig javulást hoz mély hangokban és dinamikában. Sőt építettem egy 230 V-ból 230 V-ot "gyártó" stabilizátort, és ez is komoly javulást hozott hangminőségben. (A rajz meg lemaradt az előbb)
Szia!
Ha visszalapozol, nagyon sok ötletet találsz.
Pl ez is megteszi
Nem amiatt a pár forint miatt egyszerűsítem le. A nagy kimeneti amplitúdóhoz ez úgysem lenne önmagában elég, ha meg már felerősítem neki a jelet egy OPA-val akkor ez legyen a legegyszerűbb, hogy ne kelljen annyit kínlódni a nyáktervvel. Az meg hogy a THD 0,1 vagy 0,6 lesz az ebben az alkalmazásban szinte mindegy (láttam már hasonlóan egyszerű megoldást működni, csak abban volt még egy trigger fokozat).
Felteszem mindkét file-t és egy másik rajzot is, hogy KD ezt hogy oldotta meg.
Én valamiért nem szeretem egy feszültséggenerátor kimenetét rövidre zárni. A soros biztosítékot se nagyon. De tény, hogy működik.
A hozzászólás módosítva: Szept 14, 2013
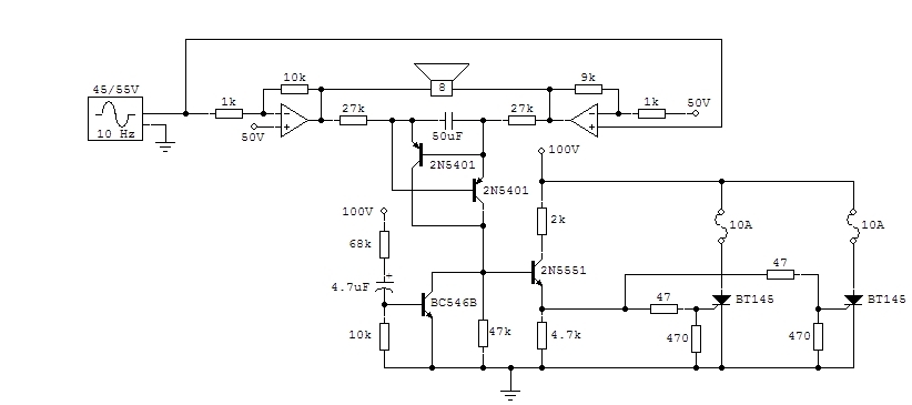
Ezt az áramkört úgy hívják, hogy crowbar. Relével elegánsabb, de az a baj, hogy egy relé sincs specifikálva 30..32 V feletti DC-re. Akkor hogyan lehet betenni egy 2 x 60 V-ról működő erősítőbe? Esetleg meg kell neki szakítania 60V-on 20...100A áramot és mivel ezt nem tudja, fennmarad az ív, aztán még ki is gyújthatja a készüléket. A triac kiolvasztja a biztit, meg a betápbiztit, de legalább nem csinál tüzet. Ha ez megszólal, akkor a végtranyóknak már úgyis annyi... ( Azt csak halkan jegyzem meg, hogy ilyen helyre már a sima 20 mm-es üvegcsöves bizti sem jó, ugyanis az sincs specifikálva DC-re... )
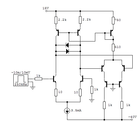
Hát a rajzokon schottkyk vannak diódának, ez ugye nem megy, mert a tápfesz 70 V, emiatt nem lehet kivezérelni tápig. Ha 1 kHz-re szimulálsz, akkor egyrészt nagyon hosszú lesz a szimulációs idő, hiszen a vivőfreki 300 kHz körül van. Ilyenkor célszerűbb 5 kHz-es bemeneti jelet adni. Ha 1 kHz, akkor nem is mutat normális ábrát a szimulátor, azért olyan ronda, amit becsatoltál. Ilyenkor kell azt csinálni, hogy a Tranziens Analizis Paramétereknél a Minimum Number of Time Points-ot átírni az eredeti 100-ról mondjuk 80 ezerre. ( Átírtam ) Ekkor rögtön szép ábrát rajzol a Display Graph.
Az első rajz az nagyon gyenge dolog, szépen látszik egy jó nagy keresztezési torzítás, szerintem nem is lehet eltűntetni. Hiába, kicsi a diff. erősítő erősítése. Meg az is látszik, hogy ekkora kivezérlésnél már hegyesedik a színusz, tehát kezd háromszögedni egy kicsit. A második rajz már ígéretesebb, nagyobb az erősítés, szebbek a jelek. Némi kis offsetje van a dolognak a teljes kivezérlésnél, de még simogatni kéne a keyboardot, biztos meg lehet csinálni teljesen jóra. De látszik, hogy a nagyobb nyilthurkú erősítéssel még ilyen nagy kivezérlésnél sem látszik a háromszögesedés. ( majd a valóságban, hiszen egy kapcsoló nem IR ic... ) A kapcsolókat átírtam, hogy érzékenyebbek legyenek, hiszen ezek helyett az IR ic lenne. Ennek megfelelően lehetett csökkenteni a diff. erősítők kollektorellenállásait. Az első rajzon elég rondák ezek a jelek, a másodikon már szebbek, bár az sem igazi négyszög, szóval ezen lenne még mit gyakorlatozni. A többi dolog a rajzokról nyomonkövethető. Még valami. Ha a kimeneti fojtó 30 uH, akkor ahhoz nem 1 µF kondi kell, mert ezzel elég rendesen kiemel a rezonanciafrekvencia körül. Az igaz, hogy ezt eltűnteti maga az UcD elvű szabályozás, de nem célszerű plusz hibákat beépíteni egy rendszerbe. Oda 330 nF kell, azzal, meg a 8 ohmos hangszóróval majdnem teljesen lapos Bode-t lehet kapni. ( Multisim, AC Analizis ) Ezek tényleg nagyon egyszerűek, de nincs bennük DT... A KD félére már nincs időm, de valószínű, az lenne a legjobb. A hozzászólás módosítva: Szept 15, 2013
Köszi szépen (az előfokokat is), holnap megnézem majd őket. DT van az IR-ben.
A bekapcsolási késése 120ns, míg a kikapcsolási késése 94ns (adatlap, tipikus adatok), ami alapból 26ns DT-t.
Ezen kívül a bementi schmitt triggerrel, és a gate töltő RD tagokkal lehet türkközni.
Ezt én is tudom, csak azt hittem, valami korrektebb megoldás van az ic-ben. Sosem használtam, nem emlékeztem rá.
A KD-féle előfok szerintem is jó választás (ha beleszólhatok).
Megturbóztam egy kaszkód fokozattal, így négyszeresére nő jelemelkedési sebesség és a késleltetése is csökken kisebb jelszinten. Járathatod az IR logikai részét 5 V-ról a katt által javasolt módszerekkel.
Nekem azért sem tetszik az IR ic, mert sehol nem írják le, hogy a bemeneteknek mennyire egyforma a billenési szintje. Ha ezek különböznek, az elég nagy baj... rögtön lesz némi aszimmetria. Én emiatt (is) inkább csak aszimmetrikus kimenetet csinálok a hibaerősítőnek.
Ha az IR logikai bemenetén a jel fel- és lefutási sebessége gyors, akkor véleményem szerint a bemenetek billenési feszültségének különbsége eleve kicsi hatása van. Gondoljunk arra, hogy az egész egy lapkán van, szóval biztos nagyon egyforma. Ha ezt megcsináljuk diszkrétből, akkor tuti nagyobb lesz a különbség (vagy akkor a logkiai kapunak szintén egy tokban kell lennie).
De ha ezzel számolni akarunk, akkor nézzük a delay matchinget, ami 10ns. Maga az IR2110-nek egyetlen baja az, hogy relatíve lassú. Tápegységhez van tervezve. Persze ott van az IR2010 (200V), ami inkább jobb ide, de drágább és ritkább. Közben találtam két dolgot is. Ez még háromszöggenerátoros, de ott van az opamp, ami a két kimenetet kivonja egymásból, majd egy másik, ami integrátor (hibaerősítő), a hibajelet viszik az invertáló bemenetre, és a háromszögjelet a neminvertálóra. CA5470 quad opampokat használnak, hogy miért, az nem tudom (azon kívül, hogy ők gyártják), MOSFET bemenetű (minek?), de amúgy nem túl gyors.
Köszi neked is, persze hogy beleszólhatsz. Úgyis kell majd még trükköznöm vele mert olyan 160V körül lesz a teljes tápfesz, és ebben 15-20x-osnál nagyobb erősítést nem akarok.
Persze, ha elég gyors a jel. Ehhez a bemeneten már egész jó négyszög kellene, tehát, a hibaerősítőnek kellene ilyet szolgáltatnia. Ehhez jó nagy nyilthurkú erősítés kell, meg gyors tranyók... és máris nem olyan egyszerű.
Diszkrétből nem szabad komparátort csinálni, nem igazán jó. Logikai kapuból is csak egyet szabad használni, akkor nincs ilyen probléma. Intersil ajánlás? Hm... el akarák adni az opampjaikat. A vázlata ugyanaz, mint amiről eddig is beszéltünk. Nincs a kimenetről visszacsatolás. Viszont sok-sok tagú LC a szűrője. Tegnap pont ilyesmit szimulálgattam, hogy mi lenne, ha a kimeneten két fojtó, meg két kondi lenne? Nyilván ennyire nem egyszerű, mert az UcD visszacsatolás ide nem jó. De azért találtam megoldást, bár egyenlőre az a baja, hogy nem szereti, ha nincs rajta hangszóró. ( vagy valami rezsó féle ) Szóval, lenne min gondolkodni... A hozzászólás módosítva: Szept 16, 2013
A felhallgatók - emlékezetem szerint - akkor szólnak a legszebben, ha a generátor impedancia megegyezik az ő impedanciájukkal. Ki kellene próbálnod, és akkor lehetne akár RC szűrő is a kimeneten. (A kapcsolásod bepötyögtem, de meg se nyekkent a CM-ben - sajnos.)
Összekombináltam a tranzisztortemetőt az IR-el, és nem is annyira veszélyes. Ezt meg fogom csinálni. Még csak vázlatos a nyákterv, kísérletnek jó lesz. Meglátom, van-e fantázia benne.
Nem megy? Hm... pedig nagyon jó. Sűrgősen térj át a Multisim-re! Így nem vagy "kompatibilis"
... Én is berajzoltam a KD féle módosításodat. Először borzasztó dolgokat csinált, de ha tettem 100 ohmokat a második diff.erősítő emmitterekbe, akkor már egész jó lett. Ja, meg kellett két antiparalell dióda az első diff. erősítő kollektoraiba, különben nagy a holtidő. Így egész jó lett, még 5 mV-nál is van négyszög a kimeneteken, igaz, ott már van 150 ns körüli holtideje ( fall- meg rise time-okkal együtt. Most maszírozom a gépet, hogy single kimenete legyen. Persze, ehhez újabb tranyók kellenek... Alakul a nyákod, egy tranyó nem foglal olyan sok helyet, úgyhogy nem olyan veszélyes a nagy darabszám sem. És miért nem inkább smd? Nem kell tőle félni, sokáig én is azt hittem, hogy már nem megy az nekem. Aztán jött egy üzlet és nem lehetett kihagyni, muszáj volt, nem bántam meg. Meg nekünk nem kell ezer lábú szörnyedvényekkel foglalkozni...
Két évig EWB-m volt. Azzal kezdtem. Aztán jött a CM (kb 10 éve). Aztán jött a Multisim 12 (nem rég). Két hónapig nyomkodtam és egyre jobban dühített. Lassú, nem azt hozza ami a gyakorlatban van.
Van úgy, hogy a CM tervezte rajznak legyártatom a nyákját, beültetem, bekapcsolom, és azt csinálja amit akartam. Még a trimmerpoti is középállásban maradt legutóbb (egy három fázisú áramváltós hétszegmenses kijelzéses árammérő volt ez). Huszonvalahány tranzisztort "zsebredugottkézzel" szimulál. Nem akarod letölteni? ![]() Meg van a multisimem CD-n, csak olyan bonyolult a kcrack-je, hogy nincs kedvem egy fél napot szenvedni vele - vagy muszáj lesz? Nem félek az SMD-től, sokat javítottam ilyen paneleket, (mert muszáj volt) csak nincs itthon "raktárkészleten" - a más egyébért meg csak oda kell nyúlni. Próbára jó lesz, az SMD-től meg csak javulhat.
Én meg az Intusoft Spice-szal, vagy 20 éve. Hogy az mekkora egy hulladék volt... Aztán EWB 5.0c. Ezt fél óra alatt megtanultam kezelni. Erre építették a Multisimet. Aztán Multisim 10.1, ez szerintem a legjobb. A 12-esben lehet, hogy van egykét kényelmi funkció ( hol? ) de lassbbra sikeredett. Azt szoktam csinálni, hogy megcsinálom 10.1-ben, aztán átviszem 12-be és úgy teszem ide ki. Ezt véletlenül tudja. Azt sem értem, hogy miért nem kompatibilis lefelé is? Miért kell minden egyes alkalommal megváltoztatni valami formátumot? És a gyermekbetegségeit sem nőtte ki, a 8-as verziótól látom, hogy ugyanazok vannak benne. ( Fekete hátérre rajzol sötétkékkel... meg ilyenek. ) Az lehet, hogy a nyáktervezője egyre jobb lesz ( kettőre meg tökéletes... ) de én azt egyáltalán nem használom. Nem is azzal van bajom, hogy nem jól, vagy lassan analizál, hanem mire oda eljutok! Pedig nagyon jól tudok gépelni... Megcsinál ez minden szimulációt, többhurkos szabályozórendszereket, tápegység komplett szabályozókörrel, inverter 50 Hz-re követős, stb. Amit nem tudok kitalálni, hogy a kevert szimulációhoz hogyan kell használni a PGND és AGND-t. Még mintapéldát sem láttam róla...
Circuit Maker? Meg kellene néznem. Van benne ilyen szép nagy szkóp ( Display Graph ) amin akárhány sugarat meg tud jeleníteni? Én nem használom a hagyományos műszereket, szkópot tekergethetem éppen eleget a laborban. Van ennek valami demója, ahol bemutatják, hogy mit tud?
Ingyenesen letölthető és fél nap alatt meg lehet tanulni. Fél év után bele lehet szeretni.
Akárhány sugaras szkópja van és nem tárol el mindent feleslegesen. Az áramkör bármely pontjára kattintasz, ott a szkóp ábra, a Bode diagram. Egy kattintás és ott az összes DC szint. Spektrum analizátor nincs benne, de analóg módon kezeli digitális áramköröket és van külön digit üzemmódja is. Viszont egy oszcillátort már nem tud megcsinálni 4093-ból. Ez nagy hiányossága. De nagy előnye, hogy ami ebben nem működik, azt már meg sem szoktam építeni. A multisim kisit hazudós e téren. Hátránya még, hogy itt nem lehet kapcsolgatni és potit tekergetni szimuláció közben. De egy villanás alatt ott a szkópábra. Az 1 kHz-et UcD-ben, vagy shift registerben 1MHz-en egy perc alatt szimulálja (huszonvalahány tranzisztorral).
Letöltöttem a manuálját. Abban van Fourier analizátor...
Analóg módon kezeli a digitális áramköröket? A Multisim is ezt csinálja, de a 4093 nem probléma neki. Tud olyat, hogy egy opamp, utánna kötök egy HC14-et és megmutatja a valóságot? Tehát, nem úgy mint a Multisim, hogy a C14 kimenetét akárhány amperrel meg lehet terhelni? Én még az LTSpice-ra gondoltam, arról azt olvastam, hogy kifejezetten a kapcsolóüzemű dolgokhoz optimalizálták. A mintapéldákon elég meggyőző volt, de ahogy elnéztem, elég barátságtalan a kezelése. Meg akkoriban kevésnek találtam a modellkészletet. Meg kellene most is nézni, csak semmire sincs időm...Szóval kissé tanácstalan vagyok. Nem igazán értem, hogy miért csalnának a szimulátorok, hiszen mindegyik ugyanazt a Spice modellt használja. És ha nincsenek rendesen beállítgatva a szimulációs paraméterek, akkor zöldséget kellene hogy mutassanak...
Köszönöm a rajzot!
Azt hiszem rosszul fogalmaztam. Tudom ,hogy van külön hangfalvédő topik is tele rajzzal. A kérdésem azért ebben a fórumban tettem fel. Mert a megépített TA2024 ic-s erősítőm egy tápfeszültségről működik, és hidalva van.-tokon belül Ebből következően a hangszórókapocs mindkét pontján féltápfeszültségű egyenáram mérhető kivezérlés nélkül. Ezért beépítettem egy 6,8 V-os zenert a védelembe ,hogy ne szólaljon meg 6v-ra. Sajnos zenét rákapcsolva így is lekapcsol.
Az az igazság, hogy nem szoktam vele Fourier analizálni.
Még soha nem kötöttem OPAMP után TTL-t ![]() A valóságot semmi nem mutatja meg. Teraamrekkel lehet terhelni, még soha nem füstölt el semmi a gépben. Analógra félelmetesen jó. Majd kipróbálom mit csinál TTL-el vegyítve. Együtt tudok élni vele, de nem biztos hogy mindenkinek tetszik. A szimulátorok néha túlbonyolítják a dolgokat, néha leegyszerűsítik. Ez Pl a diódát bonyolítja halálra. A multisim meg hamar behülyül mindentől. A tina meg mindent túlbonyolít.
Megcsináltam régebben azt, hogy berajzoltam teljesen ugyanazokat az áramköröket tinába, multisimbe és LT-be is. A szimuláció ugyanolyan beállításokkal az egyiken ilyen eredményt adott, a másikon olyat, a harmadikon meg el sem indult. Pl. ezek az önrezgő pwm-ek is a multisimben simán mennek, a tinában meg csak akkor ha DC-n van mindkét bemenet, tehát nincs elkó a visszacsatolásban.
Szép kilátások...
Én nem szoktam elkót használni, illetve akkor kb. tudni kell, hogy mekkora átlag DC-re töltődik fel. Ezt az átlagot az alkatrész értékének beírásakor meg lehet adni, ez az UIC ( vagy valami ilyesmi ) Ez a kezdeti feltétel, ahonnan indul majd pl. egy kondi feszültsége az analízis kezdetén. Ez így van a Multisimben, de szerintem, az összes szimulátorban meg lehet ezt adni, csak talán más-más helyen. Ekkor, a tranziens analízist nem zérusról kell indítani, hanem a User Definiált opciót kell használni. Fojtó áramát úgyanígy meg lehet adni. Aztán vagy megy, vagy nem. Ha a kapcsolás jó, akkor el kell indulnia, esetleg változtatni kell az alapbeállításokon. ( Pontosság, analóg sönt ellenállás, ITL-ek, stb. Meg az sem mindegy, hogy hány pontot akarunk kirajzoltatni, mert ettől meg a legkisebb időlépcső fog változni. ) Valószínűsítem, hogy ezek a szimulátorok nem arra valók, hogy most mindent, a valóságnak megfelelően mutasanak meg. Tehát, ha berajzolunk egy 20 tranyós valamit, akkor az működni fog, de a kapott eredmények szerintem messze nem azok lesznek, mint a valóság. Ettől még jó kis eszközök ezek, hiszen, az alapokat megmutatják. Megmutatják, hogy a berajzolt áramkör működik e, meg ha változtatunk rajta valamit, akkor mi történik. tehát látni a tendenciát és ez mégiscsak gyorsabb, egyszerűbb, mint a valóságban megépíteni. Van egy nagy előnyük is: ha nem megy valami a szimulátorban, akkor igen kicsi az esélye, hogy a valóságban megy...
Kicsit módosítottam, így a tápban veri ki a biztosítékot (a homokosat
). |
Bejelentkezés
Hirdetés |




















