Fórum témák

» Több friss téma
Fórum » MC34063-mal felépített DC-DC konverter
Lapozás: OK   9 / 17
(#) pucuka válasza qwertz0 hozzászólására (») Júl 7, 2013 /
 
Igen, lehet párhuzamosan kapcsolt ellenállásokkal az egy ellenállásra jutó disszipációt csökkenteni.
A képletben szereplő értékeket is a táblázatból nézheted ki, Az Iout az a kimenő egyenáram maximális értéke, a ton, és toff a kapcsolási idők, a kapcsolójel fel, és lefutási ideje. Ezt sajnos csak a kész áramkörön lehetne megmérni, mert alapvetően a kapcsoló tranzisztor paramétereitől függ, ha nincs külső tranzisztor, akkor az adatlapból leolvasható.
(#) mrx23 hozzászólása Aug 28, 2013 /
 
Sziasztok, megtudnátok magyarázni az adatlapból ezt?
Fosc min:24 max:42 Khz, fejlécben pedig 100 khz. Nem ugyan azt jelenti?

90-100 khz környékén tényleg elég neki 33uH (800mA 24V->5V) mint ahogy a számítások kihozták?
(#) tszaboo válasza mrx23 hozzászólására (») Aug 28, 2013 /
 
Vannak kitételek ott, például az oszcillátorra kapcsolt kondi mérete. Ha a hármas ábrát megnézed, ott van hogy 100Khy-hez kb 0.2nF kell, ha nem csal a szemem.
(#) kadarist válasza mrx23 hozzászólására (») Aug 28, 2013 /
 
Ezek a tól-ig adatok ezen feltételek fennállása mellett érvényesek: VPIN5= 0V, CT= 1 nF, TA= 25°C.
A "Test Conditions" oszlopot is nézni kell.
(#) pucuka válasza tszaboo hozzászólására (») Aug 28, 2013 / 1
 
Legyünk tisztességesek. Nem Khz, nem khz, és végképp nem Khy. Heinrich Hertz tiszteletére a frekvenciát Hz -ben mérjük, és az ezerszeresének prefixe k (kilo). Ilyenformán kHz.
(#) tszaboo válasza pucuka hozzászólására (») Aug 28, 2013 3 /
 
Ó köszönöm. Legközelebb majd legalább ötször elolvasom, nehogy véletlenül maradjon a fórumhozászólásomban nyelvtani hiba.
(#) pucuka válasza tszaboo hozzászólására (») Aug 29, 2013 / 1
 
Ez sajnos nem nyelvtani hiba.
(#) zombee hozzászólása Szept 25, 2013 /
 
Sziasztok!

12V-os, 3A-es "LDO" tápot szeretnék építeni. A cél egy kamion LED-sorának meghajtása. Nem baj ha 12.0V-on csak 11.0V-ot ad le, de szeretném ha járó motor mellett(>13.0V) meglenne a 12.0V. A doksiban van egy kapcsolás "saturated PNP step-down" címszó alatt, de 1A felett mégis túl nagy fesz esik rajta, több mint 3V. 20V-os bemenetnél már tűrhető az eredmény. Cseréltem már diódát, tekercset, tranzisztort, de csak nem akar összejönni a 2A sem. Mit tegyek?
A hozzászólás módosítva: Szept 25, 2013
(#) proli007 válasza zombee hozzászólására (») Szept 25, 2013 /
 
Helo! Nem egészen érthető a dolog. Tudtommal, a kamionban 24V van. Most akkor a Led-sor nem annyi? Azt 12V-ról járatnád? Az LDO kis maradék feszültségű stabilizátor, és áteresztő. A topik, meg kapcsolóüzemű stabilizátorról szól.. Most akkor mi van tulajdonképpen? üdv!
(#) zombee válasza proli007 hozzászólására (») Szept 25, 2013 /
 
Az adott kamion fogyasztói 12V-osak(biztosítéktáblán mértem), az akkutérbe és a generátorra
nem néztem rá. Azért kell LDO, hogy a kb. 14.0V-os töltőfesz(ezt is mértem!) mellett is 12V-ot adjon. Lineáris/disszipálós szabályozó nem lesz jó, nem akarunk rá még egy hőtermelő cuccost, főleg nem a biztosítéktábla mögé. Erre a feladatra egy 34063-as tökéletesen megfelel, egy megfelelő tranzisztoros körítéssel. Csak szólok, 1A körül még jól működik a dolog, kb. 0.5V-os dropout mellett! Tehát a 12.4V-os nyugalmi fesz mellett már majdnem adja a 12.0V-ot. 2A-es terheléssel már lemegy 10.5V körülire, ami 13.5V-os bemenet mellett sem kúszik fel 11.5V-ig. 11.5V-on már érezhetően halovány a LED-sor. Duplázni-triplázni nem akarom az áramkört, már így is éppenhogy elfér a tervezett helyén!
A hozzászólás módosítva: Szept 25, 2013
(#) proli007 válasza zombee hozzászólására (») Szept 25, 2013 /
 
Hello! Így már értem. Bár a 0,3V számomra szinte hihetetlenül jónak hangzik, mert az áramfigyelő ellenállásra jutó feszültségnek az adatlap 25 fokon, már 290mV-ot ad meg. De ha melegszik, akkor vagy "átment analógba", vagy kevés a bázisárama a tranyónak, vagy nem működik a kapcsolóüzem, mert esetleg telítésbe ment az indultivitás. De ezek csak saccolások.. üdv!
(#) zombee válasza proli007 hozzászólására (») Szept 25, 2013 /
 
A 290mV gondolom a maximális fesz, ami mellett letilt az IC. A mostani kapcsolásban 0.1 Ohm van, amely mellett 3.5A zárlati áramot ad a kimeneten. A tekercs 100uH, álló szolenoid, a dióda BYV26. A PNP tranyó jól kapcsol, oszcilloszkópon kimértem: a szaturáció majdnem nulla, késleltetése minimális, bár nem kötöttem be a második csatornát hogy pontosan megmérjem(de sztem 1us alatt).
A tranyó kimenetén(kollektor) olyanokat látok hogy kikapcsolás után rövid ideig vadul oszcillálni kezd.
A hozzászólás módosítva: Szept 25, 2013
(#) zombee válasza proli007 hozzászólására (») Szept 26, 2013 /
 
Ma is oszcilloszkópoztam keveset. Sajna fotót nem tudok, de megpróbálom jól leírni.
Hogy elöl legyen, csatolom a kapcsolási rajzot, amit kiegészítettem a MOST használt értékekkel.
Az oszcilloszkóp egy 20MHz-es Tektronix, tárolós, de nem tudom azt a részét használni.

Először a tranzisztoron mértem (C-E), ott a jel közel négyszög volt. Bekapcsolt állapotban kevesebb mint 0.1V esett rajta(alacsony szaturáció), kikapcsolva a bemenő feszt adta.
A diódán is négyszögjelet mértem: a kikapcsolás pillanatában 0.7V-ot is elérte ami lassan lekúszott 0.4V-ra. A tranyó bekapcsolásakor a bemenő feszt mutatta.
A legérdekesebb a visszacsatoló rész(1.25V) és a föld közti mérés volt. Terhelés nélkül sima 1.25V-ot adott, de ha ráterheltem az ellenállásokkal, a feszültség 1.1V kürülire esett vissza.
DE: 10us-onként egy pici(kb. 0.5us hosszú) négyszögjeles kiemelkedés volt benne, 1.25V-ra.
Ezt is csatolom. Tipp: lehet hogy ez a rész megzavarja a visszacsatoló-szabályzó részt,
ezért a tranyó nyitvatartási ideje kisebb lesz mint kéne. Ha megtalálom a másik szkópkábelt, tudom mérni két sugárral és akkor lesz rendes idődiagram is.

Kérdés: ez alapján már sejthető a hiba, vagy még méregetni kell? Kimenő oldali tekercs/kondi nagyobb kell? Esetleg a visszacsatoló részt aluláteresztő szűrővel becsapni?
A hozzászólás módosítva: Szept 26, 2013
(#) _vl_ válasza zombee hozzászólására (») Szept 26, 2013 /
 
A fizikai panelrajzot tedd fel.
Ha fizikailag úgy helyezkednek el az alkatrészek, mint ahogy az a rajzon el van helyezve, az gáz (a nagyáramú hurkokon kívül kell lennie az IC-nek és a kisáramú részeknek).
(#) zombee válasza _vl_ hozzászólására (») Szept 26, 2013 /
 
Szép is lenne ha a kapcsolási rajz szerint helyezkednének el. Panelterv nincs, mert próba NYÁK-on
van az egész. De úgy van ahogy írod, a nagyáramú rész külön hurokban helyezkedik el,
rövidek a vezetékutak, a nagyáramú alkatrészek egymás után sorba jönnek.
(#) proli007 válasza zombee hozzászólására (») Szept 26, 2013 /
 
Hello! Milyen tranyó van benne? Eltűri a 100kHz-et? A 100µF-on nem lehetne ilyen szabályos jelalak. Nem lehet még is valami földáram? A kondival nem kellene valami másikat párhuzamosan kötni a 100kHz miatt? üdv!
(#) zombee válasza proli007 hozzászólására (») Szept 26, 2013 /
 
A kimeneten 470µF LOW-ESR kondi van, nem tudom hol látod a 100µF-osat. Ami 100, az a tekercs!
A tranyó típusa 2SA2037, kifejezetten kisfeszültségű kapcsolótápba való darab, 330MHz, 7A.
Bővebben: Link

A kondira már kötöttem egy 1000µF-os, szintén LOW-ESR típust párhuzamosan, a helyzet változatlan. Most viszont megfigyeltem, hogy terhelés alatt a kimenő fesz kb. 16V-os bemenőfesz mellett éri el a csúcsát(11.5V), azután hiába növelem, még jobban leesik, 24V-nál már 10.5V-ra.
Ja igen, a bemenetet most egy labortáb látja el, a panelen egy 470µF-os pufferkondival a bemeneten.
A hozzászólás módosítva: Szept 26, 2013
(#) Poostmaster hozzászólása Szept 28, 2013 /
 
Sziasztok.
Nekem egy olyan kapcsolás kéne ezzel az áramkörrel, ami 12V-ot ad 100-120 mA-rel 3,6V-os Li-Ion akksiból. A gyári step-up kapcsolást át lehetne alakítani úgy, hogy ezt tudja? Néztem a tervezési táblázatot, de ilyen értelmetlen képletekkel mint: ton=(ton+toff)-toff nem tudok mit kezdeni. A ton értéke pedig kellene. Vagy nem?
(#) hibbantpasi válasza Poostmaster hozzászólására (») Szept 28, 2013 /
 
Szia!
Segitség: Bővebben: Link
üdv: hp
(#) Poostmaster válasza hibbantpasi hozzászólására (») Szept 28, 2013 /
 
Köszi.
Időközben találtam én is egy oldalt:34063 kalkulátor
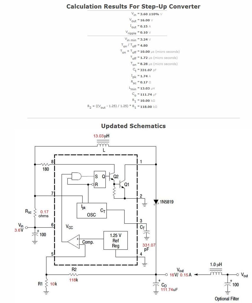
Érdekes módon vannak eltérések. Ugyanazokkal az adatokkal 2 lényeges eltérést látok. Az induktivitás az egyiknél 13,03 μH a másiknál 12162 μH. A Rsc pedig 0,17 Ohm és 180 Ohm. Ezek azért nagyságrendekkel térnek el. Akkor melyiknek higgyek?
(#) pucuka válasza Poostmaster hozzászólására (») Szept 28, 2013 /
 
Értékeket a megfelelő dimenziókban írtad, bele?
Nekem nagyon gyanús, hogy nem.
(#) Poostmaster válasza pucuka hozzászólására (») Szept 28, 2013 /
 
Próbáld ki magad.
De teszek ide képet róla:
A hozzászólás módosítva: Szept 28, 2013
(#) _vl_ válasza Poostmaster hozzászólására (») Szept 28, 2013 /
 
0.15mA =/= 0.15A
(#) Poostmaster válasza _vl_ hozzászólására (») Szept 28, 2013 /
 
Igazad van.
Így már jobb.
Most csak ez zavar: Co=112208 uF
Ez is megvan.
Vripple
Kösz a segítséget.
A hozzászólás módosítva: Szept 28, 2013
(#) zombee válasza Poostmaster hozzászólására (») Szept 29, 2013 /
 
A belinkelt változat nem lesz jó, neked az "NPN saturated" fajta fog kelleni! A tekercs 100uH-220uH közötti, a kondi minimum 220µF mindkét oldalra; ez annyira nem lényeg, de a Cp igen! Ez 1-1.5nF legyen! Csak szólok hogy ezzel a kapcsolással nagyobb áramot nem fogsz kisajtolni belőle, és a hatásfok sem túl jó. De 100mA szerintem még menni fog.

Apropó, a saját cuccosommal (12V 3A LDO stabilizátor) kapcsolatban még nincs ötlete senkinek?
A hozzászólás módosítva: Szept 29, 2013
(#) philips100 hozzászólása Nov 11, 2013 /
 
Sziasztok,

MC34063 IC-vel felépített led meghajtót szeretnék építeni.
Követelmény:
Vin:24V
Iout:350mA vagy 700mA
Led:6db 1W vagy 3W soros kapcsolásban

Sokféle kapcsolást találtam,de mindegyik különböző.
A csatolt kapcsolások közül melyik lehet működőképes?Van-e tapasztalata valakinek ilyen felhasználás mellett?
Köszönöm a válaszokat.
(#) Csupasz válasza philips100 hozzászólására (») Nov 11, 2013 / 1
 
Javaslom:http://www.nomad.ee/micros/mc34063a/index.shtml
Itt találsz egy kalkulátort, amibe beírod a megfelelő adatokat, és ő megmondja az alkatrészértékeket.
(#) philips100 válasza Csupasz hozzászólására (») Nov 12, 2013 /
 
Szia,

Köszi a választ/tippet.
Kipróbáltam a kalkulátort.
Az ic cc és cv módban is dolgozik?
Az áram szabályozás nem világos nekem.Beállítom a kívánt kimeneti áramot 350mA-re.
Ekkor 700mA Ipk értéket ír.Ez az érték mikor jelenik meg a kimeneten?
(#) _vl_ válasza philips100 hozzászólására (») Nov 12, 2013 /
 
Idézet:
„Az ic cc és cv módban is dolgozik?”

Az IC alapvetően feszültségvisszacsatolással dolgozik (1.25V), ezzel ugye akár >=1.25V-os CV, akár CC kapcsolást lehet építeni, nyilván CC esetében nagyobb áramoknál azért elég nagy lesz a veszteség meg a dropout az 1.25V miatt.
Ezen felül az IC-ben van egy nem rettentően precíz (+/-15%), eredetileg túláramvédelmi célokból beépített, durva áramkorlátozásra használható felső oldali, ~0.3V-os másik bemenet is.
Idézet:
„Ez az érték mikor jelenik meg a kimeneten?”

Legrosszabb esetben (DCM üzemmód) az átlagos kimenő áram duplája lesz a tekercs maximum árama (háromszög hullámforma). Az induktivitás növelésével csökkenthető az áram hullámzása, így CCM üzemmódba áttolható a működés.
A hozzászólás módosítva: Nov 12, 2013
(#) philips100 válasza _vl_ hozzászólására (») Nov 12, 2013 /
 
Szia,
Azt tudom,hogy Iout=1,25V/R ha a kimeneten sorosan van egy R ellenállás.Az ezen eső feszültséget lehet használni visszacsatolásra (5-ös láb).Lehet ezt műveleti erősítős visszacsatolással is elkészíteni.(Ilyet már készítettem: LM2676+LM358)

Induktivítás növelése.A progi 37uH/350mA,19uH/700mA tekercset ír.A kapcsolások 220-330-470uH induktivitást használnak.Így tolják át a működést CCM módba?


Végül is azt szeretném megtudni,hogy ezt az ic-t lehet -e led meghajtásra használni?
Az interneten MR16-os led spot-hoz használják ezeket.A fellelhető kapcsolások között sok a különböző.Ezért vagyok tanácstalan.
A hozzászólás módosítva: Nov 12, 2013
Következő: »»   9 / 17
Bejelentkezés

Belépés

Hirdetés
XDT.hu
Az oldalon sütiket használunk a helyes működéshez. Bővebb információt az adatvédelmi szabályzatban olvashatsz. Megértettem