Fórum témák
» Több friss téma |
Köszönöm az infót! Hasznos volt! Esetleg valami egyéb ötleted, hogy hol kezdjem keresgélni a hibát?
Meg kell keresni ezt az idézett 24V-os tápegységet és ügyesen fel kell térképezni a környezetét és persze meg kell keresni azt is, hogy miért nem jelenik meg ez a feszültség. Lehet, hogy zárlatos valamelyik IGBT gate-meghajtása és ez okozza a zárlatot..
A hozzászólás módosítva: Aug 23, 2013
Esetleg priviben tudjuk folytatni? Lenne időd és energiád? Én, ha kell egy tucat jó minőségű fényképpel segítenélek téged amit csak kérsz! Valami elképzelésem és hozzáértésem az van, de itt aszem kevés! Ha sikerülne valahogy megjavítani azt neked anyagiakban is honorálnám! Mit szólsz hozzá?
Szia! Amiket leggyakrabban tapasztaltam +24V-os táp zárlat esetén; ventilátor meghibásodása túlterhelte a +24V-ot, egyenirányító dióda zárlatos lett, kerámia kondi zárlatos lett. Ezeket viszonylag könnyű kizárni. Utána marad a visszafejtés, amit kadarist is írt.
Köszönöm a hasznos infót Peter65! Véleményed szerint ha cserélném a ventilátort, diódát és kondit, megoldás lehet problémámra?
Ha kézzel könnyen forgatható a ventilátor, akkor az nem szokott zárlatot okozni. És persze a ventilátor a készüléken kívül ki is próbálható.
Nem állítom biztosan, hogy ezek közül valamelyik, csak tippeket akartam adni, hogy miket nézzél meg. Ezek könnyen leellenőrizhetőek, és leggyakrabban ezekkel van hiba. Persze, lehet nálad más a helyzet.
Sziasztok!
Egy háromfázisú aszinkron motort szeretnék frekvenciaváltóról üzemeltetni huzamosabb ideig. A fordulatszám körülbelül a névleges fordulathoz képest 30%-al lenne csökkentve. Azt szeretném kérdezni, hogy a motor saját ventilátorja elegendő levegőt fog szállítani a motor hűtésére? Mekkora fordulatszám csökkentés után kell független hűtésről gondoskodni? Üdv.
Szia!
Szerintem meglátod... Természetesen mondhatnám, hogy feltétlen tegyél rá, de ezt te tudod megvizsgálni, hogy x idő után milyen meleg lesz. Ha meg nem kell, megspóroltad.Szerintem nem nagyon van általános szabály. Ha elállja a kezed huzamos működés közben, az úgy rendben.
Szia!
A kézzel való vizsgálatra én is gondoltam. Arra gondoltam hogy van erre is valami ökölszabály szerűség. Erősen gondolkodom rajta, hogy kap egy nagy ventilátort, mert elég nagy motorról van szó. A tekercselés jóval több lenne mint a független hűtés kialakítása. Üdv.
Szia!
Van olyan váltó, ami tud NTK jelet feldolgozni. Ha egyébként nem érzed túl melegnek, akkor egy ilyen érzékelővel is meg lehet védeni, ha valamiért mégis túlmelegedne.
Köszönöm a segítséged. Megfontolom.
Üdv.
Helló madazg77!
Idézet: „Azt szeretném kérdezni, hogy a motor saját ventilátorja elegendő levegőt fog szállítani a motor hűtésére? Mekkora fordulatszám csökkentés után kell független hűtésről gondoskodni?” Az attól is függ,hogy a motor mekkora terheléssel üzemel mennyi ideig. Ha hosszú ideig folyamatosan teljes terheléssel, akkor kell rá a független hűtés. (Fele fordulaton a hűtés hatékonysága kb. a negyedére csökken)
Üdv József!
Ezt nem konkrétan neked szánom, csak a te üzeneted ihlette. ![]() Sajnos a motorok között ritka az amelyikbe be van ez építve a hőérzékelő. A frekvenciaváltóknál azt mondanám, hogy gyakori a lehetőség ennek fogadására. Egyébként van ilyen külön készülék is (kb. időrelé méretű elektronika) amivel külön is kezelhető a motorba épített hőérzékelő. A hőérzékelőt a frekvenciaváltók analóg bemenete szokta fogadni. Ezen lehetőség kihasználása sajnos veszélyezteti a frekvenciaváltót és az érintésvédelmi osztályát csökkenti. Ha ugyanis a motor a védelem ellenére leég vagy víz kerül bele, a frekvenciaváltó törpefeszültségű részeire a tekercselésbe beépített érzékelőről visszajuthat a motorfeszültség. Néhány frekvenciaváltónál van még a motorvédelemnek egy olyan formája, amikor "fejben" kiszámolja a motor áramból és motor frekvenciából és eltelt időből annak melegedését. (Danfoss VLT-knél ETR-nek hívják). Ehhez meg kell adni a pontos motor adatokon kívül azt is, hogy a motoron van-e külön hűtés vagy nincs. Mivel a számítás a motor adatokból indul ki, igen fontos hogy azok pontosak, a valóságnak megfelelőek legyenek. Nem árt egy AMA (automatikus motor adaptáció) végrehajtása sem.
Üdv!
Akkor jól emlékeztem, van/volt ilyen váltóm, ami kiszámolja a melegedést és reagál rá. Sőt, ezek az automata konfigurálások is jól jöhetnek. Régebben vettem gyári új kismotorokat, azokba be volt építve NTK, 100k Ohm, ha jól rémlik. Azért a váltó általában értékesebb (kivétel, ha nem) a motornál, érdemes körültekintően bánni vele.
Szia Szirty!
Teljes terheléssel fog menni a motor és mint írtam kb. 30% lesz csökkentve a motor fordulat. Ha figyelembe veszük amit írtál: "(Fele fordulaton a hűtés hatékonysága kb. a negyedére csökken)" akkor kell rá független hűtés. Köszönöm! Üdv. A hozzászólás módosítva: Szept 14, 2013
Megnéztem a motort és van benne termisztor.
Egy Danfoss VLT-5000-sel lesz hajtva a motor. A pontos típusát még nem tudom mert még nincs nálam. Nagyon hasznos amit írtál! Köszi! Üdv. Idézet: „Teljes terheléssel fog menni a motor ... kb. 30% lesz csökkentve a motor fordulat.” Ez ~30%-os motorteljesítményt is jelent. Figyelembe vetted a méretezésnél? Ha nem, ~háromszoros induló motorteljesítmény kell. !!!
Hello!
Elnézést, kihagytam egy toldalékot. 30%-kal lesz csökkentve a fordulat. Induláskor nagyon minimális terhelés lesz a motoron. Mikor elérte a kívánt fordulatot akkor egyenletesen fogja megkapni a terhelést. Kösz a figyelmeztetést. Üdv.
Helló madazg77!
Akkor nincs gond. A 128-as paramétert kell THERMISTOR TRIP-re állítani. A termisztornak meg kell felelnie a DIN44080/81 szerinti előírásnak. A frekvenciaváltó akkor fog túlmelegedést jelezni, amikor ellenállása meghaladja a 3 kOhmot. A ternisztort az 53-és és 50 pontra kell csatlakoztatni, és a 308-as paraméterben TERMISTOR-t kell választani (vagy az 50-54-esre kötni és a 311-es paraméterben kell ezt beállítani).
Helló!
...és háromszor akkora frekvenciaváltó is ![]() De ha a teljes terhelés alatt a motor teljes nyomatékát értette, akkor nem lesz gond.
Üdv
Hozzám került egy KVFR 455 tipusú inverter a segédtápegysége megadta magát a kapcsolóüzemű tranyó zárlatos lett és hazavágta a trafót is benne.Nincs valakinek véletlen donor hozzá?
Ha a terhelést a felpörgés után kapja meg, akkor a menű megfelelő pontján a nyomaték növelés és nyomatékerősítő funkció módosításával (csökkentés) csökkenteni lehet a melegedést. Tapasztalatból mondom. (több száz kisebb frekiváltó "házi" építésén vagyok túl). 2-300w-os ventilátort is járatunk akár 20-30%-on és nálunk is melegedett, Most így kibírja a 20-30%-os fordulat értéket...Esetleg a Pwm freki változtatással is lehet próbálkozni...
A hozzászólás módosítva: Szept 16, 2013
Helló Szirty, illetve bárki más aki tud a kérdésemre válaszolni.
Imént írva vagyon: Idézet: „Néhány frekvenciaváltónál van még a motorvédelemnek egy olyan formája, amikor "fejben" kiszámolja a motor áramból és motor frekvenciából és eltelt időből annak melegedését. (Danfoss VLT-knél ETR-nek hívják). ” A kérdés, hogy miket szokás ténylegesen mérni illetve "fejbe" számolni? Konkrétan egy Lenze vektor 8200 frekiváltó esetén a kimeneti frekvenciát és feszültséget ténylegesen visszamérik vagy kiszámoltatják. Hol mérik ha mérik, teljesítmény blokkból külön kivezetve. És a kimeneti áramot? Köszönöm.
Helló elektroton!
Idézet: „A kérdés, hogy miket szokás ténylegesen mérni illetve "fejbe" számolni?” Ez a motorvédelemre vonatkozott. Idézet a VLT5000 gépkönyvéből: "Elektronikus motorvédelemmel (ETR), amely a terhelőáram és az idő alapján kiszámolja a motor melegedését. Az így kapott értéket összehasonlítja a névleges IM,N motorárammal és fM,N motorfrekvenciával. A számítás során figyelembe veszi, hogy a hűtés mértéke a fordulatszám függvényében változik." Idézet: „a kimeneti frekvenciát és feszültséget ténylegesen visszamérik vagy kiszámoltatják. Hol mérik ha mérik, teljesítmény blokkból külön kivezetve.” Erre nem tudok 100%-os választ adni, de szerintem a motorfeszültség pontosan számítható a közbensőköri DC feszültségből (amit konkrétan mér) és a PWM kitőltési tényezőjéből amit szintén tud, mert ő vezérli. A motor áramot szintén méri, mivel az külső tényező miatt változik. Áramváltóval, de modernebbekben hall elemes módszerrel mér.
Szirty, köszönöm a válaszod.
Helló Mindenkinek!
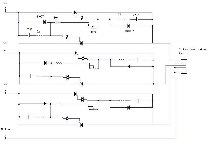
Egy 4kw-os 3 fázisú motor fordulatszámszabályzását szeretném megoldani. Nem kell folyamatos szabályzás, már az is elég, ha csak félfordulaton menne. Gyakorlatilag egy légkezelő berendezésben működik a motor, de túl hangos, ezért szeretnénk lejjebb szabályozni. Sajnos légtechnikailag nincs mód a leszabályzásra. Ha tudnátok ajánlani egy kapcsolást, azt megköszönném. Nekem lenne egy ötletem, de ezt már elvetettük, csak még nem tudom miért? * *Törölve a fórum nem üzenőfelület! A hozzászólás módosítva: Szept 28, 2013
Helló azxo1!
Idézet: „Egy 4kw-os 3 fázisú motor fordulatszámszabályzását szeretném megoldani.” Ha rövidre zárt forgórészű aszinkron motor, akkor az így nem fog menni. Az ilyen motor csak a szinkronsebesség közelében járatható. Ennélfogva a sebességét alapvetően nem a rá adott feszültség vagy az rajta átfolyó áram határozza meg, hanem a frekvencia. Így hát azt kell megváltoztatni. A hozzászólás módosítva: Szept 28, 2013
|
Bejelentkezés
Hirdetés |




Természetesen mondhatnám, hogy feltétlen tegyél rá, de ezt te tudod megvizsgálni, hogy x idő után milyen meleg lesz. Ha meg nem kell, megspóroltad.



