Fórum témák
» Több friss téma |
Fórum » Csöves erősítő készítése
Ne feledd betartani a fórum viselkedési szabályait, és a topik megmaradásának feltételeit. [link]
A téma átmenetileg fagyasztva lett, hozzászólni nem tudsz!
Ha megmondod, melyik Elektorban van, akkor lehet, hogy nem is kéne átküldeni, megvan pár szám belőle.
2001/5
1. A hangminőség romolhat, de nem feltétlenül. Elég összetett kérdés...
2. Romlik a hatásfok és lecsökken a max. kivehető teljesitmény (főleg pentódás végfoknál). 3. A kelleténél sokkal alacsonyabb áttételű kimenőtrafó esetén a végcső nagyobb dinamikus anódáram-terhelést kap, és emiatt lerövidül az élettartama Idézet: „Gondoltam rá, hogy nem multiméterrel kellene megmérni a kimenőtrafó értékeit” A szórt kapacitást elfogadható közelítéssel meg tudod vele mérni (a fülednél mindenképpen pontosabban ), a szórt induktivitást viszont drága, márkás RLC multiméterrel sem igazán.
Idézet: A 6550-esek foglalatai köré több kellene, illetve nagyobbak. Bátor dolog volt nyákba ültetni - reménykedj benne, hogy a ragasztóréteg eléggé hőálló fajta. „A nyákon is vannak szellőző furatok a légáramlás elősegítésére, aztán majd használat közben látom meg, milyen melegség van a nyák körül... ”
Egy nagyon slendrián német cég tizenéve így árulja kitt-ben, így szerelendően.
Egyelőre hiszek nekik, de ha gondom lesz, nem szeretnék a bőrükben lenni.
Sziasztok! A csatolt képen látható RIAA korrektort ismeri valaki? Az első cső katódkondijának az értéke érdekelne, valamint az, hogy a harmadik cső katódkondija miért van szétválasztva 220uF+1uF
A katódkondik ebben az esetben 470µF-ig ajánlottak, ezen belül valahova. A másik két kondi egymással párhuzamosan van kötve a nagyobbik elektrolit a kisebbik meg nem.
![]() Így szerencsésebb az átviteli tulajdonsága. Lehet ezt tudományosabban is, a lényeg ez.
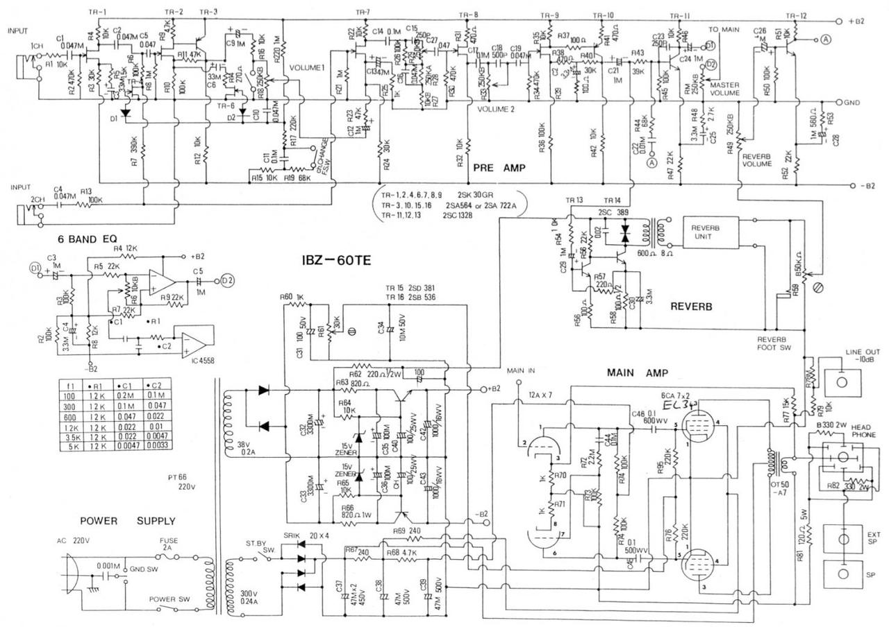
Sziasztok! Kérnék egy kis segítséget a fórumtól. Van egy Japán 1980-as hangszer erősítőm, ECC83 + 2xEL34 a felállás. A probléma az vele hogy már 2 cső is átütött benne. Átnéztem gyakorlatilag teljesen gyári. Egyetlen problémát látok hogy a feszültségek nagyon magasak benne. Megkerestem a gyári kapcsolási rajzot, azon csak a tápról lejövő sec tekercsek feszültségei vannak feltüntetve 300voltnak kellene lennie de 380 körüli értéket mérek terhelés alatt is 370 volt felett van. Fűtés is 7 volt. A csövek rácsának kékes fénye van. Egy pár vadonat új csővel kezdtem bejáratni szépen beállt a munkapont mindkét csőnél járattam 1 órákat majd pihenő. 2-3 óra üzem után az egyik cső átütött szikrázott, kivettem átnéztem semmi hibát nem találtam tettem mellé egy párt újra beállítottam a pár óra üzem után a másik cső is átütött. Mit lehet ezzel tenni? igaz 220 voltra van méretezve a táp trafó de ha 220Volton 300V a secunder akkor 230volton nem 380-nak kellene lennie. Egyenirányítás után cső nélkül 514 terhelés alatt 498 voltot mértem. mi lehet a bibi?
A hozzászólás módosítva: Dec 2, 2014
Táprésznél ellenállások értékét ellenőrizd le.
Kondenzátorokkal minden rendben?
Rendben vannak. Ellenállások is jók. Itt eleve már a trafóról nagyobb feszültség jön le 80volttal mint kellene. Ennek az okát nem értem. :/
Szia!
A 300voltot 220 voltod primérnél írja! Érdemes lenne ellenőrizni, mert sokszor még 340 is szokott lenni a hálózati fesz!
Tudom! Jelenleg 233Volt a hálózati feszültség. 233Volt mellett 374Volt a secunder! Ez nem túl sok?
Nem menetzárlatos a primer? Nem nagyobb a biztosító a hátuljában, mint amennyi ajánlott?
A hozzászólás módosítva: Dec 2, 2014
Az előfeszed mennyi? AC. Mert ha az 38V akkor a tekercs 300V-os szekunderével van valami.
Az egész nagy valami lenne, amit le is védetnék egyből!
A 38 voltot nem mértem de a fűtés 6,3volt helyett 7volt szóval az is magasabb mint kellene, a 38 voltot megnézem holnap de valószínű hogy az is magas lesz
A gyári értékű 2 amperes biztosíték van benne.
233 voltnál is elég sok a szekunder feszed szerintem.
374 volt a váltó áram akkor az alsó hangon is 500 volt egyen legalább ami elég soknak tűnik tényleg! A táp kondik is csak 450 voltosak így sokat kapnak egy kicsit! Énis megmérném a 38 voltot ha ott is sok akkor egyértelmű, hogy a trafó nem kóser! A hozzászólás módosítva: Dec 2, 2014
Szerintem az még sok is. Primer zárlat lesz véleményem szerint. Ne szúrj el több csövet vele. Granpa megoldja neked a trafót.
Segédrácsoknál keresgélj. R69-et és R67-et is duplázd meg nyugodtan (pl. 470 ohm 2 W-ra mindegyiket), de még az összekötött segédrácsokra is tehetsz 1-1 100 ohmos ellenállást (az EL34 foglalatainál). Amúgy nem olyan durva EL 34-nek a tápfesz.
Nem is szándékoztam több csövet beáldozni, mitől lehet zárlatos a primer? Vagyis mi okozhat menetzárlatot? Valószínüleg már így került hozzám de azért érdekelne.
Ha primer zárlat lenne, akkor a zárlatban lévő menetek leégnének (indukció).
Én nem értek annyira hozzá, csak gondolkoztam énis- hamár feltetted a kérdést.
Nemtudom milyen gyártmány a cuccod, lusta vagyok visszaolvasni. Nem melegedett túlságosan? Csak pár meneted lehet zárlatos. Én arra tippelnék, hogy a lakk égett le két sor között. Ha külön a trafót járatod nem melegszik nagyon?
7 V fűtés teljesen jó tartósan is (majd ha kisebb lesz a táp, akkor az is kisebb lesz).
Már zárlatban vannak, rajtuk nem folyik áram. Vagy én gondolom rosszul.?. Lehet leégtek. : )
Eztán fog leégni, mert valószínű marha meleg most a trafó üzemi hője.
Értem, megpróbálom 470 ohmos ellenállásokat. Lenne még 1-2 kérdésem. Gyárilag 6CA7-es csövekkel volt ellátva. Az előző tulaj cserélte EL34-esekre de azóta csak a baj van vele. Lehetséges hogy a 6CA7 jobban tűri a nagy feszültséget? Az adatlapját néztem elvileg ugyan az mint az EL34. Volt egy csőfoglalat hibája az erősítőnek azt vettem észre hogy az egyik EL34 nem fűt megmozgattam azonnal fűteni kezdett de nem vettem észre és járt így egy daradig, azokkal a csövekkel ami később átütöttek szikráztak. Esetleg okozhata a csövek halálát ez a baki? Kicseréltem a foglalatokat utánna még használtam, az egyik cső üzem közben nagy hangerőn halt meg kivettem tettem a megmaradt mellé egy másikat így ment pár napot majd a másik cső próbán hang nélkül kezdett el szikrázni. Az utólag berakott csőnek semmi baja.
A hozzászólás módosítva: Dec 2, 2014
Pár menettől még most biztos nem meleg!
Majd ezután ha tényleg menet zárlatos! |
Bejelentkezés
Hirdetés |





