Fórum témák

» Több friss téma
Fórum » 555-ös IC-s kapcsolások
Lapozás: OK   131 / 192
(#) _vl_ válasza (Felhasználó 15355) hozzászólására (») Szept 7, 2013 /
 
A CMOS verziókkal nem lehetetlen (a simával tényleg elérhetetlen).
A TLC555-re emlékeim szerint valami 1-2 MHz-et írt az adatlap.
(#) _vl_ válasza (Felhasználó 15355) hozzászólására (») Szept 7, 2013 /
 
Egyetértek, potival hangolható cuccot ebből nehéz lesz faragni a széles tartományhoz szükséges különböző kondiértékek miatt.
(#) szsrobert hozzászólása Szept 8, 2013 /
 
Köszönöm az infókat.
R2=5,6k-val 163kHz most.

Ha 100V feletti DC-t kapcsolgatok (max. 10A), melyik fetet ajánljátok(jó hatásfok, kevés melegedés)?
Most irf540.
Fethalál esetén hogyan oldjam meg, hogy az 555-öt ne ölje meg?
A hozzászólás módosítva: Szept 8, 2013
(#) Won hozzászólása Szept 8, 2013 /
 
Ennél a kapcsolásnál a zéner diódák megfelelően megvédik az IC-t és a tranzisztort?
(#) _vl_ válasza szsrobert hozzászólására (») Szept 8, 2013 /
 
És ezt szeretnéd tudni 1MHz-cel is meghajtani?
(#) bancsi15 válasza proli007 hozzászólására (») Szept 8, 2013 /
 
Szia! Nagyon szépen köszönöm a segítséget! Megépítettem és tökéletesen működik!
(#) szsrobert válasza _vl_ hozzászólására (») Szept 8, 2013 /
 
Igen.
(#) Proci_85 hozzászólása Okt 17, 2013 /
 
Sziasztok

555-tel megvalósított újraindítható monostabil multivibrátor kapcsolást kerestem. Több oldal is azt a megoldást ajánlja, hogy a 2-es (trigger) és 4-es (reset) lábat kössem össze és úgy adjam a trigger jelet. Az időzítés valóban újraindul, de amíg tart a trigger, addig a kimenet nem aktív. Tehát ha időzítés közben újabb triggert kap, arra az időre állapotot vált a kimenet. Ez nem egészen a klasszikus működés.
Pl. Ez a kapcsolás is ezt javasolja: Bővebben: Link


A 4-es lábbal való operálásnak van jobb változata vagy tényleg csak úgy lehet klasszikusan újraindítani, hogy az időzítő kondit kisütöm?
A hozzászólás módosítva: Okt 17, 2013
(#) kadarist válasza Proci_85 hozzászólására (») Okt 17, 2013 /
 
Szia!
Annyira nem értek hozzá, de a kondenzátoros trigger-csatolást kipróbáltad? Bővebben: Link
(#) proli007 válasza Proci_85 hozzászólására (») Okt 17, 2013 /
 
Hello! Sajnos az 555 Reset, csak a belső RS tárolót billenti vissza. A kisütő tranyót nem aktiválja. A Tr láb alacsony szintje a kimentet magas szintre hozza, de a Reset meg alacsonyra. Viszont a Reset-nek van (amúgy helyesen) elsőbbsége. Így más lehetőség nem igen van, mint a kondi kisütése. Mint pld. ahogy itt is tettem. Ha tényleg újraindítható időzítőt szeretnél, használj CD4538-at. Annál tényleg élvezérelt az indítás, és "újraindítható" és "nem újraindítható" üzemmódban is működtethető. Bár hosszú időzítéssel nem igazán lehet működtetni, mert nagy kondival én már nyírtam ki a kisütő tranyóját. (Ami ennél egyébként feltölti..) üdv!
(#) Proci_85 válasza proli007 hozzászólására (») Okt 17, 2013 /
 
Köszönöm a részletes választodat. Holnap nézek CD4538-at, eddig úgysem volt még vele dolgom.
Közben találtam még egy kapcsolást tőled. Ez mennyire üzembiztos? Bővebben: Link Igazából 10-15 másodperces időzítésre lenne szükség, de fontos, hogy az utolsó triggertől számolva.
(#) proli007 válasza Proci_85 hozzászólására (») Okt 17, 2013 /
 
Az nagyon suta kérdés, hogy mennyire üzembiztos.. Mert mitől az valami, és mitől nem az?
Ez a kapcsolás, nem élvezérelt, hanem szintvezérelt. Vagy is amíg a bementi jel magas szintű, addig a kondit kisütött állapotban tartja. Ha alacsony lesz a bementi jel, elkezdődik az időzítés, vagy is a kondi töltése. Ha közben visszajön, akkor újból kisüti a kondit.
Mert alapból négyféle monostabil van. Élvezérelt-szintvezérelt, újraindítható-nem újraindítható. Ezek variánsa. Hogy melyik jó vagy nem, azt alkalmazás igénye dönti el.. üdv!
(#) melorin hozzászólása Okt 26, 2013 /
 
Üdv!
Szeretnék bemenetválasztót készíteni 555-el, ami egy relét kapcsol ki-be egy nyomógomb megnyomásakor. Reléáramkör már van, elég ha 5V-ot észlel a bemenetén, máris behúz a relé, ami két állású.

A kapcsoló megnyomásakor történő pillanatnyi zárásnak kéne behúzva tartani a relét egészen addig, amíg meg nem nyomom mégegyszer.
Meg lehet valósítani 1db 555-el?
Köszi!
(#) proli007 válasza melorin hozzászólására (») Okt 26, 2013 1 /
 
Hello! Kicsit kerestél volna itt.. üdv!
(#) melorin válasza proli007 hozzászólására (») Okt 26, 2013 /
 
Egy 4 éves hsz-t hozol elő nekem, és azt mondod kicsit kellett volna keresnem?
Amúgy kerestem, de úgy látszik a 'nyomógomb' kulcsszó nem volt helyes.
Amúgy köszi.
(#) proli007 válasza melorin hozzászólására (») Okt 26, 2013 /
 
Miért? Te csak az utolsó képeket látod? Képzeld hány éves az 555. Szülőatyja már meg is halt..
(#) BEMcorp hozzászólása Okt 28, 2013 /
 
Üdv!

Olyan időzítő kapcsolást keresek, ami egy nyomógomb hosszú (~5sec) nyomva tartását figyeli, tehát csak akkor van jel amikor ennél hosszabban nyomom a gombot, illetve jelen esetemben egy pozitív szint lenne. Ahogy elengedem, a kimenet is nullázódik.
Mindehhez hozzájön, hogy a gombot másra is használom (rövid gombnyomásokkal).
Próbáltam keresni, de semmi hasonló nem ugrott elő.
(#) Proci_85 válasza BEMcorp hozzászólására (») Okt 28, 2013 /
 
Lehet, hogy 2 időzítővel meg lehet oldani, de hirtelen más is eszembe jutott.
Vannak olyan nyomógombok, amik lenyomva és felengedve is más kontaktust zárnak.
Ha a gomb felengedve, egy töltőkondit kisüt és kisütve tart. Ha lenyomod, a kisütő kontakt elenged, és a lenyomott állapotban lévő kontakt tölti a kondenzátort. Ha fel-felengeded (a kis gmbnyomások alkalmával), akkor mindig kisütöd a kondit. Ha azonban kellő ideig nyomva tartod, a kondi elér egy küszöbszintet amit akár komparátorral figyelve a kívánt jelszintet elő tudod állítani.
Talán ezen a vonalon is el lehet indulni.
A hozzászólás módosítva: Okt 28, 2013
(#) BEMcorp válasza Proci_85 hozzászólására (») Okt 28, 2013 /
 
A nyomógomb már adott, magas szintet ad (a többi áramkör ezt kívánja), nem morze, szóval egy egyszerű zára kontakt.
De miért kell 2 időzítő? Csak egy időállandóm van, az 5másodperc. A kimenet akkor kell visszaálljon, ha elengedtem a gombot.
(#) proli007 válasza BEMcorp hozzászólására (») Okt 28, 2013 /
 
Hello! Valahogy így.. üdv!
(#) BEMcorp válasza proli007 hozzászólására (») Okt 28, 2013 /
 
Nagyon köszönöm a tervet.
Nem akarok kukacoskodni, vagy telhetetlennek tűnni, csak agyalok:
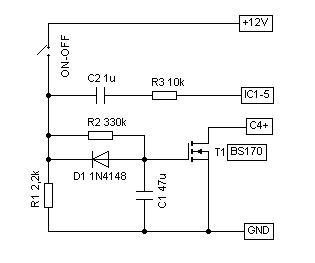
a mellékelt áramkört szeretném kicsit okosítani, egy olyan funkcióval, hogy a gomb rövid megnyomásával bekapcsolom (+12V-os impulzust ad a fet gate-jére), ha viszont hosszan nyomom, ~5sec után egy npn tranyó kisüti ugyan ezt a kondit.
Persze ilyenkor is megkapja (az 5sec elején) a maga kis +12V-os impulzusát, de az nem számít, hiszen úgy is kisütöm a végén.
A nyomógombom +12V-ot kapcsol, és más cmos áramkörök is kapják róla az impulzust.
Ha egy sima npn tranzisztort teszek a mellékelt áramkörben a fet gate-je és a gnd közé, az befolyásolja a működését? (mármint anélkül, hogy vezérelném a tranzisztort)
A rövid impulzust elő tudom állítani egy tranzisztor bázisára sorosan kötött néhányszáz nanofarádos kondival?

hfswitch.gif
    
(#) proli007 válasza BEMcorp hozzászólására (») Okt 28, 2013 /
 
Hello! Az nem kukacoskodás, ha valaki nem azt kérdezi ami érdekli, hanem balgaság.. üdv!

On-OFF5s.png
    
(#) BEMcorp válasza proli007 hozzászólására (») Okt 28, 2013 /
 
Teljesen igazad van, mea culpa.
De mentségemre mondhatom, hogy próbálom nem másokkal megcsinálni az egész komplett áramkört, hanem az alapokat ha megtudom, próbálom én összehozni az egységekből.

Most ezt is próbálom értelmezni (kevés sikerrel).
Miért a komparátor 5-ös lábára adom az impulzust? Miért nem közvetlenül a Q1-re?
(#) proli007 válasza BEMcorp hozzászólására (») Okt 28, 2013 /
 
Adhatod a kondira is, csak akkor kell meghajtó hozzá Az IC meg elvégzi. Amúgy is az a dolga.
(#) BEMcorp válasza proli007 hozzászólására (») Okt 28, 2013 /
 
Értem, és rájöttem, hogy nem értem a két komparátor működését - együttműködését ebben az áramkörben. De a lényeg, hogy így jó, és kész.

Köszönöm a segítséget!
(#) proli007 válasza BEMcorp hozzászólására (») Okt 28, 2013 /
 
Hello! Pedig nem egy nagy kaland, de nem komparátorok. Az első egy mezei erősítő fokozat, aminek unkapontja féltápfeszen van. A másik a komparátor, aminek küszöbszintje kicsit alatta van a féltápnak. Ha a felerősített hangfreki eléri a küszöbszintet, a komparátor a diódán keresztül feltölti a kondit. Kisülni meg a 10Mohm-on keresztül történik. Ha folyamatos a jel, bekapcsolva marad az erősítő. Ha nincs bemenőjel, kisül a kondi, kikapcsol a relé.
De így is megépítheted, ha ez szimpatikusabb.. üdv!

On-OFF5s.png
    
(#) BEMcorp válasza proli007 hozzászólására (») Okt 29, 2013 /
 
Nem nem, köszönöm, az előző is nagyon megfelel.
És nagyon köszönöm a magyarázatot is.
Hálám üldözzön sokáig!
(#) Proci_85 válasza proli007 hozzászólására (») Okt 29, 2013 /
 
Az üzembiztost úgy értettem, hogy 0-24h használható vagy csak egy elvi áramkör, ami demonstrációs célokra szolgál, de egyébként megterheli az alkatrészeket. Gondolok itt arra, hogy a tranyóval kisütögetjük a kondit.

Köszönöm a CD4538-as tippet. Beszereztem egy HCF4538-at, melyet ez és ez alapján teszteltem. Nagyon könnyen felhasználható alkatrész.

Egy biztonságtechnikában is alkalmazott PIR mozgásérzékelője után lenne kötve. A PIR reléje mozgás után csak pár másodpercig jelez, ami kevés idő. Ugyanakkor néha kisebb mozgásokra csak 1 másodpercre jelez, majd újabb mozgásra hosszabbat. Egy lépcsőfeljáró világítását vezérli.
A cél: ha meglátja az első mozgást, legalább 8-10 másodpercre vezérelje a világítást. Ha közben a lépcsőfordulón (alá kerülve) nem lát mozgást majd forduló után ismét, a kimenete változatlan maradjon + még fel is érjen az illető.

Tehát ezek alapján úgy tűnik, hogy nekem a szintvezérelt újraindítható lesz a jobb megoldás. Ugyan is van olyan, hogy a mozgásérzékelő folyamatosan jelez, mert folyamatos a mozgás, a relé állapota nem vált. Ebben az esetben az élvezérelt 4538 csak 1 triggert kap és a folyamatos mozgás ellenére 8-10 mp múlva leáll.

Ennek fényében letesztelem a tranzisztorral kondi kisűtős verziót is.
(#) soundst hozzászólása Okt 29, 2013 /
 
Sziasztok,

Ezzel a kapcsolással szeretnék egy nagyobb teljesítményű 12V ~50 Watt LED sort villogtatni, de a jelenlegi csak kisebb feszültségre és teljesítményre képes. Kérdésem az lenne, hogy mit kellene ehhez átalakítani a kapcsoláson?

Megtisztelő válaszotokat előre is köszönöm!
(#) Castiel hozzászólása Okt 29, 2013 /
 
Sziasztok szükségem lenne egy hangvezérelt stroboszkóp kapcsolási rajzra még kezdő vagyok és szeretnék kicsit jobban belemélyedni előre is köszönöm a segítségeteket
Következő: »»   131 / 192
Bejelentkezés

Belépés

Hirdetés
XDT.hu
Az oldalon sütiket használunk a helyes működéshez. Bővebb információt az adatvédelmi szabályzatban olvashatsz. Megértettem