Fórum témák
» Több friss téma |
Fórum » TV hiba, mi a megoldás?
Mérhetem én ezt akárhogy, 001-et mutat mindig a műszer.
Az előéletét én sem ismerem, tehát nem tudok választ adni.
Ohm-mérés állásban tapogasd végig a tranzisztor lábait. Ha nulla ohm körüli értéket mutat, akkor valószínű, hogy rossz. A nulla ohm-os mérést a két vezetékvég összeérintésével tudod létrehozni.
Jó, ha ennyire képben vagy, akkor kapcsolj diódamérés-állásba és úgy vizsgáld meg a leírás alapján.
Igen, sajnos ennyire képben vagyok. Utoljára 10-12 éves koromban foglalkoztatott ez a szakma, akkor sem profi szinten.Azóta eltelt több mint 30 év.Azt hittem ha felelevenítem a dolgokat, olvasgatok róla,pár dolog eszembe jut.De sajnos semmi.
![]() Attól függetlenül egy alkatrészt ki tudok cserélni. ![]() A leírás alapján mutat 001-et. A te útmutatásod szerint mérve 008 A hozzászólás módosítva: Okt 17, 2013
Mi a mértékegység? 001 micsoda? Ohm, igaz? Ez a tranzisztor teljesen zárlatos. De azt is meg kellene nézni, hogy van-e még rossz alkatrész körülötte.
És ilyenkor mit érdemes átvizsgálgatni?
Mindenképpen vedd ki a helyéről a tranzisztort .Legyen szabadon , és úgy is mérd meg , mert lehet , hogy ha a helyén méred bekavarhat más is.Persze , ha kint is ezt méred akkor kuka.
Csak kint mértem.
Létezik olyan hogy magától fáradt el, vagy lehet másik hibás alkatrész ami okozhatta ennek a hibáját? A hozzászólás módosítva: Okt 17, 2013
Talán , de én inkább arra szavaznék , hogy van ott még valami más hiba is.Környezetében mindent ki kellene mérni első körben.
Vannak rákötve ilyen szép nagy kondenzátorok, azokat kellene megvizsgálni.
Kapacitásméréssel. De gondolom a műszeredben nincs ilyen funkció.
Sziasztok!
Lenne egy Grundig ST 63 755 = CUC 6360 Philips belsejű tv-m. Bekapcsolás után sokára van rajta kép, de akkor tökéletes egyből. Tehát nincs a képcsőnek fénye se. Hang van rajta mindig. Néztem már forrasztási hibákat, forrasztgattam is, de semmi, a hiba maradt. Amikor nincs rajta kép, akkor az ütögetés segít, illetve a panel hátuljának a mozgatása, de bemelegedett üzem közben is szokott jelentkezni ez az idegesítő hiba. Tud-e vki segíteni szisztematikusan végigmenve, végigmérve ezt a jelenséget? Nagy fesz. trafó elmenőit is tisztítottam már. Köszönöm
Azt a kört javítottam amit beszéltünk, mármint BC557 1k ellenállás és ZY30-at kaptam a boltban. A kép változatlan. Ebben a körben melyik elkókat nézzem meg, mert biztosra mondanám egyenlőre, hogy az miatt ilyen. (Főleg, hogy az alap is ez volt és idővel mondjuk fél óra múlva folyamatosan épült a kép széle vissza. Kezdetnek mondjuk C701, C703?
De ami gyanús az a C815 ami 220µF 160V-os. Ahogy nézem a rajzot ennek is lehet köze a hibához, csak sajnos nincs ekkora kapacitású kondik, csak 100uF, nem tudom ezt betehetem-e próbára.
Egy nagyon picit segítenél? Megtaláltam a hibát, csoda hogy nem szúrta ki a szemem, nem láttam a fától az erdőt... el volt bújva. Találtam egy 2,2µF 400V os kondit ami igencsak "elélvezett több soron is". Legalább is ezt forrasztottam ki, viszont a rajzon 0,47µF 160V szerepel, nekem csak 4,7µF van itthon, nem tudom ez a kör milyen befolyással bír a kondi terén, mármint sokat az biztos, csak hogy nagyobb érték milyen eredménnyel jár?
Esetleg 2 db sorbakötött 100µF-os 100V-os kondi? Nagyon nagy kókányolás lenne? (~0,5µF 200V)
A hozzászólás módosítva: Okt 18, 2013
Hello!
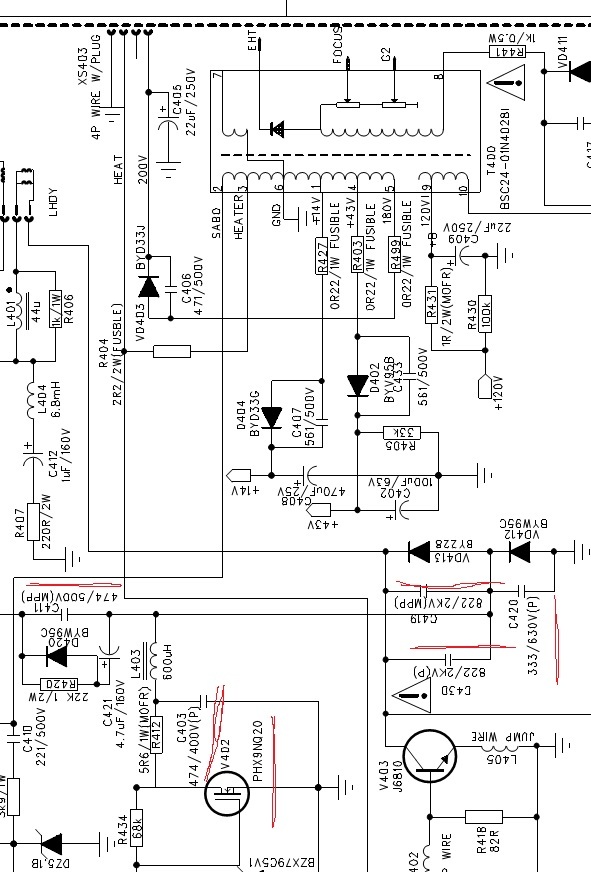
Orion T2180 STX-SL tv javításához szeretnék segítséget kérni. A kapcsolási rajzot ha valaki meg tudná adni azt nagyon megköszönném. Én magam is keresgettem, találtam is egyet, bár a neve az, de valójában csak egy nagyon hasonló. Igazából a képen aláhúzott kondik értékére és a FET tranziszto tipusára lennék kíváncsi mivel ezek hiányoznak a tvből. Előre is kösz.
Mindig az eredeti, beépített alkatrészt kellene pótolni! Két 100µF-os kondenzátor sorba kapcsolásával 50µF-t kapsz.
Bocsánat hülyeséget írtam :S Két 1µF-os 100V kondit gondoltam sorba kötni és úgy lesz ~0,5µF 200V. Közben találtam 2,2µF-os kondit is de szerintem cserélték benne valószínűleg, bár ezt nem tudom 100%-osan.
Ez így nagy hülyeség? Amúgy nem nagyon találok 0,47µF 160V-os elkót, HQ-nál van.
Mert nincs is. Használj olyat, mint amilyen benne volt.
Itt van HQ -nál. 2,2µF volt benne, de szerintem nem tudom, mit tegyek bele :S Már teljesen tanácstalan vagyok. Van itthon 4,7µF is vadiúj 250V-os.
Mi baja volt ennek az elkónak ?
Egyébként a 0,47uf az 470 nf nak felel meg csak úgy megsúgom. A hozzászólás módosítva: Okt 18, 2013
Figyelj, ha nem hallgatsz a válaszolóra, akkor minek kérdezel meg hezitálsz? Az amelyik benne volt, az rossz, kapacitásvesztett?
Ne haragudj, de tisztában vagyok a prefixumokkal -.-
Csak mer te írtad , hogy tanácstalan vagy , de ha nem kell instrukció , akkor további sikeres javítást a tv hez.
|
Bejelentkezés
Hirdetés |














