Fórum témák
» Több friss téma |
Mielőtt kérdezel, a következő két dolgot ellenőrizd!
I. A helyes tápfeszültségek megléte.
II. A kimeneten van-e egyenfeszültség.
Élesztés.
Helló van egy Transonic Strato A- 9009 erősítőm olyat csinál hogy egy oldalt egy hangszóróval szépen szól nem recseg de ha másik oldalt is van egy másik akkor félhangtól el kezd recsegni a hangszóró mi lehet az oka előre is köszönöm
Sziasztok! A laptopom hangerő IC-je tönkrement. Vettem egy ilyetBővebben: Link fülessel jól szól. Gondoltam építek egy sztereó 1W-os erősítőt,meg is csináltam ezt:Bővebben: Link de amikor ráadtam a hangerőt (vagyis még félig sem húztam fel) úgy torzított mint állat, használhatatlan.Szerintetek miért? Van valamilyen jobb megoldás amit kicsibe meg tudok építeni? Válaszokat előre is köszönöm!
Sziasztok!
Kiszemeltem egy ilyen erölködőt. Az lenne hozzátok a kérdésem ,hogy milyen tranyókra lehetne cserélni ami itthon is beszerelzhető? illetve valaki építette-e már? Bővebben: Link
Sziasztok. Egy Technics SU-V65A erősitőt javítok, de nagyon elekadtam benne és kérném a segítségeteket. Az adatlapot mellékeltem.
A probléma az, hogy a Voltage Control AMP. résznél akármelyik tranzisztor bázisán és végtanzisztorok kimenetén mérek feszültséget, mindenhol kb. -50V-ot mérek. A tranzisztorok kiforrasztott állapotban, a multiméter diódamérő állásával vizsgálva, jónak tünnek. A J105-ös csatlakozót kihúztam a helyéről, hogy hátha az előlap a hibás és amiatt vezérel ki teljesen negativba az erősitő. Mi okozhatja ezt a jelenséget, vagy melyik alkatrész lehet a ludas? A válaszokat előre is köszönöm. A hozzászólás módosítva: Okt 27, 2013
Szia! Ezt már láttad? Szerintem, amik ebben vannak, azok a tiedbe is tökéletesen jók lehetnek.
Szia! Pedig nagyon jó kis IC az. Az én kis rádiómban gyönyörűen szól. Hiába ajánlanánk másikat, nálad vagy a tápfeszültséggel, vagy a bemeneti illesztéssel lehet gond. Esetleg nem nyitott kollektoros kimenete van annak az USB hangkártyának?
Sziasztok!
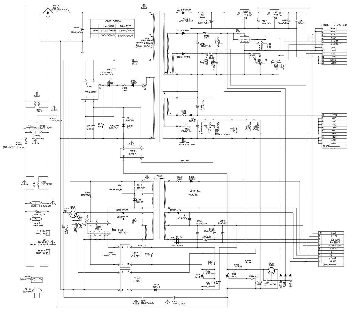
Hallgattam lukacsp-re, ezért amikor megnémúlt, rámértem a melléket kapcsolás CN901 és CN902 pontjaira. A CN903-ra azért nem, mert az a DVD-olvasó részhez megy, amiben már 3 éve nem volt semmi... Egyedül a CN902-n maradt meg a -34V, azon kívül elszállt minden. Meg arra jöttem még rá, hogy ha nincs rajta a burkolat, akkor nem száll el. De amint ráteszem, 1-2 percen belül pukk... (Gondolom ez a megfelelő hűtés hiánya miatt lehet, de sajnos nem lehet szabadon, mert belemásznak a párom macskái..) Ha valaki tud megoldást a plusz hűtésen kívül, annak a válaszait szívesen várom! Segítségeteket előre köszönöm: Kipuke A hozzászólás módosítva: Okt 27, 2013
Szia! Megpróbálom ezt: Bővebben: Link hasonló mint a másik. Lehet hogy igazad van mert adapterről adtam neki kakaót.
Sziasztok! Az alábbi kapcsolásban hő kontaktban kell lennie T3-nak, T7-el és T9-el? Válaszokat előre is köszönöm.
Szia! A J105 túloldalán levő dolgokkal DC egyben van az egész, nem lehet működőképes, ha azt kihúzod. A jelenséget bármi okozhatja. szakadt ellenállás, zárlatos kondenzátor, biztosíték, stb. Ha egyik oldala szól, akkor a rosszat van mivel összehasonlítani. Ha egyik sem, akkor viszont valami banális dolog is lehet: biztosíték kiment, vagy valahol a betáp szakadt, a rajz egyébként elég rosszul van szabdalva, de én se találtam másikat
róla.
Köszönöm. Sajnos közben kiderült, hogy a végfok IC is tönkrement. Igy már nem éri meg javitani se.
Szia! Lehet még negyedig sem húzhatod fel a hangerőt, mert ez az IC fixen 100 körül erősíti a bemenő jelet. A poti előtt egy trimmerrel állíts be olyan leosztást amivel a hangerőszabályzód kihasználhatóvá válik.
Hány voltról táplálod? Van puffer kondi az adapterben?
Szia! Ellenőrizd hogyan változik egyes áramkörök tápfeszültsége mikor mindkét csatornát terheled. A készülék korára tekintettel az érintkezések és az elektrolit kondenzátorok átvizsgálásával kezdeném a rendberakást.
Sziasztok,
Nemrég elkezdtem javítgatni egy Genius 5.1-es hang(falat)sugárzót. A nyákon a SUB végfok IC lábai eléggé ossze voltak kszálva (valaki már próbálta javítani) ezért kiforrasztottam és vttem bele újat (TDA7492MW). Az IC csere utám a hangal igaz halkabban mint kellene de elkezdett szólni. Bekapcsoláskor nalkan szólt majd kis idő után teljesen elhalkult és csak halk zúgás sistergés, búgást lehetett hallani a SUB-ból. Ekkor derült ki, hogy a nyákon lévő D882-es tranzisztor (csatolt képen jelölve) iszonyat forró lett viszonylag hamar a bkapcsolás után. Első körben kicseréltem a transisztor körüli 100µF elkókat (a 16V-os helyére is 25V-at tettem mert csak ilyen volt kétnél) és ekkor a tranzisztor hőfoka jobb lett de a hangerő nem igazán javult. Majd vettem bele új D882-es tranyót ami után a SUB alapzörejei megnőttek és úgy nézett kis megjavul a rendszer mert elég jó hangerővel ment az első próbám a SUB.Sajnos hamarosan valami ismét történt, mert a SUB iszonyat hangossan elkezdett búgni és igőnként zizegni és nem hajlandó semmi más hangot kiadni csak ezeket. A magas alphang bemenei jel csatlakoztatása nélkül is meg van és a hangerő válltoztatása nincs rá hatással kivéve a némítás mert akkor a hang(fal)sugárzó teljesen elcsaendesedik. Mi lehett tt a problémás allkatrész? Estleg egint elszált a végfok IC? Segítségeteket előre is köszi. A hozzászólás módosítva: Okt 28, 2013
Sziasztok!
Ezek közül, melyik erősítőt építsem meg, amely meghajt 3 db, 4 ohmos hangsugárzót?
Szia! Köszi a választ. Gondolom hogy az volt a baj hogy AC adapterrel nyomattam. Egyébként 6V-rol. Megcsinálom ezt remélem ez jó lesz és DC-ről (de úgy akarom hogy laptop 5V -ról menjen)
Üdv. Gyakorlott erősítőépítgetők tapasztalatára lennék kíváncsi, annyi a helyzet, hogy egy erősítő trafóját kellene pótolnom, de valószínűleg csak kettővel fog összejönni a dolog. A készülék Sharp TU-AM1 erősítő STK4142II illetve STK4026II-vel szerelt. Tápjánál 6db bemenet van az egyik három erősebb a másik három gyengébb, mivel az egyiknél 2db 10000mf 63V-os kondik vannak, a másiknál kisebb méretű 2db 4700mf 50V. Saccolni én olyan 40V-0V-40V, illetve 24V-0V-24V-os trafókra gondoltam. Az eredeti trafó ráadásul 110V-os lenne ha meg is volna. Jól saccoltam vagy szerintetek mehetnek magasabb vagy épp alacsonyabb értékek? Segítségetek előre is köszönöm.
Milyen teljesítményűek?
Az első 10-ben van 0.5W-tól, 50W-ig A hozzászólás módosítva: Okt 28, 2013
Az adatlapon nézdd meg az ic-k max feszültségét és a lábkiosztást is!
Tanulmányozd az IC-k adatlapját tápfesz. ügyben. A második lehet akár +, - 30V-os is.
Igazad van az STK-ra kell rákeresnem.
Az a legbiztosabb!
Sziasztok!
Olvastam más fórumon, hogy a T.amp TA 2400-es végfokban a végfok panelen gyárilag kihagyott 1-1 pár 2sa1943/2sc5200 tranzisztor párost és az emitter ellenállásokat utólag be lehet, illetve ajánlott beültetni a stabilabb működés végett. Kérdezem én, jó ez így? Nem kellene egységesen párba válogatottnak lenniük? Mert az olvasott hozzászólás alapján ez nem tűnt fontosnak.
Megnéztem az ajánlott mindkettőnél a +-26V, De ez pufferelés előtt avagy után? Illetve fura ez a duplán tápfeszültség eset. Ráadásul nem is egyforma, még az STK-k egy panelen vannak és gyáriak. Nem lehet ez az eset ilyenkor mint egyes készülékeknél, hogy van egy biztonsági táp rész ami megsegíti az alap feszt? Sajnos magának a készüléknek még véletlenül se sikerült ráakadnom a kapcsolási rajzára.
Egyenirányítás után!
Értelek, akkor kicsit túlgondoltam a dolgot, elég oda +-15V meg mondjuk +-20V is. Itt van pár kép a belsejéről.
Írj a "Kapcsolási rajzot keresek" topikba. Nézd meg alaposan a panelt, (szerintem) külön tápfeszt kapnak az IC-k.
Nem valami nagy a trafója kb 100W elég oda 2*20V egyenbe bőven megteszi!Mondjuk nem egy teljesítmény végfok de otthonra tökéletes!
Szia!
Az egyik 3 Watt, a másik kettőről nem tudom, de EBBEN a hozzászólásomban van 2 kép. (Egy régi orosz lemezjátszó hangsugárzói) |
Bejelentkezés
Hirdetés |






róla. 

Az első 10-ben van 0.5W-tól, 50W-ig






