Fórum témák
» Több friss téma |
Mielőtt kérdezel, a következő két dolgot ellenőrizd!
I. A helyes tápfeszültségek megléte.
II. A kimeneten van-e egyenfeszültség.
Élesztés.
Szia
Kicseréltem a kondenzátorokat és a 7815-öt is, továbbra is 3.4 V van csak.Előtte a B jelű C913B,és C914B-n még meg van a feszültség,föld jó. Sony TA-F420 erősítő,valami ötlet még esetleg ?
Mekkora feszültség érkezik a feszültségstabilizátor bemenetére? R905 értéke rendben?
Ha valóban 12VDC tápot kap a készülék az baj, mert a 7812 IC-nek legalább 15V kell legyen a bemenetén, hogy megfelelően tudja a tápot stabilizálni. (Meg amit még szoktak elfelejteni: a bemenet-GND közt, és kimenet-GND közt az IC kivezetéséhez a lehető legközelebb egy-egy legalább 100nF kondi, mert a 78XX is szeret oszcillátor üzemmódra állni.)
Ha egy végfok IC-t így "drótozva" kötsz be, abból általában nem származik jó. A végfok IC-k még a nyák kialakítására is hisztisek, nem hogy ilyen mértékű parazita kapacitás hegyekre, amit a jelen kialakítás szerinti bekötés okoz. Ha van neked, vagy hozzá tudsz jutni szkóphoz, rá kéne nézni vele a kimenetre, mert szerintem gerjedés / belengés alapos gyanúja áll fenn. A hozzászólás módosítva: Nov 7, 2013
Nos kipróbáltam egy 24V-os trafóval, a stab IC az tartotta a 12,10-12,15V-ot, az erősítő meg is kapta a 24V-ot, de ugyanez a helyzet, de amúgy a stab IC csak a rádiót táplálja!
Most észrevettem, hogy egy pár perc működés után (4-5perc), már semmi nem észlelhető, ha hirtelen feltekerem a potit, akkor hirtelen is emeli a hangot, tehát nem halkul el, nem is trozít, lehet valamelyik kondi lenne a lomha? ![]() Holnap beviszem gyakszira, és akkor ott rákötöm egy oszcilloszkópra, adok rá szinusz jelet, és meglátjuk!
Ha abemeneten még mindíg 1000µF-os kondi van, akkor nemc soda, hogy úszkál a DC.
De ha lekötöm, akkor meg megmaradnak a hiba jelenségek!
Én mindjárt megforrasztom egy kalapáccsal!
Nem akarom elhinni, hogy nem jó egy jól, érts megfelelő polaritéással berakott 3.3µF-os kondival.
Pedig ez a helyzet! :O Annyiszor kiforrasztottam már, meg cseréltem egy csomó mindent, meg szarakodtam vele, és mégis ezt csinálja, összeraktam ugyan úgy ahogy volt, még új IC-t is kapott ma, de az új IC-vel is ezt csinálja, úgyhogy így marad, nem kínlódok vele tovább! Várok vagy 5-6 percet, és aztán jó! Minden esetre köszönöm a segítséget!
A hozzászólás módosítva: Nov 7, 2013
Szisztok!
Bocsi ha rossz topikba írok vagy ha már volt róla szó, de szükségem lenne egy olyan erősítőre amit a mobilteló és az asztali erősítő közé lehetne kötni (talán előerősítő?). Elég gyakran hallgatjuk szabadtéren a hangfalakat és laptopról használva tűrhető a hangerő, de telefonról elég halk. Szóval tudnátok mutatni egy egyszerű kapcsolást, amivel megvalósítható ilyen kismértékű jelerősítés? köszi
Sziasztok, a hang(falon)sugárzóra ha az van (írva), hogy az impedanciája 4-8 ohm, akkor azt hogyan kell érteni? Milyen erősítővel illeszthető, 4 ohmossal, vagy 8 ohmossal, vagy?
A Jamo Studio 180 például ilyen: Bővebben: Link A hozzászólás módosítva: Nov 7, 2013
Azt úgy kell érteni, hogy megfogod a mérőműszert és megméred!
Én amit tudok szinte mindent mérek, nem bízok az adatokban.
De venném, rendelném, és nem mindegy nekem.
Akkor ott valami el van kötve, az biztos.
Én a helyedben csinálnék neki egy rendes nyákot tükrözve és előtte leellenőriztetném itt! És minden egyéb. Remélem nem vitted magad adósságba, tanulópénz nem lesz mindig olcsó
Valószínű, hogy 4ohm -ot mérsz rajta ha rámérsz multiddal, mármint valami közelit. Legalább is eddig amiket mértem. A modiktól kérdezném, hogy az miért nem helyes, hogy "(hangfal)" akkor inkább hangdoboz, vagy mi a helyes? De az meg nem takarja, hogy hangszóró is van benne, nem értem, de érteni szeretném
Hát a 4 ohm nekem nem lenne sajnos jó.
![]() Azért a 4-8 ohmos jelölés akkor megtévesztő.
Ezt amúgy én sem értem teljesen. De az első szám takarja a valóságot, ha multival méred.
A 4Ohm az irányadó, ugyanis ezzel a hülyeséggel teljesen etetik a hozzá nemértő felhasználókat. Ha egyenfeszültségű ellenállást mérsz rajta akkor kiderül, hogy 4Ohm körüli értéket kapsz. De ugye a váltakozófeszültségű ellenállás, csúnya szóval impedancia, az frekvenciafüggő, ezért lehet 8ohm, illetve akár 4Ohm alatti érték is az impedanciagörbén. Tehát a =<4Ohm-mal terhelhető erősítő az ajánlott hozzá.
A hangfal, az egy valamekkora tetszőleges geometriájú lapba épített hangszóró(k). A hangdoboz az egy üres doboz, amiben nincs benne semmilyen más alkatelem, a hangszórót ha beleépíted és készre szereled, akkor kapod a hangsugárzót.
A hozzászólás módosítva: Nov 7, 2013
Köszönöm. Csak nekem ez új mert mindenki így mondja, hogy ... nem írom le
Sziasztok!
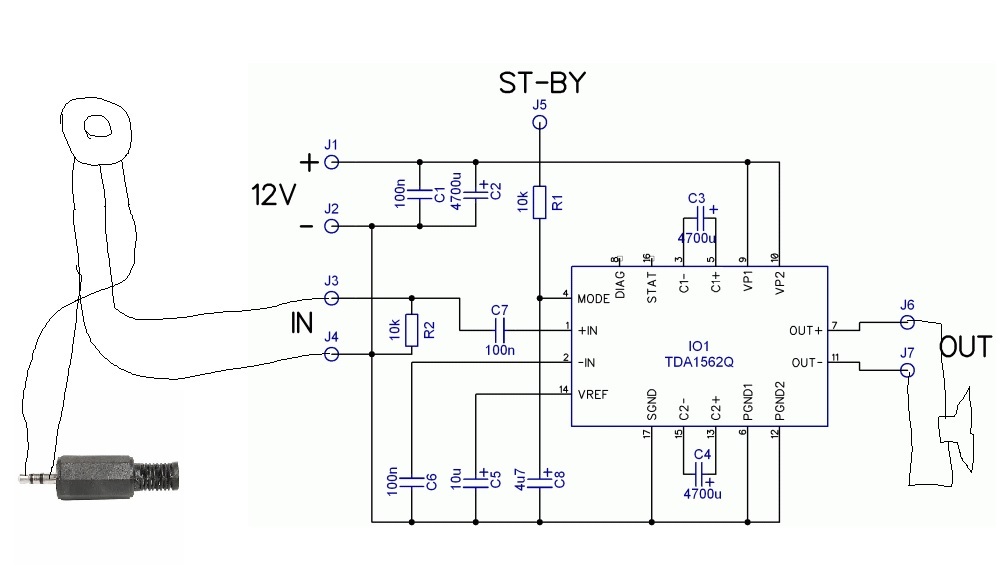
Megépítettem egy számomra megfelelő erősítőt. Minden úgy működik benne, ahogyan kell. Ezt a kapcsolást építettem meg. A rajzban nincs benne a hangerőszabályozó potencióméter. Én ezt úgy gondoltam,hogy J6 vagy J7 pontra a poti szélső lábát,a középsővel pedig a hangszóróra megyek. Ebben az esetben a 47kOhm-os potinak csak a végefele van hangerőszabályozás, a többi csak holtrész. A másik esetben poti szélső láb J6 vagy J7 pontra,középső hangszószóra, másik szélső föld. Ebben az esetben is nagyjából ugyan az az eredmény. Illetve annyi van még,hogy 12V 500mA-es adapterrel hajtom. Ha nagy hangerőn hallgatom,a poti elkezd füstölni :S Tudnátok nekem segíteni?
Szerintem vehetsz új potmétert.
J6 és J7 mehet közvetlenül a hangszóróra. A potméter bal szélső része legyen a föld ami a táp - része és a J4 csatlakozási pont. A potméter középső része menyjen a J3-a. A jobb szélső része meg a forrásra. Másrészt az 500mA-es táp nagyon kevés. Elvileg 70W-os erősítő, legjobb esetben is fel kéne szedni vagy 6A-t is. Így max 5-6W-ot tudnál belőle kivenni. A hozzászólás módosítva: Nov 7, 2013
Egy picit zavaros. Tehát,poti bal lába megy a földre,középső a J3-ra,a jobb lába pedig milyen forrásra? Ezt nem értem,meg azt,hogy a J4 azt hogy gondoltad?
Így egyértelmű már,köszönöm szépen!! Tehát akkor a potencióméter semelyik lábát sem kell közvetlenül a táp "-" ágára kötni?
Igen,tudom,hogy lehetne jobb áramforrása is,de szobában megfelelő hangerőt produkál ahhoz,hogy erősebbet tegyek bele.
Sziasztok! Van egy JVC RX-306 rádióserősítőm ENH-200 végfokozattal. Sajnos a végfokon elszálltak a végtranzisztorok ami a 2SA1490 és 2SC3854 párosok. Szervizkönyvet nem találtam hozzá sajnos és szeretném új végtranzisztorokkal feléleszteni amihez majd be kell állítanom az adott potikkal a nyugalmi áramot, aminek az értékét nem tudom. Az ellenállások 0,22 Ohm értékűek amin majd a mért feszültség alapján be kellene állítanom a nyugalmi áramot az új tranzisztorokkal. Ha tudnátok szervizkönyvet az erősítőhöz vagy útmutatást hogy mi szerint kellene kiszámolni a szükséges nyugalmi áramot azt nagyon megköszönném.
A hozzászólás módosítva: Nov 7, 2013
Szia! A 0,22 ohm végtranzisztor emitter-ellenálláson általánosan 10mV esést szoktam állítani, az 40-50mA nyugalmi áramnak felel meg.
Köszi szépen akkor már keresem is bele az új végtranzisztorokat. Egyébként az MJE 15030 és MJE 15031 páros szerinted megfelelne bele a 2SA1490 és 2SC3854 helyett mivel könnyebb beszerezni számomra? A tokozásuk más tehát kisebb a TO-220 mint a TO-3P azzal tisztában vagyok, de ezen kívül vajon lenne hátránya?
|
Bejelentkezés
Hirdetés |






Én mindjárt megforrasztom egy kalapáccsal!


