Fórum témák
» Több friss téma |
Fórum » Csöves erősítő készítése
Ne feledd betartani a fórum viselkedési szabályait, és a topik megmaradásának feltételeit. [link]
A téma átmenetileg fagyasztva lett, hozzászólni nem tudsz!
Miért ne változhatna mérhetően?
Egyébként meg egy zener és két poti, amiket feszültségosztónak kötünk be és a két csúszka állítja a rácselőt. Még kevesebb alkatrész és kissé pontosabb is, mondjuk sokkal.
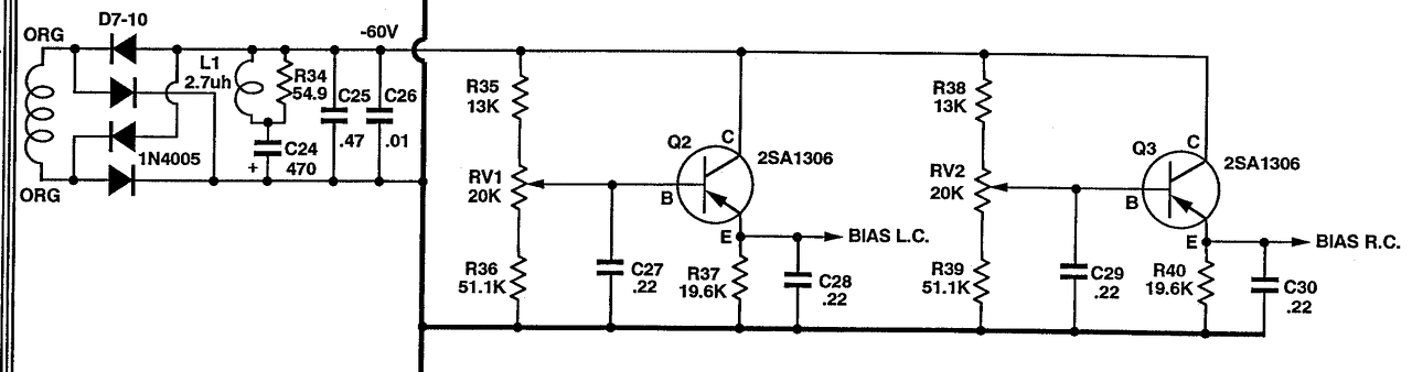
Hogyha a Köbzoli féle negatív előfesz verziót építetted, és elviszik egymást a csatornák, akkor egyértelműen kevés az előfesz tekercs árama, vagy maga a vas amitől járatod.
Köszönöm!
Holnap meló után kipróbálom,és leírom a tapasztaltakat! De ha trafó kevés lenne, annak nem kellene melegedni? Ez 2 óra járatás után is teljesen hideg. Külön van a fűtőtrafó, és az anód trafó. A hozzászólás módosítva: Nov 19, 2013
Nem tudom, mérni kéne, így csak találgatunk...
Ha itt lenne a kapcsolás előttünk, 15 mp alatt eldöntenénk. Majd a kolléga beszámol és meglátjuk, kíváncsi vagyok, mert egyik lehetséges kapcsolás, amit magam is ki szeretnék majd próbálni. Természetesen én már eleve nem így fogom kialakítani az előfeszültség állítás lehetőséget, ez eléggé elnagyolt. Mármint az eredeti.
Csak egy tapasztalat a zener használatával kapcsolatban: Érdemes egy (megfelelő feszültségű) 100nF-os párhuzamos kondival "hidegíteni", mert jelentős zajt tud termelni
PL500/504, EL34, 6L6, EL/PL81, EL/PL36, mindegyikre találsz kapcsolást. Van a RT Évkönyvekben is, de a neten is találsz.
Nem rossz kapcsolás, de akkor már valami gyorsabb, "kékebb vérű" diódákat is lehetett volna alkalmazni, pl az UF sorozatból... Tetszik az RL tag az elkonál...
Megmértem az anódárm - anódfesz alakulását:
30mA - 276 volt 40mA - 274 volt
Átsi!!! De buták is vagyunk.. különösen ti. Meg én.
![]() A kapcsolásban balansz szabályozást végez az a poti, ha az egyiket (előfeszt) csökkentem, nő a másik. Amihez ti értetek, hogy a cső jellemzői egyébként milyen gyorsan-lassan követi a beállítást, mennyi bemelegedés, satöbbi, ahhoz én (még) nem értek. Javítsatok ki ha tévedek. Vagy adjatok egy tockost.
Idézet: Ráadásul majdnem egy egész oldalt elhasználva... „Átsi!!! De buták is vagyunk.. különösen ti. Meg én.”
Sajnos! Megkérjük Zolit, takarítsa el a csúfságunkat...Részemről nem bánom. Nekem úgyis a szomszéd diktálta, mit írjak, nem is látok már, villany sincs...
Bocs.
Még továbbra is várom az ötleteket, javaslatokat, és a bevált kapcsolásokat PP-vel kapcsolatban.
PP-t építenék majd.
A következő az elvárás: -minimum 15W -könnyen hozzáférhető csövekből legyen, amik ára nem borsos (1000Ft alatt már jó) -jó hangminősége legyen -bevált, többször utánépített kapcsolás jöhetne szóba
Bővebben: Link
Bővebben: Link Tessék egy lehetséges donor ezt én személyesen 3 példányban épitettem az ismerőseim meg számtalan utánépítést végeztek már , a szerző /CHZ / Zoli remek kapcsolása ami már egy bizonyitott nagyszerű csöves pp kereken 15WATT A hozzászólás módosítva: Nov 20, 2013
Köszi!
6V6GTA-t hol lehetne beszerezni olcsón?
Legolcsóbb - talán - az orosz EL84 (6P14) aztán mehetsz feljebb de jól ki fogsz lógni az ezresből/db.
Szerintem, jó és olcsó - nem létezik. A jót persze definiálni kellene hozzá - nálam Hi-Fi-t jelent, de ez ne tartson vissza. A hozzászólás módosítva: Nov 20, 2013
Megcáfolnám ezt a kijelentésed de nem vitának szánom lehet olcsó és jót találni ezt betudom bizonyitani bárkinek , eljössz egy vaktesztre és szavazol aztán megmutatom mit is hallottál !
Na és itt be is fejezem azzal a mondókával hogy egy csöves erősítő meghatározó eleme hangilag nem a cső , nem mondom hogy nem számit de nem az a lényeges ... Amennyi tipus mind más és más de a lényeg a kimenő trafóban rejlik . A hozzászólás módosítva: Nov 20, 2013
Szerintem is a lé nagy része a részletekben van elásva...
Kezdődik mindjárt a tápjánál... Bizonyos szintig jók a közönséges anyagok, aztán minden kis nüanszért sok-sok (múccsosz pesetas) pénztet kell kiadni.
6P14-et más is mondta nekem.
Abból esetleg valaki tud egy jól bevált kapcsolást?
A kolléga által linkeltben azzal megy a brejzli, csak nem az van az elvi rajzon!
EL84 vagy 6P14
Ott mutatom mit neztel semmit a fatol az erdot nem latod!
Bár tudom hogy a Laci köztudottan a felső anódos "ellensége
" , de még mind a mai napig ezer számban fellelhető televízók-ban működtetett PL500-as sorvégcső megfelelhet neked, ha 15W-os PP-ben gondolkozol. Nekem itt ordít egy.. Junoszty trafópárokkal a kimenő helyén. Nos igazán "szalonképes".. a hangja..
Mondjuk építsd meg ezt. Gyakorlatilag ugyanaz mint az EL84-es, sokkal olcsóbb, legalább! ugyanolyan jó hangú. A kimenőtrafó ugyanaz. Később akár két ellenállás cseréjével EL84-et is tehetsz bele. HA sznob vagy
Köszi!Ugyanilyen csövekből van egy SE-m. ![]() Ennek kb mekkora teljesítményű trafó kell?
Idézet: „a Laci köztudottan a felső anódos "ellensége” Ezt honnan meritetted ? Nincs bajom a felső anódos csövekkel csak még nem épitettem olyan erősítőt amiben az lett ,volt , van .Egyéb iránt meg tetszenek a szép felső anódos csövek de csak is azok amik szépek nem a sima cső kinézet , PL-ul akár a 807 vagy hasonlók. Idézet: „Nekem itt ordít egy.. Junoszty trafópárokkal a kimenő helyén.” Ezt pontosan jól írtad csak ordít , a hangminőséghez semmi köze , pont a fiatal kollégának céloztam egy pár hozzászólással előbb hogy a kimenő trafó a lelke a csöves erősítőnek! Van itt egy kis cucc felső anóddal , Bővebben: Link A hozzászólás módosítva: Nov 21, 2013
Szia Laci! Valahol régebbi fórumhozzászólásaid közt láttam hogy ilyesmit írtál. Méghozzá egy PL36PP tárgyalása kapcsán.
Hihetetlen de most pont bele is botlottam.. ![]() Idézet: 2011. február 2.„No de szép lett ez meg aztán teljes mértékben biztonságos , tudod én a felső anódos ellensége vagyok .” Én egy kis mini hifivel használom a PL500PP-t (ami jelenleg deszkán van.) Pl. A mini hifin, rádiósmagnón is.. van hangszín-szabályzás. Tudom hogy nagyjából csak az illesztése stimmel a Junoszty táptrafó párnak .. menetszámai is ismeretlenek. Simán a hangkártyáról vezérelve is szépen szól ez. Szép nagy RFT tölcsérhangszórón. Nincsen hatalmas mélység és eget verő magasság se, de "elégnek" hallom és nincsen olyan komoly hiányérzetem.. Felmerül a kérdés ,ha ezzel így szól, akkor mit produkálhat egy profi ,jó minőségű transzformátorral ,mely kettéosztott csévével,és szendvics tekercseléssel készül, hajszálpontos menetszámokkal! Jól néz ki ez a kis fejhallgató erősítő.. nem is igen ismerem ezt a csőtípust. Hangjával meg vagy elégedve? A Szilivel egyidősek vagyunk.. A hozzászólás módosítva: Nov 21, 2013
|
Bejelentkezés
Hirdetés |






