Fórum témák
» Több friss téma |
Sziasztok!
Nekem is lenne egy Digi házim. Sajna nem boldogulok vele!! 8 bites regiszter és 1k Bájtos PROM felhasználásával tervezze meg az alábbi állapotokat bejáró számláló kapcsolását! Az áramkör legyen alkalmas LOAD jel alatt kezdő érték betöltésére is A RES-t külön vegye figyelembe!!! A ? ugrást, a ?...? sorfolytonos számolást jelent. RES - 2..4 - E...F - 5?7 - 0..1 - 8?A - és 5-től újra A nem bejárható értékekről (amennyiben hibás működés folytán oda kerülne) lépjen B-re és ott álljon meg. Ezt a felvett értékét egy LED kigyújtásával jelezze is. A kijelzéshez szükséges áramkör is a PROM része. A LED árama 10 mA nyitó feszültsége 2,1 V Keressen a feladatában használható PROM típust. Köszi előre is a segítséget.
Egy régi kérdés - de úgy látom nem kapott rá választ...
Jó régi feladat, már az én évfolyamomnak is feladták. A válasz a Selényi, Benesóczky: Digitális Technika Példatárban található meg. Komb.31. Végülis N db inverterrel (2^N)-1 jel negálható meg.
Köszönöm a segítséget. most már rendbe lesz a feladat.
Sziasztok!
Tudnátok ajánlani olyan könyvet/oldalt/fórumot, ahol gyakorlatias (értsd. megépíthető) feladatok/kapcsolások vannak? Egyet találtam: Paszkalev: Elektronikus logikai játékok. köszi: I
Üdv, 3 bites t d vagy jk tárolóból lehet csak csinálni előre számlálót, és csak 1 tipusú számlálót lehet használni, hoygan kezdjek neki?
Sziasztok!
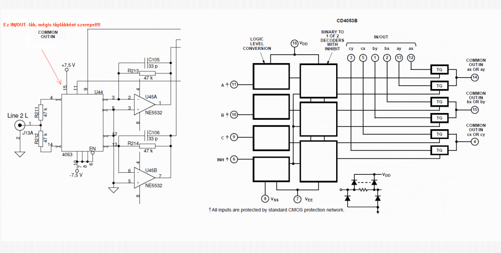
Bár nem kimondottan erősítőről szeretnék kérdezni, de úgy vélem ez is idetartozik. Adott egy előerősítő aminek a rajzát innen vadásztam: Bővebben: Link A problémám az, hogy valószínűleg hiba van rajzon. A csatolt képeken látható. Az I/O panel bemenetén a CD4053 IC (15. láb a rajzon) táp láb szerintem nem jól van számozva. Annak elvileg 16-os lábnak kellene lennie. Azon kívül az analóg bemenet miatt kettős tápellátást kell biztosítani a CMOS-nak. Attól kezdve a 8-as láb szerintem földre kell hogy kerüljön. Legyen szíves valaki felhomályosítani. Köszönöm a segítséget!
Lehet, hogy ez a védelem a "hozzánemértő utánépítőkkel" szemben. A magam részéről jobban hiszek egy adatlapnak, mint bármilyen kapcsolási rajznak. A 8 lábat az adatlap szerint is földre kell kötni, már ha a logikai vezérlés föld táp között van. Elvileg lehet máshogy is, akkor a logikai 0 szintre kell kötni. Az analóg jel ki-bemenetek miatt kel +/- táp, a Vee lábra. A 15 lábnak meg lehet valami jelzés kapcsolás feladata, ehhez a kapcs rajzot jobban át kéne látni, de lehet, hogy az 16, csak rosszul látszik.
Bár valamennyi kapcsolatom van az elektronikával (műszerész vagyok), de nem tervező mérnök. Átlátom a működési elvet, és emiatt is vettem észre a "hibákat". Megmondom őszintén valóban után építő vagyok, de nem akarok a kapcsoláshoz hozzá nyúlni. Úgy jó ahogy van (így tetszik).
Ami a 16-os láb kérdését illeti, akárhogyan nézem az eredeti rajzot (lásd fentebb a linket!) nagyítva is, én nekem akkor is csak 15-nek tűnik. Szerintem elírás lehet. Nem csinálok belőle problémát, megy az adatlap alapján. A bemeneti csatoló kondi elmaradása nem hinném hogy gond lenne, hiszen a kapcsolás jellegéből adódóan valószínűleg így kell lennie a kettős táp meghajtás miatt. Viszont ha már itt tartunk, akkor megkérdezném még egy kapcsolási részlet ügyében a te véleményed. A csatolt képen (C-MOS 3), a multiplexer tápellátása sem igazán vehető a hagyományosan vehető megszokottnak. A 7. láb a kettős táp ellátás miatt szükséges, ahogy itt is a 8-as földre kell hogy kerüljön, illetve a 16-os lábon kapja a +táp ellátást. Már csak arra lennék kíváncsi, hogy az 1M ellenállásnak mi lehet a szerepe. Hiszen így nem kapja meg a - tápot. Vagy esetleg a logikai szint így is teljesül? Persze ha a tápellátás logikai szintnek minősíthető.
Sziasztok, lenne egy ilyen feladatom:
Adott három 12 bites 2-es komplemens kódú szám (A,B,C) decimális oktális(Q) vagy hexadecimális (H) formában. Kiszámítandók binárisan a táblázatban megadott összefüggések. (A zárójelezést minden esetben tessék betartani.) Az eredmény mindenkor értelmezni kell és meg kell adni hexadecimális és decimális formában is. Igazából nem megoldást várok, hanem csak egy értelmezést és hogy, hogy kéne elindulni, mert nem nagyon értem. Az X,Y,Z csak jelzés, amúgy semmi jelentősége. A választ előre is köszönöm. A 2752Q B 5012Q C 5D4H X A+(-B-C) Y (A+B)+C Z (-B-A)+C A hozzászólás módosítva: Szept 4, 2012
A WIN (akarmelyik, es a Linux is) tartozeka egy kalkulator. At lehet allitani tudomanyos formatumra, es akkor tud Bin, Okt, Dec es Hex formatumban szamolni. Beirod Okt formatumban, majd atvaltod Dec-re es maris megkapod a szamot. Ez ervenyes vica-verza.
Sziasztok!
Egy kis segítség kellene. Egy ilyet kaptunk a suliba(2.feladat), de nem bírom felfogni, a táblát. Valakinek van ötlete, hogy az I2 és I3 miért nincs fedésben. Kérdeztem a tanárt, de kitérő választ adott. Annyi érdemlegeset mondott csak, hogy ez nem karnaugh tábla, hanem másfajta, PLC programozói körökben ezt használják.
Sziasztok!
Egy egyszerű kérdésem vagy inkább kérésem lenne! Van itt egy decimális szám: 167,6. Ezt kell REAL és SHORT formátumban ábrázolni, amit én meg is tettem csak nem vagyok magamba biztos, úgy hogy ha valaki lenne szíves leellenőrizni azt nagyon megköszönném. REALben: 42A79999(ez persze hexadec.) SHORTban: 43279999 Köszönöm előre is a segítséget!
Tisztelt fórumozók!
Van egy digitális kapcsolásom amit szimuláltam és jól működik, de igazságtáblát sehogy nem sikerül csinálnom. Ebben szeretnék segítséget kérni! Valaki meg tudná csinálni vagy segítene elindulni? (szeretném meg érteni hogy mit miért és hogyan kell)
Ez két teljesen egyforma, egymástól független áramkör, ezért elég csak az egyiket vizsgálni.
A 74ALS8003 egy kétbemenetü NAND kapu. Az egyik bemenete (1A) H, a másik (1B) földre van húzva egy ellenállással, vagyis L. Ekkor a kimenet H. Ha Jelző1-et megnyomjuk, akkor ez a bemenet is H lesz, tehát a kimenet L lesz (adatlapon igazságtábla). A 4013 egy D tároló (igazságtábláját csatolom). Mivel Data=H, ezért az igazságtáblában levő első sor nem fordulhat elő. A SET (vagy PRES) bemenet = L, mert a földre van kötve, ezért a két utolsó sor sem fordulhat elő. Mi történhet bekapcsoláskor? Mivel a 74ALS8003 kimenete H lesz, ezt a 4013 CLK bemenete valószínüleg felfutó élnek érzékeli, tehát Q = H, a ledek világítanak (de lehet, hogy fordítva ).Ekkor Jelző1-et akárhova kapcsolod, nem történik változás a kimeneten. Ha Nyitó1-et bekapcsolod, akkor R (vagy CLR) H lesz, tehát Q lemegy L-re. Ekkor az igazságtábla szerint Jelző1-et szintén akárhova kapcsolhatod, nem történik semmi. Ezek szerint Jelző1 és 2 nem csinál semmit. Elég kusza, összevissza a kapcsi rajz (talán ez kell a szimulátorba), ha értelmesen lerajzolod, sokkal többet értesz majd belőle. Azért kíváncsi vagyok, hogy működhetett ez egyáltalán...
Igen azt tudom hogy ez 2 külön kapcsolás. TINA nevezetű programban tökéletesen működik a kapcsolás. Lehet ,hogy van egyszerűbb módja is de leírom hogy miért így csináltam.
Tehát a kapcsolásban van 2 nyomógomb(jelzo,nyito), 1 kapcsoló, 1 nand-kapu és egy d flip-flop. Ha megnyomjuk a jelzo gombot és a kapcsoló is zárva van akkor a nand kapu mindkét bemenete 1 lesz tehát a kimenetén 0 fog megjelenni ez a d flip-flop óra jel bemenetére van kötve tehát ilyen kor vált állapotot. A D bemenet 1-re van kötve tehát a jelző megnyomásakor a d flop kimenetén 1 fog megjelenni a jelző többszöri megnyomásakor semmi nem történik. A nyito gomb megnyomásakor a flop-flop CLR bemente 1 lesz tehát a Q kimenete kezdeti értékre áll vissza azaz 0 lesz. Remélem így érthető a működése.
Üdvözletem, egy 16 bites, léptetőt szeretnék csinálni, 1 bitenként lép és egyszerre csak 1 bit ad ki jelet. Valaki tud-e segíteni?
Szia!
Jól gondolom, hogy tárolókkal szeretnéd megcsinálni? Ha igen , akkor célszerű JK tárolókat használni. Egy 16 bites aszinkron előre számlálót kell készítened. Ehhez összesen 16 db JK tárolóra van szükséged. A csatolt képen egy 3 bites aszinkron előre számláló látható JK tárolókból, így kell összekapcsolnod 16 db -ot. Egy IC tok 2 db JK tárolót tartalmaz. Remélem tudtam segíteni.
Ez is jó lesz és a cp-n meg beküldöm az órajelet? Bocs csak digitálisból annyira nem vagyok otthon, én "analógból" vagyok verhetetlen
![]() Köszi szépen.
Szia!
Igen a cp bemenet az órajelet fogadja. Az az "1" -es pedig magas (H) szintet jelent.
Segítséget szeretnék kérni egy hozzáértőtől. Az egyetem ezt a feladatot kaptam: Valósítson meg egy 4 bites, kódátalakítót 5 bites kódátalakítóvá(a johnson kód miatt lesz a kimenet 5 bit) demultiplexerrel, dekóder áramkörökkel, és logikai kapukkal: bináris- johnson
Előre is köszönöm a segítséget!
Sziasztok!
Olyan kérdéssel fordulnék hozzátok, hogy egy digitális technika labor jegyzőkönyvet tudtok mutatni, mert olyat kéne nekem is írnom, de nem tudom hogyan kell hogy kinézzen. Előre is köszönöm! Üdv. B
Helló!
Már régen tanultam ilyet, de paraszti logikával egy kis segítség a kapus megoldáshoz. Rajzolj két táblázatot, tedd egymás mellé. Gondolom, csak 0-9-ig kell.A bináris bemenetek: D,C,B,A (D a legnagyobb) A Johnson értékek (kimenetek):5,4,3,2,1 (5. a legnagyobb) Az 5. kimenet akkor lesz "1", ha: D V (A & D) V (C & B & A) V (C & B) V (C & A) Egyszerűsítve: D V [C & (A V B)] Tehát az 5. kimenethez kell két Vagy kapu és egy És kapu, tehát nem valami borzasztó sok. A többi kimenetet is hasonlóan meg lehet oldani.
Sziasztok. Lenne egy kis problémám az Angol nyelvű digitális technika házimmal. Nem tudom értelmezni a feladatot, mert nem tanultunk ilyet hogy "Hamming Weight". A feladat így szól:
Synthesize a synchronous sequential circuit for the determination of the Hamming weight of a 4-bit serial code word. The Hamming weight should be indicated in the last cycle in binary coded from on the output consisting of three lines. The output is irrelevant (don't care) during the first three cycle of the period. A használható logikai elem: "D" Flip-Flop. A kérésem az volna, hogy aki jártas ebben, kérem segítsen megértenem ezt a feladatot, hogy meg tudjam oldani. Előre is köszönöm.
Sziasztok!
Egy kis segítségre lenne szükségem. 2-bites számláló építéséhez keresnék kapcsolási rajzot suliba. Egy SN 74LS193 IC-vel egy L7805CV IC-vel kellene megvalósítanom egy olyat kapcsolást, amely 1-től 9-ig elkezd számolni a tápfeszültség megjelenésekor, majd egy nyomógomb átváltásakor visszafele számol. A kapcsoláshoz van: - egy SN 74 LS193 IC - egy L7805CV IC - egy nyomógomb - egy 7 szegmenses kijelző Tudnátok nekem gyorsan küldeni egy rajzot erről? Előre is köszönöm! Üdv.: István
Van pár baj. 4 bites lesz az, 2 bit csak 3-ig számol.
Kell egy órajelgenerátor, pl. egy 555-el, különben mitől számolna felfelé? A nyomógomb morzés legyen, hogy a fel vagy le órajelet lehessen váltani vele. Aztán kellene valami dekóder, pl. 7447 a kijelző meghajtásához. És azt is tudni kéne, hogy mit csináljon amikor elér 9-hez, megálljon-e, vagy mi legyen? Ahhoz még lehet, hogy kell pár IC kikapuzni..
Szia!
Én két bites feladatot kaptam, és ezeket az alkatrészeket mellékelték hozzá. A 4 bites is jó lesz. A nyomógombot ki tudom váltani kapcsolóra. Ha a kapcsoló felfele áll, akkor a táp megérkezése után felfele számol, és ha lefele, akkor 9-től lefele. Ha elég 9-ig akkor álljon meg a számláló. Tudsz segíteni rajzot illetően? Köszönöm előre is
Értelmezd, amit feljebb írtam, akkor látod, hogy a megadott alkatrészekből miért nem tudná még MacGyver se megcsinálni.
Kisujjból nem tudom megrajzolni, eltartana egy darabig, és nem életcélom mások helyett házit írni, de ha érdekel, itt tudunk segíteni az alapok elsajátításában. Ez a feladat azért nem kezdő szint már.
Nos, ha már ennyire nem tudod használni a guglit akkor tessék:
Valami ilyesmi. Az IC LS192 helyett 193 lesz nálad, és az 555-ös kimenetére kell tenni a morzés gobot, nyitó érintkezőjét az UP-ra, záróját meg a DOWN bemenetre kötve. Plusz egy kis finomítás kell, mert ez 15-ig számol, de azt már rád bízom. Ráadásul, ha elég kitartóan keresel biztos találsz olyat is. A hozzászólás módosítva: Nov 21, 2013
Kérdezném, hogy létezik-e a címben szereplő program? Tudom, eléggé lusta magatartás, de mivel nem vagyok túl jó számoló és a karnaugh táblát is csak felszínesen tudom alkalmazni, nagyon jól jönne egy olyan program, amiben csak meg kell adni a logikai tábla bemenetinek és kimeneteinek a számát, utána minden egyes variációhoz a kimeneti értékeket, és a program abból automatikusan legenerálná az optimális (lehető legkevesebb elemszámú) logikai kapcsolást (NOT, AND, OR, XOR, stb. kapukat használva).
Egy ilyen programot találtam, a Logic Friday. Tényleg nagyon-nagyon jónak TŰNT, majdnem mindenben olyan, amit vártam volna (több kimenet lehetősége, be/kimenetek számának állíthatósága, használt kapuk megválasztása, 0-1 értékek mellett Don'tCare figyelése stb.-stb.) ..... egyetlen bibivel : nekem nagyon úgy tűnt, hogy a az automatikus módszerével megtervezett logikai áramkör szintjén nem tud megfelelőképp optimalizálni. Ezt pl. abból is vélem, hogy a félösszeadó logikai táblájával próbáltam tesztelni, ami két kapuból ugye összerakható (egy XOR és egy AND ugyebár), de a program valamiért 5 kapuból rakta össze, ha jól emlékszem (az biztos, hogy jóval több-ből). (A logika tábla előtte minimalizálva volt, és minden kapufajta engedélyezve volt a használatra) Más egyszerűbb logikai táblákkal tesztelve is látszólag jóval több kaput (és bonyolultabb logikai áramkört) generált, mint ami reálisnak tűnt volna. Szóval ismer valaki esetleg olyan Windows-os programot, ami képes a logikai kapcsolás szintjén is optimalizálni, úgy, hogy adott bemeneti kombinációkra a kívánt kimeneti logikai értékeket kell csak megadnom?
Sziasztok!
Digitális technika vizsgára készülök és az alábbi feladat megoldásában szeretném a segítségeteket kérni: Tervezzen 12-es frekvenciaosztót a 74163-as szinkron bináris felfelé számláló áramkör felhasználásával. Egy ideje kutakodom neten, de google nem akar a barátom lenni. Előre is köszönöm, Üdv, Norbi |
Bejelentkezés
Hirdetés |










(talán ez kell a szimulátorba), ha értelmesen lerajzolod, sokkal többet értesz majd belőle. Azért kíváncsi vagyok, hogy működhetett ez egyáltalán... 







