Fórum témák
» Több friss téma |
Mielőtt kérdezel, a következő két dolgot ellenőrizd!
I. A helyes tápfeszültségek megléte.
II. A kimeneten van-e egyenfeszültség.
Élesztés.
Sziasztok!
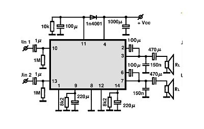
Egy PC hangszóró erősítőjét szeretném átalakítani 220v-osról törpefeszültségről(3-9v) működővé, szerintetek lehetséges? 2 csip van benne, sejtem ez az erősítő része:
Köszönöm szépen Ge Lee, ér kinevetni, de a képek alapján ezt így kb hol kell elképzelni?
A 4700µF-os nagy zöld kondi már lett cserélve és semmi változás, a képeken még látható 2db álló kondi, ami eredetileg 2db axiális volt, de se a régiekkel se ezekkel nem lehet szóra bírni. Jelenleg egyébként áll a projekt, mert méricskélés közben volt egy kisebb villanás meg némi füst
Szia!
Nekem ez úgy tűnik mintha a tápja lenne (kapcsolóüzemű). Nem volt abban a dobozban még egy panel?
A kép alapján én sem mondom meg, az sem látszik hogy hol van az eleje és hol a vége. Gondolom ESR mérőd az nincsen, mert azzal kellene végigmérni az összes kék színűt. Egyedül amit cseréltél azt nem kellett volna, azzal a legritkább esetben van gond.
Sziasztok! Építettem egy hangszínszabályzós előerősítőt.Bővebben: Link A hiba az, hogy ha adok rá jelet, akkor a kimeneten halkan megjelenik a jel tápfesz nélkül, kicsit torzan, ha tápfeszt kap lényegében nem változik semmi. Az áramfelvétele 10 mA, (amit én keveslek). Ha a potméterekhez hozzányúlok akkor halkan zúg. A forrasztásokat újra átmelegítettem, ahol zárlatot vagy szakadást találtam, azt javítottam. A panelről képeket mellékelek, sajnos nem lett szép, de hátha még menthető. Segítségeteket előre is köszönöm.
A hozzászólás módosítva: Nov 25, 2013
A hozzászólásodban zárlatról és hibás kötésekről írsz. Nem lehet, hogy megölted valamelyik IC-t?
Erre én is gondoltam, miután megtaláltam pár hibát, de kipróbáltam más eszközben és abban tökéletesen működik mindkettő.
Tükörképet marattál
Ez hihetetlen... és tényleg! Pedig még nézegettem is a lábakat, hogy minden rendben van-e és nem vettem észre. Köszönöm a segítségeteket!
Tudom milyen érzés. Elgondoltam mennyit dolgoztál vele.
Megpróbálhatod, hogy a forrasztási oldalra teszel még egy IC foglalatot, a potikat is át kell forgatni sajnos, hogy helyes irányba szabályozzanak.
Köszönöm, hogy együtt érzel velem és amúgy hihetetlen, de ez a panel szívatott meg eddig legjobban. Bekrepált a vasalóm és nem fűt rendesen, (120 fok a max.) így háromszor vasaltam egymásra a rajzot, hogy elfogadható legyen, de még ezután újra kézzel szinte az egész nyákot újrarajzoltam, majd miután kimarattam a panelt, maradt így is sok hiba, de még fúrni is kétszer fúrtam az egészet, mert a fúróhegyem eltört tőbe az elején és nem érte át rendesen a panelt
. De a korona az egészre az, hogy a pákámat töröltem a szivacsba és nem tudom, hogy, de elhajlott a vége... Köszönöm a tanácsod, de szerintem, most félrerakom egy időre és majd újra elkészítem a panelt...később, mert ez volt az utolsó ekkora panelem.
Sziasztok!
Segítségeteket kérném az alábbi képen található hangszínszabályzó mőködésének jobb megértéséhez: 1) mekkora az áramkör erősítése? Az én véleményem az, hogy a bemeneti OPA A=1 mert negatív visszacsatolt és Rb=Rv (=0), a második OPA is negatív vcs, de ott Rb és Rv változik ??? (Rb=R1+P2bal+R3 Rv=P2jobb+R2 ??) sajnos elvesztem a kondik és ellenállások között... 2) a potik melyik végállásában a legnagyobb a mély/magas kiemelés? Szeretném (helytakarékosság) miatt elhagyni a potikat, és a lehető legnagyobb mélykiemelést szeretném fixen. Előre is köszi a válasz(oka)t: hdcc
A1 csak impedanciát illeszt (emitterkövető). A kiemelés akkor a legnagyobb, ha a potik csúszkája a bemenet irányában van, tehát R1 és C4 felé van tekerve. Hogy mennyi arról csatoltam képet.
ESR mérőm az bizony nincsen
Addig megvan nekem is hogy a kékekkel lehet gond Azért köszönöm.
Ha benézel a topikjába tettem fel egy egyszerű (de nagyszerű) kis rajzot, fillérekből megvan, bármikor szükség lehet rá. Az sem lényeges ha nem pontos a skála, mert a gyakorlatban nem egy pontos mérést kell vele végrehajtani, hanem 30-500%-os eltérést kell detektálni.
Sziasztok!
Kérdésem volna a következő ,épiteni szeretnék egy fejhallgató erősítőt (hordozhatót)és van egy ic -m is,csak találtam kettő kapcsolást is .Szerintetek melyik lenne a jobb. Régebben csináltam TDA-t is meg AN -est is ,csak nagy volt az alapzaja ezért gondoltam erre hátha jobb valamivel. Segitségeteket köszönöm előre is.
Jól hangzik, a cél érdekében szívesen építek hozzá eszközt. Hol is találom ezt pontosan? Amúgy akkor multiméterrel hiába méricskélek bármit is, ez gondolom itt mindenki számára evidens...
Sziasztok! Szép estét. Egy gyors kérdés. Emitter vagy source ellenállásnak melyik jobb 5 Wattosban a hengeres vagy a kerámiaházas téglatest alakú? Köszi.
Sziasztok!
Ma belet törött az (autó)erősítömbe az RCA dugó. Sajnos a belsejét nem tudtuk normálisan kiszedni, igy kiforrasztottam az RCA aljzatot, és külső kábeles aljzatot raktam bele. De valamiért, ha elkezdem üvöltetni, akkor akkor 1-2 másodpercenként elmegy a mély. Néztem mikor elmegy felvillan a piros safe led-em is. Vajon mi lehet a gond? hídba van kötve, és csak a láda.
A kereső nem csak nekem működik.
Bővebben: Link
Sziasztok!
Még új vagyok itt, és kissé laikus is! Kaptam egy épített erősítőt, megpróbáltam beüzemelni és egy kis hangszóró bánta az egészet. Rámértem a hangfal kimenetre és 42V egyenfesz van rajta, ami a nyák tápja. Ezt mi okozhatja? Köszi!!!
Hibás végtranzisztor, meghajtó tranzisztor, szakadt emitterellenállás stb. Elég sok oka lehet, méregetni kell az alkatrészeket.
Szia!
Meghibásodott félvezető alkatrész(ek), és / vagy érintkezési hibák okozhatják a hibát.
Üdvözlet az Uraknak! Szintén új vagyok bár rég olvasgatom a topikokat tudást gyűjtve . Kis segítséget kérnék . Adott egy gitár torzító pedál , annak is a végerősítő része , egyszerű egy tranzisztoros megoldás , nos az áramkör tökéletesen működik ahogy kell , egy aprócska gondot leszámítva : fogja a rádiót , de nem is szép magyar nyelven hanem valami orosz - ukrán vagy miféle adót . Maga az áramkör egy kis fém dobozban kapott helyet , minden benne van , 9 voltos elemről üzemeltetve , egy ki és bemenet van rajta , és két potméter . A kisérletezgetés közben arra jutottam ha a kimeneten a föld és jel közé egy 330 pF -os kerámia kondit teszek negyedére csökken a zavar (ábra mellékelve). Természetesen szinte kiirthatatlan a dolog , egyszerűen bosszantó a dolog . Esetleg lehetséges hogy a gitár vagy annak kábele szedi össze? Egyébként a torzító egy kis számítógép hangfalra van rákötve jelen pillanatban gyakorlás céljából , számítógép vonalbenetére kötve a dolog még borzalmasabb
Nos körülbelűl ennyi , segítségetek előre is köszönöm!
Szinte minden esetben a kábel vagy a gitár okozza, természetesen ha a pedál megfelelően árnyékolva van. tekerd le koppra a hangerőt, vagy a hangszínt a gitáron, esetleg próbáld ki más kábellal, aztán meglesz a gond.
Ja, és az opa 6-7 lábai közé egy 47pf segíthet. A hozzászólás módosítva: Nov 28, 2013
Én is megépítettem ugyanezt a kapcsolást, csak a kapcsolónál lévő részen módosítottam. Az átmeneti doboza, amiben van, nem árnyékolt (még), de így sincs jelentős zaja. Ha a gitár le van tekerve teljesen, akkor lehet hallani a be és kikapcsolt állapot közötti különbséget, de játék közben ez nem észrevehető.
Köszönöm, köszönöm, és elnézést, tudatlan vagyok én itt még
Megvizsgálom a rajzot.Üdv: Norbi
Sziasztok! Egy kis segítségre lenne szükségem. Van nekem egy Sony MHC-Rg222-es hifim levettem a panelvédő borítást és sajna hozzá ért egy 75 ohm-os anttenna zsinór és elhalgatott. Működni működik bekapcsol meg miegymás csak hangot nem ad ki. Valaki nem tudja h mi lehet a baj? és hogy egyáltalán lehet -e még javítani vagy ne is próbálkozzak vele? Lenne még valami ha nem lehet javítani akkor van egy autós erősítőm Cougar C 600.2 tipusú 1200w-os 2 csatornás. Ehhez kapcsolodó kérdésem pedig a következő lenne:Össze lehet hozni a hifit és az erősítőt úgy hogy az erősítő adná a hangot mivel a hifi nem ad semmi hangot?
Szia! Ha a Hifi nem ad hangot, akkor az erősítő sem fog. Ezért kár összehozni.
|
Bejelentkezés
Hirdetés |





A 4700µF-os nagy zöld kondi már lett cserélve és semmi változás, a képeken még látható 2db álló kondi, ami eredetileg 2db axiális volt, de se a régiekkel se ezekkel nem lehet szóra bírni. Jelenleg egyébként áll a projekt, mert méricskélés közben volt egy kisebb villanás meg némi füst 



. De a korona az egészre az, hogy a pákámat töröltem a szivacsba és nem tudom, hogy, de elhajlott a vége... Köszönöm a tanácsod, de szerintem, most félrerakom egy időre és majd újra elkészítem a panelt...később, mert ez volt az utolsó ekkora panelem. 

Addig megvan nekem is hogy a kékekkel lehet gond 







