Fórum témák
» Több friss téma |
És ez a 0,65V nem háromszor esik, mert 3 tranzisztoron keresztül jut el az áram a testre?
Így már értem. Átvesz a stabilizátor disszipációjából. Talán el is hagyható.
A LED nyitóirányú feszültségét tekintsd forrásnak. Az R6-on eső feszültség nem jelentős. Csak a Q2 bázis-emitter és R9 marad a körben.
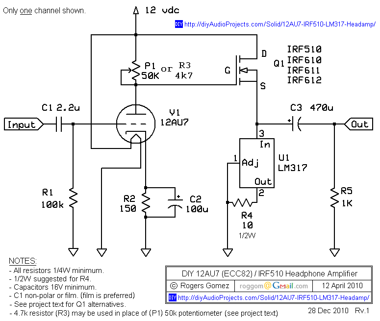
Akkor az adjust „második” ellenállása a fűtőszálat idealizálná... Azt is értem már, hogy a cső fűtő áramára kell belőni az áramgenerátort. Ez az 1,25V/R De ha külön fűtöm a csövet, mi adja meg az áramgenerátor áramértékét? Az hogyan kalibrálhatom? Vagy a fűtőfesz és árammal számoljak ellenállást és az lesz az LM317 ellenállása? Ha így számolok, az kb 14,5 Ohm lenne.
(Én egyébként sem tudnám közvetlenül fűteni a csövet, mert csak 6,3V-tal fűthető, a 12/24V leölné a csövet, tehát kénytelen vagyok ezt a topológiát használni.) A tranyók lapolását többnyire keverem, és most nem néztem meg az adatlapot tervezéskor. Ha ez hibás, korrigálom és kiveszem a 32 Ohmot is. Még amit kérdeznék: az „S”-t szükséges testre kötni? A hozzászólás módosítva: Dec 6, 2013
Az áramgenerátor árama egyben a maximális hangszóró (fejhallgató) áramot is jelenti, avagy itt dől el mekkora lesz az elérhető legnagyobb hangerő. Ha a szükségesnél nagyobbra méretezed, feleslegesen fogsz fűteni ami nagyon bosszantó lehet.
A kérdést az igények mellett a fejhallgató impedanciája és érzékenysége dönti el, szóval legjobb kikísérletezni. Általános értéknek 100mA-t javaslok, mely egy 12 ohm-os R2-vel nagyjából meg is lesz. A csőfűtést azért nem iktatnám a körbe, mert az ECC85 fűtőszál árama talán túl sok lenne. Az "S"-ről korábban volt már szó. Ha testre kötöd kevesebb lesz az áthallás a csatornák között, nem mellékes szempont.
Szia!
Megoldottam! A zavarjelet a virtuális föld (TLE2426) okozta. Kivettem a kapcsolásból, mert az eredetileg linkelt oldalon is azt írják, hogy gyakorlatilag a kettőre együtt nincs szükség. Mármint az aktív és a passzív elemekre. Gondoltam kipróbálom, legegyszerűbben az aktív tagot lehet kiszedni. Kiforrasztottam. Helyreállt a balansz, és a sziszegés is megszűnt. Úgy szól most, ahogy az a nagy könyvben meg van írva! ![]() Azért köszi a tippeket mindenkinek!
Szia! Erre következtetéssel nehéz lett volna rájönni, mivel a csatornák eltérő viselkedése ebből nem indikálható. Örülök, hogy jó lett!
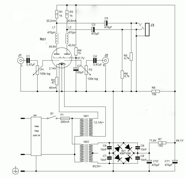
Készítettem egy másik koncepciót oldal elhelyezésű hűtőbordákkal. PC tápból kitermelt bordák ezek is.
Remélem mi hamarabb le tudom már gyártani a készülékeket! ![]() Észrevételeket, javaslatokat továbbra is szívesen fogadok! /A rajzról lemaradt, de a cső természetesen most is ECC85./ A hozzászólás módosítva: Dec 8, 2013
Ha má' "englis", szúrjál bé egy 'E' betűt.
Én ezt készítetem el a hétvégén elsőre tetszik a hangja.
Na ja*!
Az valóban lemaradt, de egy szóköz hiány is van. Köszi hogy szóltál! A hozzászólás módosítva: Dec 8, 2013
Nézd csak meg hová kötötted a kimeneti csatoló kondenzátort!
* Mekkora baki!
Ezer köszönet, hogy szóltál, simán legyártottam volna így. Kellet egy bő perc mire kiszúrtam! Na ezért töltöttem fel, több szem többet lát.Nagyon köszönöm, hogy figyelmeztettél! A hozzászólás módosítva: Dec 9, 2013
A két LM315-öt nem egyformán kötötted be. Nekem a jobb oldali szimpatikus
Valóban, a baloldali LM315 out-ját testeltem közvetlenül.
Köszönöm az újabb figyelmeztetést! Neki ülök majd, és átnézem jobban én is, mert úgylátszik elkapkodtam kissé!
Jó napot.
Ha kérhetném CIRKOL légyszives a GI-30-al építet füles erősítő rajzát elküldenéd, tetszik nekem ez a cső és lehet kapok.
Szia!
Az alap ez ebből van némi módozattal . Idézet: „tetszik nekem ez a cső és lehet kapok.” Mmm, csak úgy? Bővebben: Link Kellene már trafót tekerni hozzá és lehetne dobozolni ... A hozzászólás módosítva: Dec 9, 2013
Van itt most egy másik kis csöves is amit mostanság barkácsolok .
Köszönöm .
Az erősítése elég kihajtja a fülest megfelelően?
Jól látom nincs foglalat ? A katódra tegyél egy kondit ami lehet 470-2200uf ezt probáld ki .
A nyák hátoldalát megtudod mutatni , nekem olyan hosszuakanak tünnek a vezetősávok ? A hozzászólás módosítva: Dec 16, 2013
Gi-30 Cirokl megoldásként...
A hozzászólás módosítva: Dec 16, 2013
Igen jól látod nics foglalat nem volt türelmem várni és így oldottam meg. A któdkondit ötletett köszönöm.
T I S Z T E L T F Ó R U M T Á R S A K !
Műértő ismerősömmel elhatároztuk, hogy klónozásra adjuk a fejünket A Canamp van megcélozva, szándékosan "best buy" alkatrészeket használnánk hozzá. (Erre van ugyanis keret...) Jelenleg azonban a potméter ügyében el vagyunk akadva: minden tippért (típus, ha van, forgalmazó is) hálásak lennénk. ("Szegényember Alps-a" jeligére, a kiadóba.) UI.: szintén el vagyunk akadva Philips gyártmányú NE5532 opamp IC beszerzésével (Texas van mindenhol)
Szia!
Philips már nincs, az ő utódja az NXP, keresd úgy. |
Bejelentkezés
Hirdetés |











Ezer köszönet, hogy szóltál, simán legyártottam volna így. Kellet egy bő perc mire kiszúrtam!
Na ezért töltöttem fel, több szem többet lát.













