Fórum témák
» Több friss téma |
A +2 láb szinte biztosan a háttérvilágítás tápja. Egy soros ellenálláson keresztül tápra kell kötni.
Lehet, csak az zavar meg, hogy ha megnézed a hátuljáról készült fotót akkor annak a bal oldalán van két különálló láb, ami a túl oldalon egy fehér fóljához (mintha EL fólja volna) kapcsolódik.
Oké, de amíg a másik panel rajta van, addig nem látható, hogy az A és a K melyik csatlakozóponthoz van bekötve - ha a 15. és 16. ez a kettő, akkor úgy van, ahogy írtam.
Bocs rájöttem mind a két oldalra ki van vezetve a háttérvilágítás csatlakozói.
Viszont az eredeti 1 soros ez meg 2 soros ez nem lehet gond? Plusz mekkora esélyem van ha mégsem jó az eredeti helyére akkor tönkre megy? Bocs hogy ennyit kérdezek, de először foglalkozok ilyennel. A hozzászólás módosítva: Okt 29, 2013
Nagyon szépen köszönöm mindkettőtöknek a segítséget.
Sziasztok!
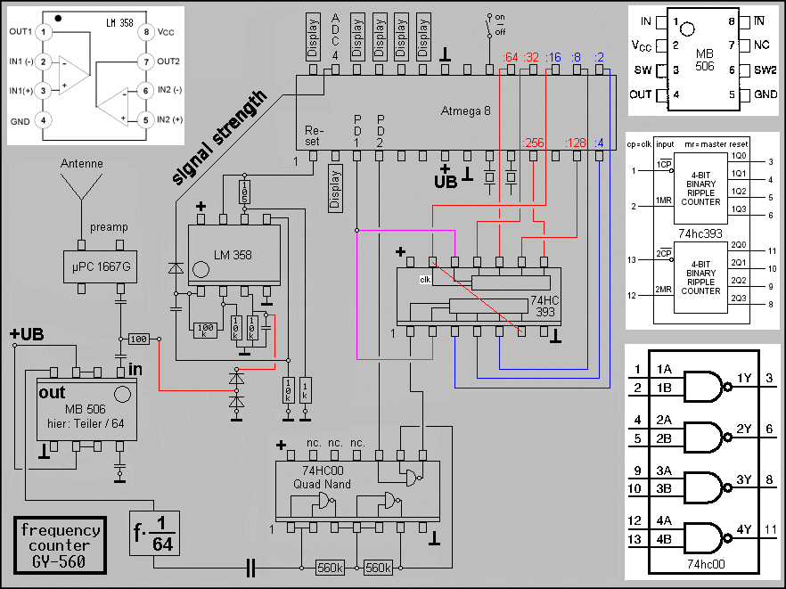
Először is köszönet azoknak, akik a vicsys által "honosított" és közölt cikkben lévő frekvenciamérő építése során szerzett tapasztalataikat megosztották itt. Nekem is szükségem lett egy ilyen műszerre, így erre esett a választásom, mivel nekem lényeges volt az is, hogy a fiókból megépíthető legyen. A kijelző pl. egy régi nyomtatóból lett anno megmentve. A cikkben közreadott panelterv lett (az utólag kiderült hibák javított változata) vasalással legyártva. Két programmal, a vicsys, illetve az attila_v által módosított programmal is hibátlanul működik az alábbi kontrollerekkel tesztelve: PIC 16F84-04/P, PIC 16F84-10I/P, PIC16F84A-20/P. Mindhárom kontrollerben volt mindkét program, működnek. Bekapcsolás után néhány másodpercig 100-50 Hz között jelez, utána stabilan beáll a jel nélküli kijelzésre. (csak a Hz felirat látható) Semmi extra árnyékolás, a doboz még építés alatt van, szeretnék még mellé építeni egy MAX038-as generátort. A szkóp 1 kHz-es négyszögjele mérve 1000 Hz, egy szkópon mért 3,57955 MHz-es szinusz jel 3,57932 MHz.
Üdv! 150KHz-es frek.mérőt(DMM),lehet-e bőviteni kb.15Mhz-ig,20MHz-ig? Előtét?A mérő 3digites.
Találtam egy 80C51-et,fiókban:ez jó valamire? 40pin,vezérlő? Van AKI ismeri?
Persze. Sokan. De programmozni elég nehéz, nézz utánna az adatlapjában.
Bővebben: Link
Üdv az uraknak!
Szeretném tudni vajon 2 Multiméterem közül mely 16,és 22 ezer forintbe került miért nincs lehetőség a 10MHz es frekvencia mérési módban megmérni egy hanggenerátor 6Hz-től 30 megáig terjedő mérésére akár 10 KHz es szinuszos jelnél. Kisfeszültségű hálózati 50Hzes frekvenciát képes vagyok mérni,sőt a földelési ellenállás mérőm által előállított 5HZ-től 100Hz ig terjedő 50Vtól 300V ig terjedő frekvenciát is. Gépkönyvében nem írnak semmit a bemenő mérendő feszültségre.
Maxwell-em nekem is van, de ezeket a funkciókat sosem használom rajta mert inkább csak dísz. Induktivitást sem lehet vele mérni, csak egy adott tartomány felett. Ezekre a feladatokra célműszert kell építeni, ami olcsóbb is és jobb is.
Üdv Ge Lee!
Induktivitás mér szépen mind a kettő a megadott tartományában. Értem hogy ezek nem célműszerek,csak nem értem hogy ha a gépkönyvébe megadott hibapontossággal leírják miért nem mér. Egy haverom gagyi multija pedig lazán méri a milivoltos szinuszjelet.
Sziasztok, fentebb volt szó az LCD kijelzőről. Hamarosan megrendelésre kerülnek az alkatrészek. Azt szeretném kérdezni, hogy ez a PIC megfelel e a kapcsolásban közöltel, természetesen a megfelelő lábkiosztással.
A segítséget előre is köszönöm.
50 MHZ frekvenciamérő PIC16F628 I/P 2x16 LCD tökéletes.
Itt egy jó és könnyen elkészíthető változat NYÁK+program Bővebben: Link
Szia Máté.
Csak tanácsként írom, hogy az Alextronic helyett talán jobb lenne Ferko úrtól Sznyináról az AvElmakból rendelned alkatrészeket, mivel igen gyorsak, olcsóbbak és tapasztalatom szerint sokkal nagyobb a választékuk. Udv. JaniK - Fulek
Szia, köszönöm a tanácsot, megnéztem, jó oldal, de pont a PIC kétszer olyan drága mint amott.
Nembaj jó tudni hogy ebben az országban is van valami. Ami nincs az egyikben, az majd lesz a másikban.
Szia.
Ment PM.
Üdv mindenkinek. Szeretném megépíteni az alábbi kapcsolást, de nincs hozzá HEX file. Tudna ebben valaki segíteni.
Ez van, több nem elérhető
Miért nem a PIC-kes változatot építed meg (pár hozzászólással lejjebb) 16F628-al? Ez a kapcsolás egy alkatrész temető!
Sziasztok!
CMOS vagy TTL frekvencia mérő építését tervezem. Az alábbi linken lévő kapcsolásban gondolkodom. Viszont szeretném kibővíteni a méréshatárt 10Mhz-re. Kérdésem elsősorban az lenne, hogy egyáltalán működhet-e ez a kapcsolás, és ha igen akkor a méréshatár bővítéshez elég, ha az 556-os timer frekvenciáját megnövelem, hogy a kapuzárási idő is kisebb legyen? A másik kérdésem, hogy a rajzon a Hz méréshatár a kisebb kapuzárási időnél (1ms) van feltüntetve, a KHz méréshatár pedig a nagyobb kapuzárási időnél (1s). Nem fordítva kéne lennie? Vagy rosszul látom a működését?
Jól működik, a számlánc számolja a bejövő impulzusokat, több idő több impulzus.
Nem akarlak lebeszélni erről a kapcsolásról, de miért nem olyat választottál amihez NYÁK terv is van ? Arról nem is beszélve hogy akár 50 MHz-es mérőt is készíthetsz pár alkatrészből PIC AVR LCD kijelző.
Mikrokontrolleres áramkört azért nem építek, mert sem tudásom, sem programozóm nincsen. láttam egy komolyabb TTL frekvenciamérőt is a Hobbi Elektronika folyóiratban, de annak az alkatrészköltsége 5000Ft közelében jár. A nyák tervezéstől egyébként nem félek.
Közben még egy kérdés felmerült bennem. Egy 556-os timer stabilabb időalapot tud biztosítani, mint egy kvarc? (Gondolok itt elsősorban a hőmérséklet függésre)
Az 555 nem ad elég pontos időzítést a kapuidőhöz, az alkalmazott CMOS IC -k maximális frekvenciája kb 1..2 MHz. Nem érdemes ma már megépíteni....
Inkább ezekből nézz ki egyet. A mikrokontroller ára rendívül alacsony (200 .. 500 Ft) és egy quartz oszcillátort is tartalmaznak, ami sokkal pontosabb, mint az 555 -tel felépített. Ha sikerül beszerezned előoztót (MB501L olcsón volt kapható), a frekvencia határ 100MHz, 500MHz vagy 1.2GHz is lehet. A hozzászólás módosítva: Jan 19, 2014
Hello! A mellékelt kapcsolás működhet, de van némi elgondolkodtató benne.
- Mivel a 4026-ban nincs kimeneti érték tároló, így a számlálás alatt a kijelző tiltva van. Vagy is Hz esetén 1sec ideig sötét, és kb. 3sec ideig látható. Avagy villog a kijelző. KHz estén már ez nem oly feltűnő, mert 1ms a "sötét idő". Viszont 3 másodpercenként változik a kijelzett érték. - Mivel az IC5 időzítő KHz esetén már kb. 1kohm-al tölti a C2-őt, azt tovább csökkenteni a tizedére már nem lehet. Így 10Mhz esetén (9.99MHz) a C2-őt már cserélni kellene. - De az is kérdéses, hogy egy ilyen analóg időzítő mennyire alkalmas kapuidő előállításához. Mivel a számláló három digites, +-1 számjegy pontosság tartásához, az időalapnak 0,1% pontosságon felüli pontossággal és stabilitással kell rendelkeznie. Aminek kivitelezése egy sima RC tag alkalmazása esetén már megkérdőjelezhető. Pld a potik beállítási tartománya is 30%, amivel 0,1% pontosan kellene beállítani az időzítést. Ez eleve 1:300 beállítási arányt feltételez. - A 4026 adatlapja szerint a maximális működési frekvencia 10V táp esetén 5,5MHz. Vagy is 10MHz-el már nem biztos, hogy jár. (A 4583-ról még adatlapot sem találtam.) Tehát összességében, ha a frekit növelni szeretnéd, akkor célszerűbb egy gyors előosztót alkalmazni a számlálók bemenetén, mint a kapujelet gyorsítani. (Persze hogy mire használnád, és milyen pontosságot vársz el tőle, azt csak Te tudhatod. Én csak próbálok rávilágítok a dolgokra, ahogy kérted. És amit mondok, azt csak a kapcsolási rajz értelmezése alapján állítom.) üdv!
Gondoltam hogy legtöbben a mikrokontrolleres áramköröket fogjátok majd ajánlani. Ahogy az előzőekben írtam, sem tudásom, sem programozóm nincs mikrokontrollerekhez, így ez a lehetőség esetemben kiesett. Mindenképp TTL vagy CMOS áramkörökben gondolkodom, és teljesen felesleges a hobbi műhelyembe a 10MHz-nél nagyobb méréshatárú készülék és lehet hogy igazad van a CMOS IC-k határfrekvenciájával kapcsolatban, de valahol láttam már olyan CMOS frekvencia mérőt is, aminek előosztó nélkül 15MHz volt a határfekije. Persze mondhatnátok azt is, hogy akkor miért nem veszek egy olyan multimétert, ami tud frekvenciát mérni. Azért, mert sokkal olcsóbb ha külön építek egy frekvencia mérőt.
Igen, nekem is vannak kétségeim az áramkörrel kapcsolatban, csak ha CMOS-ban gondolkodunk akkor szerintem ennél kevesebb alkatrészből nem lehet megoldani. Azt is tudom, hogy cserélni kéne a kondenzátort, én is úgy terveztem a megvalósítást, hogy váltókapcsoló nem csak az R tagot kapcsolná, hanem a komplett RC tagot. A kijelző villogása, illetve hogy 3 másodpercenkét frissít nem zavarna, a pontosság annál inkább. A lényeg, hogy megkaptam a választ a kérdésemre; 10Mhz-es méréshatárhoz előosztó kell, máshogy nem tudom megoldani.
Köszönöm a választ!
Ha nem ragaszkodsz CMOS ic.-hez, TTL S sorozat akár 100 MHz-et is feldolgoz pl. 74S196
10-es osztó. Mutatok egy megoldást, ezt én építettem anno 90-es években. A főpanelen a számlálólánc, az egyik oldalon a vezérmű SAJ300 ic-vel, a másik oldalon a bemenő fokozat 74s196 BF961 BF246. Igen kvarccal van a vezérmű 4,....... Mhz 2-es osztás annyiszor hogy a SAJ300 1 HZ kapuidőt ad. A hozzászólás módosítva: Jan 19, 2014
|
Bejelentkezés
Hirdetés |




A kijelző pl. egy régi nyomtatóból lett anno megmentve. A cikkben közreadott panelterv lett (az utólag kiderült hibák javított változata) vasalással legyártva. Két programmal, a vicsys, illetve az attila_v által módosított programmal is hibátlanul működik az alábbi kontrollerekkel tesztelve: PIC 16F84-04/P, PIC 16F84-10I/P, 






Nembaj jó tudni hogy ebben az országban is van valami. Ami nincs az egyikben, az majd lesz a másikban. 









