Fórum témák
» Több friss téma |
- Ez a felület kizárólag, az elektronikában kezdők kérdéseinek van fenntartva és nem elfelejtve, hogy hobbielektronika a fórumunk!
- Ami tehát azt jelenti, hogy a nagymama bevásárlását nem itt beszéljük meg, ill. ez nem üzenőfal! - Kerülendő az olyan kérdés, amit egy másik meglévő (több mint 17000 van), témában kellene kitárgyalni! - És végül büntetés terhe mellett kerülendő az MSN és egyéb szleng, a magyar helyesírás mellőzése, beleértve a mondateleji nagybetűket is!
SZerintetek hány tranzisztorbol jó erösitöt csinálni...mert az IC nemjó!!!!
NTC, vagy NTK: negatív hőfokfüggésű ellenállás (mint írtam). Katalógus is van itt a HE-n, de bármely elektrós boltban van, és akkorát adnak, amekkora kell (ha Te nem is tudod). A teljesítmény az áramtól függ, innen nem látszik. A tönkrement eszköz átmérőjéből lehet a teljesítményére következtetni (katalógus).
Ilyen fajta alkatrésszel még nem volt dolgom,de mindennek eljön az ideje.
Köszönöm a segítőkész választ,nagy hasznát vettem.
Hello!
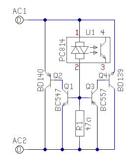
- A nyitófeszültséggel itt nincs gond, mint a diódás kapcsolásnál, mert amikor a Led-en átfolyik az áram, az egyből létrehozza rajta. - Azért laposabb az áramgörbe, mert az első esetben a tranyó növekvő kollektoráramához, növekvő bázisáram is kell. Mivel a bázisáram is az optón keresztül folyik így az is nő. Darlingtonnál más a helyzet, mert a tranyó bázisáramát a kistranyó kollektorárama adja, így az nem folyik át az opton. Szabályozási görbe is meredekebb a nagyobb áramerősítés miatt. - Így van, a feszültség veszteséget az opto nyitófeszültsége, a szabályzó tranyó bázis-emitter feszültsége és a diódák nyitóirányú feszültsége határozza meg. - De kiagyaltam egy ennél jobb kapcsolást is. Itt nincsen egyenirányító híd, viszont olyan opto kell, ami váltófeszültségre készült. Vagy is abban antiparallel infra dióda van. Így kiküszöbölhető az egyenirányító vesztesége. Viszont 4 tranyó kell és az 1A miatt cseppet hűteni is kell. De lehet a kettő közös bordán, mert kollektoruk azonos potenciálon van. Szerintem ez a legjobb. A PC814-nek adatlapján ugyan nem szerepel a nyitófeszültség, de ha az a szokásos 1,2V körül van, akkor a feszültség veszteség 1,8V körüli értékű lesz. (Párhuzamos két opto is használható, ha épp nem lenne kéznél az AC opto.) üdv!
Miért számít a vezérlő kapcsolási rajza?
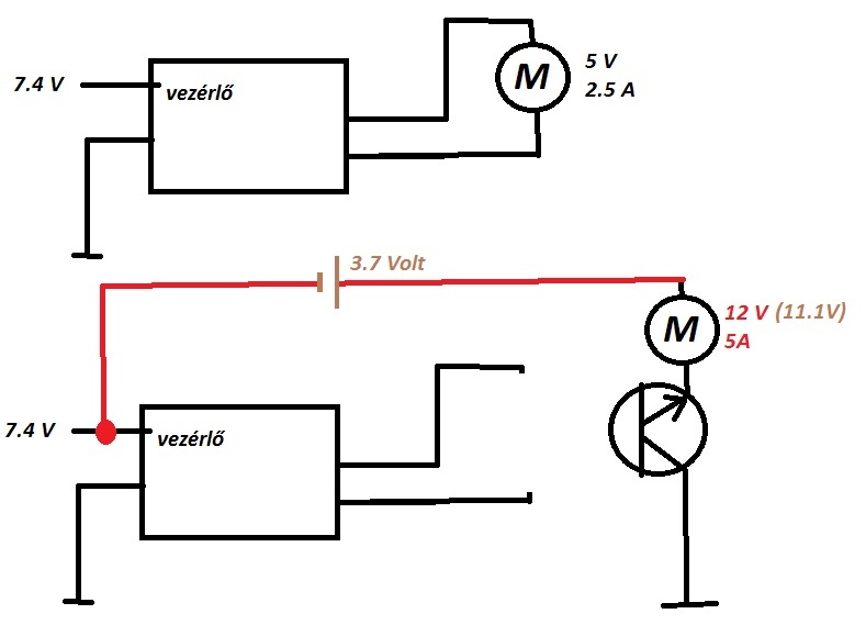
A tranzisztort nem feszültséghez s áramhoz kell választani? Miért számít hogy milyen az ami vezérli? Ezek csak elvi érdeklődő kérdések, mert az a baj, hogy a kínaiak nem nagyon ismerik az adatlap fogalmát, a chipbe pedig nem csak én nem látok bele más se. De azt hinném, ha 5 Voltot az a motornak, ami ekkor 2.5 Ampert vesz fel, én meg kicserélem ezt a motort 12 voltosra, ami így mondjuk 5 ampert vesz fel, akkor elég csak egy megfelelő tranzisztort berakni közé s működik. Mindjárt lerajzolom, hogyan képzelem el.
Hello! Ha nálad a "sima tranzisztor"-ba a FET is benne van, akkor használj azt. De logikai Fet illik az AVR-hez, pld. IRLR024N. üdv!
Így képzeltem el, de rájöttem balhé van, mert a motort úgy néz ki virtuális testel használja. Pontosabban fogalmam sincs hogy a motor egyik vége testre van e kötve vagy sem...
De azt se tudom, AVR alapú e?
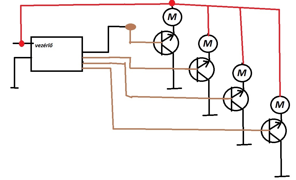
Így néz ki amúgy az alaplap, minden egybe van integrálva, azt se tudom melyek a motorvezérlők.
(4 motort vezérel) Kétoldalas nyák, szétszedem s lefotózom a hátlapját is, Jó lenne, ha kiderülne, mégis közös a motorok testpontja. (Ja és ez nem a példa szerinti áramkör, ez 3.7 Voltot kap összesen s gondolom a motoroknak kb. 3 voltot adhat kevesebb árammal, de ha úgyis tranzisztoros (bocsánat, FET.es) erősítés lesz akkor ez nem számít. Ráadásul ha megy, akkor mindkettőt erősíteném. ) Max. itt 3.7 Volt helyett 7.4 Voltal dobom meg. Felmerül még, hogy eleve 7.4 Voltos motorokra méretezem, s akkor a 3.7 Volt a vezérlőt hajtja meg, a 7.4 Volt pedig a motorokat, az első rajz esetében pedig kimaradhat a plusz 3.7 Voltos akku.
Balhé van. Nem tudom leszedni a nyákot.
Így csak korlátozott mértékben látok be alá:
Baloldalt középtájon és a bal felső sarokban is van egy S4 jelű alkatrész, ami dióda. Nagy valószínűséggel 1SS389. A jelölt vége negativ. Innentől már csak ki kellene "csengetni" valamelyik madzagot és megvan a negativ.
Igen látom, s a másik oldalt lent is S4 jelű van, kettő közvetlenül egymás mellett, csak azon nem jól látszik a felirat. És akkor számíthatok rá, hogy a negatív oldal össze van kötve?
Vagy ez nem biztos? Az S betű mellett van két horony. Ez lenne akkor a negatív oldal? Proli007 által mutatott FET hatására nagyon beindultam. IRLR 024 NPBF N-MOSFET LOGL 55V 17A 45W Ezekszerint bármekkora motort rátehetek, 55 Voltig 45 Wattig, csak az akku szab határt? (Ami növelhető) Szóval az ábra ez lenne, s csak a munkapont ellenállás a kérdés? A hozzászólás módosítva: Jan 22, 2014
Hello! Ez így szerintem nem fog menni. Mert én nem tudom ez micsoda, Te meg nem tudod mit csinálsz. Ha a motor sebessége változó, akkor PWM a vezérlés. Ha a forgásiránya is változik, akkor H-híd a meghajtó. A kettő együttes kiváltása és annak teljesítmény emelése már nem az az "Gyere buci hamm bekaplak!" egytranyós vezérlés.. üdv!
Szia,
tegnap óta azon is gondolkodtam, hogy mi lenne, ha inverz módon közelítenénk meg a dolgot. Ha egy megaohmos nagyságrendű ellenállással alapban rövidzárat generálok a két kapocs között és amikor fogyasztó érkezik a szakaszra akkor az nyilván a kiloohmos tartományba esik (a legrosszabb esetben is), és ebben az esetben a kapcsolás "kiesik" az áramkörből, erre pedig jelzés megy, hogy megtörtént a foglaltság. Erről mit gondolsz? Érdekes ez a kettős Darlington kapcsolásod a komplementer párokkal! Ha az optocsatoló elé teszek egy diódát ellenirányban és a kapcsolt oldalon meg egy kondit, hogy fenntartsa a jelzést, az ellen polaritáskor? Szerinted ez megoldásként? Elég jelentős mennyiségű TLP 521-4 és 4N35 optom van itthon, így fel tudnám használni erre, beszerzés nélkül. A hozzászólás módosítva: Jan 22, 2014
A forgásirány állandó, csak a sebesség változik nulla és maximum között. tehát együtt nem kell kiváltani az biztos. Az lehetettlen, hogy csak sima feszültség érték lenne szabályozva? De ha nem, hanem tényleg PWM, akkor a PWM vezérlést a FET nem képes követni magasabb feszültség értékkel magasabb áramfelvétellel?
Én azt hinném, hogy ezt az alsó diagrammot egy FET képes követni, csak a csúcsérték a megadott érték lesz, ami -szerintem- már jó lenne. Tévednék?
Hello!
- Mivel fogalmam sincs mit csinálsz és az miből áll, inkább nem foglalok állást ebben a kérdésben. - Nem az optocsatoló elé kell dióda, hanem a másik optodióda helyett egy piros Led. (Az ugye párhuzamos.) Aztán a "kiesett impulzusokat" ki lehet javítani a tranyós felén egy kondi kisütögetésével. Csak utána illik Schmitt triggeres fokozatot, vagy újraindítható monostabilt használni. üdv!
"Az lehetettlen, hogy csak sima feszültség érték lenne szabályozva?" Igen, mert akkor füstölne dolog. A Fet meghajtásához viszont ismerni kell a PWM frekit, és a két áramkör közé Fet-meghajtót kell tervezni. Vagy is mindent ki kell deríteni, mi van most. Hova van kapcsolva a motor, milyen jelet kap. E nélkül ez csak vak ötletelgetés.
Tulajdonképpen a PWM vezérlő áramkör az egy kitöltési tényezőt vezérlő áramkör? És ugyanolyan időközönként indul a jel, csak az a kérdés, meddig tart?
(És FET meghajtó tervezése esetében az, hogy milyen időközönként indul a jel?) A hozzászólás módosítva: Jan 22, 2014
Kb. így van, a jel és szünet arány változik, mint ahogy a neve is mutatja. (Néz utána, vagy nézd meg a diagramot amit betettél.) "Milyen időközönként indul a jel.." Az maga a PWM fekvenciája.
Elméletben ismerem ezeket. Akkor van gond mikor pl. munkapont ellenállást kell meghatározni. Meg pl. mi az a FET vezérlő? Rákerestem de nem nagyon találtam... (A diagram nem ennek a diagramja, csak illusztráltam a példámhoz)
Szia! De amugy az allat nem valami jó? ugye??..mert èn csak 4_6/darabbol szoktam!!!
Ez nem analóg szabályozás, hogy munkapontok lenének. Avagy van, csak éppen kapcsolóüzemben C osztályban.
A PWM a Fet-et ki-be kapcsolgatja. A gyors kapcsolás érdekében a Fet kapacitásait minél nagyobb sebességgel kell tölteni-kisütni. ehhez használnak Fet meghajtókat (driver-eket). Annak a szintillesztést is meg kell oldania a jelenlegi áramköröd és a Fet között..
Viszont a motorra párhuzamosan kapcsolt feszültségmérő változó feszültséget s a sorbakapcsolt árammérő változó áramot mért egyenáramú módban. Ez PWMnél is így van?
A műszer az átlagfeszültséget/átlagáramot méri. Az "nem látja" a PWM-et, mert integrál.
Most szomorú vagyok. Ellopták a vacsorámat.
Arra kérlek adj valami linket a FET meghajtókról, ahol olvasgathatok róla.
Mert ezekszerint jó eséllyel ez lesz a megoldás.
Végül is egyetlen tranzisztorral megépítheted. Persze ebben sok kompromisszum van, gyakorlati haszna alig-alig.
Négyből már egész jót lehet kihozni. Válassz ezek közül egy szimpatikusat!
Hát ez meg mi a nyu?
Bővebben: Link Hibás link javítva. Használd a link gombot! -moderátor- A hozzászólás módosítva: Jan 23, 2014
|
Bejelentkezés
Hirdetés |



















