Fórum témák
» Több friss téma |
Fórum » Csöves erősítő készítése
Ne feledd betartani a fórum viselkedési szabályait, és a topik megmaradásának feltételeit. [link]
A téma átmenetileg fagyasztva lett, hozzászólni nem tudsz!
Nézd csak CIROKL nem csak én akarom meg építeni ezt a csöves erősítőt ECL82 fórumtársunk is meg akarta építeni. ITT
Oké nekem úgy is jó lesz ha ki kapcsolható lesz a hangszín!.
Csabi!
CIROKL is ezt írta.... Idézet: „illetve az egész kapcsolást csak a hangszínszabályozó után indítanám” Beleérzek, hogy beleélted magad, de én is azt írtam, csináld meg a végét, ha nagyon jó, akkor ragaszd elejére a többit, de ha nem, csak rosszabb lesz! Csodák itt sincsenek.
Nézd csak mit irt a kolléga anno a hangszinről !
Special én lebeszélnélek erről az elvetemült hangszinről de te tudod , ha én építeném én egészen biztos nem tenném , esetleg egy külön részként építeném és ha esetleg netán elnyerné a tetszésem akkor a dobozolásnál figyelembe venném . A hozzászólás módosítva: Jan 26, 2014
Értem! Meg próbálkozom vele, meg lássuk milyen rajzot tesz fel CIROKL, és ha ó azt mondja hogy ez így jó akkor azt építem meg, és jöhet az elejére a hangszín is!
Hát igen el olvastam azt mondta elég gyatra,és miért nem lepke karakterisztikájú, na de majd meg lásuk, hogy is szuperál majd.
Tudod még mit érdemes beszerezni, használni? Egy megfelelő teljesítményű leválasztó trafót a mérés, beállítás idején erről használni.
Ezek a csövesek nem viccelnek, ha rázni kell. Amit nekem is tanácsoltak, egyik kéz (bal) a hát mögé, mint az iskolában, másikban a műszer tapogató, ha méricskélni kell. Táp elkókat kisütni, ill. kisütő ellenállást beépíteni. Ha a tápban csinálunk véletlenül egy rövidzárat, az biztosan figyelem felhívó lesz. Ha látványerősítőről van szó, vigyázni a meleg csövekkel, valamint nyilván nem hagyjuk felügyelet nélkül, ha illetéktelen (pl. kisgyerek) van a közelben. Van, aki mindkét ágát biztosítja a tápegység primer oldalának. Biztosan van még jópár dolog, majd menet közben alakul... A hozzászólás módosítva: Jan 26, 2014
Nekem van egy 1KW os leválasztó trafóm..
Ezen keresztül csinálok mindent..
Leválasztó trafó?., na az meg minek kell és hová kell kötni, erről még nem hallottam, nem magyaráznád el, mi ennek a lényege?. Jóval nehezebb meg építeni egy csöves erősítőt mint egy tranzisztorosat, most már kezdem észre venni!.
Életvédelmi szerepe van, mert függetleníti a hálózattól a berendezést.
Ez egy olyan 1:1 (majdnem) illesztésű teljesítmény transzformátor, ami a hálózati 230V~ ból ugyanezt a feszültséget adja, de nincs fázis-nulla, tehát egy ágát érintve az ilyen feszültségforrásnak, nem fog áram folyni, nem ráz meg. Erről kell a berendezésedet próbálgatni, méricskélni...
De hát már a tápegység eleve egy hálózati trafóról működik, így sem rázhat meg elvileg nem?.
Jobb félni, mint megijedni..
Ez így van ahogy mondod!
. Közben meg leltem MAGYARUL ennek a kapcsolásnak a teljes dokumentációját, és még nem is tudtam róla!, én meg itt kínlódtam hogy Román Nyelvről fordítsam le Magyar Nyelvre!. Egy régi cédémen leltem meg, meg van az egész RT könyv digitálisan szerencsére!.
Ezzel ugye nem zenét szeretnél hallgatni?
![]() ))
Én mondjuk a GU50 el csinálok véget, nem EL34-el.. de a kapcsolási rajz az jó, de a hangszín szabályozót nem raknám bele .
De azt!, zenét!, miért mi a gond vele?.
Idézet: „Nekem van egy 1KW os leválasztó trafóm.. Ezen keresztül csinálok mindent..” Nem is érhet úgy baj, hacsak... véletlenül a "kihasználatlan" kezeddel bele nem kapaszkodsz a kütyü fémdobozába/fémsasszijába. A leválasztó trafó "biztonságában" is jobb félni, mint megijedni.
Olvastad, mire ajánlja a szerző? Kisjelű átvitel 12kHz-ig, 10W felett sacc/kb. 7-8Khz-ig... bazi nagy kimenőtrafóból ilyen basszusátvitel mellett betyár nehéz többet kiszenvedni
És még az is messze lenne a hifitől. A hozzászólás módosítva: Jan 26, 2014
Közben keresgéltem egy kicsit az interneten egy késleltető után, ami majd az Anód feszültséget fogja majd késleltetni, hogy a csövek előbb melegedjenek be, és csak aztán kapják meg az Anód feszültséget, így nagyobb lesz az élettartalma a vég csöveknek a rajz leírásában.
A trafóim azok elég nagyok ettől nem kell félni, a frekvencia átvitel a kimenő trafótól is erősen függ, vasmag ,a lemezek minősége, a tekercsek jó el helyezése jó el szigetelése, és a menetek szép egymás mellé tekercselése!, ahogy hallatom.
Én NE555-el csináltam, de ez is ugyanolyan jó.
Idézet: „Nézd csak CIROKL nem csak én akarom meg építeni ezt a csöves erősítőt ECL82 fórumtársunk is meg akarta építeni. ITT” Vagy 5 éve
Idézet: „Hey, Én elkezdtem, a fentebb belinkelt német oldalon megtalálható 4GU50-et járató erősítő építését, gitármotyó lesz belőle. A kimenőt fletával tekertettem, sm102b magra, magom volt itthon, igy 6000.- volt a tekerés. Táp 12 000, 320W os toroid magra. A hozzá való táp egy kis áttervezésre szorul szerintem, legalábbis én félvezetős fesz-stabolás/fojtózás híve vagyok inkább. Illetve, ha konkrétan ezt építed meg, akkor válogatott quartett ajánlott, egybe állítod az előfeszt. Amúgy szerintem egy egész ötletes kapcsolás.” Csőtemető. Alkatrészpocsékolás. Agyalás, papíron jól néz ki. A beszerzett anyagokkal trafókkal sokkal egyszerűbb kapcsolással is célt lehet érni. Pláne hogy már oldalak óta gitárerősítők vannak túlsúlyban. A hozzászólás módosítva: Jan 27, 2014
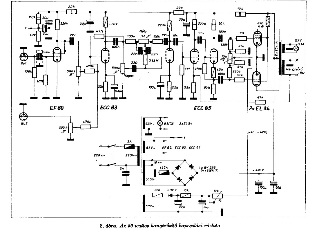
Sziasztok! Észre vetem egy kis különbséget a MAGYAR és A Román rajz között amit fel tetem ide tegnap, miért különböznek a rajzok, és mi a változás eredménye a két rajz között?.
Üdv Csaba
A baloldali tiszta rajz a nyerő , a jobb oldali elrajzolás , nyomdai szedő elnézte (éjszakai műszak ) ! Volt nálam javításra egy nagy Orosz szalagos magnó sztereónak mondott , de csak panelvágás után lett az . Minden ember tévedhet !!
Szia! Hát igen minden ember tévedhet!, de az is lehet hogy a Románok csak meg próbálták át tervezni egy kicsit a rajzot. Amúgy el sem tudjátok képzelni hogy itt Romániában hány Magyar rajz terjeng!, és azzal az állítással vannak hogy azt ők csinálták!. Szégyelljék magukat!. Itt most látszik egy példa!
A hozzászólás módosítva: Jan 27, 2014
Volna azért még egy kérdésem a rajzzal kapcsolatban!. A rajzon az EL34-es csöveknek a G2, G3-as lábakat össze kell kötni a a katóddal?, valahogy ezt szűrőm le a rajz alapján, vagy tévedek?.
És vajon hány olyan rajz terjeng itt, amit máshol csináltak és sajátként mutatják az emberek. Új dolgot kitalálni már nem nagyon lehet ugye...
Üdv Csaba
A csak a katód és a G3 van összekötve , a G2 megy az Anód feszültségre (420 Voltra ) 470 Ohm ellenálláson keresztül . Melyik volt előbb passz , sokan számolnak végfokot és lehet , hogy a végeredmény ugyan az lesz , legalább is a számolt érték közeli szabvány ellenállás , kondenzátor ,s t b . Üdv . |
Bejelentkezés
Hirdetés |


Ezen keresztül csinálok mindent..
Egy régi cédémen leltem meg, meg van az egész RT könyv digitálisan szerencsére!. 











