Fórum témák
» Több friss téma |
Olcsón, kevés alkatrésszel szeretnél pontos műszert építeni. Kvarcpontosságú, 50MHz -es műszerhez a kijelzőkön kívül egy tranzisztor, egy ic, egy quartz, 3-4 kondenzátor és néhány ellenállás kell. Kész kapcsolások, paneltervek, programok vannak ezrével: Bővebben: Link
Nem kell programozni, csak kiválasztani, letölteni, beprogramozni (ha kell egy fórumtárs biztosan felprogramozza), bemérni és használni. A kontroller ára a HeStore -ban 606 Ft bruttó... A nyák lapnak is van ára... TTL: Elemes tápláláshoz egyáltalán nem ajánlott (74S196 pl. önmagában 60 mA -t eszik, míg a 20MHz -el járatott 16F628A max. 3.5 mA -t. Inkább a 74HC vagy 74HCT családban kellene keresgélni. MC14583 adatlap azét még lenne...
Jó lenne a TTL is. Láttam már ezt a kapcsolást. A legnagyobb bajom a BF961, és az SAJ300 beszerezhetőségével van. De ha már itt tartunk... Nincs meg valakinek Rózsa Sándor - Digitális frekvenciamérők című könyve elektronikusan?
Tudom, hogy milyen sok olcsó, és pontos frekvencia mérő van mikrokontrollerel. Én is rákerestem ezekre. A mérőmet egyébként nem elemről táplálnám. Egy nagy, komplex, mindenre jó asztali műszer része lenne.
Vezérművet másként is megoldhatod, azért használtam SAJ300-at mert egyből 1 HZ-et adott,
egy üzemóra számlálóból lett kimentve. A könyv megtalálható itt csak regisztrálsz és letöltöd
Most látom, hogy ez a Digitális Rádióskálák. Nekem EZ kéne, ha megvan valahol.
Ezt még nem láttam digitális formában, ha megtalálnád küld el légy szíves nekem is.
Drhat és Gerenk. Elküldtem mindkettőtöknek.
Nagyon szépen köszönöm a könyvet, fr mérőt nem akarok építeni több PIC-est használok amit építettem és felprogramoztam.
Keresném még ezeket, ha tudsz segíteni megköszönöm. A hozzászólás módosítva: Jan 19, 2014
Építs egy PICkit2 -t. Watt féle SMD -re vagy a Furaszereltre gondolok, esetleg PICKit2.5 -öt. Tudom elsőre nagy lépésnek tűnik... De egy készülékben szert tehetnél a következőkre:
PIC programozó és nyomkövető, soros felületű EEProm programozó, 3 (4) csatornás logikai analizátor (ami nem árt a frekvenciamérő beméréséhez) TTL szintű USB - UART (kontrolleres egységekkel való kommunikációhoz), TTL kimenet - bemenet jelek vizsgálatához, soros felületű eszközöket vezérlő egység (SPI, I2C, Unio, 1-Wire), frekvenciamérő, 3 (4) csatornás digitális mintagenerátor, 3 (4) csatornás feszültség mérő, 2 csatornás alacsony frekvenciás digitális oszcilloszkóp, DDS jelgenerátor, karakteres LCD teszter, induktivitás és kapacitásmérő, dióda teszter, miliOhm mérő. Zárójelben a PICKit2.5 adatai. Mindez kb. 6 - 8000 Ft -ból. Egy valamire való (quartz órajeles, 4 digites) TTL frekvenciamérő költsége ennél lényegesen magasabb...
Nos, sok-sok keresgélés után most az érdekelne, hogy a csatolt rajzon összeollózott bementi jelillesztő és osztó áramkörről mi a véleményetek? Ez így jó lehet?
A 74390 pozitív élre számol, inkább az alábbi bemenetet ajánlom.
Pontosan milyen problémát okoz, ha mégis az én bemenetemmel használom? És ez a probléma hatással van-e a hobbi célú mérésekre?
A probléma csak annyi hogy a decimális osztó nem indul és az osztólánc kimenetén nem lesz jel.
Van egy másik kapcsolás, én ezt használom, ha ez jobban tetszik használd ezt, 50 MHz-ig biztos, stabil A hozzászólás módosítva: Jan 26, 2014
Értem. Akkor másik kérdésem, hogy ennek az osztónak a kimenete csatlakoztatható-e CMOS alapú mérőhöz? A bement érzékenysége a 470K-s ellenállással változtatható? Illetve, hogy ha a 230V-os hálózati feszültség frekvenciáját is szeretném megmérni, akkor elég egy feszültségosztó a bemeneten? Az általad linkelt kapcsolásnak mennyi a max bemenő feszültsége?
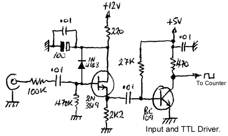
A másodikként csatolt kapcsolásodban a BF961 beszerezhetőségével vannak problémák. Van esetleg amivel helyettesíthető?
Annyira olcsó hogy már szinte ingyen adják 20-30 HUF és szinte minden hobbybolt kínálatában megtalálható.
A második kapcsolás igen érzékeny, 40-50 mV elég a bemeneten az osztólánc működtetéséhez. Látom kifutó tipus, használhatsz a BF96X sorozatból más MOSFET-et is. A hozzászólás módosítva: Jan 26, 2014
Remek!
Szóval... Akkor az általad linkelt kapcsolásoknál melyiken hogyan lehet érzékenységet állítani és melyiknek mekkora a max bementi feszültsége?
Mekkora nagyságú és milyen frekvenciájú jelet szeretnél mérni ? Négyszög, szinusz vagy impulzusjel ? A MOSFET kapuelektródái diódás védelemmel vannak ellátva, a kapcsolás bemenetére maximum 14 v p-p jelet kapcsolhatsz. Ennél nagyobb jel esetén ellenállás
osztó beépítése szükséges.
A jel nagyságát nem tudom, de jó lenne egy nagy szintű bemenet, amit akkor ellenállás osztóval meg tudok csinálni. A jel frekvenciája előreláthatólag 5MHz-nél nem lesz nagyobb. Négyszög és szinusz jelformát mindenképp kéne, hogy kezeljen, és azért az impulzus jel sem ártana. Köszönöm az eddigi válaszaidat!
Ez a kapcsolás hány voltról működik? Egy nyák rajzot tudnál e adni. Gondolom a nagyfrekvencia miatt érzéken az alkatrészek elhelyezésére. Vagy legalább egy fényképet. Köszi.
A bemenő fokozat és osztó 74196 IC miatt 5 V-ról működik. Legjobb osztónak 74S196
tipus 100 MHz-ig fogadja a bemenő jelet. LS tipus nem ajánlott.
Szívesen, a méretarányt nyomtatás után az IC lábtávolság mérésével tudod ellenőrizni,
ami 2,54 mm furatok között. |
Bejelentkezés
Hirdetés |












