Fórum témák
» Több friss téma |
Fórum » Ki mit épített?
Ez a téma ha úgy tetszik a mi "kiállítótermünk", nem pedig a ki mit csinált volna másképpen, mások helyett, és legfőképpen nem javítós téma.
Minden készüléknek van saját témája, ott kell kitárgyalni a részleteket!
FONTOS! A kapcsolási rajzok keresésére is van saját téma, ott keressetek rajzokat!
Esetleg kapcsolásirajzot is tennél fel? Érdekelne a müködése. (szerintem nem csak engem).
Elöre is köszönöm.
Rá kell forrasztani rézdrótot, és akkor menthető a panel. És hogy is működik ez most, sms el nyitod a kaput ?
Nem rossz, nem rossz!
Ha igzán szépet szeretnél, legközelebb - ahogy az előttem szólók is írták - valamivel vastagabb vezetősávokat használj, és forrasztás után a forrasztott oldalt mosd le denaturált szesszel, az leszedi a szétfrecsegett-szétfolyt gyanta-maradványokat. Akkor lesz csak igazán szép a kész panel! Amúgy a kapcsolási rajzot valóban szívesen vennénk, sőt, némi többlet-infó a vezérlés mikéntjéről szintén sokakat érdekelne, szerintem.
hy mindenkinek!
valaki nem tudná megmondani hogy hogyan lehetne ezt a kivez jelzőt érzékenyebbé tenni? hogy a magas hangokat is jól érzékelje? ha a 10µF-os csatolókondit kissebre cserélném változna valami?
Például a bemeneti poti felső és középső lábát hidald át egy kisértékű kondival.
akkor miért lessz érzékenyebb?
és a kondi mikrofarados nagyságrendű legyen? 1µF-os elég?
Hát... ezzel nem vagy egyedül.
Egyszer veszem rá magam, hogy feltegyek valamit, oszt akkor is le...ják
Készülő erősítőmről pár kép:
A végfokoknak külön modulokat készítettem, a RIAA korrektor az alaplapba forrasztva, az előfok a potikkal együtt külön panelen lesz.
Szép munka
:yes: Milyen technikával készült a nyák?
Nem tudom, mit combosodtok... szerintem ez a topic arról szól, hogy bárki megmutathatja, mit is épített. Pont.
Aztán ha tetszik-tetszik, ha nem-nem. Miért lenne kötelező rajonganom bárki cuccáért és véleményeznem? Miért kell kierőszakolni mások véleményét az épített cuccról? Ha meg beírom, hogy pl. nem tetszik, mert **** akkor jön a megsértődés. Könnyen lehet, hogy sokaknak nem nyerte el a tetszését az adott cucc kivitelezési foka és ahelyett, hogy lefikázná, bölcsen csendben van. Érdekes módon a szép, igényes munkákat mindig kommentálják... Szerintem....
P-20 lakkal fújtam. A porszemeknél
filctollal javítva.
Hú de profi. Csak a sok hosszu jelvezetéstöl nehogy gerjedjen.
levii: ahogy látom P20 levilágítás, maratás, kémiai ónozó.
:yes:
Csak 1 szó: Csodálatos!
Senki sem comboskodik, szimpla megjegyzés volt. Legalább gr89 nem érzi magát egyedül... engem meg nem igazán érdekel, mivel nem nektek építek, hanem magamnak... ez pedig eztán is így lesz.
Én nem comboskodni akarok, csak kiváncsi lennék mások véleményére is, hogy milyen lett. nem sértődöm meg azon sem ha valaki lefikázza.
Föltettem a kapcsi rajzot és a javított panelt a beültetési rajzon rajtavannak az alkatrész értékek.A müködéséröl röviden csak annyit a telefon 2 monostabilt indít és a 4013 as dönti el hogy nyisson vagy zárjon a monostabilok beállításátol függően 15-60 s-ra húznak meg a relék a két bemenet diódával közösül a telefonra viszont kézi kapcsolóval külön is indíthatok(a telefont csörgetni kell mert az nem kerül pénzbe
egyébként sms-t is lehetne küldeni mert a telefon rezgője indítja az áramkört)Az 5-ös 6-os relé gyakorlatilag nem kell mert én azokkal akarom majd nyittatni a garázs ajtót is.A téves hívásokat meg kilehet szűrni a telefon hívásszűrés opcióával mindenki ki van zárva a beprogramozott telefonszámokon kívül.
Köszönöm!
Az egészhez a képen látható doboz (2200Ft.) ihletett. Ez az első munkám P-20 lakkal. Nem volt olyan egyszerű összerakni. Először földhurok szerű zajt szüntettem meg (egy nap alatt). A földfóliát megerősítettem és kapott még két kondit. 7812 nagyon melegszik, ezért raktam rá egy testesebb bordát. Az eredeti kivezérlésmérőt és hangszóró átkapcsolót meghagytam. Most a bontott RIAA korrektor van benne, de ha lesz időm, lecserélem HFM1-re. Az előerősítő is mindenképpen tranzisztoros lesz.
Baromira teccik a cuccos
A trafó nem kicsi, mekkora?
Szép
Végfok melyik rajz alapján készült, mit tud?
Nem rossz! A táp akkor +-40V alatti ugye? (Mert a 7812 nem kaphat többet...) Vagy külön tekercse van?
Köszönöm!
A trafó (35VA) 2×17VDC feszt és 2×1,45A áramot szolgáltat. A képen nem látszik nagynak, de valójában elég testes darab pláne, hogy nyáktrafó.
Hali
Ha tényleg ez az ELSŐ munkád le vagyok nyűgözve ez az igényesség magas foka Gratula
Ha jól láttam, san398 reagált is rá.
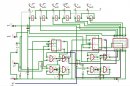
Egyébként nem rossz, bár mást én se nagyon tudnék mondani, mint hogy kábeldzsungel... Amúgy érdekes megoldások lehetnek benne! Nem lenne kedved publikálni?
Hmmm. Guszta!
Köszönöm!
Én is hasonló dolgot valósítottam meg a Telefonos relé cikkemben. Amúgy ötletes a logikai kapus megoldás, kimondottan tetszik!
Köszi a megjegyzést.
Tudom még sok a kábel, de még nem készült el teljesen, vannak még kisebb hibák amiket most javítgatok. Hát igen van benne néhány érdekes dolog, mint a 4028-as és 4066-os IC-kel csinált bemenet választás és ds1669-el a hangerő és hangszínszabályzás. A publikálás az meg egy más téma, mert a legtöbb dolog még csak fejben vagy papíron létezik. |
Bejelentkezés
Hirdetés |








:yes:
filctollal javítva.
egyébként sms-t is lehetne küldeni mert a telefon rezgője indítja az áramkört)Az 5-ös 6-os relé gyakorlatilag nem kell mert én azokkal akarom majd nyittatni a garázs ajtót is.A téves hívásokat meg kilehet szűrni a telefon hívásszűrés opcióával mindenki ki van zárva a beprogramozott telefonszámokon kívül. 



