Fórum témák
» Több friss téma |
A VD1 zener miért is kell ? Az előző kapcsolásban sincs szerintem.
Vonalvezetések a puffereknél nem túl jók. Néháyn wttnál még nem kell erre figyelni, de nagyobb teljsítménynél fontos. A táp nagyfrekvenciásan rágatja a primer puffert, emiatt nem mindegy, hol van a náykpálya induktivitása. MInden nyákpályát képzelj el úgy, mint egy induktivitás!
Van bizony VD1. A forrpontokat csökkents, az oké, hgoy í]y könyebb a náyk készítése, meg forrasztás, de figyelni kell az átütésekre. Sőt a trafónál gondolj bele, hogy nagyfrekvenciás elég nagy feszültség van. Forrasztás után marad ott egy kis. Aztán nem ártana standrd tokokat megnézni, lásd TL431, nem hiszem hogy TO92 vagy SOT23-on kívül más tokban használnád. A szekunderen ami van az RC snubber, így semmit nem ér. a feladata a szekunder feszütlésgen lévő berezgések csillapítása (pláne a dióda parazita kapacitása és lábinduktivitása miatt). Az szinte csak SMD-ben érne valamit. Apróságok: - Képet ne print-screeneljél le. Mentsd le a kpet, és oszd be. - A sprint layoutban van export kép funkció, használd azt! - Használjuka rétegeket arra amik. A nyák kivágás az a 0 (fehér réteg). A tisztázást a silkcsreenre (S1 vagy S2) rétegre rakjuk. - Hazsnálj normális makrókat, olyat, amit az adatlap is előír ajánlott padra, satöbbi. Induktivitásnak legyen akkora makrója, amekkora, magadnak csinálsz ezzel jót. Nem beültetés után kell levegőben ákombákolni.
Köszönöm szépen a kedvességed, megpróbálom értelmezni, és az szerint alakítani rajta. Egy részét értem, a leírtaknak. Lennének még kérdéseim, de elöszőr dolgozozgatok rajta. Köszi.
Igazából két kapcsolási rajzból táplálkozom. Amit most feltettem annál nem diódáznak.
Mit nézzek? Lényegében amit mondtam, azok közül semmit nem javítottál!
Ezt se csináltad meg, pedig mondtam. A konkrét "nyák-forma" a méretektől is függ. Rövidítheted a fóliát, ha pl. lefordítod az ellenállást.
A kondi 100 voltos legyen, az ellenállás pedig 1210, 1218, 2010, 2512 típusú ( fél...1 wattosak )... amit kapsz.. A hozzászólás módosítva: Feb 7, 2014
Szerintem egy harmadikból kellene. Sosem értettem hogy minek egy 1000Ft-os cél IC-vel szenvedni, amikor ettől jobbat lehet csinálni egy 80Ft-os IC-vel (ami ráadásul árammódú is) meg egy 200Ft-os fettel. Mellesleg nem az IC-hez kell alkalmazkodni, mert azt olyan frekin járatod amilyenen akarod.
Ezt nem azért mondom mert az összes megoldás közül azokat találtam a legjobbnak (és a gyártók is szinte kizárólag azt alkalmazzák), hanem csak úgy.
Ez az energiaminimumra való törekvés elve
, így lehet gyorsan az adott célhoz jutni ( az EXPERT program mindent kiszámol, lerajzol, az FPS Assistant ehhez képest fapados), ezért az emberek nem a legolcsóbb vagy legjobb, hanem a legegyszerűbb megoldást választják. A cégek azok mások, ott költséghatékonyság van.
Ezt én is mondtam neki, csakis így ér valamit az RC snubber! Mivel CCM flybackről van szó, ezért a snubber erősen ajánlott.
Ki is lehet számolni (vagy legalábbis megbecsülni) az RC snubberek (vagyis az ellenállás) disszipációját: P=f*Csnubber*V2 Ez az egyenlet azt feltételezi, hogy a feszültség formája ideális négysög, és a snubber pedig ideális RC elem, vagyis felüláteresztő szűrő. Természetesen ezek közül egyik sem igaz, ugyanis pont a dióda kapcitása, lábinduktivtiása, meg a trafó szórt induktvitiása és a CCM mód miatt jó kis tullövések és berezgések lesznek a négyszögön. Valamint az RC snuber pont a nyákpáláyk induktivitása miatt RLC snubber lesz. A nyákpályák induktivtiása inchenként kb 10nH, centinként 4nH. Ezek alapján könnyű belátni, hogy amit Koncsar berakott eredetileg, az kb 15nH induktivitás, míg ez SMD elemekkel jó 4nH-re csökkenthető. Visszatérve az egyenletre jó látható, hogy az ellenállás disszipáció a kondi értékével nő. Gondolná az ember, akkor spórolok és kis kondit rakok be. De nem, ha FETet snubberelünk, akkor van egy ökölszabály a kondi minimális mértékére, mégpedig a FET Coss-ja. Itt most diódát snubberelünk, így megkéne nézni a dióda parazita kapacitását. Egy MBR1060 dióda kapacitása 0,1-1,0V között 800-1000pF, ami mondjuk 20V-nál 200pF-ra csökken. Én így jó 1nF snubber kapacitás számolnék, ami mondjuk nem nagy. Használható például X7R anyagból 100V-os, ami a lomexben kapahtó 2Ft-ért 0805 méretben A snubber mérete persze hangolható, lehet 470pF is elég, és akkor pl 3ft-ért van NP0 100V-os, megint 0805 méretben a lomexben. A snubber megfelelő értéke azonban csak terhelve és szkópolás után fog kiderülni! Ja még egy dolog, a snubber ellenállás közel a terhelő impedanciával megfelelő értékű legyen. Ez többnyire Koncsarnak szól, bocs ferci, te ezeket gondolom úgyis tudod A hozzászólás módosítva: Feb 7, 2014
"Étem é hogy villanymotó, de mi hajcsa?" Amiről beszélek az sem bonyolultabb ennél, néhány alkatrész csak pluszban. Viszont olcsóbb, és jobb. De elnézést kérek ha véletlenül jót akartam.
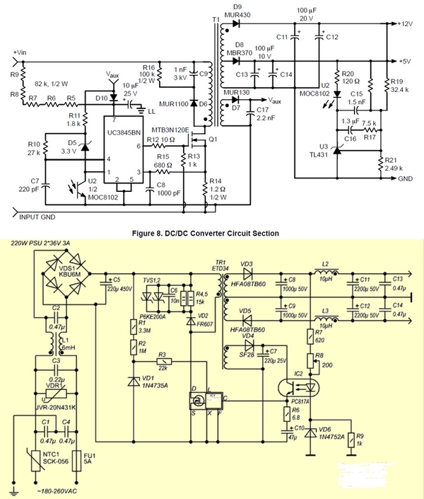
Mutatnál egy konkrét kapcsolást 2x 30-50V / 2-300W-ra UC384x -el?
A hozzászólás módosítva: Feb 7, 2014
A flyback nem igazán 2-300 wattra való... a szakirodalom szerint sem.
Maszekban kétszeresre méretezem a Pd-t...
és a 0805 eléggé picike "kézileg"...
Erre a feladatra és teljesítményre senki nem épít záróüzemű kapcsolást, nem véletlenül. Vagy félhíddal kell megoldani vagy 1 tranyós nyitóüzemben, amire (utóbbira) ugyanúgy alkalmas az UC38xx egy 200Ft-os fettel. Rajzokkal pedig tele van a világháló, rengeteg ajánlás van, adatlapok, stb., had ne én keresgéljek.
Az UC záróüzemre szinte mindenben fellelhető, monitor táp, akkutöltő, LED driver, telefon töltő, stb. A nyitóüzemű elrendezés meg ott van az 1T forward PC tápokban és a 2T forward hegesztő inverterek zömében. Remélem nem azt várod hogy visszarajzoljam valamelyiket.
Nagyon ritkán jó, például ha kell több egyszerre szabályzott kimenet. Mondjuk kell neked 5V, 12V 24V egyszerre, mind legyen szabályzott 0A terheléstől.
Mert a forward és a PWM félhíd is csak egyet tud egyszerűen. Jó vannak trükkök, de akkor 0A terhelésnél elszállhat, meg satöbbi. Az LLC konverter is tud ötbet egyszerre szabályozni, de ennek igazából ez alsó határ. Plána ha az átlagos felvett teljesítmény 100W alatt van. Egy végfoknak pl (tutira arara kell neki) ilyen nem kell. Szóval egy egyszerű önrezgő vagy rezonáns vagy akármilyen félhíd jó.
Nem a kapcsolás bonyolultságára gondoltam, hanem a megépítés bonyolultságára. Itt szinte senki nem akar tápot "tervezni", csak "építeni", ezért hiába írja bárki, hogy "számoljunk körintegrál fluxust és elektronáramlást a P-N átmeneten"
. Ezért kész megépítési leírások kellenének azoktól akik már építettek ilyet, ha ilyened van mindenki megveszi azt az alkatrészt ami oda van írva vagy ha drága nem építi meg.
Mégis mennyivel bonyolultabb megépíteni egyiket vagy másikat? A csatolt (felső) rajz esetében ráadásul semmit sem kell "tervezni". A rajzot az AN1327 app note-ból (pdf) csíptem ki ami teljes építési leírás, kapcsolási rajzzal, beültetéssel, képpel a kész nyákról, részletesen a trafó elkészítésének módjáról, számolások, magyarázatok oldalakon keresztül. Persze angolul, de legalább van.
Nem tudom hogy mire lenne még szükség ezen felül? ![]() Azon is érdemes elgondolkodni hogy ha valami nem található meg a topikban (mert mondjuk pont olyat itt még soha senki nem csinált), az lehet hogy nem véletlenül van úgy. A hozzászólás módosítva: Feb 7, 2014
Annyit én is hozzátennék a " kiosztáshoz", hogy márpedig konyhakész kapcsolás itt nincs.
Ebből fakadóan CSAK receptet, utalást, véleményt lehet adni bárkinek. Miért mondom? Azééé, mert még én se tekerek két egyforma flyback trafót! Kíváncsiságból vagy véletlenül láttam pár oldalon gyáriakat, nade azok megálltak 90 watt körül.. Persze ha valakinek van linkje 200-300 wattra és el is érhető, az nem rossz. Tehát... adhatunk akármilyen kapcsolási rajzot is, az nem jelenti azt, hogy bárki utánépítheti az előzőek szerint... Az is igaz, hogy a net és a fórum, az adatlapok tele vannak "kész" kapcsolásokkal, viszont a lényeget általában nem közlik, vagy egészen más célra jók..- az pedig már BUKTA, ha valaki nem akar tervezni. Még egy apróság: számtalan gyári készüléken olvasható, hogy csak szakképzett személy BONTHATJA fel, pedig csak egy totál elszigetelt kis hálózati trafócska van belül. Ehhez képest itt, a fórumon tényleg életveszélyes alkotások mennek.. Akkor miről is beszélünk? Úgy érzem, nagyon le van fogva a kezünk... A hozzászólás módosítva: Feb 7, 2014
Idézet: „Persze ha valakinek van linkje 200-300 wattra és el is érhető, az nem rossz.” Csak, hogy hozzátegyek valami konstruktívat. A lomexban kapható kis olcsó kínálaton kívül a Myrra trafók kaphatók még sok helyen, amelyek közül az ETD44 magú a legnagyobb, és azt 180W-ig ajánlják. Ennél persze többet is ki lehet hozni belőlük, pláne ha nem kell 90-260VAC bemenet, elég egy 220-240VAC, megfelelő áttétre tervez az ember, és mondjuk kvázirezonáns módban használja őket.
Oké... köszi.. én csak a neten láttam "Myrra-katalógust", abban ez már nem szerepelt vagy éppen nem az adott "bemenet fajták" között néztem, de nem is az az érdekes..
A lényeg az, hogy ahogy írod:"megfelelő áttétre TERVEZ".... - erről írtam nemrég.. ![]() De ott már az eredeti légrés se optimális, kicsit minden más.. Visszakanyarodhatunk az iránymutatáshoz...
Ez az... ha valakinek kellene...
ETD44, 180 W
Azért hogy ne érje szó a ház elejét linkelek egy ilyen 1 tranyós nyitóüzemű PC táp rajzot. A felső részen látszik a lényeg, az alsó fele csak segédtáp meg kiegészítés. A fesszabályozást kétféle módon szokták megoldani, az optó vagy a Comp lábat huzigálja földre, vagy a Vref-et a Vfb-re. Nyilván egy végfokhoz nem kell szabályozás, tehát egyszerűsödik az áramkör. A sönttel meg beállítható egy határáram, ahonnan átmegy áramgenerátoros módba.
Nekem van egy hasonló félig szétbontva, az egy ETD42-vel tud 400W körül. Bővebben: Link
A kapcsoláson az is látszik, hogy mennyivel tutibb és egyszerűbb egy egyszerű önrzegő kvázirezonáns flyback
Kb 1 MOSFET és 1 BJT.És persze az is tutira látszi, hogyan oldják meg több kimenet egyszerre szabályzását. Ennek a szabályzásnak egy feltétele van: az L1 tekercs árama CCM kell, hogy legyen.
Látod, ez a nagy különbség, te linkelsz egy hasonlót (amit csak néhány helyen kell átalakítani
, trafó adatok nélkül), a program meg kiad egy olyat amit beütök neki (és meg tudja valósítani), rajzostul, alkatrészlistával, trafó paraméterekkel (csak drágább IC-vel). Ennek ellenére én sem javaslom erősítőhöz, csak kesergek, hogy máshoz miért nem csinálnak ilyet.
Ezek szerint nem olvasod el amit írok.
Azért nem csinálnak semmibe sem ilyet mert 4x-5x annyiba kerül mint amiről beszélek (nem csak a nagy gyártóknak, nekünk is), és közel sem olyan megbízható, strapabíró.Csak a rajzot vágtam ki egy app note-ból amiben minden szükséges információ ott van, tizen oldalon keresztül, magyarázó szöveggel, ábrákkal (ilyen még itt a topikban sincs sehol, és nem is helyettesítheti egy webes gyors számoló azt a több mint tíz oldalnyi infót, főleg azok számára nem, akik keveset értenek hozzá). Kiszámolja ugyan vele, csak azt sem tudja hogy mit számolt ki meg hogy miért. Számoló egyébként minden elrendezéshez található, trafó adatokkal stb., tehát ez nem a TOPswitch egyedüli kiváltsága. Amit linkeltem valóban sok helyen át kell alakítani, 2 szekunder kell a rajzon lévő 1 helyett és ennyi. De akkor már azt is elárulom hogy létezik pontosan olyan rajz amit keresel, talán már ide is be lett linkelve, csak az már ránézésre is (és mások véleménye alapján is) füstgép, többek között ezért sem bajlódtam a keresgélésével. Mert ugye akkor meg az lenne a probléma, hogy miért ment tönkre mindjárt az első bekapcsoláskor.
Én elolvastam amit írtál, a mellékelt AN-t is, de nem vagyok benne biztos, hogy ez alapján 10 emberből akár kettő is nekiállna megtervezni a tápját. Az árkülönbség adott, egy ilyen TOP akár 2000Ft is lehet, egy UC+FET akár 200Ft-ból is kijöhet, de szerinted hányan számolják át ezért a 10x különbségért azt a 10 oldalt
( a gyártók az más, ők legyártanak x millió darabot, persze, hogy nem mindegy mennyiért). Nekem tetszik lorylaci exceles számolótáblája a rezonáns táphoz, vagy a Fairchild FPS Design Assistant, de el kell ismerni az Expert "látványosabb", még ha mindhárom mögött a táblázat ugyan olyan pontos is. Mondjuk arra is kíváncsi lennék, hogy lorylaci viszonylag egyszerű táblázata alapján, hányan vágtak bele saját táp tervezésébe/építésébe.
Teljesen igazadvan. Segítettél a 12V 16W os táp megépítésében, amihez a Lomexben volt kész trafó meg TNY278, azóta privátban kérik tőlem a NYÁKtervet hozzá, meg a kiegészítő infókat amikkel szolgáltál nekem. Ezért is hálával tartozom, nem beszélve a TOP IC re tervezett kapcsolásodért is, ami úgyszintén elsőre indult.
Idézet: „számtalan gyári készüléken olvasható, hogy csak szakképzett személy BONTHATJA fel, pedig csak egy totál elszigetelt kis hálózati trafócska van belül. Ehhez képest itt, a fórumon tényleg életveszélyes alkotások mennek..” A hobbi nem arról szól, hogy szabvány szerint ha nem vagy villamos mérnök akkor elektronikával nem is foglalkozhatsz. Ha engem szétéget a 300 V DC nem hiszem, hogy idejönnek nyomozni, hogy ki a felelős. Ki tett fel olyan kapcsolást ami életveszélyes. Mert ezek után be lehetne fagyasztani a tápos topikot örökre. A hozzászólás módosítva: Feb 8, 2014
|
Bejelentkezés
Hirdetés |







, így lehet gyorsan az adott célhoz jutni ( az EXPERT program mindent kiszámol, lerajzol, az FPS Assistant ehhez képest fapados), ezért az emberek nem a legolcsóbb vagy legjobb, hanem a legegyszerűbb megoldást választják. A cégek azok mások, ott költséghatékonyság van. 

Azért nem csinálnak semmibe sem ilyet mert 4x-5x annyiba kerül mint amiről beszélek (nem csak a nagy gyártóknak, nekünk is), és közel sem olyan megbízható, strapabíró.




