Fórum témák
» Több friss téma |
Fórum » Lakásriasztó
Szia!
Az ATZ- tudom zónánként ki-be kapcsolni? Még nincs semilyen ma akarom megrendelni az egész riasztórendszert. A füstérzékelőt relé nélkül gondoltam 2 vezetékkel bekötve a középső ábra szerint. A tápelvételt a központ megolja? Az 1-es zóna füstzóna az Sp7000-en.
Az ATZ nem zónánként, hanem globálisan kapcsolható ki vagy be. A lényege az, hogy két szál vezetéken meg tudsz különböztetni két érzékelő jelet. Továbbá a tamper funkció bekapcsolásával még az érzékelők megbontását is detektálni tudod a rendszer kikapcsolt állapotában is (ugyanezen a vezetéken). A 2 VAGY 4 vezetékes bekötést is választhatod.
A tápelvételt a központ PGM kimenete biztosítja a rajz szerint. Programban állítható be a funkció. Bármelyik zóna beállítható füstzónának (24 órás tűzjelzés ekkor a zóna típusa). Miért a legnagyobb SP7000-es központot választottad? Sok lesz az érzékelőd?
8 db dg75 paradox mozgásérzékelő
3 db nyitásérzékelő 6 db DSC 601P füstérzékelő led +lcd kezelő 4db ABI10-764 kültéri infrasorompó AL_PS128 sziréna Bentel_wave beltéri sziréna Mekkora a melysége az SP7000-es doboznak? 11"X11"X? A beltéri vezetékek mennyire bírják ha kültéren is vannak? Köszönöm! A hozzászólás módosítva: Feb 9, 2014
Üdv! Adott egy Paradox riasztó rendszer. Két nyitásérzékelőt minden további nélkül köthetek sorba egymással? Gondolok itt pl. ellenállás bekötésére. Az egyik helyen a kezelőhöz van kötve a reed-relé.
Csak pár kérdés még. A kondi nem fordítva van bekötve? A kezelő rajzát is el tudod küldeni? Összedugtam próbapanelon, de nekem ahogy feltölt a kondi megszólal a sziréna.
Üdv! Valóban, természetesen a poz. táp felől kell lennie a kondi pozitív lábának. Milyen szirénával próbáltad? A rajz akkumulátoroshoz van, ami tápelvételre indul. Pl. tölcséres szirénával pont fordítva működik. Ha ilyened van, a relé záró kontaktusára kell kötnöd.
A hozzászólás módosítva: Feb 9, 2014
Ohh, tényleg. Én egy sima piezós szirénán próbáltam ki. Így a kulcsos kapcsolót még sorba kötve működik rendesen.
Sziasztok!
Azt meglehet csinálni hogy egy 2x0.75+12x0.22 kábelba belerakom az infrákat meg a tűzjelzőket? Persze csak egy csomópontig vinném így. A kábel árnyékolását a fémdobozhoz kell kötni vagy az "Aux-" -hoz?
Ennyi érzékelőnél két lehetőséged van:
1: A füstérzékelőkön kívül minden érzékelő külön bekötve (1kohm zóna+1kohm tamper) 2: Az érzékelőkön felül a füstérzékelők is külön zónákra kötve. (1 és 2kohm zóna+1kohm t.) A második megoldás esetében minden füstérzékelő jelzése külön látszik a kezelőn. Mivel a jelzés utáni hibatörlésük tápelvétellel történik, ezért célszerű az egyfelé lévőket egy kábelen vinni. Ekkor egy 6x0,22mm2 kábelen kivihető a tápfesz és az ATZ segítségével megkülönböztethető 4db füstérzékelő egymástól. A másik kérdésedre is válaszolva. Egy kábelen elvihetőek különböző érzékelők. Az érzékelők fogyasztását vedd figyelembe! Különösen igaz ez a kültéri infra-sorompókra. Kültéri szirénának külön kábelt ajánlott húzni. A kültéri infra-sorompók és kültéri sziréna kábele legalább 2x0,5+4x0,22mm2 legyen! A megerősített két ér a tápfeszültségé. A kábelek árnyékolásait a központnál kösd össze egymással, a panel föld pontjával és a dobozzal. Ajánlottan ezek egy pontban találkozzanak! Ide érkezzen a betáplálás földelővezetéke. Amennyiben valamelyik elmenő kábel a terepen másik kábel(ek)ben folytatódik, akkor az árnyékolásokat egymással össze kell kötni. A kábel végén az érzékelőkben ne legyen lekötve sehova, hanem kapjon a kábel vége szépen például zsugorcsövet hogy ne kandikáljon ki az árnyékolás. A riasztókábelek nem igazán kedvelik a külteret. Az elhelyezés módjától függően rakd: -Gégecsőbe (ez a legkevésbé tartósabb) -Lépésálló gégecsőbe (diflex cső, ez már megfelelőbb) -Symolen csőbe (narancssárga épületgépészeti cső. Aljzatbetonba, földbe is tökéletes)
Szia.
Alapvetően bármilyen kicsi 12V DC relé megfelel. A PGM kimenet 50mA-el terhelhető maximum. Ez a legtöbb panelba forraszthatónál bőven elegendő. 12V DC Finder Relé Relé adatlap A fenti adatlap 7. Oldalán látható az áramfelvétel. Megfelelő.
Köszönöm Johnycorp.
Hello! Van egy BIGtec Big112 adapterem, /soros egér is működik róla/ kamiont szoktam vele kiolvasni a GND,TX,RX szálak vannak bekötve csak. Ez is jó lehet a Paradoxhoz? A hozzászólás módosítva: Feb 10, 2014
Elképzelhető, hogy működik.
Első feltétele, hogy az USB/RS232 adapter rendben működjön. A másik, hogy a TTL szintillesztő alkalmas legyen a Paradox központhoz. A gyári eszközökben (ami még nem USB-s volt), ahogy írtam, MAX232 volt. Én régebben ennek hiányában (hétvégén) összedobtam tranzisztorokból is egy SUB-D 9 pólusú csatlakozó házában. Az is működött. A 4 pólusú SERIAL feliratú csatlakozóhoz pedig így lehet kapcsolódni. Paradox RS232 Adapter Azért a GND és VCC pontokat ellenőrizd a panelen méréssel!
Sziasztok!
Megjött az ABI10-764 kültéri infrasorompóm /4db/ az asztalon összeraktam, de nem tudom úgy beállítani hogy működjön. Van rajta ledes visszajelzés de sose akar világítani.
Szia.
Konkrétan hogy próbáltad ki? Feszültség alá helyeztél egy adót és egy vevőt? 12VDC polaritáshelyesen csatlakozik ezekre? Az adón világít a tápfeszültséget jelző LED? Jumperek beállítása milyen? J1. Ennek a beállításának a függvénye a vezetékezés. J7. Ugyanabban a beállításban kell lennie az adón és a vevőn is. Látja egymást a két eszköz?
Az azstalra lefektettem összekötöttem 3 vezetékkel polaritáshelyesen adtam neki 12v-ot. Úgy olvastam hogy a led akkor világít mikor látják egymást, de akárhogyan mozgattam sehogyse jött össze.
Jumperek gyári beállításon vannak leírás szerint. 2 párral is próbáltam.
Működik rendesen. Csak az vert át, hogy nem is kell egymással pontosan szemben lenniük. Pl a az egyiket a tengelye körül elfordítom 90 fokkal akkor nem jelez röktön mert még mindíg veszi valahogyan a sugarakat. Persze ha eléállok akkor már jelez. Én úgy gondoltam hogy ezt nagyon pontosan be kell állítani.
Sziasztok!
A következő lenne a gondom: kaptam egy Satel CA-4 központot, kezelőt egy piezo siern-t és egy nyitás érzékelőt. Nem tudom, ha a hangjelzőt felkötöm a COM1-re akkor működni fog? Továbbá elég-e ha egy 2,2 KOhm-s ellenállással a nyitás érzkelőt felkötöm valamelyik zónára, mert olvastam a zóna záráshoz ekkora ellenállás kell. A megvalósítás annyi lenne hogy van egy ajtó és ha, azt kinyitják mikor éles a rendszer megszólal. Válaszotokat előre is köszönöm.
Sziasztok,
szeretnék hiba határolásban segíŧséget kérni, teljesen laikus vagyok a témában. Adott egy Paradox Magellan 4000-es riasztó, egy zónapáron van a pince egy mozgásérzékelővel és a garázs, egy mozgásérzékelő + nyitás érzékelő. Éjjel megszólalt a riasztó, ez a zónapár folyamatosan ég és a TRBL szerint szabotázs, tehát lehet szakadás, zárlat (vagy pl. nekem 1x volt olyan hogy a mozgásérzékelő úgy érezte, hogy leszedték a burkolatát). Az érzékelők kivillannak ha arra járok, de a szabotázs nem törölhető, tehát még fennáll. A zónákat bypassoltam, hol kellene mérnem, hogy szakadás vagy rövidzár van? Addig ok, hogy kinyitom a mozgásérzékelő burkolatát. ![]() Köszönöm szépen!
Szia.
Miként szeretnéd a hangjelzőt a com1-re kötni? Másik pontja hova kerülne. Az alapértelmezett csatlakozása az out1 vagy out2 csatlakozópontjai. De mint más modellnél, itt is elképzelhető, hogy vannak közös com pontok. A zóna megfelelő lezárásához elegendő egy 2,2kohm-os ellenállás. Ha ezzel sorba kötsz egy nyitásérzékelőt, az jó. A soros kör bontásakor lesz nyitva a zóna. A programban meg lehet adni, hogy miként viselkedjen. A kezelő legyen azon a területen belül, amit védeni szeretnél!! A zónát beállítod késleltetettre. Amikor nyitod az ajtót, van egy kevés időd kikapcsolni (állítható programban), majd utána fog riasztani.
Szia.
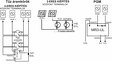
Már eleve rossza a kiépítés. Nyitás és mozgásérzékelőt, már elvből sem kötünk egy zónára. Ez 3 érzékelő. Már kettő is bizonytalan hibakeresés szempontjából. Mivel a központ tud ATZ-t, azért alkalmas arra, hogy egy zónára tudj úgy kötni két érzékelőt, hogy a rendszer meg tudja őket különböztetni. Valamint ezektől külön a tampert is. Mellékelek két rajzot. Elméletileg neked az EOL bekötésnél a jobb oldali rajzrész van kiépítve. A rendszeredben valóban szakadás (vagy zárlat) van. Ezért is a TRBL jelzés. Először kösd ki az adott zóna vezetékét a központnál és a COM-hoz képest mérd meg a kör ellenállását. Ha csak EOL megoldással van kötve, akkor max 2kohm, ha ATZ a bekötési mód, akkor max 4kohm körüli ellenállást kell mérned. Derítsd fel, hogy miként vannak az érékelők kötve: -egyikből megy a másikba? -elindul a központból és csomópontban ágazik el? A kör feszültsége valahol 2V és 4V között van, ha nincs szakadás vagy zárlat (EOL vagy ATZ mód függvénye).
Szia Johnycorp!
Mit jelent az UL/ULC telepítés? Ha nincs telefon a központon akkor is kell szondához/vízcsőhöz földelni vagy elég a 230V melett lévő földelés is? Köszönöm!
Szia.
A vízcsőhöz nem kell kötnöd. Pláne, hogy manapság azért igen ritka a vezető anyagú vízcső. A lényeg, hogy a 230V földelését kösd rá a dobozra. Valamint a panel földelését és a kábelek árnyékolását is! Az UL/ULC a rendszer védelmi köreinek különböző módjait jelenti. A központ így rendelkezik minősített tűzzóna bemenettel, amely felügyelt.
Szia!
Igen sikerült, ahogy mondod. Megzavart, hogy nem volt a Sirenhez tamper kör, hanem csak +,-.Köszi a segítséget!
Johnycorp köszönöm.
Sziasztok! A Winload programban hogyan tudom a normál és a éjszakai zónákat beállítani? A kezelők plussz jónája miért marad piros? Majd vissza is vált 00000-ra.
A Signal Al128 szirénán működés után villog a 2 led felváltva ez lekapcsolható ?
Szia.
Zónáknál: Ha azt szeretnéd, hogy éjszakai bekapcsolásnál (sleep gombbal) is adjon riasztást, akkor állítsd: Azonnali (Sleep/teljes) opcióba. Ekkor azonnal riaszt érzékelés esetén mind éjszakai, mind teljes élesítésnél. Ha csak akkor riasszon, mikor teljes bekapcsolást csinálsz, akkor állítsd: Azonnali (Teljes élesítés) opcióba. Ekkor azonnal riaszt érzékelés esetén teljes élesítésnél. A kezelő zóna használatához. A sorozatszámnál a legördülő menüből válassz az elérhető sorozatszámok közül. Itt látnod kell a két kezelőd sorozatszámát. Miután kiválasztottad, válassz zónatípust, majd töltsd fel a programot. Egyébként én 24órás (szabotázs) zónának nem választanék kezelő zónát. Jobb arra a központ zóna, vagy a tamper funkció még inkább. A szirénád biztosan al128? Van a Signal szirénák között olyan, amely rendelkezik készenléti jelzőfénnyel. Ez folyamatosan villogtat két LED-et felváltva. Szirénázáskor pedig egy nagyobb izzót. A jelzőfény csak egyes modelleken állítható, hogy jelzőfény legyen, vagy a FLASH bemenet negatív tápra kötésekor villogjon. Egyébként érdemes a FLASH bemenetet a plussz 12V sorkapocsra kötni egy 1kohm ellenállással. Tapasztaltam már, hogy a felhúzó ellenállás nélkül bevillant a jelzőfény. |
Bejelentkezés
Hirdetés |

















