Fórum témák
» Több friss téma |
Fórum » EAGLE NYÁK tervező
Témaindító: csonthulye, idő: Dec 1, 2005
Témakörök:
Eagle leírások a neten:
Eagle alkatrész-könyvtárak: http://www.snapeda.com
és a leírás hozzá.- http://www.piclist.com/images/www/hobby_elec/e_eagle.htm - http://pa-elektronika.hu/hu/cikkek/75-eagle.html
Sziasztok!
Van egy kis gondom. SMD-ben gondolkodom már, de a furatszerelt csatikat használom még. Szóval amikor elkezdem az alkatrészek elhelyezését, ugye az smd atmega pad-jei a top rétegen találhatóak. Ha így nyomtatom ki a tervet, akkor nem fogom tudni az ic-t beforrasztani, mert "tökröződik" a rajzolat. Ha az egész panelt tükrözöm a bottom rétegre, akkor az smd atmega lábait összekeveri... Hogy tudom összehozni a furatszerelt és az smd alkatrészeket, úgy, hogy nyomtatás és felvasalás után helyes lábkiosztásokat kapjak? Köszi!
A furat szerelt csatik szempontjából ez szerintem mindegy.De különben ha az 1 top réteget jelölöd ki csak , és a többit nem , akkor az pont jó lesz .És igy ha tükrözöd , akkor az egész egy az egyben fog fordulni ,és nem úgy ahogy leírtad.
A hozzászólás módosítva: Feb 15, 2014
Szóval a tervezési szabályoknál csak a TOP legyen beállítva?
Mit akarsz csinálni ? Hova akarod tenni az SMD-t ? Top vagy bottom oldalra ?
Amikor a pcb szerkesztésben vagy , és mondjuk autoruotot akarsz használni , akkor a rétegek közül az 1 top legyen csak kijelölve a többi ne.Ez csak , akkor érvényes , ha mondjuk egy tüskesor , vagy csatlakozó is kerül ezen oldalra , mert ott mindegy a nézet .De viszont ha már egy furat szerelt alkatrész ic , vagy tranzisztoroknál lényeges inkább , akkor orr figyelni kell az irányra.
A hozzászólás módosítva: Feb 15, 2014
Ja, top oldalon majd jó lesz beforrasztani egy furat szerelt csatlakozót ugye ?
Csak told a butaságokat...
Csak a TOP régetet használok.
Ha megvan az alkatrészek elhelyezése, nyomok az autorouterre (ELECTRA, de ez most mindegy). Ha kinyomtatom felvasalom, az smd IC-t is a furatszerelt alkatrészek szerint rakja a panelra. S így nem tudom az SMD-t beforrasztani. Mert őt is furatszeretlként kezelte. Szal ha az 1-es láb jobboldalra esett, felvasalás után a baloldalra kerül. Ha furatszerelt lenne akkor aztmondom, hogy okés, de így nem az. A hozzászólás módosítva: Feb 15, 2014
A furatszerelt alkatrészekhez bottom oldalt használj, ha SMD.t teszel akkor azt vagy a top oldalra teszed, de akkor 2 oldalas panelt kell csinálnod, vagy tükrözöd az SMD-t bottom oldalra és úgy huzalozod be, akkor 1 oldalas lesz a panel.
Ha még mindig nem világos akkor tedd fel a brd fájlt ide.
Buta vagy te én mindig így csinálom vazze.A furat szerelt csatlakozónak teljesen mindegy mert annak mindegy az iránya.És mivel fúrást követően a másik oldalról át téve a top oldalon bármikor lehet forrasztani. Te valamit keversz komám.A bottom oldal az alkatrész oldalnak felel meg a top oldal a forrasztási oldalnak.De mivel smd ről van szó , így a a top oldal lesz a bottom is azzal a különbséggel , hogy ha néhány nem smd alkatrész kerül a szerkesztésbe , akkor ne legyen fordítva nyák készítéskor úgy , hogy a furat szerelt alkatrész a bottom oldalról , az smd pedig a top oldalról legyen beültetve , és lehetőleg jó irányban. Erről szólt volna a kérdés , és nem tehetek arról , hogy neked meg mondat értelmezési hibád van .Először olvass , gondolkodj , aztán ítélkezz.
Megmutatnád, hogy kell?
Beszórtam az alkatrészeket. Jó lenne ha a furat szerelt hosszú csati maradna a balfelső sarokban, hogy az LCD-hez tudjam majd illeszteni... A hozzászólás módosítva: Feb 15, 2014
Bár teszem hozzá az eagle nem bírkózótt meg vele. ELECTRA-t használok...
Igy nézd meg.
Alkatrészeket kell még helyezgetni, mert igy nem lehet 100% routolni A hozzászólás módosítva: Feb 15, 2014
Nos itt lesz .A sorrend a következő. A képen fent balról jobbra történik a művelet Újra kell generálni a pcb nézetet , aztán behelyezni az alkatrészeket én most ezt egyszerre tettem meg , és most ne nézd , hogy nem az az elhelyezkedés van amit te csináltál . Azt majd úgy is megcsinálod magadnak , csak a menetét akarom bemutatni .Szóval amikor behelyezted , és meg csináltad ahogy neked jó lesz , akkor autoroute , persze kinek hogy , de most legyen autoroute , és a képen látható beállítás kell.Utána le generálod , és megkapod egy oldalra az smd , és a furat szerelt nyák rajzot , persze ahol még gumi vonalak maradtak az más elhelyezési , illetve o ohm os smd vel áthidalható , és így nem lesz két oldalas a nyák.
Utána , ha ezzel kész vagy , akkor olyan alkatrészeknél figyelni kell aminél nem mindegy az irány , és azt a pcb nézetben korrigálni kell , tükrözni stb , de csak azt az alkatrészt , ami , és ahogy a láb helyes irányának kell. A hozzászólás módosítva: Feb 15, 2014
De tudod mi a baj így?
Én is így csináltam. Az atmega48 4es,6os lábai Vcc-k. Ha megnézem a nyákot, közelsem így tervezte... Ha maradok a TOP réteges verziónál, akkor frankón megcsinálja, viszont a felvasalásnál van gond.
Te valamit nem látsz, ha tükrözöd az alkatrészt akkor semmi más nem történik,mint hogy hanyatt fordul. ettől a lábak bekötése nem változik.
Ahogy én mutattam neked az úgy jó lesz hidd el , és amikor nyomtatod , akkor jelöld azt be , hogy tükrözés , és jó lesz .Én pl atmega328 smd tervemet , így csináltam , és minden stimmelt.
niedziela megoldása tökéletes, azt használd.
Az hogy top oldalra tervezel, majd azt használod bottom-nak, meg hogy mindegy a furatszerelt csatlakozónak, hogy melyik oldalra rakod az hülyeség! Minden alkatrészt oda kell tervezni ahova kerül majd. Annyi zavarhat össze, hogy vasalásos technikánál a top oldalt tükrözni kell nyomtatásnál, de a bottom oldalt nem, mert azt eleve tükrözve látod.
Megmutatom képekben.
Megtervezem a nyákot TOP-ban. Ha kész akkor tükrözök bottomra. Ezt kapom. Ha megnézitek, akkor a top-ban helyesek a lábak kiosztása. Bottom-nál nem egészen így van. Ezzel szívtam egy nagyot.. Amikor észrevettem, hogy nem tudom programozni az eszközt. Mivel nem is jó helyen vannak a lábak.. Értitek mi a problémám? A hozzászólás módosítva: Feb 15, 2014
No comment. kiszálltam, mert a végén hátra kell feszítenem a kezeim és nekiszaladni a falnak.
Ú, én szerintem ott rontottam el, hogy felvasalásnál a bottom-ot tükrözve nyomtattam ki...
Szia!
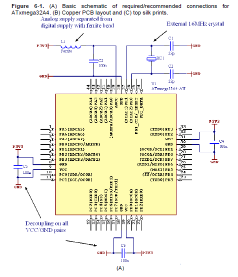
Én nem feltétlenül a problémádhoz szeretnék hozzászólni - azt kitárgyaltátok "rendesen" - hanem magához a nyáktervhez. Nem mondanám, hogy a robusztus tervezés iskola példája. Rögtön a kvarc elhelyezése szúr szemet. Nem feltétlenül ideális. Arról nem is beszélve, hogy sehol sem látok a processzor tápellátásánál hidegítő kondit. Bár lehet, hogy én vagyok a vak. Mindenesetre pár gondolat az ATMEL-től, ami mentén át kellene tervezned. 1, Egyszerű példa az elhelyezésre. 2, Egy másik példa rajza 3, A hozzá tartozó nyákterv. Csak úgy gondolat ébresztőnek szántam.
Ezek az érvek valóban igazak , amiket vázoltál .A lehető legközelebbre helyezett rezgőkör , a kapcsolási rajz a nyák rajz stb.De lehet , hogy nem az lesz neki még a végleges verzió .De mint írtad , hogy
Idézet: , de egyébként vannak bizonyos tervezési , és kivitelezési szabályok irányok .És ezért teljesen egyet értek a felvetéseddel. „Csak úgy gondolat ébresztőnek szántam.” A hozzászólás módosítva: Feb 15, 2014
Köszi a tanácsokat!
Úgy oldottam meg, hogy a TOP réteges verziót tükrözve nyomtatom (végülis bottom-ot kapok ugyi). A tüskesort a másik oldalra rakom majd, így elvileg jól elhelyzett alkatrészeket és lábakat kapok.. Köszi a segítségeket.
Örülök , hogy sikerült.És nem árt megfogadni Pluto társunk felvetéseit.
Egyébként azért szeretem a Top oldali szerkesztgetést pcb nézetben , mert eleve abban a nézetben vagy, ami majdan a végleges le fektetett nyák maratott nézete.Könnyebb átlátni .Persze nyilván nyomtatáskor tükrözni kell , és aztán megint visszafordul vasaláskor , de ez már a legkevesebb.Szerkesztéskor nem mindegy , hogy hogy látható át főleg ha bonyolultabb a dolog. A hozzászólás módosítva: Feb 16, 2014
Sziasztok!
Ilyen esetben (is) jól jönne egy beépített 3d nézet, amit lehetne forgatni. Ha az emberben kialakult a megfelelő térlátás és tud úgy gondolkozni, az sokat segít a tervezésben. És igen tudom ez nem az a program, de van egyéb módja is a 3d nézet előállítására. Bátran merem ajánlani a panelek ilyen típusú nézegetését.
Van lehetőség az eagle ban is 3d-s nézetet kreálni ulp futtatásával, de az a művelet már úgymond egy tervezés végkimenetelének a nézete.Mert ugye amíg folyamatban van a tervezés minden mozzanat után nem éppen jó generálni egy 3d - s nézetet , csak azért , hogy na milyen is lesz.Az sok időt elvenne a tervezésből.A top nézetben való szerkesztés egy az egyben azt a felületet adja , ami a valós végeredmény lesz .És így egyből látható mit , és hová tegyen az ember. Apropó minek is ilyenkor a 3d-s nézet , mert a végén ok , de közbe ?
Sziasztok!
Tudja-e valaki hogyan lehet sokszöget rajzolni a köré / belé rajzolható kör átmérője alapján? --üdv gergő |
Bejelentkezés
Hirdetés |










Köszi a segítségeket. 



