Fórum témák
» Több friss téma |
- Ez a felület kizárólag, az elektronikában kezdők kérdéseinek van fenntartva és nem elfelejtve, hogy hobbielektronika a fórumunk!
- Ami tehát azt jelenti, hogy a nagymama bevásárlását nem itt beszéljük meg, ill. ez nem üzenőfal! - Kerülendő az olyan kérdés, amit egy másik meglévő (több mint 17000 van), témában kellene kitárgyalni! - És végül büntetés terhe mellett kerülendő az MSN és egyéb szleng, a magyar helyesírás mellőzése, beleértve a mondateleji nagybetűket is!
Hello! Pedig működik.. üdv!
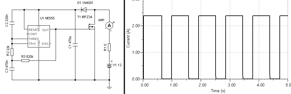
Mester milyen módban mérted? Én tranziensben próbáltam!
Én is! Esetleg kapcsold be a "Zero Initial Values" módot, hogy a kondik töltés nélkül induljanak el. (Meg fordítsd meg a fesz és árammérőt, mert így "fejjel lefelé" elég nehezen értelmezhető amit lát az ember. Meg ha van áram, akkor fesz is van az ellenálláson. Inkább teszteléskor a feszmérővel az IC kimenetét, vagy kondik feszültségét nézd. És GND jelet is illik tenni az áramkörre, mert esetenként a Tina rosszul számol, ha minden a "levegőben lóg".) üdv!
Nekem bejött,de ami ott van, az -szerintem - hihetetlen. Ha pl. 10% tűrésüeket kombinálunk, akkor az eredő tűrés valószínüsége nagyobb!
A hozzászólás módosítva: Márc 1, 2014
Szerbusztok. A kezdö kapcsolások között kotorásztam és olyan erdményre jutottam amit nem értetek.
Pl: az LCD kijező programját amit a 690-es PIC-be akartam beolvasni iletve beirni a letöltésre katintva a gépem azt irta ki hogy vilusos a program ezér a gép törli, más szóval nem engedi letölteni Tudnátok segiteni? Üdv majorka.
Vettem egy potmétert. Videoton erősítőkben (ea6380-6383-7386, aida, cleopatra, ra6360, ra6363, RM5632-5642S) volt elvileg ilyen, van fiziológiás megcsapolása.
Sztereo potméter, egy oldalon 5 láb van, a középső 3 az szimpla 100k logaritmikus potméterként viselkedik, a két szélső nem. Méricskéltem, az alábbiakat mértem a középső lábhoz képest. lábak 1-2-4-5 75 - 100 - 0 - 36,5 42 - 67 - 63 - 9 10,4 - 36 - 76 - 44 35 - 0 - 100 - 68 kiloohm A két szélső láb ellenállása 35-10-75 ohmig szabályozható. Érdekes, hogy nem minimum maximum értékek között változik, mint a két belső láb, hanem először csökken, aztán nő az ellenállás. Tud ehhez valaki valami egyszerű kapcsolást? Szeretnék valami egyszerű loudness funkciót.
Kellene nekem valami alkatrész, amivel tudnék egy ellenállást rögzíteni, mint egy próbapanelen, csak olyan kellene ami lehetőleg egy soros és minél kevesebb lyukkal rendelkezzen. Olyasmi, mint egy lemezes DIL foglalat, csak egy sorral.
Létezik ilyen?
Ilyenre gondoltál?
Ha ebbe bele lehet szorítani egy ellenállás vagy kondenzátor lábát, akkor igen.
Egy szűrő áramkörhöz kell, aminek a karakterisztikája nem változik, de ha kell a meg lehessen változtatni különösebb forrasztgatás nélkül.
Ebbe például ic-t is lehet tenni. De, ha van otthon ic foglalatod, akkor azt kettévágva, kicsit megreszelve abból is kialakíthatod.
Ebbe lehet hogy nem fér bele, de van egy lemezes változat, ami olcsóbb is, abba biztosan belefér.
A lemezesbe belemegy, csak abból nem találni egy sorosat. Ha nincs jobb, akkor marad a fűrész és a reszelő.
Az alapkapcsolásoknál: Sorros LCDkijelző modul-rol van szó.
Üdv majorka
Sziasztok!
Tervezem egy ilyen vásárlását, de fontos lenne, hogy a fordulatszámát a lehető legalacsonyabbra (jóval 5000 alá) tudjam csökkenteni. Műanyag megmunkáláshoz kellene és nem szeretném, ha megolvasztaná a munkadarabot. A kérdésem az, hogy alap esetben működhet-e ez a készülék számítógép tápegységről (12V, 8A) és csökkenthetem-e a fordulatszámát úgy, hogy nem 12V-ról üzemeltetem, hanem az 5V (és 14A) ágról. Illetve ha ez a megoldás működik, marad-e elég nyomatéka az eszköznek? Előre is köszönöm szépen a segítséget!
Sziasztok valaki tudna nekem linkelni valami egyszerüen használható nyáktervezőt amivel lehet komoj paneleket tervezni?
Szia, én Sprint Layout-ot használok. Abból is a magyarosított verziót. Szerintem egyszerűen kezelhető tervező. Pont most lettem kész egy PIC égető nyákjával.
Innen A hozzászólás módosítva: Márc 2, 2014
Pici ellentmondást érzek az igényeidben
![]() Az eagle használható, van topikja is, az ingyenes változat csak méret-korlátot tartalmaz, amúgy teljesen jól használható. Persze azt is meg kell tanulni használni . . .
Sziasztok!
Én egy frekvencia kétszerezőt szeretnék szerezni/venni/csinálni de fogalmam sincs, hogy kezdjem, teljesen laikus vagyok a témában. Egyébként egy fordulatszámmérőhöz kéne, a mérő négyhengeres kocsiba való, de nekem kétütemü Trabiba kellene belemaszekolni ami két hengeres. Mivel ott 4megszakitás jut egy periódusra, nekem meg csak 2van, meg kéne kétszerezni a jelet, mivel igy feleannyit mér mint amennyi a valós érték. Ötletek? Vagy felejtsem el? Előre is köszi.
Nem tudod csökkenteni a fordulatszámát egyszerűen, használj éles egyélű marót. Esetleg hűtést és nem fogja megolvasztani a műanyagot.
Van egy 5V-os elemem, egy sorosan kapcsolt 100 ohm-os ellenállásom, és ehhez 8 párhuzamosan kapcsolt LED-em.
Ezeknek eredő árama ~110 mA, az ellenálláson 3,18V feszültség esik, a LED-eken 1,82V, azt szeretném kérdezni, hogy ilyenkor miért jön létre feszültségosztás, és milyen "képlet alapján" lehetne kiszámolni, hiszen a lednek nem tudom az "ellenállását"?
Hello! Lehetne ellenállásként is felfogni de nem a Led-ek "ellenállását" kell figyelembe venni, hanem a névleges áramukhoz tartozó nyitófeszültséget. Mert az fog a Led-eken esni. Az ellenálláson, meg tápfesz és a Led nyitófeszültségének különbsége. Az ellenáláson átfolyó áram, pedig a Led névleges árama, szorozva a párhuzamosan kötött Led-ek számával. üdv!
Szia! Van hozzá segédprogram.
Ehez a leg egyszerübb megoldás a segédprogram.
Igen van segédprogram, de ha mindíg arra fog hagyatkozni, akkor sose tanulja meg az alapvető képleteket-összefüggéseket. Szerintem ez kb olyan, mint általánosban a számológép használat: ott még tiltják, hogy megtanulj számolni, gimiben meg már a 10*2 -őt is pötyögöd...
Mi a neve annak a karikának, amit vezeték végére lehet szorítani? Ha van olyan. És milyen boltban lehet venni ilyet, és csavart, meg anyát hozzá? Egy infrafilmes videóban láttam, hogy nem a hozzávaló csatlakozókat tették rá, hanem kilyukasztották, és beledugták a karikát, mert jobb kontaktot teremt. Én pedig nem valami fix helyre teszem, ezért biztonságosabb lenne, ha csavarral tudnám rögzíteni, nehogy lekandikáljon, és agyonüssön valakit, vagy valamit. Mondjuk rendeltem 6 hozzávaló csatlakozót is, de nem tudom, sikerül-e egyáltalán rászorítanom sima kombinált fogóval.
Szerintem linkeld be azt a videót, hogy láthassuk miről is van szó.
Két ledet használnék 3.7 Voltról. Köthetem sorba ellenállás nélkül, vagy inkább párhuzamba kössem egy ellenálással. ha utóbbi, kb. mekkora ellenállás kell neki?
Milyen LEDek? Csak mert, pirosból és infraledből valószínűleg sorba köthetsz kettőt, de más színből már nem, azoknak magasabb a nyitási feszültségük.
Ebből puskázhatsz: LED paraméterek
Nagyon szépen köszönöm a válaszokat!
Most a J-K tárolókat tanulom, de nem értem a logikájukat, illetve az igazságtáblázatot lekövetve nem az az érték jön ki, ami az igazságtáblázatokban szerepel! Pl: Ha Q érték 1; /Q érték pedig 0, akkor ha 1-1-et adunk a bemenetre, végigkövetve nem jön ki az invertálás ! Tudna valaki segíteni abban, hogy elmagyarázza, hogy mit értek félre? |
Bejelentkezés
Hirdetés |






