Fórum témák
» Több friss téma |
Sziasztok! Azt szeretném kérdezni,hogy a rajzon látható TDA7360 lekell testelni mármint a hátsó felét hűtőbordával.
mert elkészült és ha bekapcsolom egy darabig bűgó hangot ad aztán elhallgat.egy 8 ohm-os hangszórót kapcsoltam rá üdv:aramis
Letestelni a hátsó felét hűtőbordával? Mit jelent ez a kérdés?
A hűtőzászló a 6-os lábbal van összekötve, ami jelen esetben a GND. Szerintem első körben nyugodtan szereld meg úgy, hogy nem szigeteled el az IC-t a bordától csak hővezető pasztát rakj alá, mert így jobb a hőkontaktus (= jobban hűl az IC). Ritka esetben előfordulhat, hogy bedobozolás után ez a megoldás földhurkot okoz, ekkor még mindig nem késő egy csillámlappal elszigetelni az IC-t a bordától. TDA2030-at (egytelepes kapcsolásban) mindig elszigetelés nélkül szereltem bordára, és sosem volt belőle földhurok. Egyébként az autórádiókban, ahova speciel a 7360 ki lett fejlesztve sosem szigetelik el a sasszitól az IC-t. A hozzászólás módosítva: Márc 6, 2014
TDA7294Hídhoz tudnátok hűtő bordát ajánlani?
Passzív hűtéssel, kb. 400cm2 felület már jó közelítés. Ebben a méretben bármi jó amihez hozzá tudsz jutni. Magas tápfesz és alacsony hangszóró impedancia párosítás esetén 500-600 cm2 sem túlzás.
Sziasztok! tda7294 híd lenne mindenképpen sztereóban a következő választásom.Mit szóltok ehhez a képhez? Szerintetek elég lesz aktív hűtéssel? Mivel gyári leszorítókengyellel rendelkezik, így szépen fel lehet fogatni vele a bordára a tda kat. 12cm magas és 15 cm hosszú maga a tönk.
Borda lamellák együttes mérete 10,5X9,5 cm. Erre fogatok fel egy 8 cm es aktív ventit. A hozzászólás módosítva: Márc 7, 2014
Szia Reloop! A múltkor tettem fel neked egy kérdést ,ha nem haragszol még egyszer megkérdezném . Tehát a biztis hídban található 560nf kondi a jel bemenetnél ,ezt szeretném helyettesíteni 680nf nf kondival. Szerinted nem okozhat zavarokat ? Köszi a segítséged
Nem okoz.
Kösziszépen! Az egyik oldal már elkészült jelenleg még a másik oldalon dolgozom pár alkatrész hiányzik még hozzá.
Annál csak egy jobb megoldás lenne: ez itt...
Attól függ kinek. Én már vettem régebben YuanJing feliratú - igaz D osztályos - panelt, és a gyári állapotában nem igazán akart rendesen működni. Küzdöttem vele annyit mire összejött, hogy annyi energiából terveztem volna, gyárttattam volna nyákot, ültettem volna alkatrészt, stb., és közben még ideges sem lettem volna, hogy: "minek vettem én ilyet".
Talán a 7294-es kapcsolás van olyan egyszerű, hogy összejött nekik, de a távol-keleti gyártóknál sosem lehet tudni.
Volt már ilyen panel az Erősítő mindig-ben - nem jött össze. (Nagyon nem jött össze.) Szemre viszont tényleg jól néz ki.
Köszi jól nèz ki,màr nèzegettem,de lebeszéltek ròla mivel megbízhatatlan ès instabil,pláne azok a kínai yingjung kondenzátorok nekem azokkal kétségeim vannak.
Hamarosan kiderül, nekem már úton van egy ilyen.
Amúgy látok rajta Wima kondit, vagy csak a szemem csal ? A Nover elkókat meg kimondttan audiofil alkalmazásokhoz ajánlják. Akárhogy is nézem, nekem anyagárban van - sok mindent meg nem lehet elrontani ezen a kapcsoláson.
Rákerestem de nem találtam az ide vonatkozó írást. Esetleg ha emlékeznél, mi volt a fő probléma vele - hogy megelőzzek egy IC pukkanást ?
Köszi, végiglapoztam a diskurzust, de egyrészt ez csak két hidalt vég crossover nélkül, másrészt a kollega ahogy nézem nem volt a toppon különösen, mikor élesztgette. Hidalva 4 ohmon ne is akarjon tőle senki hibátlan működést túltáppal.
Egy gyors kérdés, melyik lábat kell mérni hogy jó-e az IC ? Az IC kivan véve.
Majd írj róla ha készen lett. Nem tudom, igazából mindenhonnan csak rosszat hallottam ezekről a panelekről.Ha szabad kérdeznem összesen postával mennyire jött ki? Nem rendelnék csak kíváncsiságból.
7240 Ft free shippinggel.
Az anyag-árban van
Reméljük nem lesz vele gond, várom a beszámolódat.
Tetszik egyébként maga a panel, mert sok dolgot megkönnyít,pl szerelhetőségben legalább az esetleges hűtőfelületre is figyeltek a kondikat előrébb hozták.Várom a tapasztalataid ha készen van, nincs kicsukva hogy ennek is nekiugrok
De most egyenlőre a sima mikroshop féle tda7294 bridget építem meg, ha sikerrel zárul, márpedíg muszály lesz neki, akkor esetleg ezzel is megpróbálkozom
Azzal a Pedro-féle kittel is készült pár erősítőm, nem szokott vele gond lenni.
Most hirtelen megláttam ezt és úgy gondoltam ennyiért nem molyolok vele . Egy D-osztályút azért meggondolnék ugyaninnen, az kicsit kényesebb ügy - főleg a többszáz wattos kategóriában. Ha megérkezik és beüzmeltem, majd referálok mindenképp.
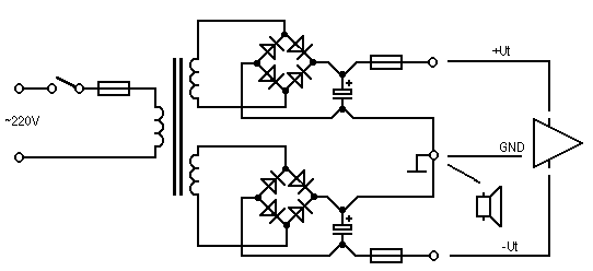
Sziasztok! Ismét egy kérdésem lenne, lerajzoltam csúnyán painttal ugyan, de szeretném megépíteni a tda7294 Mikroshop féle változatát. Nos 2 utas egyenirányítást szeretnék megvalósítani ezt lerajzoltam. Azért a 2 út mivel sztereó lenne azaz 2 hídas panelt hajtanék.
Ha jó a rajz jelezzétek, ha esetleg van jobb szívesen fogadom.Hűtés megoldott,viszont a táp így nem tudom nem e lesz sok? 1 útban már hajtottam(8-16 ohm on) + - 43 volttal de csak a szimpla tda7294 et ezt szépen tűrte. A hozzászólás módosítva: Márc 15, 2014
Nem jó. A GND-t semmi sem "tartja középen".
Az 1 és 2 utas egyenirányítás egészen mást jelent. Az egyenirányított jel "púpjainak számát" jelenti egy periódus alatt. Ha így akarsz táplálni, akkor Reloop egytápos rajzát építheted meg, de oda kicsit nagyobb AC feszültség lenne ideális. (pl, itt találod)
Nem sajna ez nem jó, olyat szeretnék hogy van 2 egyenirányításom,de mindez szekunderekre leosztva.Esetemben 2 +-ut és gnd kell külön pufferelve mindkét csati.
A gnd t az egyik táp - ra gondoltam az lemaradt a rajzról.
Maga a feladat még mindig nem tiszta. Külön tápot szeretnél mindkét csatornának? Ahhoz még két szekunder tekercsre lesz szükséged. Az egyenirányító hidak szaporítása nem vezet eredményre.
2x32v ac adott,tehát 2kanóc egyenirányítva 1végpanel,másik 2szekunderkanóc egyenirányítva másik végpanel,így erre keresem a megoldást.Hogy ne lebegőpontos legyen mindkét oldal gnd je az ac ról lenne megtámogatva.Tehát egy tápról kellene menjen a 2tda híd és sztereó lenne.
A hozzászólás módosítva: Márc 15, 2014
Hallgass reloopra, amit linkelt az teljesen megfelel a célnak, két tekercs esetén mindenhol ezt alkalmazzák, ha +/- tápra van szükség.
Vagy intézel mégegy trafót, na akkor esetleg már érdemes külön venni a két csatornát. |
Bejelentkezés
Hirdetés |







Reméljük nem lesz vele gond, várom a beszámolódat. 






