Fórum témák

» Több friss téma
Fórum » Villanymotor bekötése
 
Témaindító: kozmaj, idő: Jún 28, 2006
Lapozás: OK   173 / 349
(#) tipiusz válasza granpa hozzászólására (») Márc 9, 2014 /
 
Jól, sejtettem, köszönöm! Tehát így kötném be a motort, kondikat!
http://www.hobbielektronika.hu/forum/topic_post_1596684.html#1596684

Viszont az utolsó rész most megkevert!
http://www.hobbielektronika.hu/forum/topic_post_1597630.html#1597630

...(Sorba van a motorral)
tehát ha még annyit segítenél, segítenétek, hogy akkor most ezzel a kapcsolóval hogy kössem be a motort, nyilván nyomó gomb nélkül, mivel relés a ...
Köszönöm szépen!
(#) granpa válasza tipiusz hozzászólására (») Márc 9, 2014 / 1
 
Ha jól emlékszem..A relé tekercse sorban van a főfázis tekerccsel: induláskor nagy áram, behúz; felpörgés után leesik az áram, elejt. A relé érintkezőire megy az indító kondi, miként a rajzon a nyomógomb.Mi kevert meg az utolsó részben?
A hozzászólás módosítva: Márc 9, 2014
(#) tipiusz válasza granpa hozzászólására (») Márc 11, 2014 /
 
Köszönöm szépen! Így már minden világos! Szinte...
Tehát ha jól sejtem 1-es és 4-es közé kötöm az indítókondit?
Bővebben: Link
A hozzászólás módosítva: Márc 11, 2014
(#) kadarist válasza tipiusz hozzászólására (») Márc 11, 2014 / 1
 
Már tisztáztuk, hogy oda nem való indítókondenzátor. Ez egy kapcsoló.
(#) granpa válasza tipiusz hozzászólására (») Márc 11, 2014 / 1
 
Amit írtam, az a relés kapcsolóra vonatkozott.
(#) markus001 hozzászólása Márc 11, 2014 /
 
Sziasztok!
Két kérdésem lenne:
1. Szétszedtem egyfázisú fűnyírót és szeretnék rárakni egy kondenzátort,gyárilag szerintem nem volt rajta,mert csak egy Nulla és egy fázis bemenete van,a képen látszik a kezemben a két sorkapocs és az lenne a kérdésem,hogy ezt meg-e lehet csinálni kondenzátorosra?
2.A képen látható egy darálómotor,szintén egyfázisú 4 kivezetése van látható a képen,és ezt,hogy lehet működővé tenni?
(#) erbe válasza markus001 hozzászólására (») Márc 11, 2014 /
 
Daráló motoroknál gyakori az ellenállásos fázistolás. A segédfázis tekercs ellenállása nagyobb, emiatt kisebb az induktív fázistolása, mint a főfázisé. Ez adja az indítási nyomatékot. Mivel terheletlenül indul, ez is elegendő.
Ugyanez a megoldás elképzelhető fűnyírónál is. A hiányos ismeretekkel bekötött indítókondenzátor a motor gyors leégéséhez vezethet.
(#) markus001 hozzászólása Márc 12, 2014 /
 
Köszönöm szépen a válaszokat. Én is utána jártam és ezt találtam róla.
(#) tipiusz válasza granpa hozzászólására (») Márc 16, 2014 /
 
Köszi, így már értem! Ilyen kapcsolót veszek majd hozzá! Biztonsági relés kapcsoló.

Más! Szét kellett szednem a motort csapágycsere miatt, és mert az előző tulaj flex-szel barmolt le róla egy ékszíjtárcsát, így esztergáltatnom kell a tengelyt is! Állítása szerint soha nem volt javítva, szétszedve... a motor. Ehhez képest ez tárult elém. Gondolom ez így azért nem a gyári állapot? Valamiféle utólagos szigetelő gyanta az ott? És körbe a tekercs körül a vezetékek, hogy "lógnak" a semmibe az normális? Sajnos vásárlás óta még ki sem tudtuk próbálni, hogy működik-e? Van arra valamiféle módszer, hogy legalább a tekercsek épségéről meggyőződjek? Pl: szakadás, ellenállás mérés, stb... Ha igen, leírnátok a mikéntjét?
Köszönöm előre is!
(#) erbe válasza tipiusz hozzászólására (») Márc 16, 2014 / 1
 
Valamikor alaposan megmelegedett a motor. A lógó végek nem vezetékek, csak az egykori kötöző műanyagzsinór. A kencefice még leginkább az Epokitthez hasonlít. Nem gyári.
Mérési lehetőség.:
Ha mindent leszedtél, kívül 4 szál vezetéked van. 2-2 között kis ellenállás mérhető, 4-10 Ohm körüli érték. Ha nagyon kicsi, az gyanús lehet. a két tekercs között nagyon nagy ellenállásnak kellene lennie, ~2 MOhm fölött. A vastörzs és a tekercsek között is. Ha ennél kisebb, de kOhm nagyságrendű, szárítás (esetleg többnapos) után újabb mérés és lakkal beitatás szükséges. A nem túl drága színtelen akrillakk is megfelel.
Közben hosszabban visszamentem, látom 3f motorról van szó. 6 szál vezetéked lesz, 3 tekercs. Más minden mint előbb.
A hozzászólás módosítva: Márc 16, 2014
(#) tipiusz válasza erbe hozzászólására (») Márc 16, 2014 /
 
Sajnos ettől féltem! Forgórészen is látszik, hogy valaha talán picit bele érhetett a vastörzsbe! Égett szagot, elfeketedett tekercset nem látok. A csapágy egyébként sem jó minőségű volt benne, ráadásul megforgott a házban! Igen, ez egy Evig 220/380 motor, 6 vezetékkel! Hogy érted, hogy minden más? Máshogy kell mérnem, más értékeket kapok...
Köszi!
(#) edyson66 válasza tipiusz hozzászólására (») Márc 16, 2014 /
 
Sziasztok,
amit eddig erbe irt mind helyes. Lehetett volna gyari 220 V motor seged ( inditotekerccsel ), ez abban az esetben ha 4 drot van. Ha 6 drot van az azt jelenti, hogy ez egy 3 fazisos motor 380 V ra es ebben az esetben mind a harom tekercs egyforma. 380 V on ezeket csillagba vagy deltaba lehet kötni ( egyik könnyebben indul de kissebb a teljesitmeny ). Igy is be lehet kötni 220 V- ra ebben az esetben az eredeti teljesitmenyt elfelejtheted es csak ket tekerccsel kell dolgozni, csatolok ket kis rajzot is.
A kondi nem polarizalt ( nem elektrolitikus ) es vigyazz a feszültsegere is. Ha forgasiranyt akarsz valtoztatni, akkor a segedfazis ket veget egyszerüen felcsereled.
Ha a kondi erteke nagy, vissza fogja fogni a motort, ha kicsi, nehezen indul es nem segit eleget. Az erteke függ a motor teljesitmenyetöl. Remelem tudtam segiteni
Edyson33
(#) tipiusz válasza edyson66 hozzászólására (») Márc 16, 2014 /
 
Szia!
Köszönöm, sokat segítettél, mint ahogy előtted még sokan! Konkrétan erről a motorról van szó! Adattábla
A bekötést így tervezem: Bekötés
5-600 W teljesítményre van szükségem ettől a motortól! Gyakorlatilag egy körfűrészt fog hajtani 1:1- ben. (Tárcsa a motor tengelyén.) Maximum 1-2 cm vastag, kizárólag puhafa megmunkálásához kell, kereszt irányú vágáshoz! (Jelenleg pont ezen agyalok, nézek utána... milyen átmérőjű tárcsa lenne az ideális, 5-6000 f/perc-hez.) Az indító és üzemi kondik is megvannak már. Előző tulaj szerint, ezekkel az értékűekkel üzemeltette hibátlanul! (Nem is tudom a motor belseje látványa után, hihetek-e még neki.)
Indító : 120-160 µF 330 VAC
Üzemi: 35µF 400 V

A jelenlegi gondom az, mint fentebb is írtam, hogy mit, hogyan tudok ezen a motoron mérni, ellenőrizni, hogy ne csapágy csere, összerakás után derüljön ki ,hogy esetleg más gondja is van!
Köszi még egyszer !
(#) ruffy hozzászólása Márc 17, 2014 /
 
Most már kezdek ideges lenni ezektől a drótoktól…
Egy kis gépet szeretnék helyrehozni, aminek az elektronikáját vki össze -vissza drótozta, ezáltal nehezen indul, nincs nyomatéka. ( kis műszerész eszterga -orosz , forgásirány váltással.)
kb. 20 éve szeretnék ilyet, most hozzájuottam egy használthoz,
mechanikailag rendbe tettem 1 hét alatt, de az elektronikája avétos…

A rajzokból látom, hogy van ott ellenállás 2, meg kondi 2, meg relé…
Szóval van is benne valami DIL 52 féle, de csak 1 nagy kondi… a DIL-en irgalmatlanul sok csavar…
Az egészet nem értem.
Még egy próbát rászánok, hátha összejön, Valaki tud segíteni.
Mellékelek 2 nehezen megszerzett ábrát is…
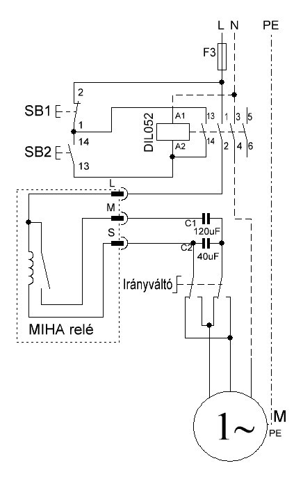
(#) elektroton válasza ruffy hozzászólására (») Márc 18, 2014 /
 
A 2 kondi közül a C1 az indító, C2 pedig üzemi kondi. Velük párhuzamosan Mohm nagyságrendű kisütő ellenállások.
A KV a mágneskapcsoló, itt a rajzon három záró érintkezőt alkalmazva.
SA az irányváltó kézi kapcsoló. Mekkora a motor teljesítménye, mert nem optimális a ki-be gombot a motor körben alkalmazni (SB1, SB2), nem erre van méretezve. Az "A" blokk az indító relé.
A DIL52 mágneskapcsolón a behúzó tekercs két vége az alul található A1, A2 bekötö csavarok. Az SB2 begombbal párhuzamos érintkezők számozása a 13, 14. csavarok.
A párhuzamosan kötött érintkezők számai: 1-2, 3-4 számúak.
(#) ruffy válasza elektroton hozzászólására (») Márc 18, 2014 /
 
huh.. köszönöm szépen!!.. az egyik kondi 40mikrofarad-os, azt látom, a másik gondolom 120 körül,,a 2 ellenállás 68 kohm, most elsőre beszerzem a hozzávalókat.. gondolom ellenállás olyan nagyobbacska kellene...
A motor géptáblája le van kopva pont ott, de ránézésre 5- 600W körüli lehet.
Ez a ki-be gomb amúgy az a nagy piros gomba alakú stop ( legtöbb gépen ilyen van ) és kisebb az indító,
de ez most úgy van, hogy benyomod a startot, -akkor kattan a relé, és van az irányváltó gomb ( ami egy dil nagyságú forgótengelyes kapcsoló ) avval indítod jobb vagy bal forgásiránnyal.
DE nagyon nehézkesen indul, szóval biztos nem jó valami.
Na mindegy, még nézegetem a rajzot, hátha átlátom...
(#) Tomi111 válasza ruffy hozzászólására (») Márc 18, 2014 /
 
Üdv!
még annyit elektroton írásához, hogy az bekeretezett A relét egy indító gombbal helyettesítheted, csatoltam képet. Az egy indítórelé és hőkioldó egyben.
Az ellenállások nem létszükséglet, lehet, hogy a kondiban gyárilag benne vannak, de ha teszel, ne 68k-sat, hanem 470k-1M nagyságrendűt. Csak a kondi kisütése a feladatuk.

névtelen.JPG
    
(#) ruffy válasza Tomi111 hozzászólására (») Márc 18, 2014 /
 
Köszönöm, Tomi.

Relé lesz, csak be kell szereznem a hozzávalókat. Plusz még egy gomb az már macerás lenne a gépen.
Azt, hogy hogyan az egészet, még elég homályos, de megküzdök vele valahogy...
(#) elektroton válasza ruffy hozzászólására (») Márc 18, 2014 /
 
Nos az éjjel már nem volt időm és erőm rajzot készíteni, most megtettem. Ennél egyértelműbben nem lehetne "leírni".
Két verzióban is megrajzoltam. Ha megvan a rajzod szerinti indító relé, akkor az szerinti bekötési rajzot is készítettem.
Ha nem indító relés hanem kézi gombos, akkor a rajz szerinti két záró érintkezős gomb a praktikus, így biztos az indítási kondi használata.
(#) ruffy válasza elektroton hozzászólására (») Márc 18, 2014 /
 
Köszönöm, Elektroton, ezek alapján megpróbálom.
viszont nincs meg az indító relé, a Te rajzodon van ( X1, X2, X3 kapcs pontokkal, ) ilyet lehet szerezni valahol? Mi a neve? Hogy kérjem a boltban?
(#) elektroton válasza ruffy hozzászólására (») Márc 18, 2014 /
 
Indító relét lehet valahol vásárolni, de én nem tudom hol. Nem vettem még ilyet.
A rajzodon lévő típus szerintem nem járatos Magyarországon(ezt rajzoltam bele).
Az egykori IMI motorok reléje másmilyen volt, azok valahol kaphatóak is. Egyfázisú motor indító reléként kell kérni a szakkereskedésben.
(#) ruffy válasza elektroton hozzászólására (») Márc 19, 2014 /
 
--Mondjuk egy ilyen jó?:

relé.jpg
    
(#) ruffy válasza ruffy hozzászólására (») Márc 19, 2014 /
 
ennek egy kicsit olyan "oroszos" a külseje, nem fog elütni…
(#) elektroton válasza ruffy hozzászólására (») Márc 19, 2014 /
 
A képen lévő jó lehet. Kérdéses az amper értéke, melyet a motor meghatároz. Ha rákeresel mint "MIHA relé", nagyon sok képet és információt találsz a neten. Mellékeltem adatlapot illetve korrigált kapcsolási rajzot melyben már a magyar relét ábrázolom.
Egyébként nem értem miért az oroszok jutnak eszedbe a készülékről, mert nem az.
(#) ruffy válasza elektroton hozzászólására (») Márc 20, 2014 /
 
Köszönöm, nekifogok beszerzem a hozzávalókat…
Bocs, de még 2 kérdés ( én nem értem a villamos rajzolás jelöléseit.. ) a rajz tetején mi az az F3 ( gyanítom biztosíték ) az előző 2 rajzon F1 meg F2 volt ,, --- csak biztosra akarok menni.
- még egy kérdés: az eredeti orosz rajzon látható a motor bekötés 6, 10 ,11, pontok ( balról jobbra )
ez a Te rajzodon is így van gondolom…

Mihá : csak külsőségekben ránézésre ez a barnás bakelit olyan oroszos, tudom, hogy magyar szabadalom ( valami trabant v zsiga megszakítófélét gyanítok benne.. ) a mai divat az olyan világosszürke-kék ( siemens, klöckner stb )
Tehát irány a BÓT:
Indítókondi:120 mikrof----- ( itt a gyári rajz 320V 40mikrof-at ír -- )
Üzemi: 40 mikrof----- ( Itt meg 250V 10 mikrosat ) -- -
Indítórelé egyfázisú motorhoz.. - MIHÁ vagy valami nemdrága

- még egy gondolat Tomi111 írta: az eredeti orosz cuccban hőkioldós relé volt - ugye az most nem lesz benne---- akkoor figyelgetem mikor füstöl ( mint az indiánok ) vagy az az F3 az pon az…
(#) elektroton válasza ruffy hozzászólására (») Márc 20, 2014 /
 
Ruffy!
Az F1(2,3) ugyan az, azaz biztosíték. Azért más-más szám értékűek mert több változat rajzot készítettem és a rajzoló programomban úgy volt beállítva, hogy automatikusan sorszámozza azt. Az eredeti orosz dokumentum szerint 5A-es.
A bekötési pontok sorrendje az én rajzomon nem azonos az eredetivel, javítottam ezt is, sőt berajzoltam a motor belsejébe a két tekercset is, hogy érthetőbb legyen. Ez segíthet jobban értelmezni, ezt ez alapján ohm mérővel ki is mérheted. Két egyforma értékű tekercselésnek kell lennie az irány válthatóság miatt.
A kondenzátorok értékét korábbi hozzászólásod alapján írtam, eredeti dokumentumot jobban átolvastam és az szerinti értékeket írtam most már. A motor teljesítménye ez olvasat szerint 370W-os. A korábban mellékelt MIHA relé táblázatból lehet megfelelő típust kiválasztani és beszerezni. Nem tudom miért van kétféle típus azonos motor teljesítményre, számozási szisztemáját sem ismerem, biztosan lesz valaki aki rutinból ismeri ezt. A számértékek valószínűen a névleges ill. indítási áramot jelölhetik.
Védelem: tényleg a Miha relés alkalmazásnál nincs bimetálos túlterhelés védelem, ehhez egy megfelelő hőkioldót kellene beépíteni, annak jelentős ára van meg további helyigénye is. Ezt azért pótolhatja egy megfelelően kiválasztott olvadó biztosíték. A kis (5x20mm) üvegbiztosítékokból lehet választani mert azok kis értéklépcsővel vannak. Jelen esetben 4-5-6,3A-esek közül lehet jó valamelyik. A "T" kivitelű lomha kioldásút kell választani, hogy elviselje az indítási áramlökést.
Egyértelműség miatt továbbra is rajzot mellékelek mert így kevésbé félreérthető a hozzászólás mint ha csak szövegelnék.
(#) ruffy válasza elektroton hozzászólására (») Márc 20, 2014 /
 
Hú, köszi, most már annyit nézegettem én is, hogy értem. - a DIL sok csavarja is átláthatóvá vált..
Nézegettem a motort is, igaz nem mértem rá a tekercsekre ( mert vagy 18db. kicsi .M4 csavaranyát kell leszedni + drótok. pláne kis helyen ) de az bizton látszik, hogy a motoromban 3 ! külön tekercs van, ezek vannak összekötve a 11, 10 , 6 . kimenő ( bemenő ) pontokra. ( persze mindegyik tekercsből jövő kábel irgalmatlanul teljesen egyforma rózsaszínű…)
Holnap megmérem mennyi ohmosak…
Ma persze elmentem boltba, de nem volt pont 120 és 40 mikrós kondi ( alatta fölötte tól-ig -esek igen ) meg persze MIHÁ-ról nem is hallottak...
De akkor szerencse is, mert ezek szerint maradjak a 40, 10 kondi párosításnál…. ??? biztos?
A MIHÁ- soknak meg írtam - gyártanak vagy 20 félét egyébként- és viszonylag elérhető áron -
3000ft adják..
A T biztit berakom, nem foglal nagy helyet, igaz annyit szerintem nem fog menni, a gép, hogy kiolvadjon… mivel általában kis dolgokat készítek, sok megállással, tehát folyamatos üzem nincs,
inkább sok ki-be kapcsolás.
A hozzászólás módosítva: Márc 20, 2014
(#) elektroton válasza ruffy hozzászólására (») Márc 20, 2014 /
 
A helyzet "bonyolódik". A fényképek alapján azt látom, hogy egy háromfázisú motorról van szó mely egy fázisra van használva.
Lehet, hogy a korábban közölt "eredeti" papírod alkatrész értékei nem is helytállóak. Esetleg a motor adattáblájáról is rakhatnál fel képet, még ha hiányos is. Tehát a kondik értékei sem biztosak, látom van egy kondi a képen, azzal kellene próbálkozni és mérni az áramokat ill. figyelni a túlzott melegedésre.
Mivel háromfázisú motor van deltába kötve a fénykép szerint, így bármelyik bekötő pont(áthidalás) is lehet a közös 6-os pont. (Mivel egy csavar kitört középen lent, ezért ott a két tekercsvéget egy csavar alá rakták).
A számozás az eredeti rajzon csupán kapcsolási-rajzi azonosítási számozás. Ez a jó szokásuk az oroszoknak meg az olaszoknak is, praktikusnak is tartom.
Elvi bekötése egyfázisra egy háromfázisú motornak a képen:

imi-motor.JPG
    
(#) ruffy válasza elektroton hozzászólására (») Márc 21, 2014 /
 
Na tehát.
A fényképen , amit látsz elektronikát, abból csak a bal oldali irányváltó kapcsoló ( elölről jön egy mechanika, avval lehet kapcsolni jobb-bal ) az eredeti, a többit már valaki átkomponálta… Ezért nem működik, ill. nehezen, nem mindíg indul ( mondjuk tegnap is esztergáltam vele, de gyorsabb áttételnél - nem indul, csak ha rásegítesz kézzel )

Az " eredeti " rajz az lehetett így, ezt nem tudom, de ezt találtam nagy nehezen ehhez a géphez.

KÉRDÉS: szóval akkor nem lehetne ezt 380-as üzemre kötni valahogy? Persze megmaradjon a
ki -vészstop - be kapcsoló gomb, plusz az irányváltó?

Pár napja odavezettem a harmadik fázist, uh. van 380 lehetőség….
(#) josef123 hozzászólása Márc 21, 2014 /
 
Szép napot!Egy hajtomüves notor bekötése okoz gondot mindenkinek!2800 rpm 0,25kw georgi kobold BREMSMOTOR 220/380v 118/0,68A 50hz p33 SPANUNG 220V MOMENT 0,37MKP TYP KOD 425 ma s59 -ez lenne irva a táblára!
Következő: »»   173 / 349
Bejelentkezés

Belépés

Hirdetés
XDT.hu
Az oldalon sütiket használunk a helyes működéshez. Bővebb információt az adatvédelmi szabályzatban olvashatsz. Megértettem