Fórum témák
» Több friss téma |
Fórum » Transzformátor készítés, méretezés
Ha kérdésed van, az alábbiak segítenek a hatékony választ megadni:
Mag típusa: M, EI, UU/LL esetleg I-kből összerakott, tekercselt, toroid. Lehetőség szerint képpel.
Méretek: magkeresztmetszet a*b (amit a tekercs körbeölel) ablakméret, lánc és toroidnál, belső-külső méretek.
Primer-szekunder feszültség(ek), teljesítmény igény.
Sziasztok !
Egy kis gyári trafó primer kivezetéseit kötötte össze ez az alkatrész. 250V váltóáramú jelölés van rajta, meg 5A. Nem zavarszűrő kondinak tűnik. Milyen alkatrész ez ? Valami túlfesz.védő ?
Legvalószínűbb megoldás a hőbiztosíték. Valahol egy hőmérséklet értéket is találsz rajta. 80-90, legfeljebb 130 Cfok.
Sziasztok!
Mellékelek pár képet egy trafóról, amit találtam nagyapámnál. Gyárinak tűnik az egész, viszont csak egy tekercs van rajta, 0.8mm-es rézhuzalból. Milyen készülékben lehetett? Az EI vasak nem átellenesen voltak betéve, hanem egyik oldalról az összes E, a másikról pedig az összes I. És a keret tartotta teljesen egybe. Nameg az évek. 3.8Ohm az ellenállása a huzalnak.
Szia!
Ez egy higanygőz lámpa fojtója.
Ez egy 125W-os higanygőzlámpa fojtótekercse (előtétje).
Köszönöm a válaszaitok, még nem hallottam eddig ilyenről!
A rajta lévő "rézhuzal", nagy valószínűséggel csak látszatra az. Ezeket alumínium huzallal tekerték akkoriban, csak a szigetelő lakk színe megtévesztő.
Frankó lágy huzal, remekül lehet vele apróbb dolgokat kötözni.
Hmm, nagy kár, de megnézem, hátha más.
![]() Viszont ha alu, akkor kötözésen kívül másra nem jó? Nem lehet tekerni belőle mást? Mert történetesen pont ehhez hasonló ármérőjű vezetékre lenne szükségem egy transzformátorhoz.
Szerintem hajtogasd meg próbából, mennyire könnyen, vagy egyáltalán lepattan-e a szigetelés. Amúgy használható szerintem, kicsit körülményes forrasztással toldani...
(Részemről csak orosz trafókon találkoztam alu huzallal, de mit lehet tudni, lehet tényleg az, rögtön kiderül, ha leveszel belőle pár cm-ert...)
Nekem van ilyen rézhuzallal, de NDK, Cseh, és persze Magyar trafóval is találkoztam, ami aluval volt.
Megnéztem a huzalt, jónak tűnik és szerencsémre réz. Már tekertem belőle 1 transzformátorhoz szekunder tekercset.
Sziasztok!
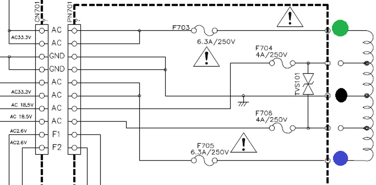
Birtokomba került egy nagyon jó kis trafó, sikerült is megmértem a feszültségeit, de nincs megfelelő huzalellenállásom, amivel áramokat is mérhetnék, viszont megtaláltam a dokksiját. Első oldal jobb alsó sarkában van a trafó. Amit tudni szeretnék, hogy melyik két kivezetést kell használnom, hogy használhassam a 6,3A-t? Én a 4 kivezetéses tekercs 1. és 4. kivezetésére gondoltam, mert az megy rá az egyenirányító hídra. Eközött a két pont között AC 77,5V-ot mértem, ezt osztva kettővel közelítőleg megkapom a szalagkábeles csatlakozó résznél feltüntetett AC 33,3V-ot, ezek alapján úgy gondolom, hogy ezt a két kivezetést felhasználva kapok 77,5V 6,3A-t. A valóság is ezt tükrözné? Előre is köszönöm!
Szia!
Ez egy középleagazasos trafo. a 2x33,3VAC, a Fekete ponthoz [GND] viszonyitva merheto a KEK es ZOLD [AC] pontokon. Itt is terhelhetsz 2x6.3A-el [NEM 12.6A-el!] a zold es kek pont kozott kapsz 66.6VAC-ot szinten 6.3A terhelhetoseggel. HA mazlid van akkor tudod parhuzamositani a 2 szekundert. -- DE CSAK ovatossan -- A 66VAC egyeniranyitva ~90VDC, ezt 6A-at terhelve, Igencsak szep KALYHÁT kapsz! A hozzászólás módosítva: Nov 20, 2014
Óvatos feltételezés a részemről, hogy a biztosíték értéke alapján gondoljátok a 6,3 A-es terhelhetőséget. Ha ebben nem tévedek, akkor rendkívül kockázatos a következtetésetek. Az olvadóbiztosíték értéke, és a vezeték terhelhetősége között csak nagyon áttételes a kapcsolat. A biztosítékot az erősítő szempontjából méretezik, és elsősorban a tranziensek alapján (bekapcsolás és egyéb csúcsértékek) számolnak.
Pl egy 100 W-as erősítőnél, ha azt +-50V-ról tápláljuk, igen gyakori a 4A-es lomha biztosíték, de a trafót ennek csak kb. a fele áramra kell méretezni. Ha követnénk a biztosíték vonalat, akkor 2x33x6,3 + 2x18,5x4 = 563,8 VA. Meg lennék lepve, ha ekkora trafó lenne benne. Ha más támpont nincs, akkor óvatosan azzal a 6,3A-el!
A rajzon is rajta van a haromszog felkialtojellel!
En csak a rajzon leirt nem gyakorlati ertekekel szamoltam ![]() Ismet hibaztam...... A feltetelezesed helytallonak kell tekintenem, mert a 2x33VAC lehet a emlitett 100W erosito betapja. A hozzászólás módosítva: Nov 20, 2014
Ne érts félre, nem volt bennem semmi gonosz szándék. Lehet, én járok rossz nyomon. Csak nyomatékosítani akartam, mennyire kétséges innen közelíteni a terhelhetőséget.
Egy ekkora trafóról beszélünk, elég sùlyos darab. Az megoldás lehet az árammérésre, hogyha a kérdéses kivezetésre rákötök egy Ampermérőt, ezzel sorba meg egy izzót. Úgy gondolom, hogy mivel nem elegendő a feszültség, így nagyobb áram fog folyni a körben, bár ilyet még nem csináltam.
SZia Alkoto "bacsi"! - ez a tisztelet jele
Miert ertenelek felre? :O Amit irtal az egy valosagos megkozelitese a dolgoknak. Különben is tudjuk, hogy trafot TERHELTEN merunk. Riddler17 igy irt: Idézet: ebbol nekem az jött le, hogy ez bizony a nyers AC lesz.„...a két pont között AC 77,5V-ot mértem,...” Riddler17: En mondjuk 2db 24V 60W izzot tennek ra sorosan kapcsolva. igy megovod az izzot is a tulfeszultsegtol. S igy mernek egyet a kapott feszultsegre A hozzászólás módosítva: Nov 20, 2014
Szia Alkotó!
Teljesen jól közelítetted meg a dolgot! Egy erősítőben, az olvadó biztosító, csak és kizárólag zárlat védelmi szerepet tölt be. Semmi esetre sem túlterhelés védelmet. Az értékét, a puffer kezdeti töltőáramának üzemszerű (élete folyamán többször ismétlődő) elviselésére méretezi a gyártó. A háromszöges felkiáltójel pedig arra hívatott figyelmeztetni egy kapcsolási rajzon, hogy az eképp jelzett alkatrész, csak és kizárólag azonos paraméterekkel rendelkezőre cserélhetők. Nem gyengébb, nem erősebb, stb... Tehát az a trafó, jó esetben is, a felét tudhatja. De majd a primer tekercsbe integrált hőbizti megmutatja, mennyit bír(t).
"...mivel nem elegendő a feszültség, így nagyobb áram fog folyni a körben..." ezt nem tudom értelmezni. A feszültség és az áram között egyértelmű összefüggés van, aminek még nevet is kitaláltak, ellenállásnak hívják.
Egy ismeretlen trafó terhelhetőségének meghatározására vannak közelítő módszerek, de egyik se atombiztos. Három fontos tényező van, egyszer a tekercseléshez használt huzal vastagsága, másodszor a vasmag keresztmetszete, és harmadszor a körülmények/elvárások (ez általában azt jelenti milyen meleget tudunk még jó érzéssel tolerálni) 1. A huzal átmérőjét a legjobb valahogy megmérni. Ettől biztosabb módszer nincs. Ez nem mindig lehetséges, de ha jól látom a te esetedben megoldható, mert az van feltekerve a csatlakozó tüskére. Ha az átmérő megvan, akkor kiszámolod a keresztmetszetét, és választasz egy áramsűrűséget (2,5-5 A/mm2 között szokott mozogni). Mondjuk ha 1-es huzalból van, annak 0,785 mm2 a keresztmetszete, amihez ha 3 A/mm2-t választasz, akkor 0,785x3=2,36 A a terhelhetősége. Ha nem tudod a huzalt megmérni, akkor mér csak találgatni lehet. Addig terheled a kiválasztott tekercset (tartósan), ameddig az a kívánt hőfok alatt marad. Kimondottan bizonytalan módszer. 2. A vasmag mérete és minősége azért fontos, mert ez adja meg a teljes trafó teljesítményét. Itt is van némi szórás, de azért a gerjeszthetőség ismeretében jó közelítéseket lehet tenni. Tapasztalatom szerint, a trafók jelentős túlgerjesztést is kibírnának, de mégsem nagyon lehet ebbe az irányba elmozdulni, mert nem fér el rajtuk az ehhez szükséges vastagabb huzal. Itt az a lényeg, hogy minden szekunder tekercset egyszerre kell megterheli, és így vizsgálni a melegedést, illetve a feszültségesés mértékét. Addig növeled fokozatosan a terhelést, amíg egy "bűvös" %-nyi értékre csökken a szekunder feszültség. Ezzel az a baj, nincs egyetértés mekkora ez az arány, de valahol 5-15% körül lehet az igazság. Ezt több tekercses szekunder esetén iszonyatosan macerás mérés, de a kapott feszültségek és áramok ismeretében számítható a trafó összteljesítménye. 3. A körülmények a legrugalmasabb tényező. Folyamatos terhelésre egészen más elvárások vannak, mint mondjuk impulzus üzemben. Az a lényeg, a várható terhelési viszonyok között ne melegedjen túl se a vasmag, se a huzal. Erősítő esetében, éppen a kettő között van az igazság, de itt vannak szélsőséges álláspontok is.
Sziasztok!
Szerzeményeim közé jutott az alábbi transzformátor. Szerintem valami csöves egységben szerepelhetett, a kondenzátor az előtérben is nagy feszültségtűrésű darab. A bal oldali trafó egy troidra hasonlít, míg a jobb oldalán lévő egy "hagyományos" zárt vasmagosra, egymásnak elforgatva vannak fent. Adatokat nem jegyeztem fel róla, csak azt néztem, hogy szakadt lenne-e a tekercselés, de nem volt az. Eléggé régi, nehéz darabnak tűnik (3-5kg közé tenném). Ti látnátok benne fantáziát? Persze szépen letakarítva, rozsdátlanítva, esetleg újra tekercselve.
Ez egy nagyfeszültségű nagyfrekvenciás gyújtóegység. Régi AWI (argon védőgázas) hegesztőkben láttam hasonlót. Sok mindent nem tudsz kezdeni vele. A trafó szekundere 2-5ezer Volt vagy még több. A nagy kék gomba nagyfeszültségű kondenzátor, a mellette álló légmagos tekerccsel rezgőkört alkot. Mellettük a két sárgaréz tuskó az állítható csavaros csúcsokkal a szikraköz, ami a nagyfrekvenciát kelti.
Aha, akkor sajnos a reményeimmel ellentétben nem az, aminek szerettem volna hinni!
Ha otthon leszek kicsit áttanulmányozom a trafót. A kialakítása olyan lehet, hogy az egyik csévetesten a primer, másikon pedig a szekunder található?
Sziasztok!
Van egy transzformátorom, aminek több szekunder tekercse is van, de egyik se megfelelő feszültségű. Ezért át szeretném tekercselni, de már a szétszedésénél elakadtam. Volt rajta egy alumínium burok, azt leszedtem, eddig rendben. Innen hogyan tovább? A vasmag nagyon össze van ragasztva, és nyilván be van szorítva a csévetest (amin a tekercsek vannak) közé. Hogyan tudnám szétszedni károsodás nélkül?
Sziasztok!
Van egy kb. 10x10cm méretű vasmagom. Milyen menetszámú tekercset kellene tekernem, a primer oldalra, hogy használható legyen 220V-ra? Olyan 0,5-0,6mm-es huzalom lenne. A szekunder oldalon, olyan 30-35V körüli feszültséget szeretnék, 2-3A elegendő lenne. Illetve milyen teljesítményig lehet elmenni ezzel a vasmérettel? A hozzászólás módosítva: Nov 22, 2014
Igen, nagyfesz trafóknál leggyakrabban így van megoldva. Több esetben a nagyfesz rész kezdetét lekötik a vasmagra...
Az impregnált kivitel megkeseríti az amatőr életét, de minimalizálja a magnetostrikciós zajt (búgás, egyéb rezgések). Remélhetőleg E-I típusó a vasad, nem pedig "M", mert ez utóbbi az igazán nyűgös.
Először ki kell piszkálni az összes "I" lemezt: a legszélén az elsöket snitzert betolva a ragadást meg kell szüntetni, majd kipiszkálni. Ha hozzákezdesz, majd adja magát a dolog, ráérzel a fogásokra.
A legkülső méretet néztem, de csak nagyjából. A közepe olyan 35-40mm keresztmetszetű lehet.
Most nézegetek itt egy dokumentumot, talán 2,65menet/V, olyan 580 menet körül kellene talán. Az az igazság, hogy letekertem a primerről egy 220V-os 0,5mm-es huzalt, mert a belső fele szakadt pont be. Az is kérdés lenne, hogy vissza-e lehet tekerni? Úgy látom mintha valami kemény, átlátszó anyaggal folyatták volna be, nem jött le túl könnyen. A hozzászólás módosítva: Nov 22, 2014
|
Bejelentkezés
Hirdetés |




















