Fórum témák
» Több friss téma |
Fórum » Elektronikus előtét fénycsőhöz
Témaindító: Dr.God Man, idő: Feb 22, 2010
Témakörök:
A téma hozzászólásai áthelyezésre kerültek ide » Elektronikus előtét fénycsőhöz
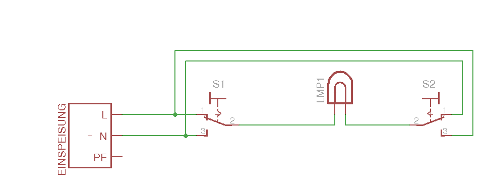
A bekötés a csatolt módon van elvégezve. Az előtét így kikapcsolt állapotban rövidre zárt bemenettel rendelkezik.
Üdv!
Az általad csatolt bekötés ugyanúgy szabálytalan és veszélyes, mint amit VIM csatolt. Csatoltam a helyes bekötést. (csak felcseréltem VIM rajzán a fázist és nullát). Kösd át így! Így nem lesz fázis a burkolaton, de azért én leföldelném. Viszont a leírt hiba, hogy nem mindig kapcsol be, az valószínű nem a hibás bekötésből ered. A fojtónak lehet baja.
Nyilvánvaló, hogy a fojtónak van baja, ha megjavítom majd átkötöm a mutatott módon. A kérdésem arra irányult volna, hogy valaki tud-e tipikus, nem triviális (kiszáradt elkó, stb.) elektromos fojtó hibákat, illetve hibakeresési módokat.
Sziasztok!
Egy hagyományos fojtótekercses armatúrát alakítottam át kompakt fénycsőből kitermelt elektronikával. Az "átalakított cső": Polylux F15w/840, az eredeti fojtótekercs 15w-os. Egy névtelen 15w-os kompaktból kiszedett elektronikával körülbelül fele, kétharmad fényerővel világít. Philips economy 20w kompaktból kitermelt elektronikával viszont - a fojtóhoz viszonyítva - nagyjából teljes fényen világít. Mi lehet itt a csalás? A névtelen kompakt csak papíron 15w? Károsodik valami, ha 20w-os elektronikával járatom? üdv: I A hozzászólás módosítva: Dec 22, 2013
Bocsánat! Igazad van"
Félrenéztem ... A hozzászólás módosítva: Dec 23, 2013
Roppant hasznos linkek! Köszönöm szépen!
Igazán nincs mit
Fogyasszátok egészséggel
Sziasztok! Megépítettem ezt a kapcsolást, szépen begyújt egy 18W 60cm Osram csövet, viszot olyan mintha a fénye ingadozna egy kicsit. Ez mitől lehet?
Egyenáramról megy a cső, nem tesz neki jót. Olvasd el EZT, a vége felé leírja, miért nem jók az "olcsó" megoldások...
Elolvastam, így már értem. Viszon kipróbáltram egy kiégett 40W csővel és azon már nem ingadozoik a fénye.
Meg már nem is tud tönkremenni, legjobb újrahasznosítás
Sziasztok!
Úgy értesültem ilyen 35W-os NA lámpa előtétből lehet csinálni fénycső előtétet. Tudja esetleg valaki hogyan kell? Köszönöm a segítő válaszokat!
Sziasztok!
Olyan gondom adódott, hogy szeretnék csinálni egy levilágítót T5-ös csövekből. Ami adott: T5 UV fénycső 25W (egy nagy rakás) 100W hagyományos előtét (szintén nagy rakás) Szerintetek hogy kössem össze a csövekkel az előtétet? Ha sorosan kötök kettőt, akkor nem indulnak el. Mi volna erre a jó megoldás? Hogy tudnék 3-at vagy 4-et beüzemelni 1 előtéttel? Elég speciális eset Előre is köszönöm.
Sehogy. A T5 csövek égési feszültsége és a gyújtók miatt kizárt, hogy kettőnél többet köss sorba. De T5 csőhöz amúgy sem való hagyományos előtét, drasztikusan rövid életük lesz alatta. Elektronikus előtétet vegyél, abból van 3-4 csőhöz való is, párezresért. márkásat érdemes, előfűtéses típust. Mondjuk ez a 25 W sem tánike gy szabványos típusnak, az is lényeges volna, hogy HE vagy HO-egy csőnél sosem a teljesítménye az érdekes adat, hanem a rajta átfolyó áram.
T12-t gyártanak még, számos helyről nem fogja/tudja kiszorítani a T8. Szolicsövek tipikusan, a kültéri, 2 méteres csövek és pár egyéb (RB-FX). A T5 nem új technológia, az 50-es évek óta létezik 4-6-8-13 W-osban-ezeknek még van hagyományos előtétjük, a HE/HO típusokhoz viszont már valóban csak ECG használható.
Lehetne talán, de minek? Ez nátriumlámpához/fémhalogénhez való, nem fénycsőhöz. Átalakítani nagyobb tortúra, mint amennyit ér. Szerintem nem sok értelme van..
Régóta játszom a gondolattal hogy power ledeket kössek az fcső helyére, nyilván méretezve (feszültség ,áram, ac miatt két ellenpárhuzamos ledsor), vélemény?
Köszönöm a választ! Véleményed szerint ez a Lac2010 féle technika működhet ezekkel a csövekkel? Ezek szolárium gépek fej csövei voltak.
Arra gondolsz, hogy az eredeti előtéttel? Vibrálni fog (a fénycsőnél jobban) és az első lekapcsoláskor jó eséllyel tönkreteszi a tekercs valamelyik LED-et, kell gyártani elektronikát mellé, ami védi, egyenirányít, pufferel. Elektronikus előtétnél bekötni sem lehetne egyszerűen. Létezik retrofit fénycső LED-ekkel, nem olcsó, ha márkás, gagyit nem szabad venni. A jelenlegi power ledeknél egy T5 HE cső elég gyakran jobb fényhasznosítású, csak körbe sugároz, így pontosan méretezett (nem elég a beragasztott alufólia) reflektorral kell irányba állítani a fényét.
Közben lefényképeztem a csövet, hátha segít.
Egy elektronikus előtétben nem véletlenül van annyi alkatrész. Az az elektronika rögtön egyenirányít, az nagyon nem jó a csőnek és élettartamának, és az egyik katódja sokkal jobban fog használódni. Egy mai cső normális előtéttel, napi 10 óra üzemet feltételezve el kéne menjen 6 évet. Ha nem jó a meghajtás (alul-, vagy felülhajtott), az így-úgy mind az élettartam rovására fog menni, vagyis a katód üzemi hőmérsékletéhez kell ragaszkodni (jól méretezett előfűtéskor sincs ott nagyobb hőfok, és ez bőven látható tartományú fényt jelent rajta). A csővégi katód nem fűtőszál csak, és nem attól megy tönkre a cső, hogy előfűtjük: Ezzel pont kíméljük. A hidegen berobbantott cső egy csomó anyagot leszór erről a fűtőszálról, ez az anyag az emissziós massza, aminek az a szerepe, hogy az elektronemissziót megkönnyítse. Enélkül a cső működésképtelen, vagy nagyon instabil, nagy a katódvesztesége (jobban izzik a katód). Ha elszakad a szál, akkor valóban nincs dráma, ha be lehet gyújtani még, akkor el fog menni egy darabig, de ha elfogy a massza, vagy az izzószál, a teljes energia egy pontból és nagyobb veszteséggel fog kilépni és a katódbevezetés végigég. ha nagyon alulhajtott a cső, akkor elmegy sokáig, de a spektruma teljesen más lesz, és a hatásfoka is sokkal kisebb.
A hozzászólás módosítva: Feb 10, 2014
Az elektronikusra gondoltam , ha 20-30 darabot sorba kötök , az 60-90 V jelent , nem vibrál , mivel a ledek ellenpárhuzamosan vannak kapcsolva , legfeljebb 2 gyors diódát kell betenni , a kérdésem az lenne h valaki próbálta e már??
Nem, mi értelme lenne? Fillérekből lehet LED-hez való kapcsüzemű tápot venni, vagy csinálni. Intelligensebb elektronika le fog állni vele (azaz el sem indul), az egyszerűbb lelki világúak el is indítják, aztán ha egy LED megszakad, akkor jó eséllyel tönkre fogja tenni a többit is, működési elvéből fakadóan, mert megpróbálja begyújtani, csak akkor nem 60-90 V lesz, hanem a 8-10x-ese..
Szevasztok!
Van egy jó pár különféle hosszúságú fénycsövem tft/lcd monitorból. Az inverterük sérült. Szeretném újra a régi fényében látni őket egy 555-fet-diódás soxorozó kombináció segítségével. A problémám a kimeneti villany nagysága. Van erre valami ökölszabály? Mert típusjelzés nincs a csöveken. Vagy esetleg van más problémám is amiről nem tudok? Köszi a válaszokat!
Néhány ezer volt kell nekik aztán annyi, világítanak. Nem kell különösebben bajlódni semmivel, csak a fesz legyen meg.
Ez ökölszabálynak teljesen jó, csak nem lakástüzet akarok, hanem hideg fényt! '86-ból mikor ezeket tanultam valami 160~190V rémlik a 20W-os 40W-os csövekhez amik a menyón voltak. Vagy ez neon? Kell neki a néhány kV?
Idézet: „Néhány ezer volt kell nekik aztán annyi, világítanak” Így még a sólet konzerv is világít! Idézet: „Nem kell különösebben bajlódni semmivel, csak a fesz legyen meg.” A fesz-t meg tudom csinálni, de ki fizeti az áramot, és a többi károsultat? Köszi, hogy fáradtál!
Ezek nem olyanok mint a neon csövek. CCFL-nek hívják. Higedkatódos csövek, szóval gyújtás, meg ilyenek nincsenek. Áram nem tudom mennyi kell, sosem bajlódtam ezzel de az íróasztali lámpámba az van és már 3 éve tökéletesen működik. A tápja az eredeti trafóját hajtja kb 70kHz-en, és a néhány kV-ot onnét veszem hogy csak simán a trafó két kivezetése közt jó 2cm-es ívet húz. Egyébként nem hiszem hogy túl nagy áramfelvétele lenne egy ilyen csőnek. Ami fontos, az a kicsatoló kondenzátor mérete.
A hozzászólás módosítva: Ápr 22, 2014
Az áram csak vicc volt
. De a 2 cm-es szikra az nem az. 1 cm levegőnek 20kV az átütési szilárdsága. Oda már dacos szigetelés kellene, ha ez 40kV-on bírna csak fényt kiadni magából. Hát assz*em marad az eredeti ötletem: 555-fet-poti, aztán sox*orozó óvatosan.Mindenesetre köszi az infókat. Mod: *sokszorozó és azthiszem! A hozzászólás módosítva: Ápr 23, 2014
|
Bejelentkezés
Hirdetés |






Fogyasszátok egészséggel 


. De a 2 cm-es szikra az nem az. 1 cm levegőnek 20kV az átütési szilárdsága. Oda már dacos szigetelés kellene, ha ez 40kV-on bírna csak fényt kiadni magából. Hát assz