Fórum témák

» Több friss téma
Fórum » Kapcsolóüzemű táp 230V-ról
 
Témaindító: cimopata, idő: Szept 13, 2006
Témakörök:
Lapozás: OK   446 / 788
(#) voodoo válasza djsala hozzászólására (») Ápr 28, 2014 /
 
A sima szigszalag lehet elpuhul majd egy-két próbakör után...
(#) etm válasza ferci hozzászólására (») Ápr 28, 2014 /
 
Köszi a választ! Az a bibi,hogy az áramszabályozás nem is dolgozik,mivel nem éri el az OP3-asnál a 9-es lábon a 200 mV-ot,hogy így a 10-es lábon lévő 200 mV-ot meghaladva vissza tudjon szabályozni.De ez nem történik meg. Vagy az R14-et kellene nagyobbra tenni,hogy nagyobb legyen a 9-es lábon a fesz. Valamit majd megpróbálok holnap. Üdv!
(#) ferci válasza etm hozzászólására (») Ápr 29, 2014 /
 
Az R14 egyértelmű: ohm-törvény.. ha úgysem tartja még az 1,3..1,4 ampert sem sokáig, akkor növeld csak meg 0,15 ohm-ra. A ( nálad ) kritikus első 20 percben pedig folyamatosan írd táblázatba az áramot és a töltőfeszt, hogy többet láss és tudj is mondani... hamar kiderül, hogy mit lépne az első időben a töltő...- ráadásul meglátnád, ott is "sistereg"-e, amikor tényleg áramot kénytelen visszavenni. - ott még próbára 0,2 ohm-ot is betennék ( 1 A..)...az előzőekben (hsz) leírtakat meg próbáld ki.
Az akkud sokáig nem veszi fel a töltést, mert vagy kevés a terhelhető töltőfesz és hamar eléri a rendelkezésre állót ( amper term. lecsökken..), vagy kicsi már a kapacitása ( Ah )...
(#) etm válasza ferci hozzászólására (») Ápr 29, 2014 /
 
Köszi,meg fogom próbálni.De először kicserélem a gretz-en a kondit,mert eléggé melegszik,és az NTC is süt töltés közben.A FET normális hőfokú,és a többi alkatrész is szerintem jó(langyos).Megpróbálok berakni (szerezni) 0.15 ohmos ellenállást R14-nek. Üdv!
(#) djsala válasza voodoo hozzászólására (») Ápr 29, 2014 /
 
Tudtommal a 3M-es szigszalag 100akárhány fokig hőálló.
(#) ferci válasza djsala hozzászólására (») Ápr 29, 2014 /
 
Jól tudod... .. 130 fokig biztos... addig meg csak nem melegíted fel a trafódat, hihi..
A vas közül meg pláne nem "folyik" ki olyan egyszerűen.. körbekötözni meg semmi gond.
A jobbak legalább 150 fokig is jók, üzemszerűen.
(#) (Felhasználó 46585) válasza ferci hozzászólására (») Ápr 29, 2014 /
 
Nem is a hőtűréssel van baj, hanem azzal, hogy az állandó nyomás hatására vékonyabb lesz. Ez kismértékű, de az egész szalag nagyon vékony, tehát százalékosan már jelentős lehet és megnő a trafó induktivitása.
(#) voodoo válasza ferci hozzászólására (») Ápr 29, 2014 /
 
Forró radiátorcsövön (kb 60-70°C) feladja a harcot a ragasztója. Egyszerűen elkezd rajta csúszkálni, mintha be lenne zsírozva és közbe szagot ereszt. Hajszárítós tesztnél is könnyen bebizonyosodik, vagy csinálj /csináljatok a sütőbe 150°C-ot és meglátjátok, (bár nem ajánlom mert odaragad azt ki lehet takarítani+szag) ez a PVC nem alkalmas trafókészítésre. Könnyen elképzelhető, hogy az előzőleg jól beálított rafó értékei meg fognak vele változni.
(#) ferci válasza (Felhasználó 46585) hozzászólására (») Ápr 29, 2014 /
 
Elvileg igazad van, de egy "szalagos" összeszorításnál a nyomás nudli, az inkább rögzítés.
A pár százalékos mágnesezési L-változás pedig a szórtnál semmit nem jelent..
Végülis nem 0.8 mm-re gondoltam egyébként sem, mert ide nem is kell annyi, másrészt akkoránál meg nem szalagot szoktak rakni, ha így kell "légrést" csinálni.
(#) ferci válasza etm hozzászólására (») Ápr 30, 2014 /
 
Nem hinném, hogy a kondicsere segíteni fog... az ilyen "alacsony költségű" tápoknál könnyen meglehet, hogy melegszik a graetzen lévő puffer..- tennék utána párszáz uH fojtót és párszáz nF 630 voltos kondit, hogy ne legyen nagyfreki direktben az elkón. Tuti, hogy azért melegszik.
Természetesen nem árt, ha az is 105 fokos..
Az NTC pedig melegedhet.. nézd meg katalógusban, miket találsz róla, mit adnak meg értékeket és letesztelheted másképp, egyszerű DC áramkörben, mekkora áramnál hány fokos lesz..- nem mindegy, hány ohm-os és mekkora terhelhetőségű.
(#) etm válasza ferci hozzászólására (») Ápr 30, 2014 /
 
Hello Ferci! Köszönöm a választ! Az kondi csak terhelésnél melegszik.Tehát amikor csak bekapcsolom,és nem teszek rá akksit,akkor tök hideg minden alkatrész,még akkor is ha 5 percig rajta hagyom. De ha már akksi is van rajta,és tölt,akkor süt az NTC is és a kondi is eléggé meleg. A nagyfreki az jelen van terhelés nélkül is,vagy csak terhelésnél? És a fojtót amit írtál,hol tudok szerezni? Hogyan kell berakni?Gondolom,a gretz után,a trafóval sorba,és a nF-os kondit amit írtál, azt a 47 mikro-s kondival párhuzamosan tegyem? Üdv!
(#) ferci válasza etm hozzászólására (») Ápr 30, 2014 /
 
Hali!
A puffer term. akkor melegszik, ha terhelés van és a (pl.) 70 kHz-es impulzusáram szaladgál róla..- NTC meg nyilván akkor, ha nagyobb áram folyik át..
Fojtónak jó vmi kis légréses akármi.. fazékvas, E.. mag... végszükségben kis ferritrúd..
A + ágba tedd be sorosan, de nem kritikus.. a pufferre is tehetsz párhuzamosan kis kondit, de a fojtó után muszáj.. végülis egy LC fojtót képzelj el.
(#) lorylaci válasza etm hozzászólására (») Ápr 30, 2014 /
 
Idézet:
„NTC is és a kondi is eléggé meleg”

Az NTC-nek az a feladata, hogy meleg legyen. Amíg nem robban fel, addig ne foglalkozz vele! Ha nagyon izgulsz, akkor mérjél rá egy lézeres hőmérővel. Ha 100C alatt van, akkor no para.

Na szóval nem önamagában a nagyfrekivel van baj. A kondit a fegyverzetén átfolyó búgóáram melegíti. Mivel a kondi impedanciája a frekvenciával csökken, emiatt a melegedések mindig csak nagy frekvencián lehetnek számottevőek.
Nagyon nagy frekvencián a kondi impedanciája elér egy minimumot, ez az ESR, vagyis az ekvivalens soros ellenállás. (még nagyobb frkevneicán meg újra nőni kezd a láb és a fegyverzet induktivitása miatt)
A búgóáram négyzete szorozva az előbbi ellenállással (Iripple2*ESR) az disszipáció, és ez melegíti a kondit.

Ha a primer oldalon lévő elkó melegszik, akkor a következőeket tehetsz:
- kicseréled egy nagyobb kondira, ami lehetőleg LOW-ESR. Ha megnézed az előző képletetet, akkor az ESR cökkentésével csökken a disszipációja. A nagyobb kapacitású és nagyobb feszültésgű kondik ESR-je általában kisebb
- Beraksz vele párhuzmaban egy MKP-10 kondit, sőt a legjobb ha ezt a kondit úgy teszed hogy közelebb legyen a trafó +-ra csatakozó pontjához, és a kondi másik fele a FET alatt lévő sönt alján legyen. Ezzel a nagyfrekvenciás áramok negy része ezen a kondin fog átfolyni, és a náykpáláyk pedig induktivitásként hatva csökkentik az elkó terhelését ilyen szempontból
A hozzászólás módosítva: Ápr 30, 2014
(#) ferci válasza etm hozzászólására (») Ápr 30, 2014 /
 
Gondolom, időd kevés vagy a részletek annyira nem érdekelnek..
Beírok pár gyakorlati adatot, ami nálad előfordulhat töltés közben.
Csak 13 mm átmérőjű, 7 ohm/25 C°-os NTC volt kéznél:
0,2 A 1,1 V 0,22 W > 5,5 ohm
0,3 A 1,3 V 0,39 W > 4,3 ohm
0,5 A 1,1 V 0,65 W > 2,6 ohm.
Kár, hogy nem írtad be, hány amper megy, amikor töltesz és "süt"...
Ha kisebb tárcsád van, pl. 10 mm-es, akár 60-70 fokos is lehet.. mérd meg.

Amit lorylaci részletesen kifejtett: tápfesz hidegítés.. soha nem szabad elfelejteni, akármilyen frekiről van szó... kevesebb lesz a "csoda"...
(#) etm válasza ferci hozzászólására (») Ápr 30, 2014 /
 
Hello! Köszönöm Mindkettőtöknek a választ. A kondi eredetileg 105 Celsius Fokos volt,mivel tönkre ment,kicseréltem,és ez már csak 85 fokos.(nem vettem észre). De vissza cserélem 105 fokosra. Az NTC típusa 5D-9. Az átmérője 10mm. Néztem az adatait,de nem tudtam kinézni hogy hány fokot bír ki .Ír ott 5 ohm,25 celsius fok,3 Amper...Lemértem,hogy mennyi folyik rajta keresztül. 0.4 Ampert húz a primer , mikor 1.6 Amperrel tölti az akksikat. Tehát 0.4 Amper folyik át az NTC-n és az melegíti. Ez így jó?
A hozzászólás módosítva: Ápr 30, 2014
(#) ferci válasza etm hozzászólására (») Ápr 30, 2014 /
 
Jó az kb., mert 100 watt körül lehet a teljesítményfelvételed.
A többi dolgot megcsináltad?
(#) etm válasza ferci hozzászólására (») Ápr 30, 2014 /
 
Akkor jó! Még nem csináltam meg ,mert alkatrész hiány van ,de ma megpróbálom megcsinálni,és jelentkezni fogok! Köszönöm a segítséget,de még halljuk egymást,hogy hogyan sikerült.! Üdv!
(#) vottokar hozzászólása Máj 1, 2014 /
 
Sziasztok! Elkészítettem egy forrasztóállomáshoz lorylaci mini rezonáns tápját. Mivel csak bontott PC táp trafó vassal rendelkezem, erre tekertem meg a trafót. Szórt induktivítása 67uH (elválasztóval szerelve, gyári litze primer 40menet, házi litze szekunder talán 9menet. Sajnos pontosan nem emlékszem. cca 2 éve tekertem más célra de 24V-ra. De akkor olyan 6A-ra számolva a huzalkeresztmetszeteket)
Összerakva szépen működik meg is van a kimenő feszültség, és a páka által terhelve hidegen sem esik csak 1,5-2V-ot a kimenőfeszültség. Viszont most, hogy a forrasztóállomás beállításakor huzamosabban üzemelt észrevettem, hogy a ferrit eléggé melegszik. Nem használtam más hőmérőt csak a kis kezemet, de azzal még megfogható volt a ferrit. (sajnos más hőmérőm jelenleg nincs ) Próbálkoztam egy kicsit. Az hogy terheltem vagy nem a tápot nem nagyon számított kézzel ugyanúgy és érezhetően ugyanannyira meleg volt. Fet-ek kimenő kettősdióda nem melegszik. Ilyen esetben mi az egészséges hőmérséklet? Egy zárt fémdoboz lesz a lakhelye, nem szeretném, ha megsülne..
(#) ferci válasza vottokar hozzászólására (») Máj 1, 2014 /
 
Biztos kapsz majd sok kérdést és javaslatot... mekkora frekin járatod, vmiért mégis túl van gerjesztve, stb...- de addig is... valamennyi perforáció nem ártana a dobozodon a trafó környékén és a trafóval szemben egy 50x50x10 mm-es mini ventilátor csodákra képes..
Az a +1 watt teljesen le fogja hűteni a vasadat...
(#) granpa válasza vottokar hozzászólására (») Máj 1, 2014 /
 
Mint gyakorlott kollégáink leírták párszor; nem baj, ha meleg, a ferritek 60-90C°-on dolgoznak a legjobban.
(#) sny válasza granpa hozzászólására (») Máj 1, 2014 /
 
Butaság, hogy ott dolgoznak a legjobban. A lényeg, hogy curie pontig ne hevüljenek, illetve a szigetelést ne károsítsák.
(#) granpa válasza sny hozzászólására (») Máj 1, 2014 /
 
Én csak arra írtam, hogy ne gondoljon semmi rosszra, ha kissé (kézmeleg) melegszik.
(#) sny válasza granpa hozzászólására (») Máj 1, 2014 /
 
Egyetértünk.
(#) lorylaci válasza vottokar hozzászólására (») Máj 1, 2014 /
 
A ferritek optimális működési hőmérséklete 60-100C között van, ekkor a legkisebb a fajlagos veszteségük.
Ezt a ferrit adatlapjában meg is lehet nézni. Ha még meg tudod fogni, akkor végképp nem túl meleg, szóval nem kell aggódnod!
(#) lorylaci válasza sny hozzászólására (») Máj 1, 2014 /
 
Nem butaság. Az N97 minimuma W/kg minimuma 100C környékén van, ha efölé megy a hőmérséklete, akkor a vesztesége nő. Amennyiben a veszteség növekedése nagyobb, mint a disszipációs képesség, akkor hőmegfutás léphet fel.

A tuti ferritek Curie hőmérséklete 250C felett van, de a huzal szigetelések 150C felett már kezdik magukat megadni. Nem is beszélve az egyéb szigetelésekről, vagy pont a csévéről.
(#) sny válasza lorylaci hozzászólására (») Máj 1, 2014 /
 
Ha figyelmesebben elolvasod az adatlapot, akkor azt is észreveszed, hogy a fluxussűrűséget és vagy a frekvenciát illik csökkenteni a hőmérséklet növekedésekor. Itt nem arra gondolok, hogy 25 fokról 35 fokra hevül a ferrit... (N97 anyag adatlapja)

Nagyon jól tudom, hogy a szigetelés - főleg a ragasztóanyagok (!) előbb adják meg magukat, mint a ferrit Curie pontja. Ezt is írtam.

Tehát az, hogy a fajlagos vesztesége nagyobb hőmérsékleten van minimumon, még nem egyértelmű következtetés arra, hogy "jobban dolgozik" a ferrit.

Remélem értjük egymást...
(#) lorylaci válasza sny hozzászólására (») Máj 1, 2014 /
 
A mag valóban hamarabb telít nagyobb hőmérséklet, ebben igazad van.

De többnyire az előforduló B még a telítési B felét sem éri el. Lásd az N97 telítése 25C-on 510mT, 100C-on 410mT. Azonban mondjuk 100kHz-en és 200mT-n a mag már szimlán 150C körül lehet.

Szóval a működés szempontjából leginkább meghatározó paraméter nem is a Curie hőmérséklet, vagy a maximális fluxussűrűség, hanem leginkább a fajlagos veszteség. Szóval az egyik legfontosabb paraméter alapján itt dolgozik legjobban a ferrit.

Persze ha fogok egy N97 magot, és nem 100kHz-en járatom, hanem mondjuk 25kHz-en, akkor lehet 300mT-n dolgoztatom, és akkor már figyelni a telítésre. De ekkor inkább ne N97 anyagú magot fogjunk, hanem mondjuk porvasmagot, vagy sendustot vagy üvegfém vagy egyéb más magot.
(#) vottokar válasza ferci hozzászólására (») Máj 2, 2014 /
 
Bocsánat, hogy most válaszolok, de mértem és számoltam egy kicsit délelőtt.
Az IR2153 olyan 58kHz-en jár. A rezonáns kondik (2db) értéke 47nF.
Ma szereztem egy infrahőmérőt (testo810) ezzel a mért hőmérséklet kb fél óra üzemelés után maximum 51C. De ez nyitottan, nem összeszerelt dobozban. Azt hiszem összerakom és mérek úgy is.
Sajnos a kialakítás miatt nem hiszem, hogy elfér benn ventilátor. De ha muszáj, valahogy a hátuljára beapplikálok egy 40mm-est.
(#) ferci válasza vottokar hozzászólására (») Máj 2, 2014 /
 
Szia!
Ha bedobozolod, biztos melegebb lesz MINDEN, ha teljesen zárt a doboz.
Egy 40-es venti is jó ám, csak lyukak is legyenek..- megnyugtatóbb, ha van egy kis hűtés.
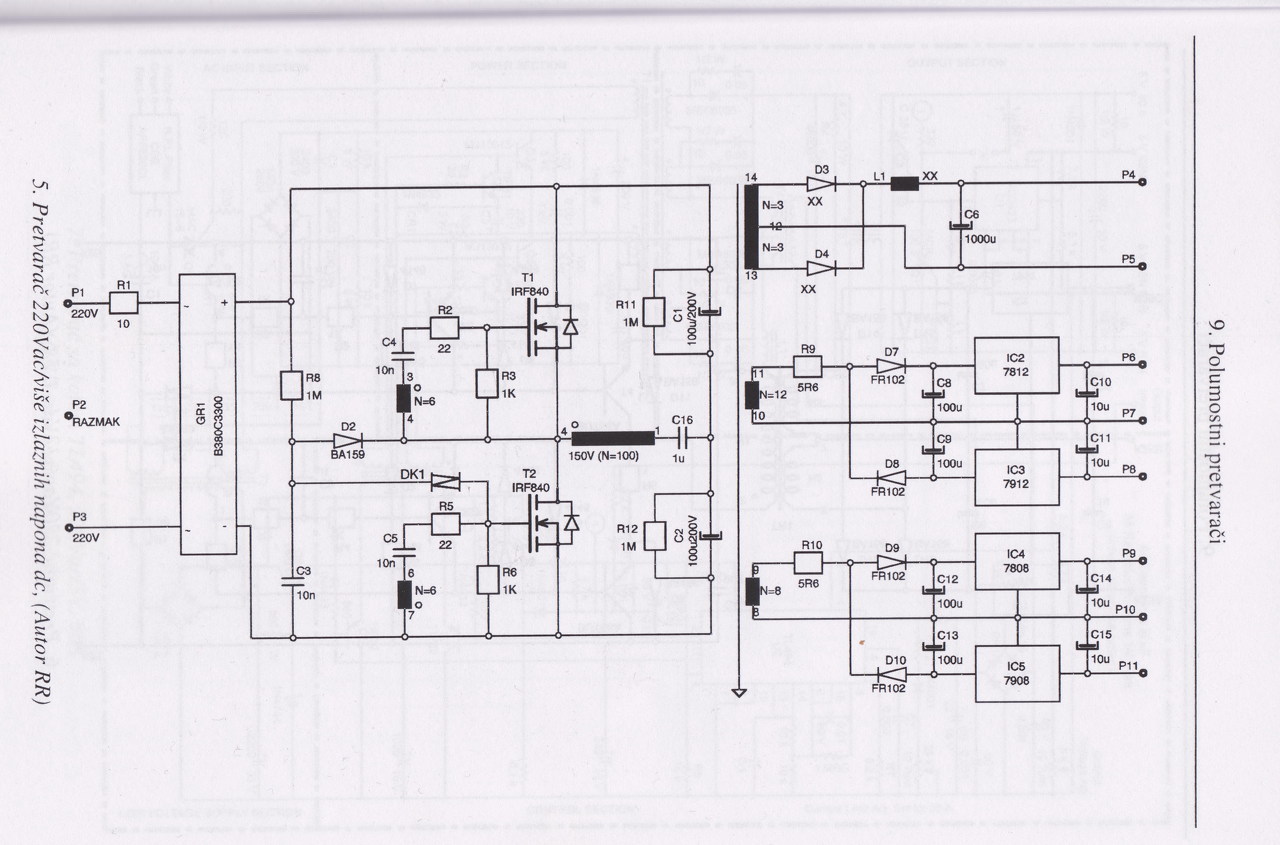
(#) theamp hozzászólása Máj 2, 2014 /
 
Üdv mindenkinek.
Scanneltem egy rajzot egy kapcsitápokkal foglalkozó könyvből. Kíváncsi vagyok a véleményetekre hogy életképes ez így? Jól értelmezem hogy az összes tekercs egy magon van?
Következő: »»   446 / 788
Bejelentkezés

Belépés

Hirdetés
XDT.hu
Az oldalon sütiket használunk a helyes működéshez. Bővebb információt az adatvédelmi szabályzatban olvashatsz. Megértettem