Fórum témák
» Több friss téma |
Ahá, nem működik. A típusát elárulod? A hibája miben nyilvánul meg? Ha az erősítő része rossz, nem sok hasznát tudod venni.
Szerintem a bemeneti áramnál lehet bibi sötét előlap,semmi reakció,az erősítő része szerintem jó lehet,legalábbis egy próbát megérne,Tehát én ugy képzeltem el a dolgot hogy csinálnák egy egyszerű erősítőt belőle egy legegyszerűbb kapcs rajz alapján mint mondottam nagyon kezdő vagyok,tehát alkatrészek panelról ki kapcs rajz alapján másikba be,ez egy MNC magnó de újabbik fajta,tehát digitális előlap,stb egy nagy panelra van rá építve minden,ezért gondoltam hogy meg tudnák csinálni ebből egy erősítőt,végfok táp adott meghát a benne lévő ellenállások stb,
Köszönöm a segítséget bocs hogy ennyire amatór vagyok
Ezt úgy szoktuk csinálni, hogy beírjuk a típusszámot a google-ba, és Képek. Bővebben: Link
Éretem hát neki állok bűvészkedni,le akarom takarintani a panelt s ujra az áramkört de rajz szerint,
Szép napot a Mestereknek!
Egy kérdéssel fordulnék hozzátok. Jó néhány erősítőt építettem már, de a mostani építésekor olyan dologgal találkoztam, amivel még sosem. Problémám a végfokokkal van. Az élesztés során egyből működött, hiba nem volt. Munkapont állítás után órákon át hallgattam, minden gond nélkül. A gubanc akkor kezdődött, amikor elkezdtem a dobozolást összerakni. Bekapcsoláskor azt a jellegzetes testhiba zajt hallom. Letesteltem a végfokok bemenetét, a zaj maradt, tehát a végfokokban keletkezik. Mihelyt kiveszem a trafót a tartó lemezével együtt, a zaj megszűnik. Ha visszacsavarozom, újra megjelenik. A vasmagot letesteltem. Gondoltam a trafó rászór a végfokra, betettem egy testelt lemezt a trafó és a végfokok közé, de semmit sem számít. Egyszerűen nem értem. Van valakinek tippje? Találkozott már valaki ezzel? Köszönöm, Zoli.
Szia! A lemez mágnesezhető anyagból készült? Alumínium például nem jó.
Tudnál fotót mellékelni a jelen állásról?
Szia!
Mágnesezhető, ez éppen acéllemez. Átméretezem a képet, és küldöm is.
A kép, remélem most nem túl nagy.
A rajz szerint tele van testelő pontal,ezt miként értelmezzem,s hol fogja ez egyáltalán kapni a feszkót ?
Szép példány! Forgasd el a függőleges tengelye körül 90°-kal! Látom szépen kifurkáltrad, de valamit csak kell tenni búgás ellen.
Kifurkáltam? Ez mit jelent? Szép példány, akkora mint egy hegyomlás...
Elfordítást holnap megpróbálom. Köszi!
Lehet még egy kérdésem? A trafó 170 mm-re van a táptól, és onnan még 50 mm a végfok. Tud a trafó ilyen messze szórni? Nem lehet, h a testelést rontottam el?
Valaki ezt le fordítaná nekem magyarabbra egy kicsit ?
Előre is köszönöm.
Úgy értettem, hogy kész a transzformátor rögzítése
Az elfordítás sikertelensége esetén egy "köpeny" a következő lépés. Bővebben: LinkHa módosítottál a huzalozáson a dobozolás alkalmával, akkor onnan is származhat a zavarás. Ezt is jó lenne képen látni. A hozzászólás módosítva: Máj 18, 2014
Mielőtt jobban belemélyülnél érdeklődöm, a rádió jelenlegi paneljét nem volna célszerű megőrizni? Rákötöd a tápot, be és kimeneteket, és már szól is. Elég bonyolult egy teljesen kezdőnek ez az áramkör.
Na már most,ezt ugy kell elképzelni egy nagy panel,ezen rajt érzékeny vezérlő chipek stb mivel cd,levehető előlap stb.tehát most ott tartok hogy le forrasztottam minden ellen állást s kondenzátort,ami maradt a panelon az a végfok,abból ami kimenet hangfal azokat se bántottam,az eredeti áramkört flexel le csiszoltam tehát egy új modult szeretnék építeni,holnap fel rakok képeket hátha jobban tudnátok segíteni,amatőr vagyok de nagyon érdekel a dolog s szeretném el sajátítani.Ezért is regisztráltam,ám hálás köszönet a segítségért.
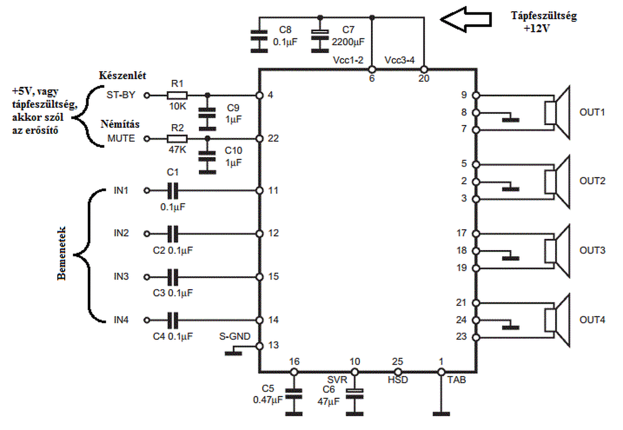
A TDA7384 áramkörileg megegyezik a TDA7386-tal, van külön témája. Az ott leírtakat hasznosíthatod. A rajzára ráírtam a bekötési pontokat.
Szia!
A műtét megtörtént, a trafót elfordítottam. Zaj jelentősen lecsökkent, jóformán töredéke csak. Ez már elfogadható. Nem az igazi, de elfogadható. Igazad van a mágnesezhetőséggel kapcsolatban. A trafó igen durván rázza a tartó lemezét, kézzel érintve erőteljesen rezeg. Köszi, Zoli
Nekem 4700 mikro van annak elégnek kell lennie nem?
Az tökéletes, még a sztereó változatot is kiszolgálhatja a jövőben.
Ha tudsz megfelelő minőségű képet készíteni (max 2MB) mellékelj egyet, hogy több érdemi tanáccsal szolgálhassak. Nagyobb tempóban tudnánk haladni
De nem baj hogy legszerelve van tudod panel nélkül?
Ebben a témában nem fog rajta senki megbotránkozni
Holnap elég lesz ha elküldöm ?
Nem sürgős, addig kérdez azért nyugodtan.
Azért gyanakodtam a szűrésre mert amikor felkapcsolom a hangszóróbol brumm hallatcik meg mint tudod bug is.
Ezért lenne jó látni a huzalok elrendezését. A pufferek környéke is kényes pont.
|
Bejelentkezés
Hirdetés |











