Fórum témák
» Több friss téma |
Fórum » Hegesztő trafó
90-110A-re?
Én most vettem egy trafót használtan: einhell euromaster cen 151 2 Ha jól tudom max 80A.t tud, de maxra feltekert állapotban van jelezve a 2,5elektróda.
'Bi'; egységnyi hegesztő időhöz tartozó pihenőidő. Pl. 1 szál 2.5-es elhegeszt (~15"), utána 1' pihenő (mert túlmelegszik).
Az adattábláról nekem nem derült ki. Majd kitapasztalod.
Majd kiderül, holnap fogom használni először, de nem folyamatosan kapu zsanérokhoz.
Használtan vettem. Itt informálódtam róla kicsivel feljebb, a hirdetésbe Einhell cen 150.es szerepelt. Valójában Einhell 151/2es ami gyengébb, de tettek bele ventilátort. Majd meglátom.
Sziasztok!
Van egy trafóm és megszeretnem tudni hogy elég nagy-e ahoz hogy hegesztőt lehessen belőle eszkábálni. 3,25mm vastag elektródával kellene hegesztsen. A vasmag belső része 11,5cm x7,5cm Előre is köszönöm
Szia! Gyenge lesz a 3,2-es elektródához.
Köbzolnál vár egy vasam (napszámban hegeszthetsz 3.15-el, ha megtekered), ingyen a tiéd, csak el kell hoznod (30 kiló...).
Hogyan mértél? Ahol mellette az elem, az arányok nem a mért értéket mutatják. Ha valóban >80 cm2 vasmagkeresztmetszete lenne, még biztonsági trafóként is többet írnának rá 900 VA-nál. Ekkora vasmaggal 5 mm-es pálcával is folyamatosan lehetne hegeszteni. Igaz, kellene rá ~20 kg réz, ami többe kerül, mint egy inverter.
Ez a trafó szemre nem tudna ennyi rezet befogadni. Mérd le a külső méreteit is és rajzold be!
Csomagvastagság hiányzik. Korábbi hozzászólásból talán a 75 mm? Lemez belső oszlopszélesség 60 mm (?). Ez így már csak 45 cm2 (~42 cm2) vasmagkeresztmetszet. Jól áttekerve vagy megfelelő szabályzóval elbírja a 3,25-ös pálcát.
Erre gondoltál?
A hozzászólás módosítva: Júl 21, 2015
Kis einhell trafómon elégett a vezeték a burkolat és a tekercs közt.
Itt kapja a legnagyobb strapát azért éghetett el vagy számíthatok rá, hogy újra kötve is el fog égni-törni máshol is? Milyen átmérőjü kábelt kell szereznem hozzá? Max 2,5ös pálcát visz el a trafó. Boltban kérdeztem 16.osat és 25öset emlegetnek. Ez teljes átmérőre értendő ugye? Nem a benti vezetőre. A hozzászólás módosítva: Szept 14, 2015
Link
Itt megtalálod a kábelek átmérőjéhez tartozó terhelhetőséget, tapasztalatból mondom, 100%BI-re kell tervezni. Nyugodtan újrakábelezheted, a gyári kábelek alulméretezettek!
Üdvözlök mindenkit
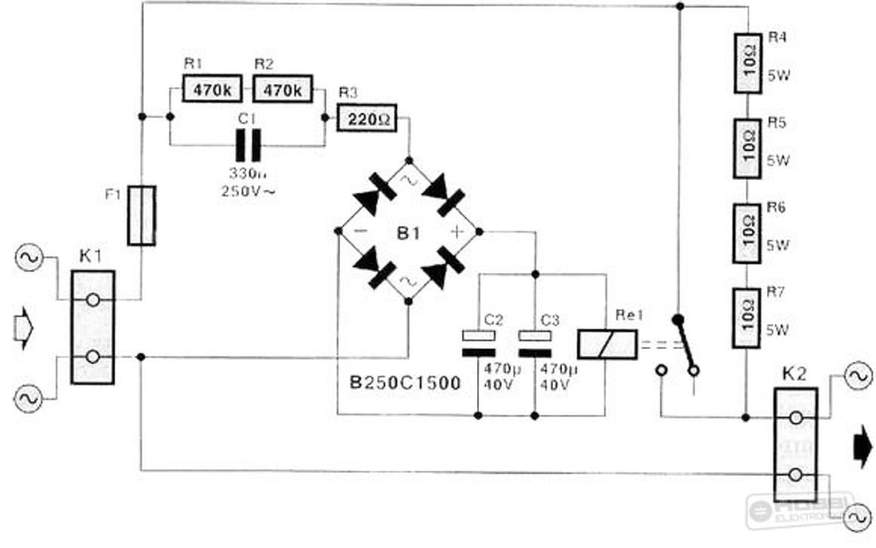
Van egy 400V 5KW-os hegesztő trafóm amihez szeretnék egy lágy indítót készíteni. Ez alapján a kapcsolás alapján képzeltem el a dolgot. Mindössze abban kérnék tanácsot ill. segítséget, hogy nagy teljesítményű ellenállások értéke hogyan változik a trafó teljesítmény fügvényében? Az én esetemben a relé ellenállásait kell átszámolni mivel ez 230V-ra lett kitalálva, ezzel nincs is baj, de az indító ellenállások értékével nem vagyok tisztában én olyan 10ohm-ra gondoltam de lehet hogy az kevés lenne neki. Előre is köszönöm a segítséget
Szia
"Van egy 400V 5KW-os hegesztő trafóm amihez szeretnék egy lágy indítót készíteni." Igen combos ellenállás kell neki. 5KW/400V=12,5A Ha csak a negyedét veszem 3,125A 400V on 1250W teljesitményed lesz. Ami azt eredményezi hogy I[2sup][/sup]X R = W ebből 1250W / 9,76A=128ohm -ot kell összerakni. Ha te 10ohm osokból akarod összerakni akkor I[2sup][/sup]XR =W ami (3,125x3,125)x10=97,6W ami 100W 10 ohm os ellenállásnak felel meg amiből kell 13 db. Ha csak a felét akarod akkor 2500W/39,0625A= 64ohm Ami 10ohm osokból összerakva 390W os ellenállűás kell, 7db. üdv.
Hát ezt biztos nem így kell kiszámolni.
A rajz teljesen jó. A hozzászólás módosítva: Nov 23, 2015
Nagyjából így is jó ahogy van, de ha teszel be még egy 10 ohmot azzal nem lősz nagyon mellé. A relén kialakuló feszültség C1 értékétől függ, annak a módosításával, illetve R3 értékével tudod beállítani.
Szia
"Hát ezt biztos nem így kell kiszámolni." Akkor elnézést, de szeretnék tanulni. Az igaz hogy egyenfeszültségre számoltam, és ez váltó, de a váltonak is van egyntartalma de nem annyi ideig. DE 5KW -ra 5W -os ellenállást keveslem. Ha te azt mondod hogy "A rajz teljesen jó." akkor, legyen ugy. üdv.
Olyan ellenállás kell ami rövid ideig túlterhelhető, tehát vastag huzal van benne.
Nem a trafó teljesítménye a mérvadó, nézd meg egy ilyen trafó áramfelvételét bekapcsoláskor DC áramváltó és oszcilloszkóppal, bekapcsoláskor néhány periódusig lüktető egyoldalas áram folyik melynek amplitúdója csökken néhány periódus múlva és már csak a szimmetrikus mágnesező áram látszódik. Bár egy kép itt többet ér mint ezer szó.
Szia
innen van ami jó. Bővebben: Link Bocsi, az előbb nem találtam ezt. Így legalább 25W os ellenállást a 5W helyett. Az megint más kérdés ha kicsi ívhoszt tart, akkor a kimegszakitó ismét le fog csapni. lehet a trafó elindul csak heggeszgetni lehet csak vele. A kismegszakitót kellene cserélni. üdv. A hozzászólás módosítva: Nov 23, 2015
Álltólag kondenzárokkal is szokták csökkenteni a trafó meddő áramfelvételét igy később vagy nem old le a megszakitó.
Sziasztok!
Kaptam egy a linken látható Hetra 101 Sat típusú hegesztőt. A kérdésem az akku töltésével kapcsolatos! Sajnos még nem találkoztam a képen lévő dugaljjal, ezért kérdezném lehet-e még venni hozzá való dugvillát? Illetve milyen megoldással tölthető vele akku? Sajnos semmilyen tábla, adat nem található a gépen! Köszi előre is! Hetra
Erre van szükséged. Az akku kapacitásának a tizedével kell tölteni az akkut. Tehát, például ha 44Ah-ás az akkud, akkor addig kell tekerni a söntöt, amíg 4,4A-t nem mutat a műszer, aztán ez az érték csökken. A biztonság kedvéért ellenőrizd egy multiméterrel hogy 14,4V fölé ne menjen a töltőfeszültség.
A hozzászólás módosítva: Nov 26, 2015
Nagyon szépen köszönöm a segítséged!!!
Még esetleg annyit hogy, milyen vastagságú test/munkakábel kell, ajánlott venni hozzá? (Sajnos boltban nálunk szolid a kinálat) Illetve a képeken látható ampermérő mellett, az hőkioldó lehet, vagy esetleg egy egyszerű bekapcs jelző fény? Sajnos az enyémből hiányzik, az ampermérővel együtt, így azokat is pótolnám!
Sziasztok!
Köszönöm az eddigieket mindenkinek, sikerült összeállítani a gépet! Ami most gond, hogy tennék bele hűtést 12V ventillátorom van több féle/méretben! Viszont a bekötést hová lenne legcél-egyszerűbb csinálni? Van ugye egy akkutöltő "rész" is (6-12V) Az Amperen aggódom csupán!
Miért aggódsz? Egy 12 V-os ventilátor, vagy kettő, nem fog annyira beterhelni neked, hogy az amper miatt kellene aggódnod Egy 2A-os lengő biztin keresztül megtáplálhatsz kettő ventilátort is, és a trafód észre sem veszi a plusz terhelést. Ja és a legfontosabb, ezek a 12V.os ventilátorok váltófeszültségre, vagy egyenfeszültségre készültek? A bekötés az szerint legyen. Tisztelettel: Jani.
Sziasztok! Van két darab leégett 380/220V 500VA trafóm, át lehet őket tekercselni hegesztőnek? Esetleg valaki tud segíteni menetszám kiszámolásban?
Sziasztok, én szeretem a régi gépeket ezért szeretnék egy Hetra hegesztőtrafót vásárolni. Tudnátok segíteni az alábbiakból melyiket lenne érdemes megvennem, 100U, 130U, 100/160, 140/200. Egy fázisról használnám pl 100U, de ha a pl 100/160 megbízhatóbb akkor azt választanám. Melyik a jobb kivitel, a fokozatkapcsolós pl 130U, vagy pl a csúszómagos 140/200. Egyfázison mekkora kismegszakító kell 100Unak, 130U, 100/160, 140/200 ez csupán a tapasztalataitok miatt kérdezném, mert lehet írnak 16A, közben 20A kell a trafónak. Milyen hibáik lehetnek mire figyeljek vásárláskor, mitől lesz egy trafó pl menetzárlatos, vannak e típushibáik a Hetráknak. Köszönettel egy lelkes amatőr.
|
Bejelentkezés
Hirdetés |








