Fórum témák
» Több friss téma |
- Ez a felület kizárólag, az elektronikában kezdők kérdéseinek van fenntartva és nem elfelejtve, hogy hobbielektronika a fórumunk!
- Ami tehát azt jelenti, hogy a nagymama bevásárlását nem itt beszéljük meg, ill. ez nem üzenőfal! - Kerülendő az olyan kérdés, amit egy másik meglévő (több mint 17000 van), témában kellene kitárgyalni! - És végül büntetés terhe mellett kerülendő az MSN és egyéb szleng, a magyar helyesírás mellőzése, beleértve a mondateleji nagybetűket is!
Mennyi a megfelelő D-S ellenállás értéke, gondolom a túl nagy számmal is kifejezhető. 2 db párhuzamosan kötve esetleg meoldás lehet? 15 x 3 mp kell mennie és utána szünet 30 percre.
Próbáld ki és azonnal megtudod, hogy mekkora lesz a veszteséged.
Sziasztok! Valaki írt egyszer egy tápegységről ahol nem volt 2x18v és így is tudott GND-t létrehozni. Hogyan kell ezt létrehozni ha lehet és egy rajzot kérhetnék.?
Szia! Szimmetrikus tápot szeretnél? Mekkora a várható legnagyobb áramfelvétel különbség a tápoldalak között? Arra kell méretezni.
Elvileg ez pont ezt csinálja:
18V esetén +/-9V-od lesz.
Akkor gond megoldva.
![]() Egyébként ez nekem kifejezetten egy léptetőmotornak tűnik.
Sziasztok, egy 12V-os ólomsavas akksira mikor lehet mondani hogy lemerült? Hány V alá nem szabad meríteni? 12V-os motorokat fogok hajtani róla és nemtudom mikor kellene jelezni hogy lemerült.
Azt hiszem 10.5 volt alatt nevezhető mélykisültnek. Ez alá nem egészséges meríteni az akksit.
Értem, köszi a választ!
Értem, akkor kérdezek egy másikat. Mikor van feltöltve? 13V ? Ha felkéne villantani egy ledet mikor lemerült akkor 12V alatt kéne jelezni?
Helló! 12V alatt le van merülve, 13,8V a pufferüzeme, azaz ha pl egy szünetmentesben használod, és 14,4V a ciklikus, vagyis a feltölt, használ megint feltölt.
Szia köszi a választ! Akkor 11.9V lesz a kritikus pont, amikor leadom a vészjelzést!
Sziasztok!
Nem vagyok túlságosan tájékozott, sokszor csak próbálkozom az elektronikával. Egy hobbiprojekthez szeretnék tanácsot kérni. Arról lenne szó, hogy rádiótávirányítású törpefeszültségű mikrokapcsolót szeretnék összehozni, vagy ha az kivitelezhető, helyette hasonló feszültségszabályzó potmétert, kapcsoló gyanánt. Adó oldalon nincsenek elvárások, csak a hordozhatóság. Vevő oldalon fontos a kis méret, favorizálnám létező, könnyen hozzáférhető dolgokból való kibontást, vagy átépítést. Amit irányítanék, az egy apró kis motor lenne. Nem tudok számítani, és összetett építgetésekbe sem bocsátkoznék. Előre is köszönöm.
Én is ilyenen gondolkozok. Arra gondoltam, hogy a vevő oldalon egy monostabil multivibrátor kapcsolná a kimenetet (motor), amit egy számláló ic kapcsolna. Adó oldalon egyszerű infra leddel villogtatnék, aztán ha a vevő elszámolt mondjuk 5-ig, kapcsolná a monostabil multivibrátort. Mondjuk még csak terv... És az se lenne gond, ha nem indítaná el a tv távirányítója.
A rendes, hivatalos módú távirányítás bonyolult, én inkább szenvedek ezzel. A hozzászólás módosítva: Feb 23, 2015
Kellő hozzáértés hiányában, a te koncepciód nekem félig kínai.
Nekem fontos hogy RC legyen, a változó pozíció, és távolság miatt, és az is hogy filléres újraértelmezett, bontott alkatrészekből álljon, nálam nagy az esélye annak hogy elrontom. Tulajdonképpen kisérletezem, nincs időm és energiám hosszasan tanulni, és olvasni, de lenyűgöz az elektronika, és kreatív vagyok.
A hozzáértés segítene abban, hogy filléres lehessen. Nem tudod kihozni úgy olcsón, hogy csak pár kábelt összekötsz valami kéznél lévő cuccban. Ha a multivibrátor kínai, akkor kb minden az. Engem is lenyűgöz az elektronika 25 éve, mégis az elején járok. Ezt csinálni kell, nem rakja össze magát helyetted. Valószínűleg azért lehet találni ilyesmit, amit keresel, de nem lesz filléres, meg azért annyira egyszerű se. Keress RC topicot, ott talán tudnak okosat mondani.
Sziasztok ! Van egy TDA 2030A iC- hogyan tudom megállapítani ,hogy jó ?
Szia!
Elkészítesz vele egy erősítőt és meghallgatod a hangját.
Az még egy kicsit korai. A vészjelzést terhelés alatt 11 V -nál leadhatod, 10,6 V -nál viszont kapcsold le. Ha leválasztod a terhelést, és jó az akkumlátor, üresen rögtön felugrik 12 V fölé pár tizeddel. A feltöltött, és jó akkumlátor terhelés alatt 12,6 - 12,8 V, terhelés nélkül 13,6 - 13,8 V. Ezért ez a csepptöltés, és a puffer üzem feszültsége. A 14,4 V ahogy írták, ezen feszültség felett megindul a gázképződés, és ez a zárt akkuknál különösen gáz.
Szeretném megtudni, hogy mi is pontosan a "Fékszaggató" például egy szervoerősítésben! Ha kérhetem, egyszerűen, átlag embernek is érthetően írjátok meg! Köszönöm!
A köznyelv az invertereket nevezi szaggatónak. Pl a frekvencia, fázis váltókat. A villanymotorokat inverteres szabályzókkal lehet szabályozni, féküzemben is. Ezek viszonylag bonyolult teljesítmény elektronikai berendezések.
A hozzászólás módosítva: Feb 24, 2015
Szia!
Szerintem te az inverter DC-busz túlfeszültség elleni ellenállásos terhelőjéről beszélsz. Ha a DC-busz feszültsége túlságosan felmegy, például generátorüzem miatt, akkor egy elektronika ellenállást kapcsol erre a buszra, ezzel csökkentve annak feszültségét. Ezt szakaszosan tesz, az igényektől függően. Bővebben: Link. A hozzászólás módosítva: Feb 24, 2015
sziasztok,egy regisztrációhoz tesztet kell kitölteni és lenne egy kérdésem és ebben kérném a segírségeteket.
2. Mire való a PFC (fázistényező javító) áramkör? a; Közel ohmossá teszi a fogyasztót, ezáltal csökkenti a hálózaton a veszteségeket. b; Csökkenti a csopper tranzisztor disszipált teljesítményét. c; Javítja az SMPS hatásfokát. d; Megemeli az SMPS bemeneti feszültségét.
Helló!
A válasz: a A PFC nem más, mint power factor corrector. Azért van rá szükség, mert nem minden fogyasztó OHM-os jellegű, sőt, nagyon kevés az, és a kapacitív/induktív fogyasztók a feszültség és az áram között eltérést okoznak, ellenkező irányút. Például ezért van a motoroknál (erősen induktív) fázisjavító kondi, hogy kompenzálják az eltérést.
Nagyon szépen köszi a gyors választ már csak egy dologban nem vagyok biztos,ennél én a D-re tippeltem.
Hogyan kell egy TV készülék kapcsolóüzemû tápegységét javítani? a; Sztatikus föltöltődés ellen védő csuklópánttal b; Szigetelt talpú cipőben c; Vigyázva a dugvilla bedugására, hogy a hálózat földje a készülék sasszijára kerüljön d; Leválasztó transzformátorra kapcsolva
Így van, a "d" a legjobb válasz.
Üdv!
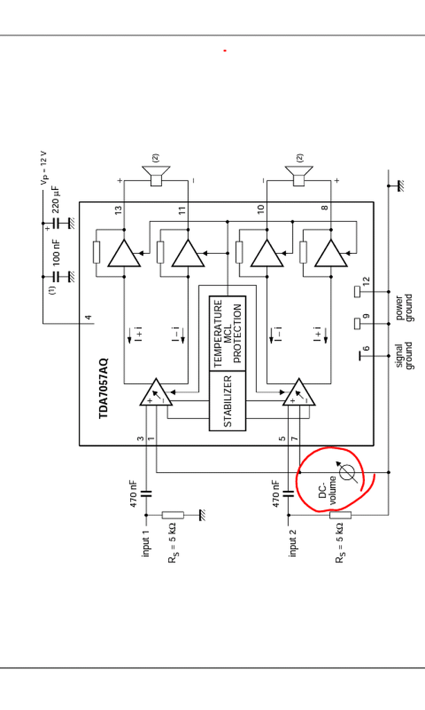
A mellékelt képen a pirossal karikázott alkatrész mi akar lenni? Én úgy tudtam, ez az analóg műszerek rajza, de azt meg nem értem, miert lenne a hangerőszabályzón. Tehát az micsoda? Hogy kössem be, ha nem akarom variálni a hangerőt? A hozzászólás módosítva: Feb 24, 2015
Feszültség alatt javítani? Szerintem egyik válasz sem jó, bár a "d" a kevésbé veszélyes.
köszönöm.Még egy van de tényleg az utolsó
![]() Mire alkalmazható a képen látható kapacitív osztó? a; Váltakozó áram leosztására 1:100 arányban b; Váltakozó feszültség leosztására 1:100 arányban c; Egyenfeszültség leosztására 1:100 arányban d; Egyenáram leosztására 1:100 arányban Én itt a B-re tippeltem. |
Bejelentkezés
Hirdetés |







A rendes, hivatalos módú távirányítás bonyolult, én inkább szenvedek ezzel. 






