Fórum témák

» Több friss téma
Fórum » Hiraga erősitő
 
Témaindító: pcmaster90, idő: Máj 27, 2013
Lapozás: OK   10 / 34
(#) reloop válasza djkoko hozzászólására (») Júl 3, 2014 /
 
Ezt a torzítást akkor úgy kell érteni, hogy egyes felvételek potenciométerrel lehalkítva is torzan szólnak? A Hiraga ebből a szempontból mondjuk nem igazán lehet ludas semmilyen esetben.
(#) djkoko hozzászólása Júl 3, 2014 /
 
Pc-vel hangkártyáról (audigy2), mobilról, egy öreg jvc cd játszóval tökéletes, de egy másik felső kategóriás marantz cd-vel vagy egy sony media playerrel már torz a hang, kis hangon is, más erősítőkkel, pk. Jlh69, vf2, Jlh75 ezek a lejátszök is normálisak.
(#) djkoko válasza djkoko hozzászólására (») Júl 3, 2014 /
 
A tápegység rajzolata ilyen dupla u alakú középen a nulla.

IMAG0042.jpg
    
(#) reloop válasza djkoko hozzászólására (») Júl 3, 2014 / 1
 
Valahogy így kéne kinézni. A kondenzátor akkor fejti ki legjobban a szűrő hatását, ha a lábára érkezik és onnan távozik a vezetősáv. Ha csak "látogatóba" megy a kondihoz, a vezetősávon létrejövő feszültségesés szűretlen marad.
A jelforrás függő torzítást vizsgáld meg újra, mert nem a végfokon múlhat.
(#) djkoko válasza reloop hozzászólására (») Júl 4, 2014 /
 
A tápegységet elkészítem újra a rajzod alapján. Cserélek potmétert és rca csatikat is. A végfokon a 47µF elkó elég?
Köszönöm!
(#) reloop válasza djkoko hozzászólására (») Júl 4, 2014 / 1
 
A táp rendbetételével a helyi 47µF szűrés remélhetőleg közömbössé válik.
(#) djkoko válasza reloop hozzászólására (») Júl 7, 2014 /
 
A tápegység tökéletes, köszönöm! Más gond jött elő. A trafó 2*12V váltót, egyenirányítás után viszont csak 6V Dc lesz.
(#) reloop válasza djkoko hozzászólására (») Júl 7, 2014 /
 
Összekötési, vagy egyenirányító hibát keress.
(#) djkoko hozzászólása Júl 12, 2014 /
 
Sziasztok! Érdekes egy "jószág" ez a Hiraga. A leírtak szerint állítottam be mindent, tápáganként tökéletes szimmetria 12V, 1,2A nyugalmi árammal, rövidrezárt bemenet mellett. Audió forrást és hangfalakat rákötve, elég pocsék, erőtlen hangja volt, ekkor gondoltam egy merészet, és így terhelve mértem rá a meghajtók bázisára, a feszültség 10V alá esett, ahogy tekertem 12V környékére egyre jobb lett a hang, nagyon komoly mélye lett, a nyugalmi áramot is így emeltem feljebb. A hangja számomra tökéletes, tartósan hallgatva sincs komoly melegedés.
Nagy köszönet reloop fórumtársnak az önzetlen segítségért!!!
(#) Class-A-. hozzászólása Júl 27, 2014 /
 
Segitségre lenne szükségem! Milyen FET páral tudom hyejetesiteni a 8 w ba a feteket ,mert a cikben megadottat nem lehet kapni. De ha van Valakinek 3 pár azt szivesen átveném. Köszönetel.
A hozzászólás módosítva: Júl 27, 2014
(#) Aldure válasza Class-A-. hozzászólására (») Júl 28, 2014 /
 
Üdv! Ezen a linken eredetiek vannak de elég drágák és a posta is sok. Bővebben: Link De ha körül nézel akkor bisztos találsz olcsóbban is bár azok lehet hogy utángyártottak.
(#) Aldure válasza Aldure hozzászólására (») Júl 28, 2014 /
 
Helyettesíteni ezekkel is lehet. 2SK246 2SJ103
(#) Class-A-. válasza Aldure hozzászólására (») Júl 28, 2014 /
 
Köszi a választ!
(#) gaborbela válasza Aldure hozzászólására (») Júl 29, 2014 /
 
Hello
Mar tobbszor is megepitettem a Hira erosito kulombozo verziojat de a hoza fuzott eredmeny valahogy mindig elmaradt.
Az utobbi idoben gondolkoztam hogy megepitem V-Fetes verziot , igy hat a elkeztem keresni a neten es ugy talaltam ra erre az oldalra.
Nagyon tetszik a nyakterbved es szeretnem magamnak megcsinalni csak sajnos a melekelt Hiraga. lay-t nem tudom kinyitani.
Egy nagy sziveseget kernek ha elerhetove tenned szamomra PD File-ba vagy PNG vagy barmi egyebb verzioban amit kitudnek nyitani es dolgozhatnek rajta.
Kanadabol irok sajnos cask angol nyelvu bilentyuzetem van
Ha e-mail cimre szukseg lenne szivesen kozlom.
Megigerem nem kozlom a panel rajzot senkivel ha azt te is ugy akkarad.
Elore is koszonom a segitseget
Udv. gabor (Az erősítő nyák terve és a 36db 2.200 µF 50V kondik nyák terve)
A hozzászólás módosítva: Júl 29, 2014
(#) Aldure válasza gaborbela hozzászólására (») Júl 29, 2014 /
 
Üdv!Amint írtad hogy többször is megépítetted a Hiraga erősítő különböző változatait és nem nyerte el tetszésed, az lehet több okból, vagy nem megfelelő alkatrészeket használtál, a tápegységre nem fordítottál kellő figyelmet, ugyan is a táp az nagyon fontos egy A-osztályú végfok esetében mivel itt nagy áramok folynak és a brummos nem megfelelően szűrt tápegység nagyon elrontja a hangot is. Nem tudom eddig miket építettel mihez képest nem hozta azt az eredményt stb. De mint a bemutatkozásodban írtad
Idézet:
„Több mint 25 eve foglalkozok DIY (csináld magad) erősítők, hangfalak építésével hobby szinten.”
Akkor azért úgy gondolom hogy az előbb felsorolt feltételek teljesültek. Erre azt a választ tudom adni hogy tranzisztoros volt a vége. Persze tranzisztor és tranzisztor közt is van különbség nem is kevés de az akkor is csak tranzisztor marad A panel készítését nem tudom milyen módszerrel csinálod, én a vasalásos megoldást alkalmazom gyors és egyszerű. Töltsed le a Layout50 programot ahogy köbzoli kolléga is írta neked bár a 6-os verzió úgy tudom csak angol verziót tartalmaz de ez szerintem nem jelent neked gondot ha Kanadából írsz feltételezem hogy beszélsz angolul .Ide feltöltöm neked a file-okat és innen le is tudod tölteni a programmal meg tudod nyitni és szerkeszteni + nyomtatni is. A 36db kondenzátort már módosítottam mert egy kicsit variáltam az erősítőn és az a sok kondi nem fért volna el ezért kevesebb van meg elosztottam a két oldalt, mind a kettő külön van biztosítva így a nyugalmi áram mérés is egyszerűbb oldalanként.A tápegységben 2 db egyenirányítót használtam MUR1520 diódákkal felépítve és a táp csak a 2200µF kondenzátor nyák elején lett közösítve. Ennél a módosításnál nem használok semmilyen CRC tagot csak kondenzátorokat. Ha V-fet megoldás szeretnél akkor siess a beszerzéssel mert már csak egy helyen lehet kapni és már ott is véges a darabszám.
A hozzászólás módosítva: Júl 29, 2014
(#) (Felhasználó 46585) válasza Aldure hozzászólására (») Júl 29, 2014 / 2
 
Így az MKP kondik majdnem olyanok, mintha ott sem lennének. Egy kondenzátort úgy kell bekötni, hogy két dróttal rámegyünk a kondira, kettővel meg elmegyünk róla. Különben csak annyit szűr a kondi ( még ha ideális is ) , amennyit a hozzávezetés induktivitása és ohmos ellenállása megenged.
(#) reloop válasza (Felhasználó 46585) hozzászólására (») Júl 29, 2014 /
 
Ezt sajnos nem lehet elégszer leírni.
(#) CIROKL válasza reloop hozzászólására (») Júl 29, 2014 /
 
Már hogyne lehetne , mindig felmerül ez a téma .
Azt hiszik ha jó nagy akkor az pont jó oda ...
(#) Aldure válasza (Felhasználó 46585) hozzászólására (») Júl 29, 2014 /
 
Üdv!Teljes mértékben igazatok van az összes kondi megfelelően van bekötve csak ezt a 4 darabot rontottam el Amint lesz időm javítom is a hibát köszi az észrevételt.Több szem többet lát efektus.
A hozzászólás módosítva: Júl 29, 2014
(#) (Felhasználó 46585) válasza Aldure hozzászólására (») Júl 29, 2014 /
 
Hát, a hibák azért vannak, hogy legyen miből tanulni, meg legyen mit kijavítani. De biztos vagyok benne, hogy soha többé nem rontod el...
A hozzászólás módosítva: Júl 29, 2014
(#) gaborbela válasza Aldure hozzászólására (») Júl 30, 2014 / 1
 
Eloszor is koszonom szepen
A tapasztalataimrol majd irok holnap, mar este keson van es a szomszedaim utaljak ha potyogok a gepemen.
Irtad hogy siesek a V-Fet vasarlasal.

Idézet:
„Ha V-fet megoldás szeretnél akkor siess a beszerzéssel mert már csak egy helyen lehet kapni és már ott is véges a darabszám.”


Esetleg elarulnad hogy hol vetted a tieidet. Az e-bayen lattom hogy van de nem tudom megyire megbizhato es nem is olcso hogy cask ugy probara megvegyem.
Rengeteg rosz tapasztalatom van e-bayes felvezetokel sajnos.
Sikerult a nyakrajzot elmentenem , igaz szines de az is jobb mint en rajzoljam meg.
En a festo (Paint) programot hasznalom nyakok rajzolashoz vagy atdolgozashoz.
Nekem cask a Lay-out megnezom van es az cask szines panelrajzot ad.
Csatolok egy panel rajzot, hogy egyertelmu legyen mirol irok. Innen at kell atdolgoznom, vagy is megrajzolnom
Lehet te tudsz egyszerubb megoldast mert bizony igy neha napokig eltart az atdolgozas egy nagyobb panel rajznal.
Megegyszer nagyon koszonom.
Udv Gabor
A hozzászólás módosítva: Júl 30, 2014
(#) Aldure válasza gaborbela hozzászólására (») Júl 30, 2014 /
 
Üdv! A V-fet vásárlásaim itt szoktam intézni Bővebben: Link de fent van az eredeti oldala is, ha lejjebb görgetsz látni fogod. Ez az egy megbízható forrás amiről tudok. Layout 50 programmal tudnád a rajzomat nyomtatni is. Az utolsó kérdésed nem igazán értem ezt a rajzot akarod V-fetre átrajzolni?
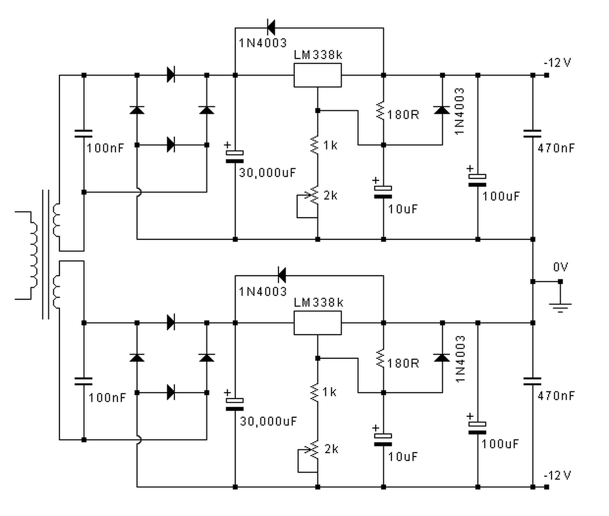
(#) hotib hozzászólása Júl 30, 2014 / 1
 
A Hiraga táphoz szólnék. Én a mellékelt képen látható stabil tápot építettem a Hiragához a mellékelt nyákterv szerint. (LeMonstre 8W, dual-mono, ez az egyik oldal)
Nem tudom, hogy tervezési szempontból mennyire jól sikerült az elrendezés, de egyébként nincs semmi panaszom a tápra (illetve az erősítőre)
(#) gaborbela válasza Aldure hozzászólására (») Aug 5, 2014 / 1
 
Hello
Elkeszultem a panel tervel, at kellet dolgoznom mert nekem a Sprint 6 Demo versio van es semi modositas vagy printles nem enged.
Oszesegeben elegedett vagyok a nyak tervel. Koszonom szepen.
Amit akkartam mondani a szines panelrol az elobbi hozaszolasban ugy jon ki mint a hotib altal melekelt tap.jpg minosegben es azt kellet feher feketere atdolgoznom.
Mar meg van, koszi szepen.
Meg V Fetet nem vettem.
Lenne egy ket kerdesem
Mekora hangzasbeli kulombseg van a BJT es VFet verzio kozt megeri a befektetest
Mekora nyugalmi aramot hasznalsz - latva a hutobordad meretet gondolom nem teljesen A osztaly.
Te hallotad azt az Sanken IC meghajto plusz V-Fet erolkodot es irtad nagyon tetszett (kepet is csatoltal rolla azzal az orsos magnoval) a mostani Hiragat hangzasba hova sorolnad
A N Pass is kijott egy V-Fettes verzioval talan lattad azt , az teljesen A osztaly es trafot hasznal a JFet es a V-fet kozt.
Talan a harom V-Fetes gepbol valamelyik meghozna a kivant eredmenyt.

Viszaterve az eredeti Hiraga verziora 3 vagy negy gepet epitettem edig, az uttobit meg nem teszteltem.
Nekem meg volt az eredeti NEC tranyo szet de nem szeretem a hangjat , tul lagy es kisse maszatos es kerek melyekel (tulsagosan csoves hangzas)
Attol jobban szol az On Semi MJ15024-25 paros MJ 11034-35 meghajtoval
Kis tranyokat az eredetit hasznaltam a kapcsolasbol.
Harom panel tervem volt az eredeti azt hasznaltam a 20W verziora a 13V diodaval, az pocsekul szolt!
A 21-22V diodaval sokkal jobb termeszetesen 24V taprol.
Puffer kondit oszeraktam 1F oldalankent de nem tetszet
Az Eliott fele Cap Multiplier jobban bevalt de ott is oriasi konderokat hasznaltam.
Kisse a melye keves volt, azt mondjak a stabil tap megoli a dinamikat es a melyeket
Oszesegeben oszehasonlitotam a Pass Aleph30 utanepitesel.
Van amiben a Pass volt jobb de a Hiraganak is voltak erosegei, levegosebb kozep tartomany
tobb elet a zeneben.
Kevesebb melyel es kevesebb dinamikaval vagy hatalomal.
Felrakom az utolso panel rajzot hamarosan (azt meg igy nem teszteltem) de van par modositas az eredetihez kepest azert is nemi eloitelettel vagyok iranta.
Beultettem mind ket panelt de meg nem tesztelnem pedig kellene hogy velemenyt irhassak.
Most enyit egyelore
Udv
A hozzászólás módosítva: Aug 5, 2014
(#) Aldure válasza gaborbela hozzászólására (») Aug 5, 2014 /
 
Üdv! Az erősítő +/- 33V-ról hagyományos táppal a nyugalmi áram 1.6 A +/- ágban 214400µF szűrés CRC szűrőt hazsnáltam de már nincs beiktatva. A (BJT) verziót így rövidítésről nem ismerem ezt ki tudnád fejteni bővebben?A V-FET Hiraga erősítő 3 végfokkal lett össze hasonlítva. Az egyik Quad 405 ez nem a sima mezei Quad
MJ15003G és MJE 15031G tranzisztorokkal lett megépítve a műveleti erősítő LME49710HA Bemenetén minőségi fólia kondik 500VA toroid trafó +/- ágban 30000µF szűrés stb. Szóval egész szépen szólt.

A másik Integrált erősítő egy Pioneer A80 ez az A/B osztályú erősítő Audiophile körökben is elég jónak számít. Ennél az erősítőnél a végén a tulajdonos azt gondolta hogy A-osztályú lévén az erősítő kicsit lomha lesz és hogy a rock zenét nem fogja szeretni. Hát meglepődött, a meghallgatás után azt mondta hogy minden szó nélkül lecserélné a Hiragára. Pedig ő is egy vájt fülű emberke, Csak eredeti lemezeket hallgat.

És a harmadik erősítő egy csöves Legrand 300B SE - Single Ended végfok volt. Ez volt az a kategória ami meg tudta fogni a Hiragát de nem olyan sokkal ugyan is a V-FET végnek köszönhetően nagy volt a hangbeli hasonlóság. A tulajdonos is megdicsérte a hiragát, azt mondta hogy nem sok félvezetős erősítővel találkozott pláne nem házilag építettel ami ennyire megközelíti a csőnek a hangkarakterét.

És a végén egy kicsit a V-FET-ről. Hogy is jött az ötlet? Egyik nyár végén elmentem egy amatőr találkozóra ahová vittem a hiragát is meghallgatásra akkor még sima tranzisztoros vége volt MJ15003 és 4G típusok. Mondanom sem kell az összes erősítő csöves volt. Kivéve egyet V-FET BOOTSTRAP AMP A/B osztályú erősítő. Ami a csöves végfokokat és köztük az én hiragámat is alázta hangban és térben is. Nem értettem hogyan lehet ez. Aztán elkezdtem beszélgetni az erősítő építőjével Takács Jenő úrral (tunerman) és azt mondta én tudom mi a baj. Ő segített kivitelezni és rávezetni a V-FET alkalmazására, mondanom sem kell hogy nem kellett sokat győzködnie. Egy kicsit a BOOTSTRAP AMP-erősítőről. Annyira megtetszett a hangja A/B osztály és ráadásul hogy egy IC a végfok hogy kedvet kaptam az után építésre már egész jól haladok ,talán Szeptemberre el is készülök teszthallgatásra. Közben T.J. még tovább fejlesztette amiről lemaradtam Csatolok pár képet Melyik az a verzió ami a találkozón megszólalt és én is megépítek és a másik ami tovább lett tervezve ezzel még jobb hangot kaptt az erősítő.
A V-fetről ezt tudnám le írni véleményben a tranzisztorokhoz viszonytva a V-FET rendkívül tiszta, nagyon gyors, kiegyenlített frekvencia tartományú és pontos, a tér megnyílik, számtalan eddig nem hallott részlet bukkan fel a lemezről.

Idézet: Takács Jenőtől

Az 1970-es évek elején fejlesztették ki Japánban a félvezetők egy különleges változatát a - VERTICAL FIELD TRANSISTORT - röviden V-FET-et. Leginkább az elektroncsövek között nagy népszerűségre szert tevő TRIÓDA karakterisztikájára hajazó eszköz, a SONY, YAMAHA és SANSUI cégek különleges minőségű erősítőiben bukkant fel. Ezek a termékek kis szériás típusok voltak, és néhány év elteltével el is tűnt a V-FET a hifi piacról. A fejlesztők újabb eszközzel gazdagították a készüléktervezők lehetőségeit, mert megjelentek a MOS technológiával készült teljesítmény FET-ek. Ezek az új eszközök már egész más elven működtek mint a korai V-FET teljesítmény trazisztorok, karakterisztikájuk inkább a PENTÓDA csővel mutat rokonságot.
A hozzászólás módosítva: Aug 5, 2014
(#) gaborbela hozzászólása Aug 6, 2014 /
 
Hello
Koszom szepen a valaszt
A BJT az a Bipolar Junction Transistor-nak roviditese , a kozonseges Audio celra hasznalt tranyokrol van szo.
DIY Audio temaban legtobbet angolul levelezek es onnan sajnos atvettem a BJT roviditest de a VFet is angolbol konlcsozot megnevezes vagy a J Fet, Lateral Fet, Hex FET, Mos FET stb.
A Takacs Jeno neve ismeros, ha jol tudom O tobbek kozt OTL-et is epitet es Philips CD jatszokat tuningolt csovesre.
Igen erdemes egy ilyen kaliberu ember velemenyre figyelni!
Nekem is tetszik az a kapcsolas es mar terveztem hogy talan ki kellene probalni.
Egy 300B SE-re en is oszegyujtottem az alkatreszeket csak a 300B csovek es elenallasok hianyoznak de igazabol nincs kedvem a felvezetosrol csoves-re atallni mentalisan.
Az is igaz azt csak gyakorlatnak terveztem mert a vegcel csovesben egy Orosz GM70 csoves SE erosito lenne 1100V anod feszulsegel.
Valamikor 15-20 eve csoveseket is butykoltem- tuningoltam sajat celra de teljesen lealltam es most nehezemre esik odaszanom magam.
Ertekes informaciot kozoltel, megegyszer koszonom szepen, most mar tenyleg rendelnem kell egy szet V-Fetet.
Kulomben az M Hiragat is megepitettem de az szerintem elmarad a 30W Class A verziotol.
Klinikai es csak egy jo atlagos hangzas tud ha jol van megepitve.
A V-fettes verzio lenne az utolso Hiraga probalkozas.
Rendeltem anyagot hamarosan kimaratom a panelokat a V-Feteshez.
Erdekes hogy keves erdeklodes van iranta pedig az a kapcsolasi rajz a NEC fettekel elerheto a netten es en is jobbnak veltem minrt a tranyost amit ujabb es ujabb modositasal tesztelgetnek vagy epitenek
A V-fet labkiosztasa megegyezik a TO3 tokban levo tranyoeval?
Ha igen kis modositasal osze lehetne hasonlitani a ket variaciot. Igaz irtad hogy job let a V-Fettel.

Udv Gabor
(#) Aldure válasza gaborbela hozzászólására (») Aug 6, 2014 /
 
Üdv! Igen megegyezik csak működésben térnek el ugyan is a bipoláris NPN/PNP tranzisztorokkal valóban van polarításbeli hasonlóság, de ezt felejtsd el, mert csak megtéveszted magad! Mert egészen más elven FORDÍTVA működnek, gyakorlatilag ezek a V-FET-ek állandóan vezetnek és vezérlő elektródával úgy kell lezárni őket (depletion mode).A MOSFET "enhancement" (növekményes) üzemmódban megy, míg a V-FET -ek "depletion" (kiürítéses) típusúak. A Bootstrap Amp ról itt egy link Bővebben: Link
(#) (Felhasználó 46585) válasza Aldure hozzászólására (») Aug 6, 2014 /
 
Tegyél fel légyszíves egy linket ezeknek a V-FET-eknek az adatlapjáról, mert részleteset nem találok. Azt találom, hogy a Sony tranyói és az első D osztályó erősítőihez használták. Ezenkívűl minden van, csak az nincs amit keresek...
(#) gaborbela hozzászólása Aug 6, 2014 /
 
Koszonom
Nem egy az egybe akarom kihelyetesiteni!
Sot nem is szeretnem kihelyetesiteni cask a meglevo panelba lehetne A-B tesztet csinalni tranyo vs. V-Fet par alkatresz modositasal.
Csak a ket Hiraga verzio kozti kulomseg meghalgatasa miatt.
Nem nagyon taltam hasznalhato adatlapot a SONY Fet-rol azert kerdeztem a labkiosztast.
A nyakon jelolve van a PNP es NPN ami csak tranyoknal szokas. A Fetteknel N vagy P csatorna jelolest hasznaltak.
Gondoltam te biztosan tudod a labkiosztast hiszen a nyak tervezesnel szukseges info.
Az miatt kerdeztem es igy nem kell keresgelnem hiaba.
Koszi megegyszer
Udv!
(#) Aldure válasza (Felhasználó 46585) hozzászólására (») Aug 6, 2014 /
 
Üdv! Most épp dolgozom és itt a cégnél a net korlátozva van tehát nem minden oldal nyitható meg.
Amiket itt találtam nem tudom elég lesz-e neked. Ez a 2SK60 Bővebben: Link 2SJ18 Bővebben: Link
Ez pedig egy átfogóbb de nem olyan részletes Bővebben: Link
És a class D Bővebben: Link Nem olyan könnyű rá találni majd még otthon körül nézek a 2SK82 és 2SJ28 után.
A hozzászólás módosítva: Aug 6, 2014
Következő: »»   10 / 34
Bejelentkezés

Belépés

Hirdetés
XDT.hu
Az oldalon sütiket használunk a helyes működéshez. Bővebb információt az adatvédelmi szabályzatban olvashatsz. Megértettem