Fórum témák
» Több friss téma |
- Ez a felület kizárólag, az elektronikában kezdők kérdéseinek van fenntartva és nem elfelejtve, hogy hobbielektronika a fórumunk!
- Ami tehát azt jelenti, hogy a nagymama bevásárlását nem itt beszéljük meg, ill. ez nem üzenőfal! - Kerülendő az olyan kérdés, amit egy másik meglévő (több mint 17000 van), témában kellene kitárgyalni! - És végül büntetés terhe mellett kerülendő az MSN és egyéb szleng, a magyar helyesírás mellőzése, beleértve a mondateleji nagybetűket is!
Köszönöm. Egyenirányítva van/lesz, csak gyorsan összedobtam a fenti rajzot, nem figyeltem rá. Azért írtam, hogy van/lesz, mert ez már nekem vagy 2 éve működik, de szivattyút cseréltem és nagyobb relék kellenek bele, plusz a régi doboz beázott 1-2 alkalommal és helyenként kormos a panel... Tehát inkább építek egy újat és jobban figyelek a vízszigetelésre is. Semmi barkács, sziló és egyebek, csak rendes tömszelencék és nem furkálom a dobozt, ott, hol nem feltétlenül muszáj.
Nem tűnik komplikáltnak, megnézem, van-e itthon hozzá minden. A dióda végzi itt az egyenirányítást? Ha van rendes diódahidam és azzal + elkóval megcsinálom az egynirányítást, akkor honnan is kéne becsatlakozni? A LED + lábától az emitterig? A hozzászólás módosítva: Júl 5, 2014
Butaságot írtam, már látom, hogy a forrás egyenáramú. Tina-ban összeraktam kíváncsiságból. Természetesen működik. Szerintem ez kell nekem. Köszönöm!
Szervízmacska: a te ötleted is jó, egyszerű is, csak sajnálok egy relét elpazarolni egy led meghajtására.
Sziasztok!
Van egy B&K csavarozógépem aminek a töltő részében van egy ellenállás kb 1 W-os, ami igencsak melegszik. Annyira, hogy pirosra izzik pár másodpercen belül. Semmi egyéb hibát nem találtam az áramkörben. Szerintetek miért van ez?
Jó lenne,ha tudnál mutatni róla egy jó képet és megírnád,mekkora feszültségű töltőről van szó.Hátha tudnánk segíteni.
Árulnak ilyent a "Tiffany" üvegműveseket ellátó boltokban is. Bp.-en több ilyen is van.
Képet most nem tudok mutatni sajnos. A trafóról 17,7 V jön le, ez van egy 4db diódából álló híddal egyenirányítva. Az akku egyik sarka közvetlenül a híd egyik oldalára megy, a másik sarka pedig az ominózus ellenálláson keresztül csatlakozik a híd másik oldalára. Gondolom áramkorlát akar lenni.
Igen,kezdetleges áramkorlát,olyan 1-10 ohm lehet az értéke.Mindig is melegedett vagy csak mostanában kezdte? Lehet hibás a híd is,ellenőrizd le,de az ellenállást is cserélheted nagyobb teljesítményűre.Lehet oka a melegedésnek az akkupakkban zárlatos cella is,ilyenkor nagyobb az átfolyó áram,megérdemel a gép egy teljes átvizslatást.
Sziasztok! Puskalövéshez hasonló hangot mivel lenne célszerű előállítani? Szarvas távol tartásra lenne éjszakánként pár lövéshang. Először arra gondoltam, hogy valami olcsó mp3 lejátszót egy erősítőre, és hangszóróra kötni, de azt valószínűleg nem egyszerű bekapcsoláskor lejátszásra is bírni időzítve, és talán a hang se lenne meggyőző. Aztán gondoltam a hangrobbanásra, de nem tudom mivel lehetne elektromosan időzítve felgyorsítani valamit úgy házilag. Aztán eszembe jutottak még az elektromos ívek, hogy talán azzal lehetne hangrobbanást csinálni, talán a szikrázás is az, viszont lehet, hogy csak valami külön nagy tekerccsel lenne elég hangos.
Sziasztok.
Egy kis segítséget szeretnék kérni. A mellékletben van két tranzisztor adatlapja, és nem vagyok benne biztos hogy jól olvastam ki a kapcsolási idejüket. A kérdésem az lenne hogy a két tranyónak mennyi a kapcsolási ideje? Az egyiken úgy olvastam hogy 32kHz ami (ha jól számoltam) 31.25us lenne? Ez létezhet? Pontosan mennyi az az idő amíg megszakítja az áramkört, és 1s alatt hányszor tudja megszakítani? Előre is köszönöm a segítséget.
Szia!
A "Conditions"-ban megadott feltételek mellett érvényes kapcsolási időket adják meg. Az egyes időparaméterek értelmezéséhez egy kis segédlet: Bővebben: Link.
Sziasztok!
Van egy régi motorom, 6V-os rendszerű. Semmi fesz szabályzó és egy delejezés után ez bizony problémát jelent. (előtte meg az volt a gond hogy sötétbe nem látok csak ha pörgetem). Erre szeretnék egy, lehetőleg egyszerű túlfesz védelmet. Az egyik lehetőség amire gondoltam hogy sorba kötök pár diódát, amik adott feszültség felett nyitnak és így elfűtik a felesleget. Ezt kipróbáltam, de sajnos már jó 1V-al a nyitási küszöb alatt elkezd növekedni az ellenállásuk. Ami megint nem jó, mert a fényszórónak minden watt számít. A másik amire gondoltam pár darab 7,5v-os zener dióda. Viszont ilyennel még nem dolgoztam. Ebben tudnátok segíteni? Legalább 4A-t jó lenne ha el tudna fűteni a ketyere. Ehhez legalább 3 zener kellene. Ezeket köthetem párhuzamosan? Valamint mekkora és milyen ellenállást kellene a zenerek és a test közé tennem amik képesek hosszú távon is elfűteni? És a keletkezett hőt hogy érdemes a doboz oldalára átvinni? TO220-as tokozású diódákkal ez egyszerű volt, de a diódás megoldás nem valami jó. És a másik kérdés még ezzel kapcsolatban: Graetz híd után érdemes kötni a zenereket vagy mehet a váltóáramra? Elég lenne ha csak az egyik periódus lenne korlátozva? Na és amivel nem vagyok teljesen tisztában. Egy 6V-os égő kb hány V-ot bír tartósan? 7,5V még nem sok neki, ugye?
Első dolog, hogy a generátornak van egy teljesítménye, és egy feszültsége, mint ahogy az izzóknak is. Ezeket nem árt egyeztetni egymással. Teljesítmény fűtődik el, nem áramerősség, és ami elfűtődik, az Watt. Egyébként szerintem elég az egyik pólusra 2 Zener ellentétes irányba, egymással párhuzamosan. Viszont azt is méretezni kell, hogy hány Wattos legyen.
Vagy olvasd át Skory weblapját, ha jól emlékszem az ő generátorába 10-11V-os Zenerek voltak, de gondolom az kisebb teljesítményű mint egy motoré. És lecserélheted az izzókat LED-re, ha tudod, és nőhet a fényerő is.
Lendkerékmágneses szerkezet. Elméletileg a feszültség állandó és a teljesítmény nő a fordulattal. Gyakorlatilag a feszültség sem állandó, és ez a probléma.
Gyári teljesítményű égők voltak benne, De gyárilag sem volt valami jó, most meg főleg nem. Delejezés mellett kipróbáltam hogy a helyzetjelzőket LED-esre cserélem, fényerő nőtt, a fényszóró égője pedig kiégett a túl nagy feszültségtől. Ami, ha elég nagy a terhelés nem lesz túl magas.(ideiglenesen hátsó helyzetjelzőt 12v-osra cseréltem, de így meg megint a fényszórótó veszi el a wattokat) Ezért kell valami ami adott feszültség felett ad egy jókora plusz terhelést. 7,5v-os zenerből 5W-os a legnagyobb. Én azért szeretnék biztosra menni, ezért inkább többet tennék párhuzamosan. Csak kérdés hogy mekkora ellenállás kell egy zener után?
Csakhogy a helyén kezeljük a dolgokat. A fordulatszámmal a feszültség nő (ezt szeretnéd kordában tartani) és ezzel együtt a leadott teljesítmény is, ha az egyszerűség kedvéért az izzó ellenállását állandónak tekintjük. (nem az, de ebből a szempontból most nem annyira érdekes)
P=U^2/R képlet alapján.
Lehet, hogy én vagyok tudatlan, de inkább olvasd el amit ajánlottam! Nem tudom, milyen elméletekre gondolsz, a generátorba lévő tekercshuzal keresztmetszete nem változhat, így az áramnak van felső határa, és a feszültség nőhet gyorsuláskor. Az, hogy gyári az még mindig nem adat, az meg alapból hülyeség, hogy Wattokat akarsz elfűteni, akkor inkább tegyél plusz izzót, hogy elvilágítsd, és értelme is legyen.. De mondom, a teljesítményt oszd el úgy, hogy amik egyszerre világítanak azok annyit fogyasszanak amennyit a generátor lead, szóval egyszerre az egyik oldali index+az 1. és hátsó lámpa fogyasztása a generátor által leadottal legyen egyenlő, de úgy, hogy az indexek lekapcsolásakor se legyen nagy különbség, vagyis az első+hátsó együtt kibírja. De még mindig javaslom olvasd el azt az oldalt.
Sziasztok!
Relével kapcsolatban lenne egy kérdésem. Ha az adatlapján csak névleges tekercs feszültség szerepel, akkor vajon mekkora maximális feszültséget lehet rákapcsolni? DC12V-ról lenne szó, ezt lehet 16-17V-ról járatni? Tudom tegyek elé egy ellenállást, csak sajnos elfelejtettem betervezni. Nem tudom csináljak-e újat, vagy elbírja-e így. Rayex LM1-12D típusú.
Általában 30% túlfeszültség még megengedett, ha tud szellőzni, hűlni a tekercs. A fő kérdés, hogy milyen hosszú ideig, milyen körülmények között üzemel.
Milyen eszközzel vezérled? A hozzászólás módosítva: Júl 6, 2014
Nem stabilizált, DC tápról lesz hajtva. A 12V-os trafó feszültsége egyenirányítás után ugye olyan 16-17V. Kb. 20-30 percig van meghúzott állapotban, ellenben egy zárt dobozban lenne.
Ez már eléggé kétesélyes. Ha nem akarsz áttervezni, akkor a táp feszültségét csökkentheted?
Megoldás lehet erre az egyenirányítóhíd cseréje egy sima diódára. A hozzászólás módosítva: Júl 6, 2014
Ha a 16-17V is egyen akkor köss sorba a relé behúzótekercsével egy 100ohm-os 2W-os ellenállást. Esetleg egy 12V-os stabilizátor IC is jó lehet bár ebben az esetben mindegy mit használsz.
Megpróbálom úgy, hogy átvágom a vezetősávot és átkötöm egy ellenállással. A gond csak az, hogy párhuzamosan még két relé van bekötve, 30-40mA-es áramfelvétellel. Kb. 47Ohm/1W-os ellenállásra lenen szükségem. Ilyen biztos akad itthon, csak a teljesítményét hogy állapítom meg?
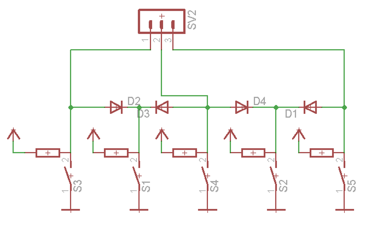
Mikrokontrolleren spórolnom kell a kivezetésekkel. 5 nyomógombot akarok 3 kivezetésen megoldani. Működik ez a dolog amit kitaláltam? Nem okoz gondot az, hogy a logikai 0 a diódák feszültségesése miatt valójában 0,7V?
Hello!
- Meg lehet oldani, ha nem gond, hogy nem tudod megkülönböztetni, hogy az S1 van nyomva, vagy S3 és S4 együtt. - Felesleges 5 felhúzó ellenállást használni, mikor csak három port van. Elég a portlábon a három is (vagy a belső felhúzás) - Használhatsz Schottky diódát is. De miért nem nézed meg a kontroller adatlapját, mit tekint logikai "L" szintnek?
A megkülönböztetés nem gond, egyszerre amúgy is csak 1 gombot kellene használni.
Ha a portlábhoz teszek felhúzót, akkor a D2 és D3 illetve a D1 és D4 közötti rész lebeg, az nem gond? Schottky dióda miért jó? Az alacsonyabb nyitófeszültség miatt? Én sima 4148-cal gondoltam, mert az van itthon jópár darab. A hozzászólás módosítva: Júl 6, 2014
Üdv!
Nem igazán értem, hogy S1 és S2 állapotát, hogyan olvasod le. Viszont, ha van az egyik szabad kivezetésen ADC, akkor egy egyszerű ellenállás osztós megoldással, 1db vezetéken is megoldhatod a nyomógombokat. Bővebben: Link A hozzászólás módosítva: Júl 6, 2014
A teljesítmény, ami az ellenállásra jut, az áramerősség négyzete szorozva az ellenállással. A jelfogód az adatlap szerint 270 ohm.
S1 és S2-nél arra gondoltam, hogy ha megnyomom a gombot akkor a diódapárok közti részek földre kerülnek, kinyit vagy az első két dióda (s1-nél) vagy a másik kettő (S2-nél) és ezáltal pl. S1-nél az első két UC lábhoz kapcsolódó vezeték is földre kerül.
Köszönöm, ez is hasznos volt, de kicsit félreérthető voltam: egy adott ellenállásról hogy tudom meg, hogy hány wattos? Simán a méret alapján következtethető? Vagy próbáljam ki labortápról, hogy mennyire melegednek ilyen terheléssel?
Miért volna gond, hogy "lebeg"? A felhúzó ellenállás és a diódák egy negatív logikájú VAGY kapcsolatot valósítanak meg.
Schottky? Proci? >> Adatlap! Nem csak kérdezni, olvasni is lehet.. |
Bejelentkezés
Hirdetés |












