Fórum témák

» Több friss téma
Fórum » Elektronikában kezdők kérdései
- Ez a felület kizárólag, az elektronikában kezdők kérdéseinek van fenntartva és nem elfelejtve, hogy hobbielektronika a fórumunk!
- Ami tehát azt jelenti, hogy a nagymama bevásárlását nem itt beszéljük meg, ill. ez nem üzenőfal!
- Kerülendő az olyan kérdés, amit egy másik meglévő (több mint 17000 van), témában kellene kitárgyalni!
- És végül büntetés terhe mellett kerülendő az MSN és egyéb szleng, a magyar helyesírás mellőzése, beleértve a mondateleji nagybetűket is!
Lapozás: OK   2340 / 4038
(#) 20sz Jófiú válasza Sword hozzászólására (») Júl 6, 2014 / 1
 
A relék behúzott állapotában mérd meg a relék behúzótekercsén mekkora feszültség esik. Lehet feleslegesen vágod át a vezetősávot.
(#) granpa válasza Sword hozzászólására (») Júl 6, 2014 / 1
 
Méretből köv., a felülettel ~arányos a hűlés (terhelhetőség). A mérés is jó módszer.
(#) nedudgi válasza Sword hozzászólására (») Júl 6, 2014 /
 
Az is egy megoldás.
Ha zárt dobozban van, akkor nem igazán jó az előtétellenállás sem. A dobozból a teljesítmény nem tud eltávozni, az egész áramkört fűti. A többi milyen jelfogó? Szintén 12V?
A tápfeszültség csökkentése lenne az igazi.
(#) holex válasza eSDi hozzászólására (») Júl 6, 2014 /
 
Ez az ellenállásosztós dolog tök jó ötlet, köszi
Akkor hagyom is ezt a diódás dolgot, de azért köszi a segítséget proli007!

Az 1Mohmos ellenállás helyett elég egy 10k-s is, ugye?
(#) eSDi válasza holex hozzászólására (») Júl 6, 2014 /
 
Szerintem elég lesz, de majd a tesztnél kiderül. Még a 100k is jó lehet.
(#) Sword válasza nedudgi hozzászólására (») Júl 6, 2014 /
 
Igen, mindegyik 12V-os. Szerintem az az 1-2W, amit elfűtene az ellenállás(ok) az nem lehet nagy gond. Korábban ezek a relék 24V-os trafóról mentek 12V-ra stabilizálva. Ott nagyobb lehetett a disszipáció a 7812-n (egy kis hűtőborda volt rajta), de hiba nélkül üzemelt elég sokáig, amig szét nem szedtem.
20 sz Jófiú: Megmérem, hátha elhagyható az ellenállás. Ha nem jó, az se baj, már nagyjából kitaláltam, hogy alakítom át a panelt.
(#) nooorbi válasza gyulank hozzászólására (») Júl 6, 2014 /
 
Azért a motoromat elég jól ismerem és rengeteget méricskéltem az elektromos rendszerét. Oszcilloszkóppal is nézegettem...
Névleges teljesítménye 45W körül van. Persze alacsony fordulaton ennek a töredékét sem tudja, ezét, még akkor is ha minden helyzetjelző LED-es, csak pislákol a fényszóró, valamint a feszültség is 4V körül van. (ezért a + izzó beiktatásának nem sok értelme lenne mert akkor mégy úgyse látnék)
A fordulat növelésével nő a feszültség és a leadott teljesítmény is. Aztán ez szépen beáll. Feszültség 7V környékére, teljesítmény pedig gondolom itt már 45W(itt szépen fénye van mindennek) Aztán ahogy növelem a fordulatot egy idő után a feszültség tovább nő és kiéget mindent.
Terheletlenül(tehát lekapcsolt világítással) hamarabb kezd el nőni a feszültség.
Ezért kellene egy adott feszültség után + terhelést adni neki. Úgy, hogy az adott feszültség alatt semmi plusz terhelés ne legyen.

Az aksi és a gyújtás a világítástól független. Külön gyújtótekercs van és külön töltőtekercs. Irányjelző, féklámpa aksiról megy. (bár irányjelző gyárilag nem is volt)

pucuka, tehát a P az eldisszipálandó teljesítmény, az U pedig a feszültség aminél jelen esetben a zener nyit (tehát kb 5W és 7,5V) ?
(tehát 22K, ha jól számoltam így késő este)
A hozzászólás módosítva: Júl 7, 2014
(#) roticsgr hozzászólása Júl 7, 2014 /
 
Valaki meg tudna engem dobni egy 1/4 hullámhosszú antenna kiszámítási képlettel?
(#) kadarist válasza roticsgr hozzászólására (») Júl 7, 2014 /
 
Szia!
Keress képleteket a listából: Bővebben: Link.
(#) gyulank válasza nooorbi hozzászólására (») Júl 7, 2014 /
 
Olvasd már el!
Én nem csak az indexekre gondoltam, hanem mindenre. Én a biciklimen ideiglenesen csináltam 1 LED-es hátsó lámpát egy egyenirányító kockával, meg előre ugyanígy 10 LED-et. Később majd tervezek 3W-os LED-et, mert 3W-os a generátor. Nyilván 11 sima LED nincs 3W, és semmi bajuk. Nem tudom, hány Wattos az első lámpa izzód, de vannak már 80-90 lm/W-os LED lámpák, amik biztos többet tudnak kisebb fogyasztással. Attól, hogy hálózatra van tervezve, a LED-ek benne még általába 12V-osak. Mondjuk egy ilyen 15 W-os lámpában a búra alatt egy korongon vannak a LED-ek, szóval, ha azt a korongot be tudod szerelni úgy, hogy valahogy rá tudsz tenni egy akkora hűtőt mint ami rajta és benne van, akkor megfelel majdnem egy 100W-os izzónak.
(#) riddler17 hozzászólása Júl 7, 2014 /
 
Sziasztok!
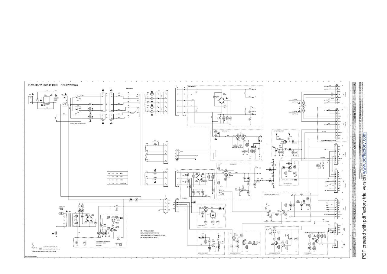
A mellékelt kép mutatja a NYÁK lemezt, ezen a lapon egy ellenállás szét lett égve. Színkódot nem lehet róla leolvasni ill. az értékét sem lehet megmérni. A panelon zavarszűrő elemek vannak és erre csatlakozik egy izmosabb trafó, melynek helye a a fehér tüskés csatlakozó. Ez egy Philips FW-P78 t. HIFInek a része. Mit javasoltok,milyen értékű ellenállásra cseréljem ki?

Másik kérdésem pedig az lenne, hogy van egy mágneskapcsolóm, a tekercsére 24VDC fesz. adva meghúz a relé. A tokozás oldalára viszont vannak írva 240VAC értékek is. Azok az NO és NC érintkezőkre vonatkoznak, hogy adott fesz. mellett mekkora áramot tudnak elviselni?
(#) eSDi válasza riddler17 hozzászólására (») Júl 7, 2014 /
 
Üdv!

Kapard le a ragasztót az alkatrész mellől. Nézd meg, hogy milyen pozíciószám tartozik, hozzá.
A mellékelt képről keresd ki az alkatrészt.
Vagy töltsd le innen a kapcsolási rajzát. Bővebben: Link
(#) riddler17 válasza eSDi hozzászólására (») Júl 7, 2014 /
 
Köszönöm a dokumentumot! Meg is van a kérdéses alkatrész,3908-as sorszámmal. Ez a 11. oldalon található rajz bal alsó sarkában van,a trafó primer oldalának a körében,470 Ohm és 120 Ohm értékben. Melyiket tegyem be?
(#) eSDi válasza riddler17 hozzászólására (») Júl 7, 2014 /
 
Elég ramaty a minősége a rajznak, de én úgy veszem ki, hogy a 120 Ohm kell neked, mivel a panelen a 1903-as nincs beültetve. De legyen kéznél egy 470 Ohm-os is. Illetve jobb lenne, ha azzal kezdenél.
(#) torzsa hozzászólása Júl 7, 2014 /
 
Halli mindenkinek ,az lenne a kérdésem hogy hogyan tudnék összekötni egy USB-RS323,mert azt halottam csak simán nem lehet összekötni (lehet de nem ajánlott),pedig rajz is van hozzá.Amire kellene egy Laptop összekötni egy Digitális Műhold vevővel,Com1 porton kommunikálnának egyűt.

RS232-USB.jpg
    
(#) bence666699 hozzászólása Júl 7, 2014 /
 
Sziasztok
Èppen egy távirányítós hajó megépítéjével küzdök és egy kis akadályba ütköztem a chipet nem tudom működésre bírni sem 3 sem 4,7 voltál. Az ic-n szereplő adatok:TXM , RX- 2B , 2YT12JU
Ès sajnos a chiphez nincs távirányítóm se ha valaki megtudná mondani ,hogy milyen kell hozzá azt megköszönték.

Előre is köszönöm.
A hozzászólás módosítva: Júl 7, 2014
(#) gyulank válasza torzsa hozzászólására (») Júl 7, 2014 /
 
Nem lehet, mert minden USB-hez külön vezérlő kell tudtommal. Nem tudom, mit akarsz kommunikálni, de max. FW frissítést lehet, az meg 1 alkalom. Szerezz olyan gépet amin van!
(#) cross51 válasza mercyless hozzászólására (») Júl 7, 2014 /
 
Esetleg ez a kép alapján el tudsz valamerre indulni
(#) gyulank válasza bence666699 hozzászólására (») Júl 7, 2014 /
 
Ez elég zavaros. Van egy vevőd, de nincs adód, amivel működésre tudnád bírni?
(#) mikrokapcsolo válasza torzsa hozzászólására (») Júl 7, 2014 /
 
Ez így nem működik. A kulcsszó, az FTDI csip, egy usb rs232 átalakító ic. Programozni nem kell, csak a gép, amin használod, lennie kell egy drivernek, és ennyi. Adatlapon találsz mindenféle érdekességet. FT232R adatlap
(#) pucuka válasza bence666699 hozzászólására (») Júl 7, 2014 /
 
Ha beleolvasnál a saját topikjaiba, talán a választ is megtalálhattad volna.
Bővebben: Link
(#) torzsa hozzászólása Júl 8, 2014 /
 
Köszönöm a segítséget.
(#) Collider hozzászólása Júl 8, 2014 /
 
Üdv mindenkinek!
Tervezek vásárolni 1 dob 0.5-ös hangszóró vezetéket. Két féle van, kis szálátmérőjű (70 x 0,1 mm²) és nagyobb szálátmérőjű (30 x 0,12 mm²). Nagy áramhoz melyik jobb? Igazából tekercs lesz belőle, azt szeretném megvenni, amelyik jobb tekercsnek. Előre is köszönöm.
(#) Bakman válasza Collider hozzászólására (») Júl 8, 2014 /
 
Elég sok probléma van a kérdésedben.
A hangszóró vezeték általában kábel, tehát két ér van benne. Szálátmérőről beszélsz, holott két adatot adsz meg egyszerre. Keresztmetszetben mérik a vezetékeket, nem is értem, miféle adat van a keresztmetszet előtt. Nagy áram? Mennyire nagy? 10 A-hez pl. egyik sem jó, 0.1 A-hez pedig mindkettő. A nagyobb keresztmetszetű (vastagabb) több áramot visel el. Nagy általánosságban a 10 - 12 A/mm2 -es értéket nem illik túllépni. Tekercskészítéshez pedig eleve zománcszigetelésű huzal ajánlott, a többi túl nagy helyet foglal el a szigetelése miatt.
(#) vicsys válasza Collider hozzászólására (») Júl 8, 2014 /
 
Az is kérdéses, hogy milyen tekercs. Nagyobb frekin már életbe lép a skin hatás és emiatt jobb a több kisebb szál.
(#) Collider válasza vicsys hozzászólására (») Júl 8, 2014 /
 
Köszönöm. Nagy freki lesz, több 10 MHz.
(#) gaspar_zsolt válasza Bakman hozzászólására (») Júl 8, 2014 /
 
Idézet:
„Keresztmetszetben mérik a vezetékeket, nem is értem, miféle adat van a keresztmetszet előtt”


Esetleg a szálak darabszáma!?
A hozzászólás módosítva: Júl 8, 2014
(#) gyulank válasza gaspar_zsolt hozzászólására (») Júl 8, 2014 /
 
De mi a 0,5? Mindkettő fél mm vastag? Az hogy jön ki?
(#) Bakman válasza gaspar_zsolt hozzászólására (») Júl 8, 2014 /
 
Engem is az zavart meg, mint gyulankat. Zavarosak az adatok.
(#) bence666699 válasza gyulank hozzászólására (») Júl 8, 2014 /
 
Tulajdonképpen igen Ès pont ezért tettem fel a kérdést hogy megtudjam milyen adó kell.
Következő: »»   2340 / 4038
Bejelentkezés

Belépés

Hirdetés
XDT.hu
Az oldalon sütiket használunk a helyes működéshez. Bővebb információt az adatvédelmi szabályzatban olvashatsz. Megértettem