Fórum témák
» Több friss téma |
Fórum » OTL erősítők építése
Elvileg bármilyen triódával, vagy pentódával lehet OTL-t építeni. Gyakorlatban érdemes valamilyen alacsony belső ellenállású típust választani, így kevebb csövet kell párhuzamosítani.
Ilyenkor a belső ellenállásuk kell megnézni , és a párhuzamos ohm törvény szerint párhuzamosan kötni őket?
Helló !
Lenne egy laikus kérdésem: Miért kell a katódról csatolni a hangszórót (kondenzátorral-SE), és miért nem jó az anódról ? Gondolom valami "impedanciaillesztés" az oka, de akkor miért jó az anódról csatolás ha egy másik cső vezérlőrácsára megy ?
Szia!
Miért használunk katódcsatolású erősítőt: Bővebben: Link. Az elektroncsövek alapkapcsolásai: Bővebben: Link A hozzászólás módosítva: Okt 7, 2012
Kösz !
És miért használják az OTL-eket ilyen kicsi (viszonylag) anódfesszel ?
Alacsony kimeneti impedancia érdekében, itt nagyobb áram kisebb feszültség előnyösebb..
Sziasztok! Kérném segítségeteket a következő kapcsolás felderítésére:
PL504 OTL 100W Olvastam egy oldalt ahol valaki 6db PL504-el 100W-os OTL erősítőt készített. a hangszóró impedancia a kimeneten 4 ohm. Azt szeretném megkérdezni, hogy tudnátok e segíteni, hogy 4db PL504-el kicsit kevesebb kimeneti teljesítményre megoldani a kapcsolást? Azért ezzel a csőtípussal dolgoznék mert csak 40db van belőle itthon! ![]() Igazából ami gondot okoz az a +/- tápnak a feszültség értéke, mert nem tudom mekkora. Van ezen kívűl még negatív előfesze is a csöveknek, azt sem tudom mennyi... Előre is köszi a segítséget!
Ez az OTL téma nagyon halott dolog , nézz szét az egész neten szinte semmit nem találsz róla ha annyira nagy durranás lenne szerinted nem mindenki ezt favorizálná ja és minden amatőr polcán otthon 10-20 darab csücsülne !
Én nem vagyok biztos benne hogy annyira halott dolog. Láttam PL504-el épített 100 és 200W-os kiviteleket is! Nem rossz az elgondolása ezeknek. Ha nagyon nem megy akkor berakom a kimenő trafót, de nem szeretnék fölösleges trafókat a jelútba, habár sokszor ez hozza meg a kellő hangzást!
Mmm képen már láttam sokat de ott van a DE , sőtt még 1000Watt -ost is láttam az emlitett csövekkel viszont a szerző az nem fogja kiadni a kapcsolást a kezéből még ha egy uthenger megy át rajta akkor sem ....
Van itt olyan aki már hallott OTL erősítőt ?
Leírhatná mik a tapasztalatai.
Nekem nemsoká kész lesz egy 6n2P OTL em, majd írok pár sort róla.
Hallgattam már OTL-t. Ahhoz a több száz watthoz képest, amit a felvett, elég gyengécskén szólt. Mindezek ellenére nem tettem le róla, hogy egyszer építsek egyet.
Van egy fejhallgató végfokom, GI30 csővel. Naturális hangja van, nem hasonlít a kimenőtrafós csövesekhez. inkább a tranzisztoros, vagy a fetes erősítőkhöz lehet hasonlítani.
Valószínű, hogy szétszedem, ugyanis kényelmesebb a félvezetős. Nagyobb teljesítményre gazdaságtalan, de kétségtelen, hogy látványos a sok paralel cső.
Én építettem egy bétát 1db PL504-el, fülhallgatóval is és hangszóróval is teszteltem, a tapasztalatok a következőek:
- Nagyon jó hanghűség - Jó a dinamika - A mélyek sokkal erőteljesebbek - kimeneti teljesítménye a belső ellenállás miatt sajnos nem túl sok (SE-ben) De elegendő hogy fülhallgatóval megfelelő hangerőn élvezzük a zenét. Érdemes kísérletezni vele. Én a kimenetre egy 2200µF 63 voltos MM elkót raktam, és ezzel rendesen volt alja is a frekinek! ![]() Aki szeretne kísérletezni vele, mellékeltem a kapcsolást hozzá! ![]() Idézet: „Mmm képen már láttam sokat de ott van a DE , sőtt még 1000Watt -ost is láttam az emlitett csövekkel viszont a szerző az nem fogja kiadni a kapcsolást a kezéből még ha egy uthenger megy át rajta akkor sem” Amit belinkeltem ide kapcsolás a 6XPL504-es az a 100W-os erősítőé, csak az a gond hogy nem tudom leolvasni az értékeket róla, jó lenne ha valaki segítene. Tisztában vagyok vele hogy nem adja ki a szerző a kapcsolást, de ezt valaki kiszivárogtatta és néztem hogy többen után építették már, de a kis képméret miatt nem tudom leolvasni az alkatrész adatokat.... Kéne valaki aki pengeszemű! A hozzászólás módosítva: Nov 8, 2012
Úgy látom átmentünk vicc kategóriába , az egycsöves is OTL de az nem egyen értékű amiről mi itt beszélünk !
Tegnap az OTL-el való kísérletezés közben kipróbáltam 2db PL504-est sima SE-ben, és 60V-os tápfeszről bőven nagyot szólnak, de ha felmegyek 200V környékére akkor már bőven elegendő teljesítményt ad le. Ahogy mértem a 2db cső folyamatosan 18W leadására képes de a kimenő mérete miatt kibírja a hatalmas 25W-os csúcsokat is! A teszt során kimenőnek egy BEAG APT 100 áttekert kimenőt használtam, áttétele 20-as. A 4 Ohm-os ORION HS501ből bontott mélysugárzót koppig hajtotta!
![]() Lehet még is van valami az OTL-ben, de sajnos ahogy írta CIROKL tényleg kihalóban van. Majd ha kicsit kísérletezős kedvemben leszek megpróbálok 4db PL504-el összedobni valami használhatót majd. Ha sikerül valami tényleg ütőset összedobni akkor a kapcsolási rajzot leközlöm itt azoknak akik szeretnének még ilyennel foglalkozni!
Számomra eléggé zavaros amit írtál. 2db PL504 csővel OTL 18W leadására nem képes (PP-ben sem)!
Idézet: „kimenő mérete miatt kibírja a hatalmas 25W-os csúcsokat is!” Ez már csak hab a tortán, OTL erősítő nem tartalmaz kimenő transzformátort. Elnevezése is erre utal.
Sziasztok, elméleti szinten kérdezem, hogy lehetséges-e EL34-ből OTL erősítőt építeni? Van 4db a csőből és, ha esetleg lehetséges akkor gitárhoz használnám. Nem tudom mennyire bevett szokás gitárhoz OTl erősítőt használni, eddig egy példát láttam rá, annak a hangja meggyőzött. Az 6c33c-vel volt megvalósítva, és egyébként gyári cucc.
A hozzászólás módosítva: Okt 28, 2013
Igazából nem erre találták ki az EL 34-et. Elméletileg sokat kellene párhuzamosan kötni, akkor már lehetne. Gondolj csak a fogyasztásra(fűtés, anód). Akkor inkább a bevált kapcsolásokat készíteném.
A 6c33 OTL így is kinézhet:
Azért az a cső 200mA anódárammal tud muzsikálni.
Szia
Bocsi , hogy csak most reflektálok a felvetésedre, de csak most volt időm ránézni a fórumra. Az EL 34 NEM kis impedanciás cső, mindenképp kimenős erősítő építendő bele. Már ezen a fórumon javasoltam a PL(EL) 509-519 csöveket. Szerintem ezekből kiváló OTL erősítő építhető. Nem beszélve arról, hogy tv - szervizekben rengeteg elfekvő darab van, esetenként eme felhasználásra gondolva , még összeválogatva is. A BEAG APX 100 is ebből készült. Csikó koromban rengeteg ilyet hallottam, és bezony az akkor az év erősítőjeként elhíresült postai vonal driverből átavanzsált QUAD-ot is agyonverte azonos(!) körülmények között. Az EL34 "felségterülete" a kimenős, ellenütemű fokozat. Alternatívaként ha hozzájutsz, akkor a GU50-et javaslom, elég masszívan terhelhető cső ő is. Ha RF végfoknak az egyik legjobb, akkor HF-en sem igem okoz csalódást.
Érdekes a téma, az biztos, de ha jobban belegondolunk... Ha mondjuk van +/- 1A csúcsáramunk amit a végcsöveink produkálnak, akkor 8 Ohmra számolva 0,7A RMS-el ugye kapunk 4 W-ot... Ezt még úgy-ahogy elbírhatja valamelyik nagyobb végcső... Vagy rosszul gondolom??? Nem értem, a kapcsolások általában sokkal nagyobb kimenőteljesítményt igérnek
A hozzászólás módosítva: Dec 15, 2013
Még régebben bukkantam erre a kapcsolásra:Bővebben: Link Egyik érdekessége az SE kimenet, amit fojtóval valósított meg a konstruktőr... Persze, legalább a fűtést áttervezném, és érdemes lenne esetleg elgondolkodni a kapcsolóüzemű tápegységek kiváltásán is...
A hozzászólás módosítva: Dec 19, 2013
Ez egy kafa kis erősítő, elég szépen szól, leszámítva a kis hatásfokot
) Ráadásul relatíve nem drága, kis szerencsével főleg
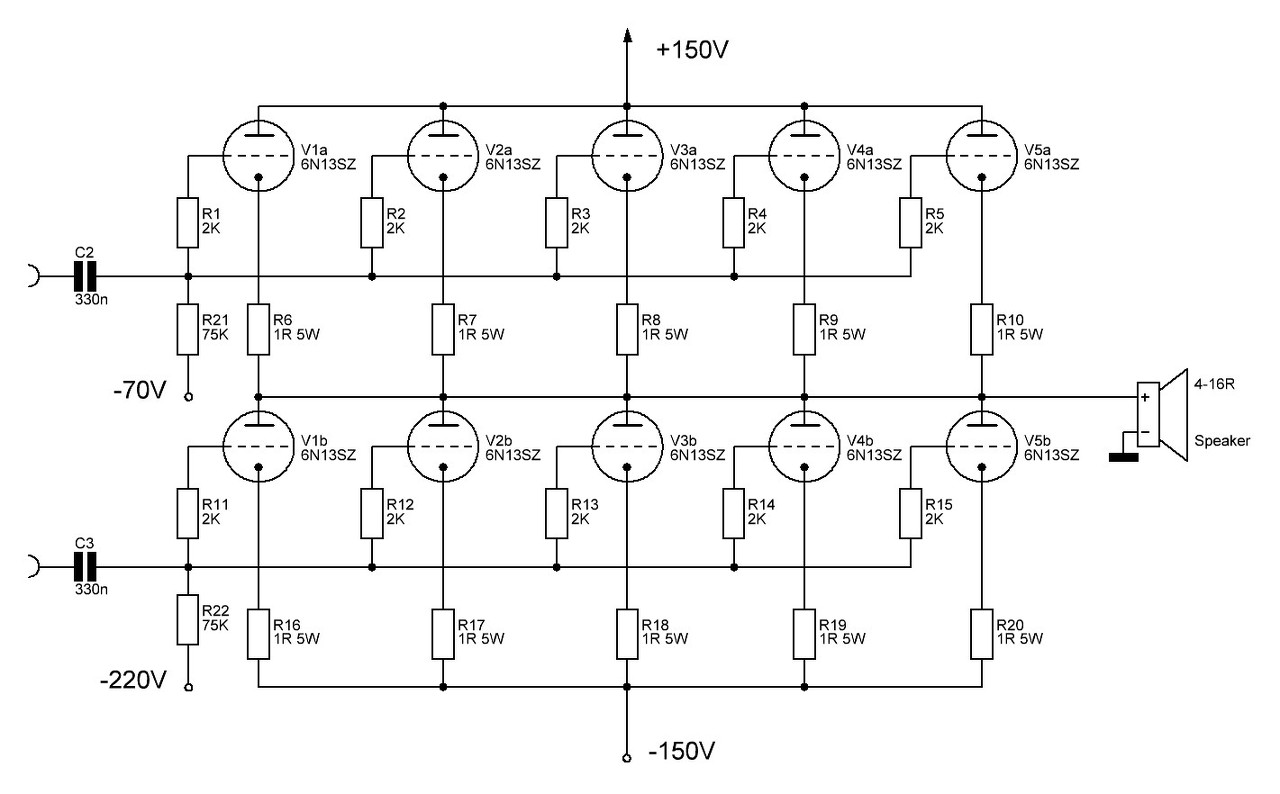
Sziasztok!
Megépítettem ezt a futterman otl erősítőt. Elég nagy a szórása ezeknek a csöveknek még búrán belül is. Szerintetek érdemes az előfeszültséget csőfelenként külön állítani? Ha ezt megteszem akkor a rácslevezető ellenállást nagyobbra 75K-ról 320K-ra cseréljem? Csatoltam egy circlotron kapcsolást is, ennek van előnye/hátránya a futtermanhoz képest?
Szia!
A Circlotron egy igazi szimmetrikus Push-Pull kapcsolás. Hátránya, hogy 3 db (sztereónál 5 db) egymástól földfüggetlen tápegységet kell hozzá készíteni. |
Bejelentkezés
Hirdetés |





Kéne valaki aki pengeszemű! 







