Fórum témák
» Több friss téma |
Tükörképe. Bár nem kell, mert vasalom.
A felirat nem jó.
Sziasztok!
Egy ilyen konvertert hogy tudnék 500 mA-es áramkorlátra beállítani a legegyszerűbben? Külső áramkör kell ehhez, vagy csak az alkatrészek értékét kell módosítani? Azt írja az eladó, hogy 2 A-es a max. áram. Ez azt jelenti, hogy rövidzár esetén is csak ennyi tud folyni, tehát rövidzár védett az áramkör? Egy 6 lépésben szabályozható (3V-12V) adaptert szeretnék készíteni belőle. Vagy tervezzek saját áramkört mondjuk MC34063-mal? (még nem foglalkoztam dc-dc konverterekkel, most kezdeném el)
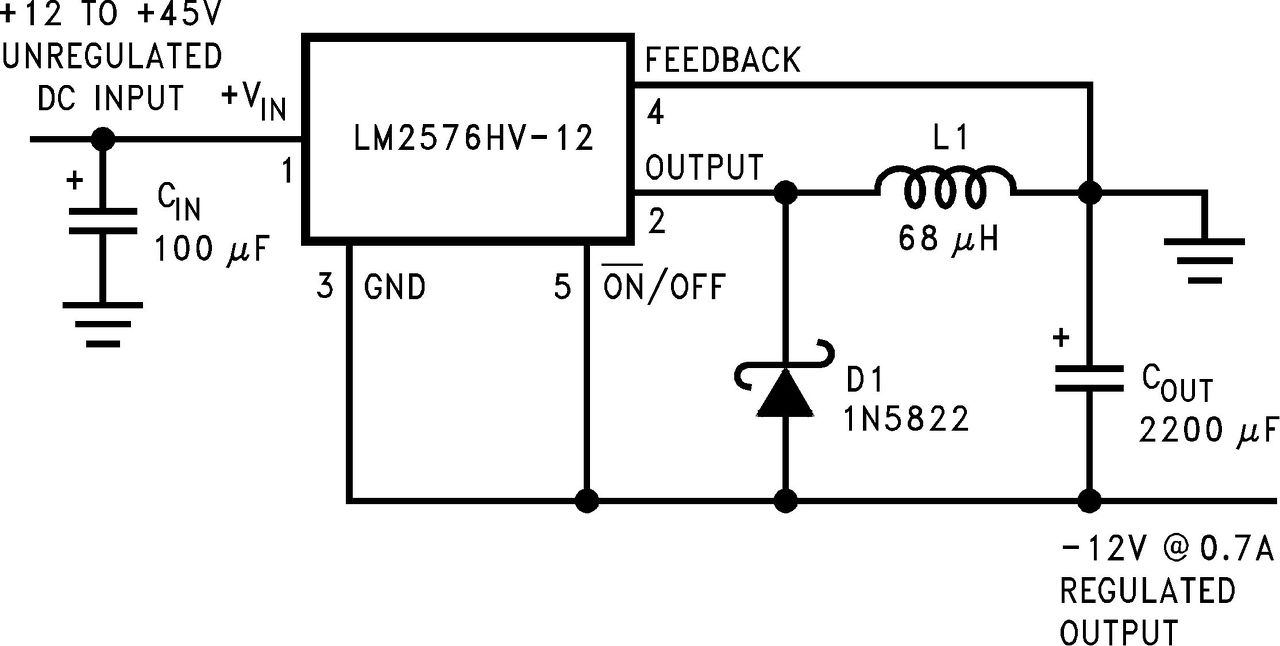
Sziasztok. Természetesen az állíthatót használtam, úgy, hogy 12 Voltból csinál + és - 12-őt, de nekem nem is az kell, hanem 12 Voltból kellene előállítani 42 Voltot, ami stabil, legalább annyira, hogy üresen ne szaladjon fel 100 Voltra, mert akkor meghalnak a tranzisztorok a piezós generátoromban, mivel a PIC-ről csak a munkaponti bázisfeszültséget tiltom, úgy állítom le, vagy indítom el, és olyankor nem szabadna a kollektoron a csillagos egekbe szaladni a feszültségnek, ezért használtam LM2576 adj.-t mert ott be lehet a kimenő feszültséget állítani, de mint kiderült, az induláskor időzítő nélkül zárlatba megy, ezért inkább jó lenne bármi, ami nem drágább, de működik. Amúgy most épp nem dolgozom ilyesmin, ezért ráér, majd ha egyszer aktuális lesz megint a projekt, nem az LM2576-ot tenném oda, de nem tudok helyette mit?
Mekkora terhelhetosegre lenne szukseged pontosabban (korabban emlitetted par mA). A bemeteti tartomany? 10-14V elegendo, vagy szelesebbre van szukseged? Tudok ingyen mintakat rendelni, esetleg a kesz gubancot (kiserleti nyakra epitett) el is tudom kuldeni. Gondolom minel kisebb helyet foglaljon.
Ha 12 Volton felvesz olyan 0,5-1 A-t, akkor a 42 V-on a terhelhetősége max. 200 mA lehet. Csak trafó nélkül szeretném ilyen egy tekercses megoldással, mint az LM 2576 adatlapon is van, a plusz 12 Voltból előállít mínusz 12-őt, de az adj. változatnál ez például trimmer potenciométerrel feltekerhető akár 50 Voltra is. Csak ne volna ez az indulási nyűgje, de már írtam, késleltetett indítással az is kiküszöbölhető. A bemenet minden esetben a 220 Volt 500 Hz-es hálózatra megy, ez esetben joggal kérdezheted, miért nem szerzek be akkor 220V/42V tápegységeket inkább? Mert így egy laptop adapterrel egyszerre minden le van tudva, a gyári kínai készülékekben viszont külön 42V trafó van a piezónak, és egy másik 5 Voltos a mikrokontrollernek, és a kijelzőnek.
Epp most rendeltem 2 ingyen mintat a TI-tol, LM3488 es LM3017. 42V/0.2A kimenetre es 10-14V bemenetre terveztem. Ha osszeraktam, megnezem mennyire lehet elterni a tervezett ertekektol.
Sziasztok, szükségem lenne egy SI-8033JF DC-DC konverterre, tudnátok ajánlani egy webshopot ahol lehet kapni, vagy esetleg egy másik alternatívát helyette?
LM2676-ra kell mindig terhelés?
Terhelés nélkül 5.6 voltot mértem. 1k terheléssel szépen 5V stabilan.
Mivel azért a stabilizált feszültség is ingadozik csekély mértékben a terhelés változásával, ha nincs rajt semmi, végtelenül kicsi a terhelés, normális az 5,6v. De ez az állapot valós kapcsolást táplálva nem létezik. Ha csak mérni akarod, akkor kell rá valami, Pl: 1k
Mivel Te a szabalyozhatot hasznalod, az oszto a gyari ajanlas szerinti? Sok esetben azert kell az ajanlast kovetni, mert az adja meg a minimalis terhelest.
Az 5V-osat használom.
Elírtam egyébként nem 2676, hanem 2576
Sziasztok!
Ha egy DC-DC step-up konverterre a kimeneten várt feszültségnél nagyobb feszültség kerül a bemeneten, akkor mi történik? Ezt vettem meg Konkrétan napelemre kötném aminek a kimeneti feszültsége verőfényben kb 7 V. Ha ez jelenik meg a kimeneten az nem jó, mert akkor a telefonom letiltja a töltést. (Még nem jött meg, ezért kérdezem hátha van valakinek tapasztalata)
A step-up konverter szabályoz: in (mondjuk)3-7V; out stabil 6V (vagy amire beállítottad/készítetted). Tkp. stabkocka nagyban. De egy zénerrel is megoldható.
A hozzászólás módosítva: Júl 4, 2014
Pedig ki fog kerulni a kimenetre. Mivel kizarolag boost uzemu, ezert nem tud lefele szabalyozni. Ha ismered a kulonbozo verziok mukodesi elvet, akkor egyszeru belatni: boost eseteben a bemenet felol a kimenet fele sorosan van az induktor es parhuzamosan a kapcsolo elem. Amikor a bemeneti szint kozelit a kimenetihez, a kapcsolo elem egyre rovidebb idore kapcsol csak be, mivel nem kell az induktorbol energiat kinyernie. A kimeneten a mellekelt elvi kapcsolasban a bemeneti feszultseg minusz a D1 diodan eso feszultseg fog megjelenni ha a bemeneti szint magasabb mint amit kimenetnek terveztel.
A masodik rajzon van a megoldas szamodra a buck-boost konverter. Mint lathatod, annyiban kulonbozik, hogy az induktorral sorosan van egy masik kapcsolo elem (TR1), ami miatt kepes buck uzemre. A hozzászólás módosítva: Júl 4, 2014
Nem ismerem az elvet, nagyon köszönöm a segítséged!
A megfelelő kulcsszóval (buck-boost) találtam is olyan modult ami nekem kell.
Igen; csak áramban, induktivitásban megfeleljen.
Köszi, akkor ez nekem pont jó lesz, mert csak egy mikrokontrolleres áramkört fog hajtani, nagyon minimális áramigénnyel.
A hozzászólás módosítva: Júl 21, 2014
Olvasd el az adatlapon az ajánlott értékeket. Szerepel ott a 100uH, de nagyobb áramhoz. Mérd meg a kimenő feszültséget, több szempontból. (Stabilitás, hullámosság, stb.)
Az adatlap 22-es ábrája szerint 34V-os bemenő feszültség mellett kis terhelésnél 100 uH javasolt.
Csak akkor hasznald, ha nem lesz a uC kozeleben, mivel az altalad kiszemelt induktivitas nem arnyekolt, vagyis lesz szort magneses tere.
Sziasztok! Szükségem lenne egy kapcsolási rajzra amely 12V egyenáramból 30V egyenáramot állit elő. A kimeneti terhelés maximum 900mA kellene legyen.
Várom az ötleteiteket, segitségeteket! Üdv: Levente !
Nekem ez jól működik Li-ion akkumulátorból (2,5V-4,2V) 30V-ot készítve. Step-up (azaz kimeneti feszültség nagyobb, mint a bemeneti) DC-DC konverter, bemenet: 3-30V, kimenet állítható 4-35V, maximum 3A (15W felett hűtés, hűtőborda kell az M2577 szabályzóra), ára 2,55 EUR = 850 forint ingyenes postázással. Kisebb teljesítményű, maximum 10W-os testvére csak 1,88 EUR = 620 forint ingyenes postázással.
Itthon például egy alkatrész boltban csak az LM2577 1988 forint darabonként. Nagy tételben sokkal olcsóbb .LM2577 kapcsolási rajza, így működik a fenti panel is. A hozzászólás módosítva: Aug 11, 2014
Én ezt szoktam, csak nem a 12 Voltost, hanem az ADJ-t teszem bele, akkor a 4. lábra kötött osztó helyére a -12 Volt helyett akár - 30V-ot is beállíthatsz. A +és a-12 V kimenetek között ott van a kívánt feszültség. Vagy van még a GS3662 42V, 2A csak az SMD kivitel, ott viszont pozitív az előállított feszültség polaritása.
Ha én ezt előbb tudom, nem a step down-ból akarok mindenáron egy step-upot csinálni.
Kedves pákatársak!
Szeretnék építeni egy olyan step-up DC-DC konvertert, ami 4,5 - 5V-ról képes ~10V - 12V-ot generálni, nélkülöz minden integrált áramkört. USB-ről szeretnék egy 1-2Wattos végfok IC-t meghajtani vele. 5V-on 2A áll rendelkezésemre. Joule Thief -el próbálkoztam, de annak egyszerű mivolta miatt sajnos nem tökéletes erre a célra. Egyik IC-m bánta a kísérletezést. Kinek - milyen ötlete van erre?
Mondjuk egy ilyen megoldásra gondolsz? Még egy 555 se legyen benne? Akkor legyen tranzisztoros astabil multivibrátorral:
Hello! Ennek így csak 5V (se) lesz a kimeneti feszültsége, viszont nem tesz kárt az IRF-ben, ami tranyónak álcázza magát.
Aztán miért nem? Amit a dióda egyenirányít, hozzáadódik a +5 Volthoz. Én annyi különbséggel építettem meg, hogy multivibrátor helyett 555 hajtja a FET-et, bocsánat, ha rosszul rajzoltam, de nem emlékszem fejből a szabvány jelölésre, de ha jól emlékszem legalább 3 féleképp rajzolják, és ki tudja, melyik jó? Nálam ez így 12 Voltról akár 80 Voltot is lead üresen, terhelve olyan 35-40 Voltra szoktam beállítani(Úgy képzeld, a FET GATE-jére az 555.-ös IC. 3.lába megy 470 ohmon keresztül a 2. lábon 470 pikoFarad van, és 125 kHz a legnagyobb frekvencia, amit így az 555. tud.) Az lehet, hogy nem jól terveztem át tranzisztorosra, de nálam 555-tel működik.) Ha jobban megnézed, a FET utáni rész teljesen megegyezik az IC-s step-up konverterekkel, azok is pont ugyanúgy működnek.
|
Bejelentkezés
Hirdetés |






.






