Fórum témák

» Több friss téma
Fórum » Elektronikában kezdők kérdései
- Ez a felület kizárólag, az elektronikában kezdők kérdéseinek van fenntartva és nem elfelejtve, hogy hobbielektronika a fórumunk!
- Ami tehát azt jelenti, hogy a nagymama bevásárlását nem itt beszéljük meg, ill. ez nem üzenőfal!
- Kerülendő az olyan kérdés, amit egy másik meglévő (több mint 17000 van), témában kellene kitárgyalni!
- És végül büntetés terhe mellett kerülendő az MSN és egyéb szleng, a magyar helyesírás mellőzése, beleértve a mondateleji nagybetűket is!
Lapozás: OK   2368 / 4048
(#) proli007 válasza djadji hozzászólására (») Aug 19, 2014 /
 
Jól! De megint nem írtad az áramot és nem 1db. 200ohm kell, hanem ahány sor van..
(#) gyulank válasza BEMcorp hozzászólására (») Aug 19, 2014 /
 
Igazából mindegy az én szempontomból. A töltő 5,2V az akku 3,7V és a telefon védett az 5,2V-tól, ami azt jelenti, hogy mindegy neki, hogy 3,7V vagy 5,2V-ot kap. De akkor hány Voltot kap a telefon a feszültség generátor után, és hol van annak a kimenete? Mert eddig úgy terveztem, az akku lábait vezetem ki, de akkor áram alatt 5,2V áramszünetben 3,7V lenne, ami ezek szerint nem az igazi, főleg, hogy ha benne van a feszültség generátor. Másra úgy se valószínű, hogy használva lesz. Erre jó lehetne még, ha tudnám, hol keressem, és hány Voltot.
(#) ktamas66 válasza gyulank hozzászólására (») Aug 19, 2014 /
 
Sok ilyen töltő inkább áramgenerátoros jellegű és egy zener fogja meg a feszültséget, hogy alacsony terhelésnél ne szaladjon meg.
(#) djadji válasza proli007 hozzászólására (») Aug 19, 2014 /
 
Köszönöm szépen a segítséget. Áramot azért nem írtam, mert nem tudok semmit a LEDről. De közben megnéztem az oldalt és írkál róla, csak én vagyok megint vak.
Szval ami érdekes lehet:
Forward Voltage (V) : 3.2 ~ 3.8
Reverse Current (uA) : <= 30
Max Power Dissipation(PM): 80mW
Max Peak Forward Current(IFP): 75mA
Max Continuous Forward Current(IFM): 20mA

Ez most kicsit megzavart mert én 3,1V-ot mértem és 10 mA-rel számoltam. Ennél akkor többet is képes elviselni. Ugye? De hogy csináljam, hogy elég fényes legyen, de melegedjen?
(#) McAdams hozzászólása Aug 19, 2014 /
 
Sziasztok! Látom itt egy kicsit nagyobb a mozgás. Itt (Digitális forrasztóállomás) irtam a problémámról. Mivel kezdő vagyok gondolom innen is "támadtatom" a hozzáértőket. Köszi szépen
(#) gyulank válasza djadji hozzászólására (») Aug 19, 2014 /
 
Ha jól emlékszem azt írta, hogy egy bizonyos áramkorlátozó ellenállás után mérd meg, hogy hány Volt van a LED-en! Szóval, van egy stabil tápod, az adatlapról leolvasod, hogy hány mA-rel terhelhető, és akkor mondjuk kiszámolod, ahhoz mennyi előtét ellenállás kell, majd úgy méred meg, hány Volt van a LED-en. Szerintem.
(#) proli007 válasza djadji hozzászólására (») Aug 19, 2014 /
 
A 20mA-t ez simán el fogja viselni. De egy UV levilágító, úgy sem lámpa, hogy agyon lenne hajszolva időben.. Nyugodtan lehet a 20mA-el mérni/számolni..
(#) pucuka válasza proli007 hozzászólására (») Aug 19, 2014 /
 
Nem sok egy kicsit? 5 - 10 mA rel még a nagy fényerejű LED -ek is elmennek, a 20 mA a max áram szokott lenni. Fényerőben meg alig van különbség.
A hozzászólás módosítva: Aug 19, 2014
(#) proli007 válasza pucuka hozzászólására (») Aug 19, 2014 /
 
Hello! Nekem nincs UV Led-em, de ha annyi az árama, akkor arra a kis időre, míg levilágítja nem lesz problémája. Fény meg gondolom kell. De nem itt kellene nézni ezt, mert van rá külön topik, ahol már többen készítettek ilyent..
(#) elektroncso válasza BEMcorp hozzászólására (») Aug 19, 2014 /
 
Igazad van, a számolást enyhén elrontottam. Telefon akkut eddig még nem szedtem szét, amiknek eddig a belsejét láttam azok 3 piros ruhás cellából álltak (de volt kék is). Az autó akkus részben jó a gondolatmenetem? Ezek után a biztonság kedvéért megkérdezem.
(#) ktamas66 válasza djadji hozzászólására (») Aug 19, 2014 /
 
Ami még érdekes lehet a a sugárzási tartomány. Ezek a ledek 400-450nm-es tartományban szoktak sugározni, a fóliának inkább a 350-380nm-t ajánlják. (Ha már van adatlapod.)
(#) djadji válasza ktamas66 hozzászólására (») Aug 19, 2014 /
 
Igaz ez nem a levilágítós topic, csak a LED-ek miatt írtam ide, azt hittem csak gyors kérdés lesz.
De csak válaszolok ha már megkérdeztek. 395-405 nm, de Positiv20-hoz hazsnálom, azon meg azt írják, hogy ez a 400 körüli a jó. De ki fog derülni


Köszönöm mindenkinek a segítséget!
(#) holex hozzászólása Aug 19, 2014 /
 
Sziasztok, mi az a legegyszerűbb áramkör, amibe berakva egy kvarcot az rezegni kezd és a lábain meg tudnám nézni a frekvenciát szkóppal?
(#) gyulank válasza holex hozzászólására (») Aug 19, 2014 /
 
(#) holex válasza gyulank hozzászólására (») Aug 19, 2014 /
 
Köszi, ehhez nincs cuccom, akkor ezek szerint marad az verzió amit el akartam kerülni: összerakok egy mikrokontrolleres áramkört és az majd berezgeti
(#) holex válasza gyulank hozzászólására (») Aug 19, 2014 /
 
Se 2N3904, se 3,3 MOhmos ellenállás
(#) elektroncso válasza holex hozzászólására (») Aug 19, 2014 /
 
Akkor próbáld ki ezt HA8LKM tervei alapján.
(#) gyulank válasza holex hozzászólására (») Aug 19, 2014 /
 
Biztos nem csak az az NPN jó, és az ellenállás se csak 1 darabból jöhet össze.
(#) szucsip hozzászólása Aug 20, 2014 /
 
Sziasztok!

Multiwatt IC-khez hol lehet csillámot kapni? Mert mindenhol kínálják pl. a TDA7265-öt, de csillámot nem tartanak hozzá.
(#) sonny007 hozzászólása Aug 20, 2014 /
 
Sziasztok!
Épitettem egy erősítőt amit ventilátorral hűtök. A ventilátor 12V-Os. A trafómnak van egy külön 11.3V-os ága. A kérdésem az lenne, hogy egyenirányítás nélkül puffernek köthetek-e rá kondit a trafó és a ventilátorhoz közvetlenül?
(#) gyulank válasza ktamas66 hozzászólására (») Aug 20, 2014 /
 
De ez mit jelent? A töltőben van egy 5,2V-os Zener? Vagy a telefonban az akku után csak egy 3, vagy 3,3V-os Zener van?
(#) sonny007 válasza (Felhasználó 13571) hozzászólására (») Aug 20, 2014 /
 
Na erre lettem volna kíváncsi mert azt tudtam egyenirányítás után mehetnek a kondik de a nélkül bizonytalan voltam. Igen kiszámoltam én is hogy kb 14,5V lenne a ventin de legalább pörögne mintha 11V-on nagyon lassú lenne, hogy tudnám picit feljebb venni a V-ot? 12-13V már megfelelőbb lenne, sebességileg is.
(#) gyulank válasza sonny007 hozzászólására (») Aug 20, 2014 /
 
Tegyél bele DC ventit! DC motorhoz amúgy is DC feszültség jó, polarizált kondenzátorhoz meg szintén. Aminek mindegy melyik a plusz-minusz, azt lehet.
(#) sonny007 válasza gyulank hozzászólására (») Aug 20, 2014 /
 
Az van benne. Egy pici processzor hűtő
Vagy majd veszek nagyobb méretűt aminek nagyobb a légszállítása még ha nem is teljes sebességgel pörög.
A hozzászólás módosítva: Aug 20, 2014
(#) gyulank válasza sonny007 hozzászólására (») Aug 20, 2014 /
 
Én is úgy kezdtem, hogy az van benne, csak átírtam, hogy ne tűnjek már olyannak aki azt feltételezi, hogy egyenáramú ventit, és kondenzátort váltóáramon akar használni szándékosan. Írtuk, hogy egyenirányítsd, és akkor megemelkedik a feszültség is, és sorbakötsz vele egy ellenállást, hogy annyit kapjon amennyi kell. A ventin biztos rajta van az áram is.
(#) sonny007 válasza gyulank hozzászólására (») Aug 20, 2014 /
 
Ja, igy már értem. Akkor majd ha járok olyan helyen ahol tudok venni megteszem. Addig marad így.
(#) Gergolein hozzászólása Aug 20, 2014 /
 
Jó reggelt!

Mi okozhatja azt, hogy a kis erősítőmhöz kötött potméter a következőt produkálja:

Alacsony hangerőn teljesen rendben van.
A tartomány közepe környékén a magas hangok szinte teljesen eltűnnek, és a zaj kissé felerősödik.
Maximum hangerőnél ismét jól szól.

Kipróbáltam több (használt) potit is, de mindegyik ezt produkálta.

Van esetleg valakinek meglátása?
Előre is köszönöm!
(#) pont válasza holex hozzászólására (») Aug 20, 2014 /
 
Ezt építettem, 4MHz-12MHz-ig biztosan működik. A nyákon az eredeti kapcsolási rajzhoz még kellett tenni a 27p kondit, hogy elinduljon a rezgés.
A hozzászólás módosítva: Aug 20, 2014
(#) proli007 válasza Gergolein hozzászólására (») Aug 20, 2014 /
 
Hello! Ez a "kis erősítőmhöz" elég gyenge maghatározás, hogy bárki érdemben hozzászóljon..
De ha az erősítőt valami kis impedanciás kimenetű akármi hajtja meg, akkor a potinak középállásban van a legnagyobb ellenállása. Fel és Le irányban ez csökken. Ha egy kondi lenne pld. a poti közepén és a testen, az szűrőként működne. Akkor lehetne az az állapot, hogy középen vágná a magasat, alul-felül nem.
Másik lehetőség, hogy középállásban a növekedett ellenállás miatt gerjed esetleg az erősítő. Zaj növekedést is okozhat a nagyobb bementi ellenállás, de kérdéses mit értesz zaj alatt. Nem-e pld. a gerjedést hallod annak.
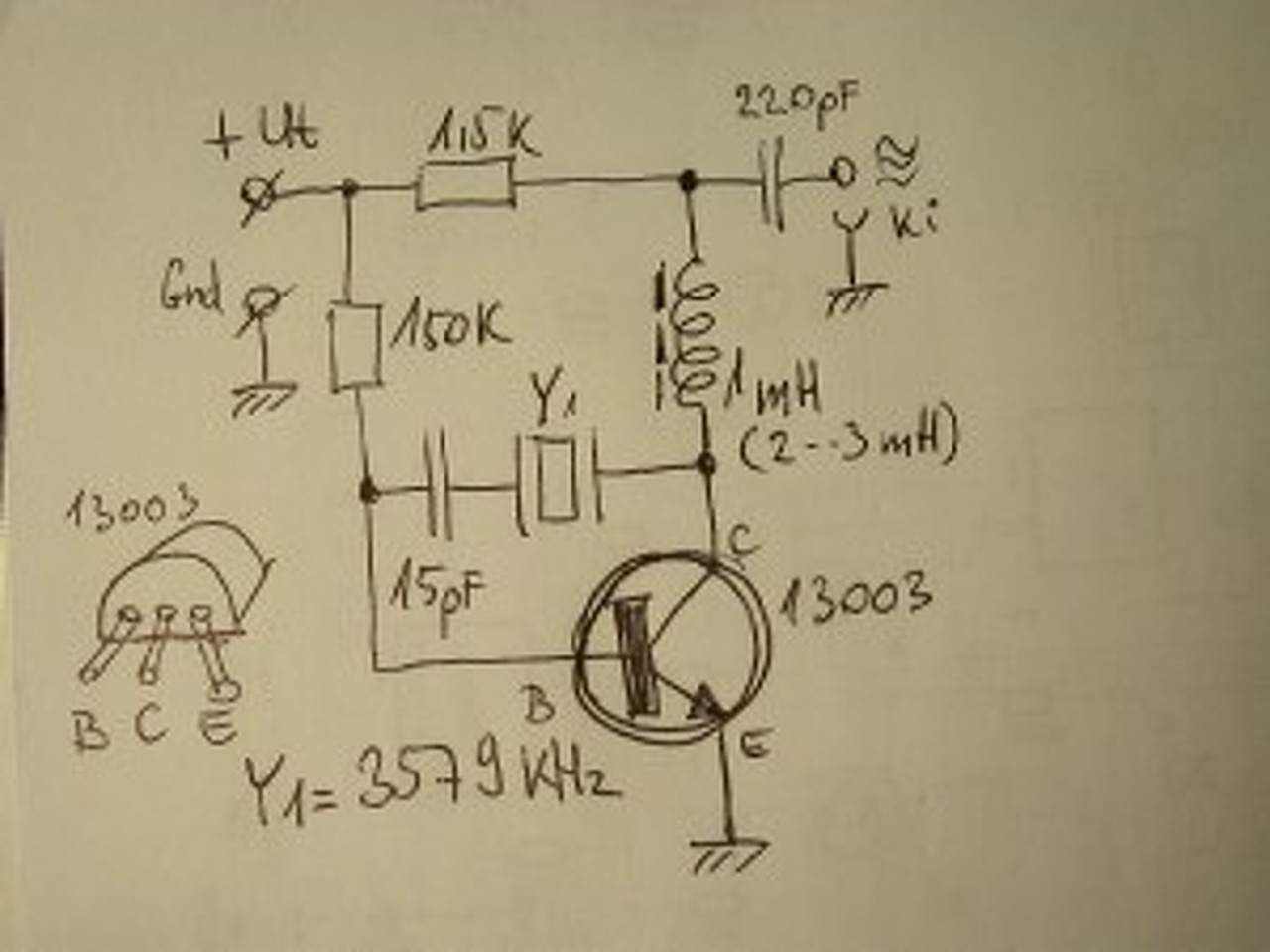
(#) gergo960722 válasza holex hozzászólására (») Aug 20, 2014 /
 
Én egy ilyet találtam a gépemen, hátha segít. Megépíteni nem építettem meg, így tapasztalatot nem tudok mondani, gondolom csak valamelyik elméleti anyagomhoz szedtem le és azért volt meg. Reméelm azért valamit segít. Üdv.

OSCR954.jpg
    
Következő: »»   2368 / 4048
Bejelentkezés

Belépés

Hirdetés
XDT.hu
Az oldalon sütiket használunk a helyes működéshez. Bővebb információt az adatvédelmi szabályzatban olvashatsz. Megértettem