Fórum témák

» Több friss téma
Fórum » Kapcsolási rajzot keresek
 
Témaindító: Kallai Csaba, idő: Márc 11, 2006
Témakörök:
Lapozás: OK   265 / 382
(#) Tom52 válasza (Felhasználó 15355) hozzászólására (») Aug 28, 2014 /
 
Köszönöm.
(#) petike199600 hozzászólása Aug 30, 2014 /
 
Sziasztok!
Van egy fa garázsunk itthon amin még nincs ajtó de lehet nem is lesz mert közel van a kapu. Szeretnék ebbe világítást szerelni. Úgy szeretném megoldani, hogy a bejárathoz 2db fotocella párt szerelek fel, hogy amikor bemegyek a garázsba akkor kapcsoljon fel a világítás, viszont ha utánam még bejön valaki akkor ne kapcsoljon le. Csak akkor kapcsoljon le a világítás, ha már mindenki kiment a garázsból.
Erre szeretnék valamilyen kapcsolási rajzot kérni. Meg hogy milyen IC-vel lehetne ezt megoldani.
Ha ebben tudna nekem valaki segíteni azt nagyon megköszönném!
További jó hétvégét!
(#) Szpisti válasza petike199600 hozzászólására (») Aug 30, 2014 /
 
Azt hiszem erre a célra találták ki az infrás mozgásérzékelős lámpákat.
Nem azt kell figyelni hányan jönnek-mennek ki-be, hanem hogy van-e mozgás a helységben.
Ezeknek lehet állítani az időzítését, tehát ha csak ücsörögtök 1-2 percig, akkor se kapcsol le, csak ha mondjuk már 3 perce nincs mozgás.
(#) petike199600 hozzászólása Aug 30, 2014 /
 
Pont ezért nem akarom a mozgásérzékelős megoldást választani, mert ha a beállított ideig nem mozdulok meg akkor lekapcsol a világítás ami engem nagyon idegesítene.
(#) Szpisti válasza petike199600 hozzászólására (») Aug 30, 2014 /
 
Értem.
Minálunk erre a célra egy kapcsoló van a bejárat mellet, ha bemegyek felkapcsolom, ha mindenki kimegy az utolsó lekapcsolja
De ha mindenképpen bonyolítani akarod...
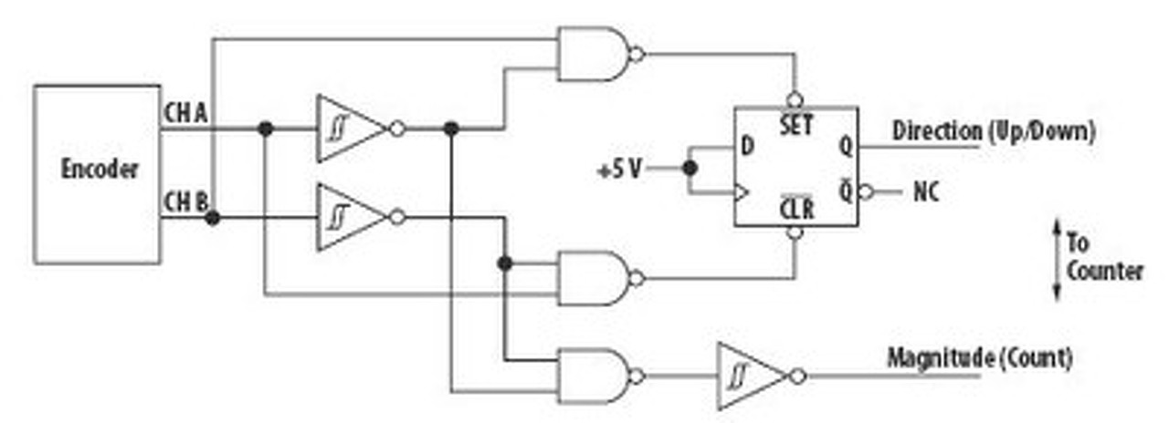
Ezek szerint a két optokapunak mindenek előtt azt kell figyelnie, hogy befelé vagy kifelé közlekedtek. Meg azt is hogy hányan, mert lehet hogy öten mennek be, és kifelé az ötödik lesz az utolsó.
Erről nekem az optikai egerekben is megtalálható quadratura detektor jutott eszembe.
Ott is két optokapu van, és a kerék elmozdulásától függően adja a jelet hogy melyik irányba, és hogy mekkora úton (ez esetben hogy hányan szakítják a kapuk fényét).
A mellékelt rajzot kell átalakítanod a saját "fotocellád" áramköréhez.
Az logikai áramkör pedig vezérelhet egy decimális számlálót, ami oda-vissza számláló vezérlés bemenettel is rendelkezik. Ennek amikor nullán áll a kimenete, elejti a jelfogót ami a fényt kapcsolja, amikor meg 0-tól eltérő a kimenete, meghúz és világít. Ezt már neked kell összekapuznod - vagy esetleg valaki konkrét rajzzal előáll, ha van ideje rá.
A "count" kimenet az órajel lesz, a "direction" meg a fel-le számlálás iránya.
(#) reddot hozzászólása Aug 31, 2014 /
 
Szevasztok!
Szükségem lenne egy olyan "EMBERES" áramgenerátor kapcsolásra, amivel áramváltókat lehet tesztelni.
(#) proba válasza reddot hozzászólására (») Aug 31, 2014 /
 
Hegesztő transzformátor.
(#) reddot válasza proba hozzászólására (») Aug 31, 2014 /
 
És a mérésre javaslat?
(#) ttindian hozzászólása Szept 1, 2014 /
 
Jó reggelt!

Valakinél láttam egy érdekes kütyüt . Újrahasznosítás elven , kigondolt dolog .
Arról van szó hogy van egy ceruza elem tartó amelybe bele fér 10 elem kettesével . Ezekről, ezekkel lehet tölteni 1-2db 1.2V akut . Az érdekesség az hogy mindegy 2db(minimum) vagy 10db elem van-e benne , stabil feszt ad az akkukra . Lemerült, elhasznált elemek amelyek mar nem képesek önmagukban elvégezni a dolgukat .

En is szeretnek egy ilyen kütyüt csinálni , mert 2 gyermek mellet hetente nekem is rengeteg hulladék ellem gyűl össze , ne is beszelve hogy folyamatosan 6-8db akku van töltőben (egér, távkapcsolók , stb akkui) .

Előre is köszönöm.
(#) petike199600 válasza Szpisti hozzászólására (») Szept 1, 2014 /
 
Köszönöm a választ!
Találtam egy belépés számláló áramkört: Belépésszámláló
Azt szeretném kérdezni, hogy ezt mennyire kellene átalakítani, ha én fotocellákat akarok beépíteni?
Én villanyszerelő vagyok csak érdekel az elektronika, és azért kérdezek ennyit.
Köszönöm a válaszod!
(#) Szpisti válasza petike199600 hozzászólására (») Szept 1, 2014 /
 
Látom nem akarsz letenni erről a fixa ideádról, ami eleve hamvábanholt ötlet.
Ez a kapcsolás arról szól, hogy ha a ki-be mászkálók száma befelé elérte a 15-öt, akkor kapcsol a relé. Ennek nem tudom mi értelme lehet a gyakorlatban - legfeljebb egy korlátozott terhelhetőségű liftet vagy hidat védhetne a túlterheléstől. Mondjuk mikor eléri a 15-öt, akkor a következő belépőnek az orrára csukná az ajtót
De a Te eseteden nem erről kéne szólni a történetnek - bár a kapcsolás nagyjából azt fedi amit javasoltam.
Viszont már az elején elég kétes eredményt generálhat pár hibalehetőség, amivel még nem számoltál, pedig itt már többen céloztak rá.
Mindenek előtt a fényérzékelők minősége lenne ahol elakadnál.
Eleve infrás kellene, hogy a külső fények ne zavarják, vagy lézerfényt kéne nyomatni atomstabilan a vevőre, különben minden kis bevillanás eltérítené a valóságtól.
Aztán jönne az időzítés kérdése, milyen gyorsan halad át a kettő közt az illető, esetleg a kezét maga elé tartva 2x szakítaná a sugarat.
Nem akarom tovább ragozni, de hidd el egy ilyen agyonbonyolított áramkör több kárt tudhat okozni mint hasznot (pl, gondol egyet és éjjel magától bekapcsol, mert egy lepke elröpül az érzékelő előtt. Kifelé meg nem repül el előtte )
(#) petike199600 hozzászólása Szept 1, 2014 /
 
Rendes gyári fotocellával szeretném megvalósítani.
(#) kaqkk válasza petike199600 hozzászólására (») Szept 1, 2014 /
 
Csak egy kérdés ! Miért nem elég egy "fa garázs"- ba egy mezei villanykapcsoló ?
(#) proba válasza petike199600 hozzászólására (») Szept 1, 2014 /
 
A gyári fotocella eléállva záró érintőit beteszed a fotoellenállások helyére. Kellő távolságra elhelyezed őket azután kipróbálod. (kérdés mennyi a késleltetésük, túl gyors visszafordulást hogyan tolerálják.)
(#) proli007 válasza Szpisti hozzászólására (») Szept 1, 2014 /
 
Hello! Cseppet félre értelmezted. A négy dióda nem ÉS, hanem VAGY kaput alkot. Tehát ha a Q kimenetek értéke "nem nulla", akkor kapcsolja a tranyót. (Amúgy meg egyetértek veled, üzembiztonsága kétséges. Vagy is gyerekjátékról van szó..)
(#) petike199600 hozzászólása Szept 1, 2014 /
 
A két fotocellát egymástól kb 30 cm-re helyezném el egymás mellett. Ez még nem lenne elég késleltetés?
(#) proba válasza petike199600 hozzászólására (») Szept 1, 2014 /
 
Szerintem a próbálkozás lesz a vége. Ha egymástól 2-3m re lesz az adó és a vevő, még az átlátás is bonyolítja a helyzetet.
(#) Szpisti válasza petike199600 hozzászólására (») Szept 1, 2014 /
 
Az eredeti forrás leírása szerint pedig ez így ahogy van pont arra van kitalálva amire szeretnéd.
Hát próbáld ki!
A fényérzékelő elhelyezéséről azt írja, hogy 1 cm (!) távolságra kell a két érzékelőt elhelyezni (nyilván vízszintes helyzetben) , és ezeket egy fényforrásból kell megvilágítani a kapu másik oldláról.
Ha így nézem, akkor valóban "vagy" kapcsolatban vannak a diódák, és amíg nem lesz ismét nulla (vagyis bármilyen számlált érték van ami >0, a 4 kimenet közül valamelyik legalább 1 értékű) addig húz a relé ha meg az utolsó belépő is kilépett akkor nullázódik és kikapcsol.
De azért azt a reset gombot én mindenképp beépíteném !
(#) hunhorvath hozzászólása Szept 2, 2014 /
 
Üdv mesterek! Rajzot keresek Viszék BHKV 200 Ti akkutöltőhöz. Vagy tanácsot: a gép működik de véleményem szerint 12 illetve 24 volt töltőfeszültségnél le kellene szabályoznia, vagy rosszul gondolom? Itt ez nem történik meg, mert tettem rá terhelés ellenálláshuzalból és fel tudom tekerni 30 voltig a feszültséget, gondolom ez így nincs rendben. Előre is köszönöm a fáradozást!
(#) proli007 válasza hunhorvath hozzászólására (») Szept 2, 2014 /
 
Hello! Hogy ehhez bármit hozzá lehessen fűzni, ahhoz a kapcsolási rajzot illene ismerni..
(#) ttindian válasza ttindian hozzászólására (») Szept 2, 2014 /
 
Nem találkozott senki hasonlóval aki tudna segíteni egy kapcsolási rajzzal , esetleg egy elmélettel ?
(#) proli007 válasza ttindian hozzászólására (») Szept 2, 2014 /
 
Hello! Ez egy nem túl életképes projekt. Mert ennek semmi ésszerű hozadéka és műszaki indoka sincs.
Hogy kevés energia veszteség nélkül töltsd az aksit, ahhoz SteDown kapcsolóüzemű konverter kell, plusz a töltés szabályozása - töltésvég figyelése. De ha több legatyásodott elemet sorba kötsz és kimerül a leggyengébb, akkor a jók elkezdik fordított polaritással tölteni azt a kisütőáram lévén. Ez is növekvő veszteséget okoz.
De hálózati feszültségről sokkal ésszerűbb és olcsóbb tölteni az askikat. Gondolom ezért nem válaszoltak eddig, ahogyan én sem.
(#) ttindian válasza proli007 hozzászólására (») Szept 2, 2014 /
 
Értelek , valamiért ésszerűnek tűnt , főleg azok után hogy egy rossz elem 0.8V , 2db mar 1.6V , egy aku 1.2V . Persze csal olyan kezdő szinten értek az elektronikában. Van egy rajz és azt beültetem , ennyi .
(#) proli007 válasza ttindian hozzászólására (») Szept 3, 2014 /
 
Egy rossz elem lehet 0,8V, de az már nem terhelhető. Beteszed a rossz elemeket, aztán állandóan ellenőrzöd-cserélgeted, melyik merült le, melyik nem? Másnap meg látod, hogy nincs feltöltve mégsem az aski? Életszerűtlen..
(#) Temela hozzászólása Szept 3, 2014 /
 
Üdv!

Lenco DVT 220 tv kapcsolási rajzot keresek. Hozzá hasonló is talán segítség lenne.

Köszi!
(#) laszlokunstar válasza petike199600 hozzászólására (») Szept 4, 2014 /
 
Nem a feltett kérdésedre válasz, de érdemes elolvasni: Objektumszámláló
Idézet:
„Területérzékelés bemutatása /egy bizonyos terület folyamatos figyelése/ Vonalátlépés bemutatása /ha valaki átlép egy virtuális vonalon értesítést küld/ Objektumszámláló bemutatása /számolja a megjelölt területre érkezők számát/”
(#) hunhorvath válasza proli007 hozzászólására (») Szept 5, 2014 /
 
Na hát ez az, ezért kellene nekem is rajz! Mivel a gép még gyárilag van lekötözve nem szeretném szétrobbantani hogy kirajzoljam a vezérlést. De semmi infó nincs a neten, se kézikönyv se más.
(#) tuskabalazs hozzászólása Szept 6, 2014 /
 
Sziasztok!

Tervezem egy profi előerősítő építését mindenfélével megpakolva.. hozzátok fordulok azzal kapcsolatba hogy milyen előerősítő áramkört kéne beleépítenem... minél jobb hangminőséget szeretnék , lehetőleg ne csöves kapcsolás legyen . köszönöm
(#) levaitamas hozzászólása Szept 9, 2014 /
 
Sziasztok!
Kaptam egy régi maszek gyártású akkutöltőt, de hiányosan. Van benne egy 250VA-es trafó 16VAC és 27VAC leágazásokkal, egy 35A-es graetz kocka, egy zárlatos tirisztor, illetve egy 12/24V-os átkapcsoló. Gondolom volt benne egy nyák is, mert a helyét megtaláltam. Tudnátok ajánlani egy bevált kapcsolást amivel helyettesíthetem a hiányzó elektronikát?
Nem egy adott töltőnek (készüléknek) keresem a kapcsolási rajzát, hanem a meglévő trafóra szeretnék egy 12V/24V-os töltőt építeni, lehetőleg tirisztorosat, de ez nekem annyira nem kikötés.
(#) Ge Lee válasza levaitamas hozzászólására (») Szept 9, 2014 /
 
Ez valami régi orosz töltőnek a rajza, de persze csinálhatsz jóval bonyolultabbat is.

charger.gif
    
Következő: »»   265 / 382
Bejelentkezés

Belépés

Hirdetés
XDT.hu
Az oldalon sütiket használunk a helyes működéshez. Bővebb információt az adatvédelmi szabályzatban olvashatsz. Megértettem