Fórum témák
» Több friss téma |
Fórum » Labortápegység készítése
Ilyen barát kell nekem, pont erre gondoltam én is.
Helló!
Van itt egy tápegység kapcsolás: Link Ez elég egyszerűnek tűnik, de számomra mégse olyan egyértelmű. Az a nyáklapterv ami alatta van az hozzá tartozik? Hisz abból hiányoznak elemek. Vagy én nem látok valamit jól?? Amúgy aki megépitette ezt az mit szólt hozzá, milyen? Egyébként ez a kapcsolás tartalmaz rövidzárvédelmet vagy túláramvédőt?
Szia !
Idézet: „Hisz abból hiányoznak elemek” Az hiányzik belőle ami nem rávaló, csak oda van bekötve Pl: 2N3055..stb Idézet: „Egyébként ez a kapcsolás tartalmaz rövidzárvédelmet vagy túláramvédőt?” Igen Idézet: „megépitette ezt az mit szólt hozzá,” Szerintem barkácsolásra hobbinak Üdv!
Ez akkor nekem tökéletes
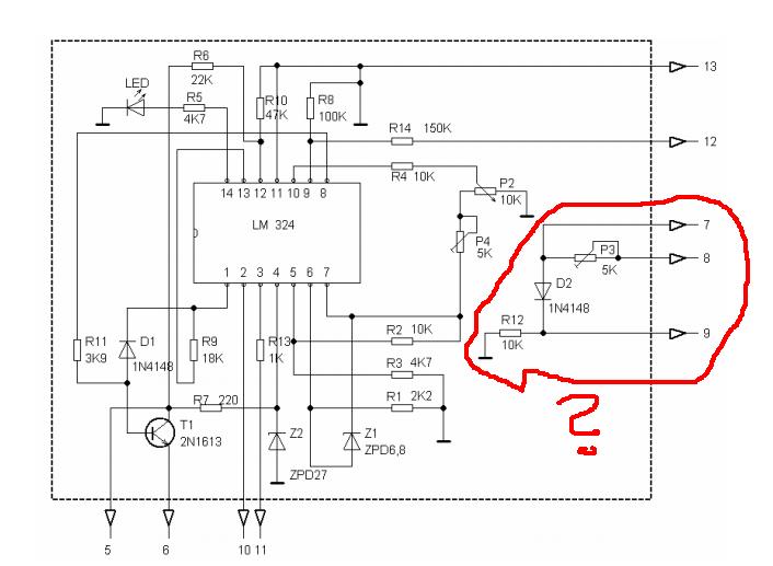
![]() De akkor se értem ![]() Nézzük meg a potikat pl. Ha jól látom akkor a P4-es poti a tokozásban van benne, vagy pedig a rajz van rosszul, mert a nyákon csak P3 és P4-es potik vannak. És még valami. Azok az alkatrészek, amik a bekötésen rajta vannak, de a nyákterven nincsenek azok mire vannak? Vagy mi ennek a kapcsolásnak az alap bekötése ami 0-24V,5A,rövidzár és túláram védelemmel van ellátva??
Helló!!
Azok az alkatrészek igen fontosak!! Van egy rajzom amin minden rajta van amit a normál üzemeltetéshez be kell kötnöd!!!(kép) Nézd meg ezt a képet, az alján ott van egy kapcsolás a kimenethez(de ez benne van az eredetiben is),és külön van lerajzolva az áramkorlát állító poti is!! És még ott van az a 10000µF-es kondi ami a bemenetre kell +Graetz(én 600V 10A-est használtam)!!! Remélem ez segít majd!!
Akkor ha jól értem, az alap kapcsolás az a pdf első oldalán van- hozzá a nyákrajz és beültetés. Ami meg a másik oldalon van azt még plusszba be kell kötni. De akkor se értem...
A 5,6,7,8,9,10,11,12,13-as kivezetésekre azokat kell rákötni ami a második lapon van? De akkor az a rész mi amit a rajzon bejelöltem?
Szia !
Az az áram szabályzás. Üdv!
Igen!!!
Az az áramkorlát beállítására való rész(ahogy a tanítómesterem mondta vala (Köszi PCB))És igen ami a másik oldalon van azokat a kapcsolásokat kell megcsinálnod és bekötni a számozott kivezetésekre!!!
De hova van kötve az áramkorlát beállitására szolgáló rész? Mert az világos hogy földje van, de a többi?
Az már rajta van a nyákon!!!
Ott van D2 (1N4148) meg a trimmer is (P3) és földre van huzva az R12-őn keresztül!!! Neked ennél a résznél csak a potit kell bekötni a rajz szerinti számozott kivezetésekre ami a nyákrajzon is jelölve van!!!Meg bekötöd még a másik kapcsolást is ami a kimenet meg berakod a graetzet meg a puffert és megy is a cucc!!!
Akkor az az egész rész csak a földre van húzva? Hát jó, akkor lehet az a kapcsolás lényege, de mé ilyet nem láttam
Bocs az értetlenkedésért. Még ha valaki esetleg elmondaná hogy melyik poti mire van
Szia !
Valami egyszerübbel kellene kezdened. Legjobb lenne az elejéről, mi mire való, hogy működik..... Ennek igy nincs értelme Üdv!
Mostmár világos. Egy átkötés nem volt világos, de az eredeti rajzból már rájöttem. 4 poti van ugye, 1 a feszültségszabályzásra, egy az áramra és a maradék kettő? Azt nem tom...
Szia!
Egy potméterrel szabályzod a maximális pillanatnyi kimeneti áramot (ezt szoktad tekergetni); egy ezzel sorba/párhuzamosan kötött pedig a mindenkori maximum állítható be. Ugyanez a feszültségre. Remélem értehető Üdv. Tóbi
Hát én speciel nem értettem.
Az egyik poti az aktuális értéket (P2: feszültség, P1: áram) állítja be, ezt kell kitenni az előlapra. P3 trimmer poti (nincs rajta tengely, csak egyszer kell beállítani) azt állítja, hogy mennyi a beállítható legkisebb áram, P4 (szintén trimmer) pedig a beállítható legnagyobb feszültséget határozza meg.
Igy már világos. Még azt valaki meg tudná mondani hogy mennyi az a minimásis feszültség aminél már a kapcsolás működik? Ugye Umax=35V és Umin?
![]() Nem lehet valahova beiktatni egy ledet, ami rövidzár esetán világit?
Hello, kérdés, hogy mit tekintünk működésnek. A referenciából (6,8V) itélve 8V körül kaphatsz valami stabil feszültséget, de a helyes működéshez jó ha van minél nagyobb feszültségtartalék, amit a tranzisztor disszipációja korlátoz. Úgy saccolom, hogy 8V-tal kaphatsz biztonságosan úgy 0-5V-ig feszültséget. Jobban jársz, ha szerzel egy tisztességes trafót, Jézus mondá: "Adjátok meg tehát azt, ami a császáré, a császárnak."
Az IC 14. lábán lévő LED a túláramot jelzi
Értem. Köszi! Én egy 24V-os trafóra gondoltam, ami egyenirányitva 34V. Az inkább a felső határhoz lesz akkor közelebb
A D4-es diódához az van irva hogy pl: BY500-600. Azt mivel lehet még helyettesiteni? Nem kaptam olyat...
Sziasztok!
Nagyon láma kérdés, de "síkhülye"vagyok... Építettem egy labortápot (1.2-30 V; 5A), csak éppen megfelelő méretű trafót nem sikerült olcsón beszereznem Viszont találtam egyet a sufniban, aminek a szekunder fele közép kivezetéses, így van 2x27V-2A, de nekem szükségem lenne legalább 3.4A-re, hogyan lehet a két tekercs teljesítményét összehozni? Sajnos a labortáp max 35-36V bemenettel bírkozik meg
Légyszi elküldenéd a kapcsolását. Érdekelne
Tobben kertek az altalam keszitett tapegyseg rajzat.A kapcsolasi rajz egy romaniai elektronika szaklapban (Conex Club) jelent meg, sajnos mint minden jo kozben ez is megszunt letezni!Konnyen visszarajzolhato gondos kvitelezes mellett egybol mukodokepes!
MFeri
szewasztok. Rendeltem ilyen IC-t(tlc783), meg is jött, és most szeretnék vele egy labortápot, vagy legalábbis szab.tápot építeni. A 20 as képen lévő kapcsolásra gondoltam. azt irja: "Figure 20. Adjustable Regulator With Current Boost and Current Limit"
Ez azt jelenti hogy szabályozható , fokozott és határolt áramu valami? Ez azt jelenti, hogy itt képes az IC több mint 0,7At leadni?? vagy hogy lehetne kicsit jobban megtuningolni, hogy olyan 2 amper körüli értékkel játszhassak? ![]() kapcsit mellékeltem ![]() kössz uli:
Szerintem itt nagyobb tranyókat használva többet is tud.
Szia!
az ICt nem vette, a TI-től rendeltem. uli
Hello, igen, a kapcsolás a leadott áramot növeli meg, s korlátozza azt. A két amper már igen kemény, feltételezve, hogy az IC által biztosított magasabb feszültséget ki akarod használni.
Hi!
mennyivel nagyobbra gondoltál? esetleg típust tudnál nekem írni? az eredeti kapcsolás, amit felraktam, az kb Hány Ampert bírna el? A trafó amire rákötöm ~5,5 Amperos. Ha ez a kapcs már 4-5A-t akkor a kérdésem tárgytalan, de sajnos nem láttam elírva az adatlapján ![]() ezek igy darlington kapcsolásban elég sokat tudnak produkálni nem? mit tegyek? ![]() kössz uli
Szia !
Rx legyen 5W - 10W. Üdv! |
Bejelentkezés
Hirdetés |






(Köszi PCB))











