Fórum témák
» Több friss téma |
Mielőtt kérdezel, a következő két dolgot ellenőrizd!
I. A helyes tápfeszültségek megléte.
II. A kimeneten van-e egyenfeszültség.
Élesztés.
A pufferek után 10 ohm-ot iktass be, a rajta eső feszültséget könnyű áramra átszámolni.
A nagyobb teljesítményű ellenállás nagyobb kivezérlést enged meg az élesztés során, a kicsinek pedig jótékony biztosíték szerepe van, tetszés szerint választhatsz.
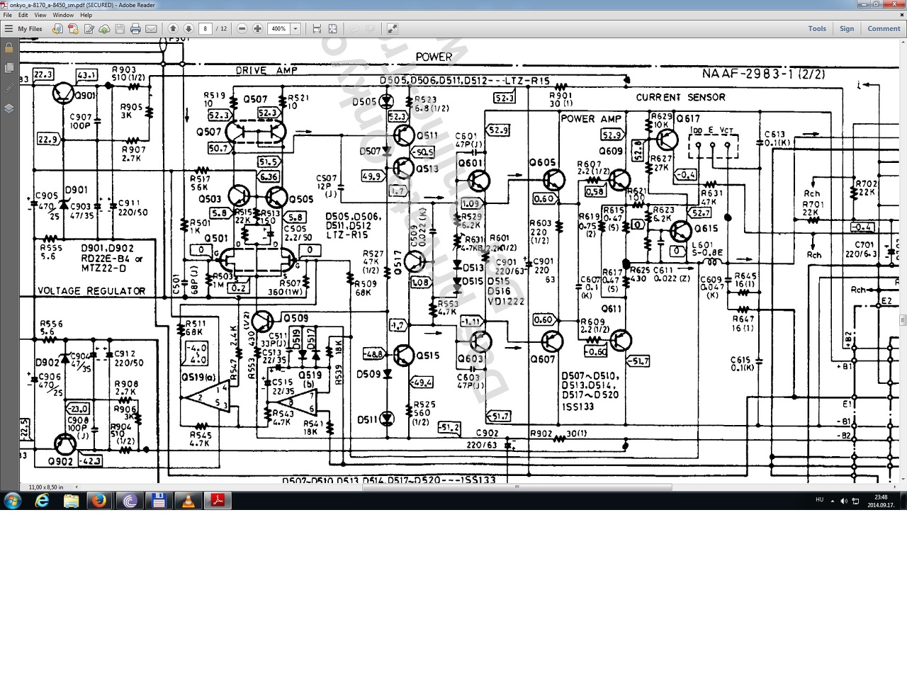
Rajzod van róla? Elég egy képkivágás a végtranzisztorok környezetéről.
Rendben, koszonom! Aramkorlatozaskent jo lesz egy izzo a trafo primerjevel sorbakotve, ugye?
Az izzó elég szokott lenni ésszerű pufferkapacitás mellett, 5000-10000µF-re gondolok.
Ennél a kapcsolásnál végtranzisztor nélkül nem áll be a DC egyensúly. Tehetsz a B-E lábak közé 100-120 ohm ellenállást, rajtuk a jelölt feszültségnek kell esni - így már nyugodtan beültethetők lesznek.
Utána számoltam elvileg bőven elég az 1/4W-os is,ha a megadott fesz. esik.
10 µF ... 22 µF kondival csatolj be a poti felé, így a mély átviteled megfelelő lesz.
Köszi! Akkor errefelé fogok "tapogatózni"!
Heló(!) tudnál nekem segíteni abban(,) hogy abból az onkyo erositobol csak a vegfogok tudnám használni?_Kiszednek belőle mindent ami felesleges(,) processzort lcd meg iLYenek.
A hozzászólás módosítva: Szept 18, 2014
Elképzelhető, hogy túl drága, vagy lehetetlen az eredeti állapot visszaállítása és valóban érdemes más hasznosítási lehetőség után nézni.
Sajnos nem tudom felvállalni, hogy így online, lépésről-lépesre végigvezesselek az átalakításon. Tanulmányozd, értelmezd a rajzot! Ha eljutsz addig, hogy hangerő potit tudsz valamely bemeneti csatlakozó és egy végfok bemenete közé illeszteni, és meg is szólal ily módon az erősítő, akkor a koppanásgátlás DC védelem területén igyekszem minden tőlem telhető támogatást megadni.
Értem akkor megprobalkozok vele és jössz előre a segítséget
Esetleg annyit hogy hol a bemenete a vegfoknak?
Ha ezt nem tudod megkeresni magad, akkor gondold végig, hogy meg tudod-e csinálni! Keress bemeneti csatolókondit, tanulmányozd a rajzot.
A hozzászólás módosítva: Szept 19, 2014
Na megtaláltam a bemenetet és kipróbáltam a vegfokot működik.Az lenne a kerdesem hogy a kimenet előtt vannak a relek azt meg e tudnám úgy csinálni hogy kapcsoloval lehessen őket kapcsolni?
Meg lehet csinálni, de NEM ajánlott! Azok ugyanis a védelem részét képezik. Ha bármi gond van a végfokkal, azok a relék kapcsolják le a hangsugárzókat, megóvva evvel őket. Ha te azt egy kapcsolóval helyettesíted, az esetleges végfok meghibásodásnál viszik magukkal a hangsugárzókat is.
A hozzászólás módosítva: Szept 19, 2014
No de ebből tanul az ember, hogy legközelebb nem csinál ilyet.
Meg lehet oldani, de nem érdemes, a védelmet benne kell hagyni (bár valószínű, hogy a mikrokontroller vezérli),de érdemes építeni néhány tranyós védelmet és a relékre kötni.
Ja és ugye, hogy megvan a bemenet, ha odafigyel a ember. A hozzászólás módosítva: Szept 19, 2014
Hát de ez az erősítő úgyis rossz vagyis csak a vegfok jó benne semmi más csak azt akarom belőle használni úgy mint koppanasgatlot bekapcsolaskor
De a védelem már úgysem működik benne mert valószínű hogy procihibas szóval felesleges benne.
Ajánlom figyelmedbe ezt a cikket. Itt elsősorban a cikk elején leírtakat vedd figyelembe!
A hozzászólás módosítva: Szept 19, 2014
A front csatornákhoz berajzoltam a védelem-koppanásgátló egy lehetséges megoldását.
És milyen tranzisztort hasznaljak?Az a kondi 100µF 6.3?és ettől bekapcsolnak a relek?Vagy mire jó?
A rajzom csak az RL6600-t kapcsolja. A DC és túlvezérlés mind az öt csatornánál közösítve van, hiba esetén Q6703 kinyit.
A 100k és a 100µF ad némi késleltetést bekapcsoláskor. A tranzisztor szinte bármely kisteljesítményű általános NPN lehet.
Hali! A 10µF is elég lett. De ha mégsem lesz az hosszú távon, akkor feljebb megyek. Még egyszer köszi!
A bármely általános célú NPN-be ez is belefér
|
Bejelentkezés
Hirdetés |












