Fórum témák
» Több friss téma |
Mielőtt kérdezel, a következő két dolgot ellenőrizd!
I. A helyes tápfeszültségek megléte.
II. A kimeneten van-e egyenfeszültség.
Élesztés.
Tessék még egyszer jó minőségbe az elözőt törölje valaki legyen szíves én már nem tudtam
A hozzászólás módosítva: Szept 25, 2014
üdv! amúgy észrevettem a Phono kapcsolón két ellenállást. Esetleg, ha azokat egy sima dróttal helyettesíteném akkor nem nö meg a bemeneti jel? Vagy azok teljesen más feladatot látnak el? A többi kapcsolón nincs ellenállás. Az elöerösitö modul nincs benne kivettem, szóval nincs ami torzítson. A fenékalaplapon az elöerösitö csatlakozásnál a 2-es pontot összekötöttem a 7-essel, és a 10-est a 14-essel, így tud a Phono bemeneten keresztül vonal szintü jelböl erösiteni torzítás nélkül, bár akkorát így nem szól, mint a rádió mód
A "vonal szintű" jel, azt gondolom mára már értelmét veszítette, nincs is értelme feszegetni. Jó eséllyel egy előerősítő+illesztő fokozat a telefon és a végfok közé megoldja a problémát.
A 224-es képen a relé mellett milyen értékűek a fehér teljesítményellenállások?
(Ecset és porszívó után kiállt a masina!)
Már átmentem rajta kompresszorral de annyi por volt benne hogy a kompresszorbol elobb kifogyott a levego mint a hifibol a por, este 9kor pedig mar nem akartam ujra tolteni...
majd ma megkapja a torodest Egyebkent 0.22ohmos, W jezest pedig nem talalok rajta mint a tobbinel szokas.
Szia
Most volt időm folytatni az erősítőt (Onkyo A-8450). Élesztés során 10ohm-os ellenállások nem füstöltek el és más sem,relé kattan LED-ek világítanak,tápfeszültség kevesebb kb. 86V a teljes 102V helyett de ez gondolom az izzó miatt, ami először jobban világit majd fokozatosan elhalványul,de nem teljesen.A trafóra menő váltó fesz. kb. 185V ebből adódhat a kisebb egyen tápfeszültség.A végfokok BE ellenállásain (100ohm) mért fesz. a rajzon lévő 0.57V körül van mindenhol.Ezek után már nyugodtan be lehet kötni a végfokokat? És gondolom azokat is úgy nézzem ,hogy az izzó és a védő ellenállások még be vannak kötve.
Szia
Megmértem a 10ohm-os ellenállásokon eső feszültségeket is jobb oldalnál -0.125V és +0.125V ez egyforma ebben a csatornában új meghajtók vannak (2SA1930 és 2SC5171). A másikban egy eredeti 2SA968 (-0.150V) és 2SC2238-CSC új (+0.132V),ekkora különbség még belefér? És a végtranzisztorok még nincsenek bekötve,izzó halványan világít.
Minden emberi számítás szerint ezen az ellenálláson eső feszültség generálja a tiltó jelet. Mivel nem látunk bele a kapcsolásba, ennek az ellenállásnak a csökkentése vihet közelebb a nagyobb kivezérelhetőséghez, vagy az erősítő leégetéséhéhez
![]() Légy úriember! Köss velük párhuzamosan 1 ohm 1W-os ellenállást, esetleg kettőt is ha nem gyullad ki az első körben
Az áramfelvétel különbség nem származhat az 10 ohm pontatlanságából? Mondjuk ez csak 2x5%, ami nem rossz az ellenállást tekintve.
A nyugalmi állító potival vidd le az elvi B-E feszültséget 0,45-0,5V-ra, úgy élessz a biztonság kedvéért. Addig emeld majd, míg a 0,47 ohm emitterellenálláson 2-5mV esik. Az ehhez az áramhoz tartozó B-E feszültségnek van egy ki szórása még azonos gyártmányú tranzisztorok között is.
Értem,akkor azt még beállítom, a 10ohm-os ellenállások között mindössze pár tized volt.
Ez a 2-5mV még mindig végtranzisztorok nélkül és áramkorlátozásokkal ugye az 0,47ohm emitteren?Ha bekötöm a végtranzisztorokat akkor a gyári érték 7.5mV amit itt nem pont az emitter ellenálláson kell mérni. Az izzó nem baj ha halványan világít ,és nem alszik el teljesen? És az alacsonyabb tápfeszültség is az izzó miatt van? 104V helyett csak 86V
Az izzó az erősítő áramfelvétele miatt parázslik, ez normális ennél a kapcsolásnál.
A 2-5mV már a végtranzisztorok beültetése után jelenjen a 0,47 ohm-on. Ha a keresztezési torzítás megkívánja természetesen mehetsz feljebb is valamicskével. A végleges beállítást (7,5mV) majd üzemmeleg hűtőbordánál végezd el! Ezeket már nagyon sokszor leírtam, nem tudom mennyi olvastál a korábbi bejegyzésekből.
Értem ,a végleges beállítást azt mindig a szervizkönyvben leírtak szerint csinálom ez gyártónként és típusonként változó.
Köszönöm a segítséget!
Tehat akkor a feher ellanallasok maradjanak es meg plusszba mennyen ra az ellenallas? Bocsi ha hulyeseget kerdezek de mint mondtam nem vagyok kozelsem muszeresz
Hat ellenallasokkal is ugyan ugy letiltott :S
A hozzászólás módosítva: Szept 27, 2014
Mérj rá AC voltmérővel a végfok kimenetre, hogy a tiltás egyben az erősítőt is némítja-e.
Ha ilyenkor megy a végfok, a relé környékén lévő pár lakatrész visszarajzolása lehetőséget nyújt a tiltás okának kiderítésére. A védelem teljes felszámolásában nem vagyok partner, de ha valami indokolatlanul korlátozza a kivezérelhetőséget, azt segítek elhárítani.
Sziasztok!
Szeretnék egy nagyon egyszerű kis kapcsolást készíteni. Csak annyi lenne a lényeg, hogy egy potmétert állítva, mint egy feszültségosztót, különböző feszültségeket tudjak előállítani és a ráhelyezett terhelés miatt ezek az értékek ne módosuljanak. Nem nagy terhelésről van szó, csak egy kis Ledes komparátor szerű áramköröz lenne. A mellékelt kapcsolás megfelelhet a célnak? Szerintem ilyesmi feszültségkövető kapcsolára van szükségem, de inkább rákérdezek, mielőtt hülyeséget forrasztok össze ![]() Köszönöm!
Mint mondtam a gyari hangfalaival is letilt, kb 50%-os hangeroig minden oke 50%-tol felfele sokkal erzekenyebb a hangerore es sokkal eroteljesebb a hangero novekedes es mikor kezdene mar szolni normalisan, puff letilt kb 60%-nal. De akkor holnap mericskelek es irok!
Sziasztok .
Az erősítőm ha kikapcsolom vagy kihúzom a falból másnapra áram hatására nem kapcsol be , ha távirányítóval bekapcsolom akkor meg nem azon a csatornán lesz ahol hagytam és le van tiltva a hangszórók kimenete . És állandóan fel kell kelni és odamenni mert a távirányítón nincsen hangszóró bekapcsoló gomb hogy bekapcsoljam a speakert . MIért van ez? yamaha rx v800 rds
Szia "reloop"! A segítségedet szeretném kérni a képen látható erősítővel kapcsolatban. A gazdija rövidre zárta a subwoofer kimenetet és ez a része ebből kifolyólag nem is működik ill. nem "jól" szól az egész erősítő. A tápfeszültséget mértem volna a zénereken de nem volt szimmetrikus (2X18V), pedig arra gondoltam, hogy annak kellene lennie. A képen a piros-fehér vezetéken megy a kimenetre a hibás fokozat. A kérdésem az volna, hogy a tápfeszültségnek szimmetrikusnak kell-e lennie vagy ez a mély hangzást előállító rész egy összegző volna és külön van táplálva? Az erősítőnek van egy hangerő egy magas és ez a mély "sw" szabályzó potija. Milyen felépítésű lehet a képen látható erősítő? Segítségedet előre is köszönöm.
A hozzászólás módosítva: Szept 28, 2014
miért,van benne elem? fölöslegesen nem akarom szétbontani ,meg erről nem is hallottam.
Szia! A sub csatorna IC-jét legjobb lenne eltávolítani mert felesleges teher is lehet a tápon.
A Zener diódák minden bizonnyal szimmetrikus feszültséget szeretnének szolgáltatni. Kezdjünk feszültségméréssel, mekkora a táp és mi van a Zenereken?
Szia! Flash memória van benne. Kellő szakértelem nélkül kár is megbontani. Elektrotanyán ott a rajza, ha érdekel.
Szia! Az egyiken ZD1 anódján 18V a katódján 27.5V, a ZD2 anódján 8V a katódon 18V. A váltót nem néztem meg mert arra nem voltam kíváncsi de ha jól emlékszem akkor 23V körüli értéket mérhettem rajta. Ha láttad a képet akkor neked is feltűnhetett, hogy ez a két zéner és az R23 ellenállás környéke melegedéstől elszíneződött. Az ellenállás az 147ohm, gondolom az jó érték a 150-es színhez. Majd holnap ha lesz időm jobban körbemérem.
Ezek 10V körüli Zenerek lesznek, csak nem testhez képest mértél. A bemenetnél vagy a táp pufferek közös pontján találsz olyat.
Nézd meg a zárlat okozott-e fólia felégést.
De oda mértem ezek szerint. Nem, fólia égést azt nem okozott. A három IC közül nem tudom csak sejtem, hogy a jobb szélső 2030-as lesz a SW erősítője, mert annak a kimenete "huszonvolt" körüli volt (testhez képest).
Minden bizonnyal az az IC lesz. A 4-es láb a kimenet, ki is lehet "csipogtatni".
A TDA2030 hűtőzászlója a negatív tápon van, lehet az tévesztett meg.
Helo nemtudom emlekszel e meg arra az erositore amit legszerelve csinaltam meg.Na azt atcsinaltam arra a lyukacsos panelre es nem mukodik a kimeneten egyenaram van mert kitolja a hanszorot tudnal nekem segiteni hogy mi lehet vele?
Sziasztok!
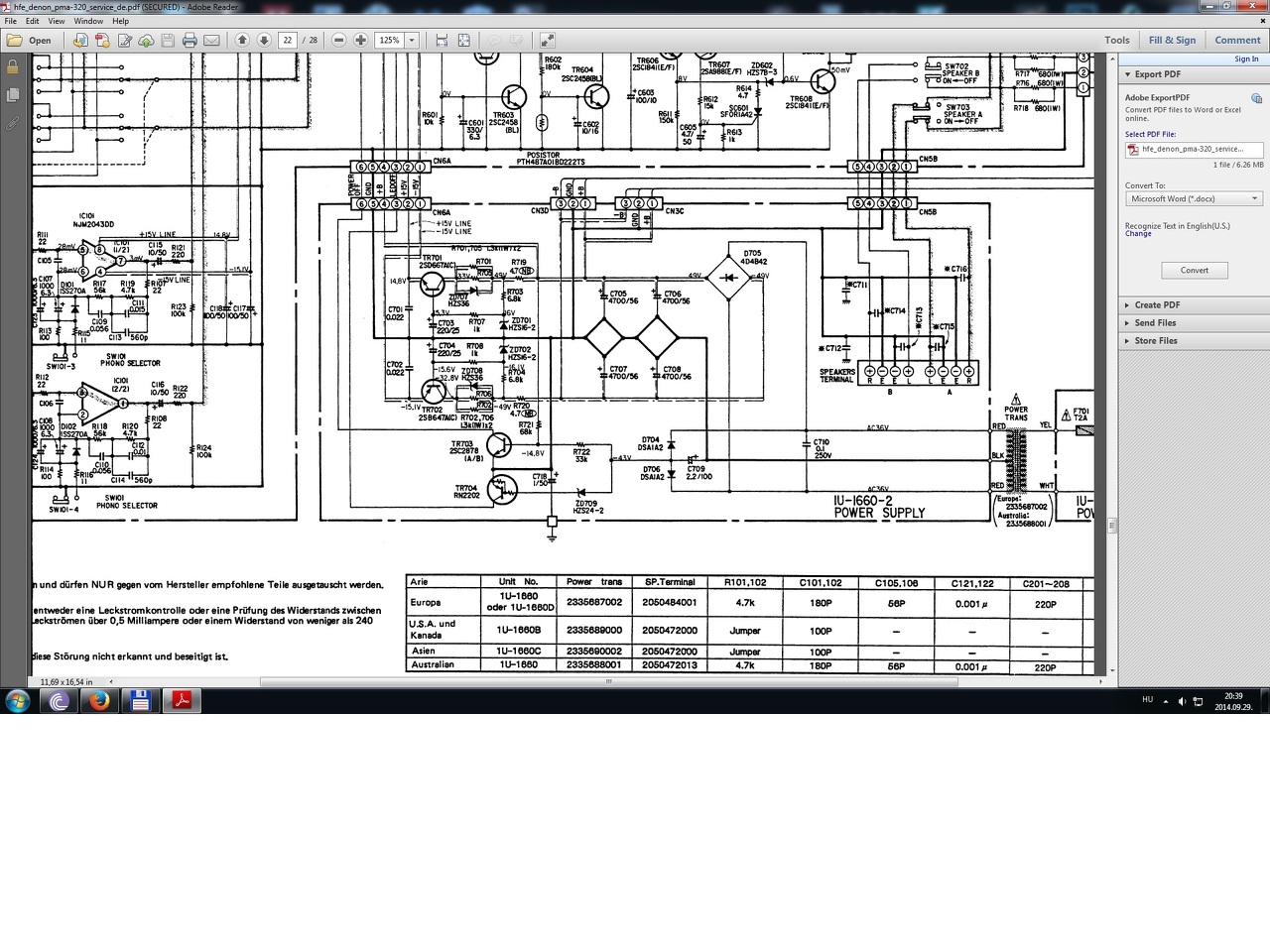
Annyi lenne a kérdésem,hogy a rajzon szereplő R706,R702-es ellenállást lehet e helyettesíteni egy 680 ohm-os 2W-osal,mert a gyárival megegyező típust sehol sem találok.(Denon PMA320A) A phono résznél történhetett valami ,mert az IC101 körül vastag zöld oxidréteg lerakódás van,az IC halott teljesen C117 egyik lába teljesen hiányzik -15V-os ág halott.Állítólag idáig Direct CD bemeneten használták az erősítőt ,csak azt ne mértem ,hogy hogyan. |
Bejelentkezés
Hirdetés |









majd ma megkapja a torodest
Egyebkent 0.22ohmos, W jezest pedig nem talalok rajta mint a tobbinel szokas. 










