Fórum témák

» Több friss téma
Fórum » Elektronikában kezdők kérdései
- Ez a felület kizárólag, az elektronikában kezdők kérdéseinek van fenntartva és nem elfelejtve, hogy hobbielektronika a fórumunk!
- Ami tehát azt jelenti, hogy a nagymama bevásárlását nem itt beszéljük meg, ill. ez nem üzenőfal!
- Kerülendő az olyan kérdés, amit egy másik meglévő (több mint 17000 van), témában kellene kitárgyalni!
- És végül büntetés terhe mellett kerülendő az MSN és egyéb szleng, a magyar helyesírás mellőzése, beleértve a mondateleji nagybetűket is!
Lapozás: OK   2407 / 4051
(#) marci1 hozzászólása Okt 17, 2014 /
 
Sziasztok!
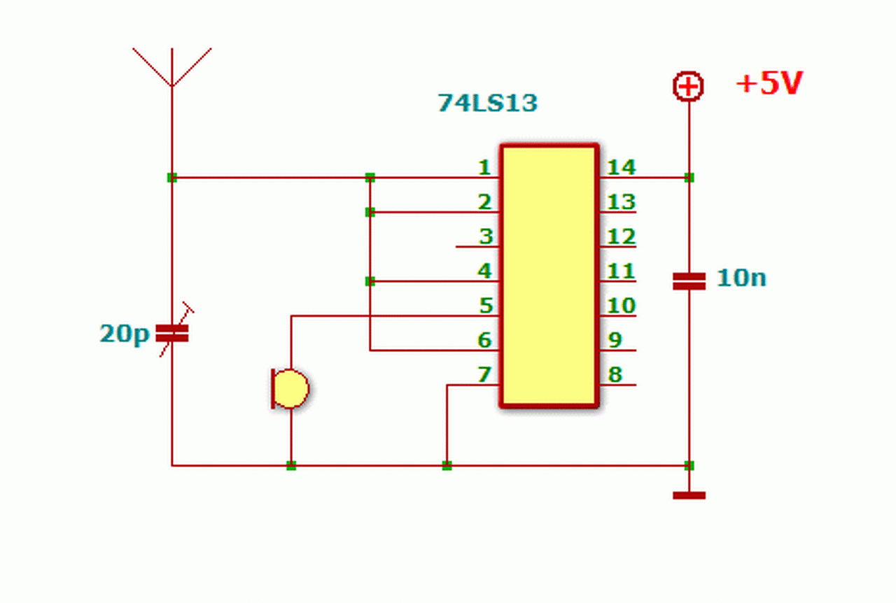
Ezt a két kapcsolási rajzot hogy lehetne "összerakni" egy kapcsolási rajzzá? Valaki "összerakná" nekem?
Köszi!
(#) Bakman válasza marci1 hozzászólására (») Okt 17, 2014 /
 
Parancsolj.

dual.jpg
    
(#) kadarist válasza marci1 hozzászólására (») Okt 17, 2014 /
 
Az 5V-okat is kösd össze.

Névtelen.png
    
(#) holex hozzászólása Okt 18, 2014 /
 
Sziasztok. Van valami amiben nem igazán látom a logikát. Az NPN tranzisztornál a kollektorból az emitter felé folyik az áram és a nyíl is ebbe az irányba mutat. N csatornás MOSFETnél a draintől a source felé folyik az áram, viszont itt a nyíl pont ellentétes irányba mutat. Van erre valami magyarázat?
(#) kadarist válasza holex hozzászólására (») Okt 18, 2014 /
 
Az csak egy jelzés azért, hogy külön rajzjele lehessen az N és P-csatornás MOSFET-nek.
(#) holex válasza kadarist hozzászólására (») Okt 18, 2014 /
 
De azt nem értem, hogy miért az N csatornásnál mutat befelé a nyíl és a P-nél ki, amikor pont fordítva kellene lennie, ha a bipoláris tranzisztorokat vesszük alapul.
Amúgy közben találtam egy ábrát, ami még érdekesebb: ha nincs "kör", akkor rendesen kifelé mutat a nyíl, ahogy az elvárható lenne, viszont ha kör van odarajzolva, akkor megfordul a nyíl iránya, pedig mindkét esetben N csatornás MOSFET-ről van szó.
Bővebben: Link
(#) Bakman válasza kadarist hozzászólására (») Okt 18, 2014 /
 
Egy mikrofonra tervezett kapcsolásban a mikrofont helyettesíteni egy erősített jellel?
(#) kadarist válasza Bakman hozzászólására (») Okt 18, 2014 /
 
Persze, majd halkan beszél. Megépíti, kipróbálja és levonja a következtetéseket.
(#) marci1 válasza kadarist hozzászólására (») Okt 18, 2014 /
 
Ez akkor működne rendesen?Mert én úgy gondoltam,hogy a poloskában az adás egy önálló mikrofonból halk lesz,ezért akarok tenni elé egy mikrofon erősítőt,és a már erősített mikrofon jelét adja le.
(#) kadarist válasza marci1 hozzászólására (») Okt 18, 2014 /
 
Építsd meg és számolj be a tapasztalataidról!
(#) marci1 válasza kadarist hozzászólására (») Okt 18, 2014 /
 
Ok.Most hétvégén elfoglalt vagyok úgyhogy majd később.De ha bemegyek a sarki elektronikaboltba akkor nekik lesz/tudnak rendelni 74LS13 at-mert azt hallottam hogy kifutó típus?
(#) aramis hozzászólása Okt 18, 2014 /
 
Sziasztok!
Azt szeretném kérdezni ,hogy van egy220 v 2x31v trafóm és egy kapcsoláshoz csak egy 31v és a test kellene tehát nem szimmetrikus ,ebben az esetben hogyan kössem be a trafót.?
(#) kadarist válasza aramis hozzászólására (») Okt 18, 2014 /
 
Szia!
A két 31V-os kivezetés közül csak az egyiket kösd be.
(#) Primary hozzászólása Okt 18, 2014 /
 
Áteresztő vagy visszaverődő opto szenzorhoz (CNY70, TCST2103) hol lehet kapni tárcsát?
(#) pjg válasza aramis hozzászólására (») Okt 18, 2014 /
 
(#) Fidel hozzászólása Okt 18, 2014 /
 
Sziasztok!

Mitől lehet, hogy a cobled halványan világít, egy év működés után?
Van több ilyen eszközöm is, ami csak halványan dereng, és nem tudom, mi ment tönkre, az elektronika, vagy a led?
Hogyan tudom ezt ellenőrizni?
Pl a 10w-os lámpa tápja 30v-körüli 0,9A-t mutat a műszer, akkor ez jó?
A led a bedugásnál, meg a kikapcsolásnál teljes fényerővel felvillan.
(#) zaza99 hozzászólása Okt 18, 2014 /
 
Sziasztok!

FTP14N50C 14A 500V fetet mivel tudnok helyettesíteni? Vagy hol kapok ilyet? 24V-230V inverter kimenetén volt 4db, 2 lett zárlatos.

Köszönöm.
(#) aramis válasza kadarist hozzászólására (») Okt 18, 2014 /
 
Sziasztok!
Kérek egy kis infót a rajzon látható tápegységben ,hogyan van a bekötése a kondiknak mármint a puffereknek ,sorban vagy párhuzamosan?
(#) valaki2233 válasza marci1 hozzászólására (») Okt 18, 2014 /
 
Én már építettem ilyen "rókaadót" és nem kell elé előerősítő csak simán a mikrofon, de ez típustól is függhet. Az a fekete 2 lábú alkatrész egy stab. IC.

DSC_0017.JPG
    
(#) elektroncso válasza valaki2233 hozzászólására (») Okt 18, 2014 /
 
Ez nem rókaadó. Az az adó csak egy meghatározott frekvencián ad folyamatosan sípoló, esetleg morze jeleket. Ezt a jelet több irányérzékeny vevővel befogják, és a jelet követve megkeresik az elrejtett adót. Amit te építettél esetleg jó szándékkal vezeték nélküli mikrofonnak lehetne nevezni.
Rókavadászat:Bővebben: Link
(#) kadarist válasza aramis hozzászólására (») Okt 18, 2014 /
 
Párhuzamosan a simítani kívánt feszültséggel. A kondenzátorok közös pontja a trafó középleágazása.
(#) darkmann hozzászólása Okt 18, 2014 /
 
sziasztok szeretnék segitseget kerni abban hogy van egy urc22b taviranyitom es van egy grundig tv szeretnem a taviranyitonak a kodjat elkerni h iranyitani tudjam a tvt koszonom
(#) kadarist válasza zaza99 hozzászólására (») Okt 18, 2014 / 1
 
Ez a típus jónak tűnik a kiváltására. Ilyenkor érdemes az összes ott lévő FET-et kicserélni.
(#) Sanyi220v hozzászólása Okt 18, 2014 /
 
Segítségre lenne szükségem... Van egy ilyen átalakítóm amit egy parabola beltériéből szedtem ki, nos a gondom a következő: Szeretnék csinálni belőle egy transmittert, de a lényeg a következő, ha a beltériben benne van akkor megy a kép is és a hang is, de amikor csak magába ráadom az áramot akkor semmi, nem mutat, és a hang sem megy...Van rajta 6 kivezetés, lemértem így is és úgy is, mind a kétszer ugyan azt az értékeket kaptam, mégis kiszedve nem működik..Első láb lemérve 3,5V a panelen rámegy az 5 voltra egy 4,7kohm os ellenálláson keresztül, a második úgyszint 3,5 volt, és ugyan így átmegy egy 4,7kohm os ellenálláson, a harmadik csak egy tartóláb, a negyedik a hang, az ötödik pedig a kép. és végül a hatodik a +5V És persze a korpusz a nullás. Miért nem megy ha ki van szedve a beltériből?

h.jpg
    
(#) kadarist válasza Sanyi220v hozzászólására (») Okt 18, 2014 /
 
Nyilván kell neki valamilyen hangolófeszültség vagy IC2 buszos programozás. Mi van az IC-re írva?
(#) Sanyi220v válasza kadarist hozzászólására (») Okt 18, 2014 /
 
Elnézést azt kihagytam... MBS74T1AEF
(#) kadarist válasza Sanyi220v hozzászólására (») Okt 18, 2014 /
 
Jól sejtettem, mert ennek az IC-nek kell egy soros buszkapcsolat a mikrovezérlőtől: Bővebben: Link.
(#) aramis válasza kadarist hozzászólására (») Okt 18, 2014 /
 
Elnézést kérek de ,hogyan lesz közös kondi csatlakozási pont párhuzamos bekötés esetén?
(#) Sanyi220v válasza kadarist hozzászólására (») Okt 18, 2014 /
 
Köszönöm a segítséget, remélem sikerül tovább. Csak kissé itt elakadtam...
(#) Sanyi220v válasza kadarist hozzászólására (») Okt 18, 2014 /
 
és ez a buszkapcsolat az 1 vagy a 2 lábra kel kötni?
Következő: »»   2407 / 4051
Bejelentkezés

Belépés

Hirdetés
XDT.hu
Az oldalon sütiket használunk a helyes működéshez. Bővebb információt az adatvédelmi szabályzatban olvashatsz. Megértettem