Fórum témák
» Több friss téma |
- Ez a felület kizárólag, az elektronikában kezdők kérdéseinek van fenntartva és nem elfelejtve, hogy hobbielektronika a fórumunk!
- Ami tehát azt jelenti, hogy a nagymama bevásárlását nem itt beszéljük meg, ill. ez nem üzenőfal! - Kerülendő az olyan kérdés, amit egy másik meglévő (több mint 17000 van), témában kellene kitárgyalni! - És végül büntetés terhe mellett kerülendő az MSN és egyéb szleng, a magyar helyesírás mellőzése, beleértve a mondateleji nagybetűket is!
Azt a kondit akár ki is veheted, anélkül is működik a rádió. Csak zavarszűrés a feladata. 22 - 33 nF os kondit betehetsz, csak a feszültség kritikus, olyat tegyél bele, ami 250 V ~, vagy 630 V - van ráírva, és nehogy elkó legyen.
Sziasztok!
Működőképes és biztonságos huzamosabb időre az általam összerakott 9v-ból 5v-ot kapcsolási rajz?
Szia!
Biztonságos, de a kimenetre is rakhatsz egy pár µF-os kondenzátort a 100nF-on kívül.
Tehát a C3 után pl. egy 100 µF-osat?
A hozzászólás módosítva: Okt 22, 2014
Ez egy viszonylag régi óra, csak mostanában újítottam fel. A benne futó program nem sajátom.
Így volt egyszerűbb. Az is szempont volt, hogy áramszünet esetén is működjön a kijelző, meg a kapcsolója (ébresztő). Bár általában csak a kávéfőzőt kapcsolja be, de az meg áramszünet esetén úgysem menne... A hozzászólás módosítva: Okt 22, 2014
Egy 8 ohmos 6 wattos dinamikus hangszórónak mennyi min feszültség kell hogy szóljon? És mennyi lehet a max feszültség?
Első kérdés értelmezhetetlen, gyakorlatilag szólni fog nagyon kicsi feszültségnél is, csak halkan.
Második kérdésre vonatkozóan pedig mindenképpen kevesebb mint 7 Volt, de már az alatt is haza lehet vágni. P = (U * U)/R
De mi az a feszültség amin már normálisan szól? (Rádióba lenne a hangszóró)
Szia!
3V feszültséggel már normálisan szól. De inkább az erősítő tápfeszültségéről kellene kérdezned. A hozzászólás módosítva: Okt 23, 2014
Én a TDA2003-as típust ajánlom 12V-os tápfeszültségről.
Én Ezt találtam. Mit szólsz hozzá?
Gyakorlatilag ez a kapcsolási rajz az adatlapjából van. Működőképes.
Ok kösz a válaszokat.
Vigyázz, a linkelt kapcsolás felirata megtévesztő! Ez az IC nem 12W, hanem 1,2W-ra képes.
Egyébként az LM386-ra nem mondanám, hogy gerjedékeny, meg kényes. A hozzászólás módosítva: Okt 23, 2014
Idézet: „Egy 8 Ωos 6 wattos dinamikus hangszórónak mennyi min feszültség kell hogy szóljon?” Ebből a kérdésből hogyan nőtt ki ez a válasz
Sziasztok. Adott egy 24V-os trafó, azon van egy KBU1010 Graetz híd. A kimenetének a pozitív oldala egyrészt ki van vezetve és csatlakozik egy fűtőellenálláshoz, másrészt egy 1N4007 diódán keresztül csatlakozik egy 4700 µF-es kondenzátorhoz és egy kínai 300 Ft-os LM2596-os DC-DC konverterhez, amin egy mikrokontrolleres áramkör van. A problémám az, hogy az 1N4007-es dióda napi rendszerességel elfüstöl, és egyszeűen nem értem, hogy miért. Olyankor is ezt csinálja, ha a DC-DC kimenetén nincs semmi. Tudom, hogy 4700 µF-os kondi túlzás, de csak ilyenem volt amikor összeraktam. Okozhatja az a dióda tönkremenetelét, hogy amikor ki van sülve a kondenzátor és bekapcsolom az egészet, akkor túl nagy áram folyik? Vagy mitől van ez? Egyszerűen nem értem.
Nem a kondi a túlzás, hanem az 1N4007 karcsú ekkora kondenzátorhoz. Bekapcsoláskor csak a transzformátor belső ellenállása korlátozza a kondenzátor töltőáramát, ez bizony nagy pofon az 1N4007-nek, csak 30A csúcsáramot engedélyez neki az adatlap. Nem tudom milyen trafód van, de egy 10A terhelhetőségű dióda valószínűleg elég lehet.
Egy ilyen nagy régi magyar, 160VA-es. Egyébként ilyenkor kb. mekkora áram folyik? Jól sejtem, hogy bekapcsoláskor szokott tönkremenni, amikor teljesen ki van sülve a kondenzátor, és ha azt túléli, akkor már nincs vele gond?
Tudnál esetleg egy diódatípust mondani, ami megfelelő? A hozzászólás módosítva: Okt 24, 2014
A dióda után lévő DC-DC konverter mennyit fogyaszt? Lehet, hogy egy ellenállással megoldható a probléma.
Ez jó felvetés. Ezeket a töltő áramokat hogyan lehet kiszámolni, azaz hogy mekkora a kezdeti csúcsáram? Vagy hogyan lehet korlátozni, elé egy kis értékű ellenállás, ami terhelés közben nem okoz problémát?
A Power ledeknek elég ha csak az áramkorlátozó ellenállásuk van az áramkörben, vagy kell nekik valami meghajtó áramkör?
Hogy tudnám megoldani, hogy egy kapcsolóüzemű táp, ne "égesse" be a relé kontaktjait? Azt Gondolom, hogy RC tag kellene, de pontosan milyen értékű? Elég az ami pl egy szétszedett mikróból van bontva? Igaz az RLC.
Leméred a trafó szekunder feszültségét, ami jelen esetben 24 V. Ennek a csúcsértéke 24 * gyök2 = 33.8 V. Leméred a trafó szekunder tekercsének egyenáramú ellenállását, ami tarfó méretéből ítélve olyan 1,5 Ohm lehet. A kondenzátor bekapcsoláskor zárlat. Útközben van három dióda (Graetz + 1N4007), amik "levonnak" kb. 1 V-ot. Kb. 32 V / 1,5 Ohm = 21 A indító áram.
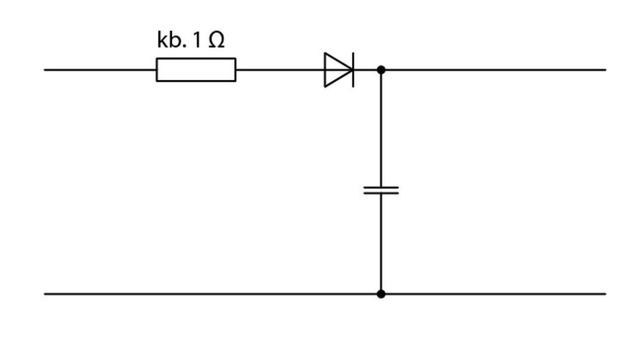
Ahhoz, hogy tudd, mekkora előtétellenállást lehet max. belerakni, kell az, hogy az utána lévő dolgok mekkora áramot vesznek fel, mi az a minimális feszültség, amivel még biztosan működik. Egyébként nem kell ennyire túlszámolni. Gondold végig. Ha 1 Ohm-os ellenállást teszel be előtétnek, 1 A áram esetén is csak 1 V feszültség esik az ellenálláson. A kis tápegység bemenetén nem 32 hanem "csak" 31 V lesz. Ez azért nem olyan életbevágóan nagy fesz. esás.
Elég, ha feszültséggenerátoros (normál tápegység) áramforrásról hajtod. A meghajtóáramkört a veszteségek csökkentése miatt szokták használni, azok ugyanis kapcsolóüzeműek, sokkal kevesebbet fűtenek el, mint egy egyszerű ellenállás.
Ha csak a beégést akarod megelőzni, elég lehet egy szimpla NTC a tápegység bemenetével sorba kötve. innen kezd az olvasást.
Áh köszi, ez eszembe se jutott! Már csak az a gond, hogy hol lelek ilyet itthon...
A hozzászólás módosítva: Okt 24, 2014
Szóval ha elemről fog menni, akkor érdemesebb a meghajtóáramkört alkalmazni. Ezt akartam tudni, köszönöm!
|
Bejelentkezés
Hirdetés |













