Fórum témák
» Több friss téma |
Fórum » Indukciós hevítő készítése
Egyszerű,keresd meg a googlen a nagyfrekvenciás közponi fútést,le van irva a paraméterei és nem kell ragozni kinek drágább meg hogy minél drágább nem kerűl pénzbe elolvasni és akkor nem kell senki negativ-akár pozitiv véleménye..az internet pedig adott,üdv Oszkár
A hozzászólás módosítva: Szept 5, 2014
Hatékonyabb a klíma fűtésre kapcsolása. Az őszi időben talán 100W fogyasztás mellett tisztességes meleget csinált. ( a fogyasztást mértük, a kilépő levegő bőven melegebb volt egy 100W-os fűtőszál teljesítményénél.) Egy baj van vele hidegben nem használható mert a kültéri része lefagy. Ezért találták ki a hőszivattyúkat, ott már nincs ez a gond.( bár a klíma is tulajdonképpen az.)
Tisztelt fórumtársak!
Érdekelne, hogy próbálkozott-e valaki hálózati feszültségről üzemeltetni indukciós hevítőt. Úgy értem, hogy nem volt az áramkörben transzformátor, csak simán 325V DC. Kivéve persze a tranzisztorok meghajtását (IGBT, FET). Találtam egy oldalt, ami érdekesnek tűnik, gondolom nem Én vagyok az első aki ezzel a variációval foglalkozik. Hevítő weboldal A hozzászólás módosítva: Okt 29, 2014
Üdv.
Nem te vagy az első , lásd feljebb a képeket. Az általad linkeld kapcsolással az a baj hogy, állandó frekin járatod a rezgőkört, csak manuálisan tudod a frekit változtatni. És ha véletlen a rezonancia freki alá hajtod (kapacitiv tartományban) akkor keresztet is vethetsz a feteknek vagy az igbt-nek. Itt egy tökéletesen működő példány: Pll 1600w A hozzászólás módosítva: Okt 29, 2014
Köszi a linket. Átolvastam és igazad van, még az illető is arról panaszkodik, hogy a hangolással itt is probléma van. Azaz azzal, hogy az induló frekvenciát megtalálja. Sokat próbálkoztam a pimi9 féle ZVS-el, de valamiért idővel mindig beadták a kulcsot a tranyók. Nálam nem változik a freki, mert nekem a melegítendő elem egy állandó acélcső. Megpróbálkozok a manuális frekivel, ha nem megy akkor áttérek a frekifigyelős megoldásra. Már csak annyit kellene tudnom, hogy mennyire térhet el egymástól a 2 rezgőkör, vagy azoknak pont egy frekire kell, hogy legyenek hangolva?
Nem tudom hol látsz két rezgőkört? A félhidas kapcsitáp 2kondenzátorára és a trafó szórt induktivitása által meghatározott rezgőkörre gondolsz?, mert azt nem kell belőni, mivel a szekunder oldal már kivan hangolva (kondibank+munkatekercs+trafó szórt induktivitása). A primer oldalon a kondikat ugy választod hogy a két kondi és a szórt induktivitásod ne legyen rezonancián, hanem induktiv tartományban legyen, mikor a szekunder kör rezonancián van. Attól hogy ugyanazon anyag van a munkatekercsben még eltérően fogja elhangolni a rezgőkört, pl mikor hideg a munkadarab akkor jobban elhangolja, mikor elérte a curie pontot (ahol elveszti a mágneses tulajdonságát) onnét már kevésbé hangolja el. Soros vagy párhuzamos rezgőkört akarsz?
Igen a trafó előtti kondikra és a trafóra gondoltam, mint első rezgőkör a második pedig a kondiban és a munkatekercs. Viszont ezek szerint csak a kondibank és a munkatekercs számít bele a rezgőkörbe? Arra gondoltam, hogy egy feszültségnővelő ferrit trafót teszek az áramkörbe, hogy a munkatekercsen minél nagyobb feszültség fusson. Miképp tudom kiszámolni, hogy milyen trafót tekerjek ehhez. Elég csak az L-C rezonanciát kiszámolnom és mindegy, hogy milyen trafót tekerek, csak az arány legyen megfelelő na meg persze a teljesítménye?
Az elképzelés a képen. Csak akkor a munkatekercs induktivitása, a kondik kapacitása és a trafó szórt induktivitása szükséges? Ebben az esetben a sekunder induktivitása kell?
Én ezt a kapcsolást hanyagolnám több okból is, nincs rajta áramvédelem igy nem tudod megóvni a FET-eket vagy az IGBT-ket ráadásul LCLR topológia, próbálkoztam vele én is több kevesebb sikerrel, kisebb darabokat olvadásig hevit, de viszont olyan áramtüskéket nyom vissza a félhidra hogy gyönyörű, ugyhogy 20 darab döglött félvezető után hagytam a fenébe..
Soros rezgőkört használok és teljes hiddal vezérlem a becsatolótrafó 2db U57 azt hiszem 25 menettel. Mindenféleképpen iktass be valami túláramvédelmet, igy megspórolsz pár félvezetőt.
Igen túláram védelemnek egy pár halogén izzót gondoltam. Akkor azt tanácsolod, hogy építsek egy teljes hidas kapcsitápot és annak a végére tegyem a rezgőkört? Erről tudnál rajzolni egy példát, ha megkérlek, mert teljes híddal még sosem dolgoztam. Nem tudom, hogy ott miként kell rendezni a kondikat. Gondolom az IR2153 ki tud hajtani egy teljes hidat.
Kezdésnek elég a félhid. Az izzót élesztésnés használjuk,hogy ha probléma van még idejében kiderüljön,Ha valami nagy gond van a kapcsolással az izzó ide édes kevés(főleg ha valami elég nagy teljesitményű). Először javaslom hogy jobban tanulmányozd át a kapcsolóüzemű tápokat, egyszerünek tünik, de rengeteg buktatója van.... , nem is térnék ki rá arra ott a kapcsolóüzemű táp topik. Nem tudom miért ragaszkodsz az IR2153 hoz? De linkelek neked neked egy teljeshidas és egy félhidas kapcsolást ezzel a meghajtoval, itt a lényeg látszik. Oszcilloszkóp nélkül neki se kezdj.
Bővebben: Link Bővebben: Link A hozzászólás módosítva: Nov 5, 2014
Üdv!
Kérdezted, hogy miért ragaszkodom az IR2153 IC-hez. Nos azért mert még csak azt használtam kapcsolóüzemű tápban. Körülnéztem egy kicsit jobban a neten és találtam egy érdekes elrendezést. ZVS kapcsolású és egy komparátort használnak a tranyók kapcsolására. Részemről úgy láttam, hogy életképes a dolog, meg a hozzászólók sem panaszkodtak.Bővebben: Link Ez egy soros rezgőkörös, amit Te is említettél, bár itt is jó nagy áramcsúcsok lehetnek, de gondolom ez minden indukciós hevítőnél megtalálható. Ha van időd vess rá egy pillantást és véleményezd. Köszönöm!
Nem nagyon foglalkoztam önrezgő dolgokkal, kivéve pár Skori féle táppal. Talán Pimi9 kellene kérdezni ezzel kapcsolatban. Egyébként meg le kell szimulálni, majd kicsiben megépiteni. Ha lesz egy kis időm leszimulálom.
Szia pimi9!
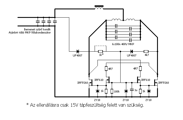
link Ha jól látom ez egy multivibrátor kapcsolás. A két IRF610-nek mi a szerepe? A GATE-jeik fixen 12...18V-on vannak. Ha a 4.7 ohm-on keresztül magasabb potenciált lát a DRAIN-je, mint a SOURCE, akkor áram indul meg, nyitja az IRFP260-at. De ez megtörténne IRF610 nélkül is, ha a 4.7 ohm-os ellenállást direktbe az IRFP260 GATE-jére kötnénk, nem? Kérdésem, hogy IRF610 akár el is hagyható? A hozzászólás módosítva: Jan 2, 2015
sziasztok!
kezdőként kérdezem, hogy az indukciós főzőlapon melegített csapágy az szerintetek miért nem jó?
Szerintem kemény, rágós marad, ízetlen is.
Mi a kérdés? Mihez nem jó, miért melegíted?![]() Cica elvitte a shift gombot?! A hozzászólás módosítva: Jan 26, 2015
arra lennék kíváncsi mágneses marad e a kerámialapról levéve?
Ha nagybetűvel kezded a mondatot (ahogy illik, mert ez nem chat oldal,) válaszolunk.
Ne dühöngj már, arra van főállású ember...
Én sem szeretem a pongyola írásmódot, de nem nevezem ki magam önkéntes modinak, és igen, szúrja a szemem, ha más így akar "jópontot" szerezni....
Bocsánat!
Arra lennék kíváncsi mágneses marad e a kerámialapról levéve?
Ha biztosra akarsz menni, akkor a meleg csapágyat alkalmas szerszámmal megfogva, lassú köröző mozdulatokkal, fokozatosan távolítod el a főzőlaptól.
Egyébként gépműhelyekben is indukciós csapágyhevítést használnak legtöbbször. Ott egy nyitható járommal rendelkező háromfázisú transzformátor vasmagjára fűzik fel a csapágyat. A csapágy egymenetes, rövidrezárt tekercsként viselkedve melegszik fel a beállított hőfokig. Az automata lekapcsolás után lefűzik a vasmagról, és teszik a helyére. Itt van az SKF pár indukciós készüléke: A hozzászólás módosítva: Jan 26, 2015
Köszönöm a választ, akkor ezek szerint működhet a dolog. Igen erre a célra szeretném használni, csak az SKF- féle melegítő 700 ezer Ft-ba kerül.
Látom az elektrotanyán röviden lerendezik az ilyen "kényes" dolgot mint a melegítés...
Az a csapos cucc nemigazán jó.
Üdv.
Meddig jutottál a hevítővel,befejezett a projekt?Érdekelne,hogy sikerült elérned az olvadás pontot?Ha jól olvastam ,SG 3524-el oldottad meg a meghajtást ,esetleg a Gate meghajtóról meg lehet e pár infót tudni menetszámok,ferrit ? Valamint érdekelne még ,hogy mekkora frekvenciára van belöve? A munkatekercs,kondibank is ezen a frekvenciára van hangolva? Kösz !
Üdv mindenkinek!
Találtam 2 hevítő rajzot. Szeretnék tanácsot kérni, hogy helyik megépítése lenne a célszerűbb. Nekem jobban tetszik amiben 2 fojtótekercs van és nincs középkivezetés a munkatekercsen. Hány menetes legyen a munkatekercs? Melyik áramkör a hatékonyabb? Válaszokat előre is köszönöm!
Üdv!
Én mind a kettőt megépítettem. A két fojtós jobb,cserélhető a munkatekercs. A működő készülékről van videó. Bővebben: Link A hozzászólás módosítva: Feb 21, 2015
Üdv.
Az elmúlt hétvégén ,kisérleteztem Pimi9 két fojtós változatával,de egy fojtóval is próbáltam annó.Bővebben: Link
Üdv!
Köszönöm a válaszokat. Még egy kérdésem lenne: A kétfojtós változatban az egyik fojtót mindig testeli az egyik fet és az áramnak két útja van. A fojtón és a munkatekercsen is folyik áram. Az egyfojtós változatban pedig az összes áram a munkatekercsen folyik át. Így a kétfojtós változatban kárba megy az energia egy része, nem? Vagy nagyfrekvencián ennek nincs jelentősége?
Üdv!
Találtam itthon IXGQ90N33TCD1 feteket. Az jó a hevítőhöz? Ha jól néztem a katalógust akkor 300V 75A Kisebbik fetnek pedig találtam STF7NK30Z vagy GP70N33
Üdv!
A meghajtó elektronikáról lehet tudni valamit? |
Bejelentkezés
Hirdetés |





Mi a kérdés? Mihez nem jó, miért melegíted?







