Fórum témák
» Több friss téma |
Egy 2MOhm körüli poti nem bírja el a töltőellenállás szerepét? Így lehetne szabályozni az idejét.
Az erejét az 555 idejével lehet szabályozni?
Szia !
Idézet: „20u 400V-nál 1,6J Tapasztalatok szerint ez már nagyon durva, könyékig lezsibbaszt. Ha nem játékra kell, akkor muszáj nagyot csinálni,” Ha ezt a 1,6J gondolod nagynak akkor a 75J -os mekkora ? ![]() Viszont helytől és mérettől függ az egész ahogy mondod, ezért van 0,3J - 75J -ig. Üdv!
Jobb, ha nincs ellenállás sorban, ha nem muszáj, hatásfok kérdések miatt, akkus üzemmódnál nem mindegy. Az inverter egy érdekes állat, 50Hz-re tervezett trafónk van, ezt több kHz-en hajtjuk, nagyobb az impedanciája is itt, és a négyszögjellel hajtva, amikor megszűnik az áram, jó kis túllövés keletkezik rajta, ez is beleszól a kimenőfeszbe, jobb trafónál volt akkora is, hogy a 600V-os triakot begyújtotta, nem értettem miért csattog összevissza.
Ha jól emlékszem a 20u kondival az 1,6J energiájú cucc átlagban 100-200mA között vesz fel 12V-ról. A kimenő nagyfesz erejét, ha ez volt a kérdésed, azt a kondi méretével, és a töltőfesszel lehet szabályozni. Ha csak 250V-ra töltöd, akkor felakkora energiát tárol a kondi mint 400V-on. Ehhez mondjuk kell egyéb elektronika is bele. A kimenő impulzusok idejét azt a DIAK kondija meg ellenállása határozza meg.
Elég nagy ez az 1,6J is, nagyobb gyári pásztorokat még nem szedtem szét, de jórészt kamu a ráírt Joule érték a kisebbekből ítélve. Amire 2J-t írtak, abban volt 4,4µF kondi, ehhez 1000V kéne..
Szia !
Annyira nem kamu, mert van ami 150Km -re jó egyrészt, másrészt nem mindegy, hogy csigához, vagy elefánthoz. ![]() Üdv!
Remélve, hogy ez a legnagyobb fordítási pontatlanság benne:
...amelyek segítségével kerítésdrótok elektromosíthatók vagy figyelhetők meg...
400V-nál 75J töltés tárolásához kell vagy 900µF kondi. Az már elég durva, már defibrillátor.
Csak azt mondom, hogy az a 2-3 gyári készülék ami a kezembe került, kb. a negyedét tudta jó esetben a ráírtnak. Ez is olyan trükk mint a PMPO a hifi cuccoknak, nagyobb számmal könnyebben eladható. Mondjuk mérhető a dolog, ha 1J-ra akarok tölteni egy kondit, és másodpercenként kisütni, akkor ahhoz 1W-ot fel kell legalább vennie a készüléknek. Az amit csináltam, 1,6J-osat, 12V-ról valahol 200mA alatt van nemsokkal, az kb. 2W. A gallagher 1J-nak mondott készüléke 20-30mA-t vesz fel 12V-ról, és csak 1-2km dróthoz jó.
Neked miféle jószágot tart abban a 480m-es karámban ez a kapcsolás?
Azért érdekelne, mert ekkora távra nem tudtam lepróbálni, de most egyik rokonnak kellene birkázni. Szimpla soros karám, vagy több vezeték is fut párhuzamosan? (neki 3 menne)
A következőre tudnál e választ adni?
Az rendben van, hogy feltöltök egy kondit, és lesz benne valahány joule. De mi a helyzet a gyújtótrafóval amire a kondit rásütöd? Annak is le kell tudni adni azt az energiát ami a kondiban van. Csak azért mondom, mert én többféle trafót is próbáltam (autógyújtótr.) és a nem egyyforma volt a kimenet. Volt amelyikkel erősebben, volt amelyikkel gyengébben ütött, holott az áramkör és a kondi ua volt, azaz a joule érték állandó volt. Hogyan lehetne ezt méretezni, hogy hány joule-ra mekkorra gyújtótrafót kell tenni, hogy az az energia le is adódjon?
Üdv!
Az elképzelésedről fel tudnál tenni egy rajzot, nagyon érdekelne? Az alpkapcsolást már én is többször felhasználtam egy kis átalakítással villanypásztor céljára,de ezt meg nem ismerem.
Birkákhoz valami erős kell. De a madzag-szalag se elég, jófajta acélhuzalt érdemes feltenni, mert a birkák hülyék nagyon, simán nekiszalad a drótnak többször. Amikor kergettem volna ki a kertből az egyiket, háromszor ugrott neki a drótkerítésnek, de csak nem bírt átmenni rajta. Ja, a kapu kb. 4 méterre volt.
Ez jó kérdés, trafókhoz sajna nem sokat értek, a tuti megoldás egy erre a célra tekert trafó lenne, rendes primer-szekunderrel leválasztva, csak nem sikerül vasmagot, csévetestet szerezni. (olyat ami kapható boltban bármikor, stb. Bontott van egy csomó)
Így marad a próbálgatás. Nekem bejött a 6V-os trabant gyújtótrafó is, de a zsigulié is jó.
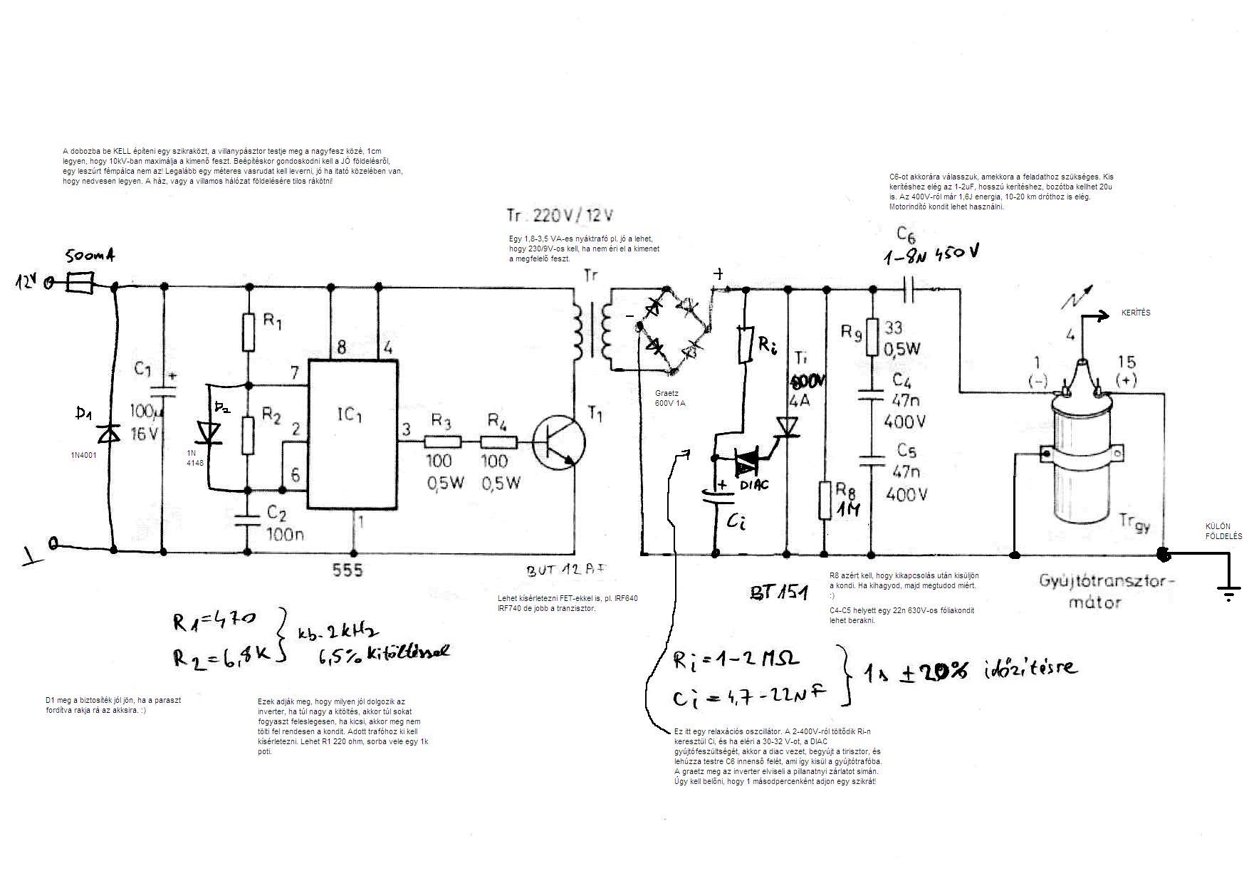
Itt van, kb. ez az, az alkatrészértékeket nagyrészt fejből írtam, remélem jól emlékszem. Végülis könnyen kimérhető az egész, elég egyszerű is, pár darab működik már jó ideje. Ha rendesen meg van csinálva, vízállóan beépítve akkor nincs baj vele. Dobozoláshoz ajánlom a Gewiss dobozokat, szépek, jók, nem ilyen sorjás felmosórongyszínű vackok.
Tetszik ez az áramkör is!
Lehet, hogy kipróbálom! Leírnád nagy vonalakban a nagyközönségnek, hogy is működik, melyik alkatrész mit befolyásol, stb? Így bárki, aki idetéved tisztában lesz vele rögtön. Birkáknál a magasabb teljesítményre gondolsz, vagy magára a drótra, amit kihúznak?
Szerintem a teljesítményre mert a birkának nagy a szőre, így kevésbé érzi meg mint pl.1 kutya. Ezt amúgy én is megcsináltam de másként indítottam a tirisztort.A kondi csak 2.7mikros volt de jónagyot ütött
Én először glimmlámpás gyújtáson agyaltam de Cavalier megoldása szerintem jobb. Köszönet neki
Sziasztok,
van nálam egy villanypásztor, nem házilag összetákolt, rendes, bolti. A léyneg, hogy kb 2km az a hatótávolság az ami a kifeszített huzalban úgy elfut, hogy még megállítja a tehenet, utána már belemegy, mert 2 km után már annyira gyenge a jel... Mikor rokonom vette ezt a pásztort 20 ezerért mellette ott voltak 40-50E Ft-ért is a 10km hatótávúak... Ehhez szeretnék segítséget kérni, hogy lehetne megoldani, hogy a 2km-ből legalább olyan 5km hatótávolság legyen... A következő villanypásztorról lenne szó: (annyi változás történt, hogy egy zsiguli gyújtótrafó lett beletéve a gyári helyett)
Nem még nme próbáltam sehogyan, de valami olyan megoldás kellene, ami biztos, hogy jó, mert ezt nem tudom kimérni
![]() Szóval ha lenne egy kondi és duplájára cserálni, akkor ok, mert akkor valószínű jólenne... de így h csak a rézhuzal... ez nem annyira biztos... Én nagybátyámnak azt mondtam, hoy biztos más volt az az anyag ami kivolt feszítve 10km-en keresztül... azt mondta hogy teljesen ugyanolyan volt mint ennél... (amúgy értem milyen rézhuzalra gondolsz, ami benne van a dobozban)
Nekem teljesen úgy tűnt a szavaidból mintha a kábelekre gondolnál. A trafóra értették hogy vastagabb rézhuzallal. Annak is szerintem a primer tekercsét.
Ezzel sok mindent nem tudsz csinálni...
1., ha bírja a fazékvasas oszci, növeld meg a tápot pl. 10 %-kal ( próbatáp); 2., van még egy kondinak hely, ahogy látom, tegyél bele még; 3., a gyújtótrafó helyett olyan kellene, amelyiknek vastagabb a szekunder huzala (válogatás...). Így több energia menne bele a trafóba és talán nem terhelné le annyira a kihúzott drót kapacitása és induktivitása.
Már meg is gondoltam magam, mert nagyfeszültségen nem nagyon számít az ellenállása. Ám, ha azt a kondit nagyobbra cseréled, amit rásüt a trafóra, ill, ha elintézed, hogy nagyobb feszültségre töltse azt, akkor lehet, hogy már agyonvágja riskát!
A penelen van 4 db üres furat, ahol nincs semmi... esetleg a nagyobb teljesítményű annyiban külömbözhetett, hogy ott lehetett valami?
Hova és mekkora kondikat kellene tennem? (én is a belső rézhuzalra gondoltam, ami a dobozban van, annaka a cseréjére)
Ugyanakkora kondikat tegyél bele, figyelve a feszre ( kb. 400 V DC..), párhuzamosan a bentlévőkkel... mintha 2 szürke lenne.
Le kellene kötni a tirisztort és mérni, hány voltra mennek fel.
A két szürke kerámiakondenzátorra gondolsz, melyek úgy néznek ki mint egy konténer?
![]() Vagy nem tudom arra a 2 nagy dobozra, amire nincs ráírva semmi, csak 2 doboz, mi lehet az? Jah meg van a nyákon egy potméter... azzal mit lehet állítani?
Szerintem ezek MP vagy hasonló kondik, 1-2u2 3-400 voltosak... ott egy üres hely is.
A poti valszín a rázás ütemét adja... vagy a feszt állítja.. ez csak a pozíciójából derül ki. Ha tirisztor közelében van, akkor az előbbi..
Szerintem a szikra nagyságát a trafóban tárolt energia (vasmagméret !!) (a kondenzátorok növelése egy határon túl felesleges mert a vasmagban úgysem tárolódik el) és a megszakítás sebessége dönti el.Próbálkozz különféle trafókkal ill tirisztorokkal esetleg tranzisztorral (szerintem nagy csodát nem tudsz tenni, egyébként volt egy ilyen topic itt is)
igen de az a topic arról szólt, hogy hogyan lehet villanypásztort készíteni, de nem is ilyet, hanem kutyának...
Ezért nyitottam újat... Holnap veszek kondik és kipróbálom.. Hogyan tudom megállapítani, hogy növekedett-e táv? ![]() nincs lehetőségem 5km-nyi kábelt kihúzni és a végét megérinteni h érzem-e még... |
Bejelentkezés
Hirdetés |






Én először glimmlámpás gyújtáson agyaltam de Cavalier megoldása szerintem jobb. Köszönet neki 

